ИКМ аппаратурасын пайдалана отырып сандық беру жүйесінде сызықтық жолды жобалау

Жұмыс түрі: Курстық жұмыс
Тегін: Антиплагиат
Көлемі: 26 бет
Таңдаулыға:
Қазақстан Республикасы Білім және Ғылым Министрлігі
ҚАУ жанындағы Алматы байланыс колледжі
Курстық жобалау
Тақырыбы: " Сандық беру жүйесінде сызықтық жолды ИКМ аппаратурасын қолдану арқылы жобалау"
Пән: Сандық беру жүйесі
Топ: 03 - КТЖ - 01
Орындаған: Абдуллаева С. А.
Тексерген: Михиева А. Ы.
Нұсқау: 2
Мерзімі: 04. 01. 07
Бағасы:
Алматы, 2007
Мазмұны
Курстық жобалауға тапсырма . . . 3
Кіріспе . . . 4
1 - бөлім. Телефон сигналының дискреттеу жиілігін таңдау, код комбинация разрядын есептеу және кванттау шуылынан қорғағышты есептеу . . . 5
2 - бөлім. СБЖ - ның схемасын өңдеп сызу . . . 8
3 - бөлім. 1 - реттік СБЖ - ның циклдық және жоғарғы циклдық құрылымды құру және желідегі ТЖ сигналын есептеу . . . 10
4 - бөлім. Берілген тапсырма бойынша импульстердің код тізбектілігін
сызу . . . 13
5 - бөлім. Байланысты ұйымдастыру схемасын құру . . . 16
5. 1. ИКМ - 120 жүйесі бойынша сандық беру жүйесінде станцияны орналастыру . . . 16
5. 2. Байланысты ұйымдастыру схемасын сызу . . . 17
5. 3. Жобаланатын желі трактісінде қате мүмкінділігін есептеу . . . 18
5. 4. Симметриялық кабель бойынша беру жүйесіндегі регенераторлар үшін қорғағышты есептеу . . . 18
5. 5. Реттелетін сандық беру жүйесінде қате мүмкінділігін есептеу . . . 19
6 - бөлім. СБЖ сенімділігін бағалау . . . 22
Қорытынды . . . 25
Қолданылған әдебиеттер . . . 26
Курстық жобалауға тапсырма
Сандық беру жүйесі пәні бойынша
Күндізгі бөлім, IV курс, 03 - КТЖ - 01
Қазақ - Америка университеті жанындағы АБК
Графикалық бөлім
- Байланыс ұйымдастыру схемасы
- Регенератор түйіндерінің уақыттылық диаграммасы
- Сандық линиялық сигналдың құрылымы
- СБЖ құрылымдық схемасы
Кіріспе
Қазіргі кездегі байланыс жүйелері ақпараттың сенімді түрде берілуі мен тез өңделуін ғана емес, сонымен қатар бұл талаптардың үнемді түрде орындалуын қамтамасыз етеді. Кең қолданыстағы СБЖ, ИКМ - 30, ИКМ - 120, ИКМ - 480 және кейбір аналогты қондырғылар. СБЖ - ның аналогты қондырғыларының кейбір артықшылықтары бар: жоғарғы бөгеу тұрақтылығы, ақпараты сандық түрде беруі, желі бойымен берілетін символдардың күшейтуін жүзеге асырады, ал берілген ақпараттың сапалығына әсер ететін бөгеулермен бұрмалануларды лезде азайтады.
- ЛС ұзақтылығына беру сапасының әсері шамалы
- СБЖ каналының тұрақты параметрлері
- Дискретті сигналдарды беруге арналған каналдың өткізу қабілетінің эффектілігі
- Сандық байланыс жүйесінің құру мүмкіндігі
- Жоғарғы техника - экономикалық көрсеткіштері
СБЖ - ның жоғарыда көрсетілген артықшылықтары көбінесе сандық беру жүйесіндегі талаптарда көрінеді. Бұндай жүйе тек қана сандық трактыдан тұрады. Ол жүйелік түйіндерде жалғанады да, сандық абоненттік құрылғыларда, сандық коммутация жүйесіндегі сызықтармен бітеді.
Сандық беру жүйесінің қондырғылары сандық сигналдарды беру және қалыптастыратын қондырғылардан, ЛТ қондырғысынан тұрады.
Сандық телефондық байланыс сапасы, аналогты телефондық байланыспен салыстырғанда жоғары. Себебі:
- Сандық сигналдың бөгеу тұрақтылығы жоғары
- Беру сапасының байланыс жолы ұзындығына тәуелсіздігі
- СБЖ каналдардың параметрлерінің тұрақтылығы
- Дискреттік сигналдарды беру үшін СБЖ каналдарының өткізгіш қабілетін пайдалану тиімділігі
- Байланыс сандық желілерін құру мүмкіншіліктері
- Техникалық, экономикалық көрсеткіштерінің жоғаралығы
1 Бөлім
Телефон сигналының дискреттеу жиілігін таңдау, код комбинация разрядын есептеу және кванттау шуылынан қорғағышты есептеу
Тапсырма: 1
Телефон сигналының дискреттеу жиілігін таңдау, кодтық комбинация разряд санын анықтау. Анықталған разряд саны үшін АЦО кірісіндегі сигнал деңгейінің функциясы сияқты қабылдау пунктінде сигнал қорғағыштың сигналының кванттау шуылына тәуелділігін есептеу. Есептеу кезінде кіріс сигналының деңгейін АЦП қайта жүктелу табалдырығына сәйкестендіріліп 0 дБ тең болады.
ИКМ-де ВРК-мен қолданылатын бірқалыпты амплитудалық сипаттамасы бар аналогты компандерлерге қарағанда, компандерлерде сигментті сипаттамалар болады.
Компрессия сипаттамасының таңдауы.
(1)
болғанда
болғанда
А- компрессия коэффициенті =87, 6
Сипаттаманың оң аймағында 0-1, 1-2, 2-3, . . . 7-8 түйіндер арасында орналасқан С1, С2, С3 . . . С8 сигменттері болады.
А-876 6/13 типті компрессияның сипаттамасы
Кодтық комбинациядағы разряд саны мына формуламен анықталады:
m=
Мұндағы,
Б - жақша ішіндегі санды бүтіндеу
А к - кванттау шуылының қорғағыштығы
n - ТЖ каналы бойынша қайта қабылдағыш саны
m=
=4, 47+2, 7=6, 97≈7
Қабылдау пунктіндегі сигналдың максималды қорғағыштығын анықтаймыз, ол (2÷3) дБ аралығында болады. Сонда:
А
кв max
=
, дБ
А
кв max
= 7
6 - 10 - 10lg(3+1) - 3 = 33, 02 ≈ 33дБ
Ал минималды мәні (3÷4) дБ аралығында болады:
А кв min = А кв max - (3÷4) , дБ
А кв min = 33 - 4 = 29дБ
Сандық сигналды уақыт амплитудасы арқылы бірдей уақытта уақыт және амплитуда арқылы дискреттеу жолымен алынады. Уақыт бойынша үздіксіз сигналды дискреттеу кезінде сигналдың үздіксіз қисық сызықты өзгерісін емес оның белгілі бір уақыт аралығында Тд амплитудалық мәндеріне сәйкес келетін санау нүктелерін қарастырады. Сонымен үздіксіз процессті ондық сан арқылы көруге болады. Санау мәндері арқылы үздіксіз сигналды көрсететін уақыт интервалын Тд, дискреттеу интервалы оған кері шаманы 1/t=fq дискреттеу жиілігі деп атайды. Үздіксіз сигналдың санау нүктелерін белгілегенде жиілікті дұрыс таңдау қажет. Себебі: сигналдардың жылдам өзгерісін байқайуымыз қажет. Өйткені сигналды келтіргенде хабардың бір бөлігі жоғалып қалуы және қалпына келтірілген сигналдың түрі бастапқы түрінен айырмашылықта болуы мүмкін. Бұл қабылдау жағында дыбыстық бұрмалануға әкеліп соғады. Сондықтан үздіксіз сигналды бұрмаланусыз қалпына келтіру үшін дискреттеу жиілігін дұрыс таңдау қажет және ол өзінің екі еселенген спектр кеңдігінен төмен болмауы керек. Телефондық сигнал үшін fq = 8кГц болуы керек.
Котельников теоремасы: кез келген үздіксіз сигнал дикреттеледі. Егер ол жоғарғы жиілікте шектелген болса, онда мұндай сигналды қабылдау жағында толық қалпына келтіруге болады.
Котельников теоремасы негізінде Fд≤Fж. Егер Fд = 2Fж болса, онда (1 - сурет) төменгі бүйір жиілігі модуляциялайтын сигналдың жоғарғы жиілікті спектрмен сәйкес келеді және үздіксіз сигналды қалпына келтіру үшін жиілігі Fқ = Fж тең болатын идеалды төменгі жиілікті сүзгіш қажет.
Іс жүзінде дискреттеу жиілігін мынадай жағдайда таңдап алады Fд>2Fж, оның схемасы 2 - суретте көрсетілген. Әдетте Fд = (2, 3 . . . 2, 4) Fж. Телефондық сигналды 0, 3 . . . 3, 4 кГц жиілік аралығында дискреттегенде дискреттеу жиілігі 8 кГц - ке тең. Бұл кезде төменгі жиілікті сүзгі параметрлеріне қойылатын талап қысқартылады, себебі өту жиіліктік аймағы сүзгіш үшін көбееді, бұл бізге үздіксіз сигналды қалпына келтіру үшін қарапайым сүзгіш пайдалануға мүмкіндік тудырады.
Қорытынды
1 - бөлімде, мен кодтық комбинация санын анықтадым. Содан соң, қабылдау пунктіндегі сигналдың максималды және минималды қорғағыштығын анықтадым. Коткльников теорясын жазып, оны талдадым.
2 Бөлім
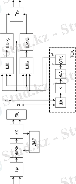
СБЖ - ның схемасын өңдеп сызу
Тапсырма: 2
Берілген канал санына байланысты СБЖ құрылымдық схемасын сызу. Құрылымдық схеманың блок қызметтерін және олардың өзара байланысын қысқаша түсіндіру. ИКМ - 120 құрылымдық асинхронды схемасын сызу.
ИКМ - 30 жүйесінің санын анықтаймыз:
N
30
=
Мұндағы,
Nкан - берілген канал саны
30 - бірінші реттік БЖ ТЖ канал саны
N
30
=
=12
ИКМ - 120 жүйесінің санын анықтаймыз:
N
120
=
Мұндағы,
N 30 - бірінші реттік БЖ саны
4 - екінші реттік БЖ құрамына кіретін, бірінші реттік БЖ саны
N
120
=
= 3
Қорытынды
2 - бөлімде мен ИКМ - 30 санын анықтадым, ол 12 тең болды. ИКМ - 120 санын анықтадым, ол 3 тең болды. Сонымен бірге СБЖ құрылымдық схемасын сыздым.
АБК. КЖ. 38090202. 03-КТЖ-01
1 5
3 Бөлім
1 - реттік СБЖ - ның циклдық және жоғарғы циклдық құрылымды құру және желідегі ТЖ сигналын есептеу
Тапсырма: 3
Бірінші реттік СБЖ - ның циклдық құрылымын құру, циклдық синхронизациядағы сигналды іздеудің орташа уақытын есептеу. Бірінші реттік сандық ағынның топтастыру әдісін таңдау және желідегі сигналдың тактілі жиілігін анықтау. Циклдың құрылымын өңдеудің негізгісі ретінде СБЖ ИКМ - 30 - ды аламыз. Циклдық синхронизация сигналын іздеудің орташа уақытын мына формуламен анықтаймыз:
Т
орт
=
, мс
Мұндағы,
Н - екі көрші синхрокомбинация аралығындағы ақпарат саны
b - синхрокомбинациядағы символ саны
Т 0 - екі көрші синхрокомбинация аралығындағы уақыт интервалы
Т
0
=2
Т
ц
=
, мс
ƒ диск = 8кГц
Н = 32
2
m+m
b=m-1
Т
орт
=
с
Т
0
=
мс
Н = 32
2
7+7 =455
b= 7 - 1=6
Бірінші реттік сандық ағынның тактілі жиілігі мына формуламен анықталады:
ƒ
Т1
= 32
ƒ
диск
m, кГц
Мұндағы,
32 - ИКМ - 30 жүйесіндегі КИ саны
ƒ диск - дискреттеу саны
m - разряд саны
ƒ
Т1
= 32
8
7=1792кГц
ƒ
Т2
=М
ƒ
Т1
(1+q), МГц
Мұндағы,
М - топтастырылған сандық ағын саны. М=12
q - топтастырылған циклдағы сигналдың қосымша символдардың ақпараттық символдарға қатынасы. Егер синхронды топтастыру q = 0, 03 болса, асинхронды топтастыру q = 0, 04.
ƒ
Т2
=12
1792
10
3
(1+0, 04) =21504
1, 04 = 22, 3МГц
Қорытынды
3 - бөлімде, циклдық синхронизация сигналын іздеудің орташа уақытын, бірінші реттік сандық ағынның тактілі жиілігін есептеп шығардым. Циклдық синхронизация сигналын іздеудің орташа уақыты
тең болды, ал бірінші реттік сандық ағынның тактілі жиілігі
ƒ
Т1
=1792кГц
және
ƒ
Т2
=22, 3МГц
тең болды.
АБК. КЖ. 38090202:03-КТЖ-01
4 Бөлім
Берілген тапсырма бойынша импульстердің код тізбектілігін сызу
Тапсырма: 4
Берілген тапсырма бойынша екілік сигналдар тізбектілігін ЧПИ кодына түрлендіру және регенератор схемасын сызу, соған байланысты диаграмма сызу.
Қорытынды
4 - бөлімде, 1100011 кодын ЧПИ кодына түрлендірдім, соған байланысты регенератор схемасымен диаграмманы сыздым.
АБК. КЖ. 38090202. 03-КТЖ-01
3 5
АБК. КЖ. 38090202. 03-КТЖ-01
4 5
5 Бөлім
Байланысты ұйымдастыру схемасын құру
Тапсырма: 5. 1
Сандық беру жүйесіндегі ИКМ - 120 жүйесін орналастыру және регенерация бөлімшелерінің саны мен ұзындықтарын анықтау. Регенерация бөлімшесінің өшу мәнін анықтау:
А
р. а
≤ А
0орт
- δ
0орт
- 10lg
N - 24, 7 дБ
Мұндағы,
N - бір уақытта жұмыс істейтін ИКМ - 30 жүйе саны
А 0орт - таңдалған өзара орналасқан әсер етуші жұп үшін соңғы қашықтықтағы өту өшулердің орташа стастикалық мәні
δ 0ор - сигнал шуылдың стандартты ауытқуы
24, 7 - сигнал шуыл қатынасының қосымшасы
А 0орт = 61, 7
δ 0орт = 8, 1
А
р. а
≤ 61, 7 - 8, 1 - 10lg
12-24, 7=18, 11
10≤ А р. а ≤30, дБ
10≤ 18, 11 ≤30, дБ
Регенерациялық аймақтың ұзындығы мына формуламен анықталады:
lр. а. =
, км
lр. а. =
=3, 99 км
Мұндағы,
∆А t max - кабельдің км - лік өшуі. ∆А t max = 0, 6 дБ
А орт max - кабельдің км - лік өшуінің орташа мәні. Жобаланатын кабель үшін (мкс 4х4) (3, 49÷5, 2) дБ/км
А t max =А орт max - ∆А t max , дБ/км
А t max = 5, 2 - 0, 6 = 4, 6 дБ/км
ДҚ секциясындағы регенерациялық аймақтың санын есептеу:
n
р. а
= Е
Мұндағы,
Е - бүтін сан
Lс - ДҚ секциясының жобалық ұзындығына (МКС кабеліне 200км)
n
р. а
=
=
51
Тапсырма: 5. 2
ОРП (ҚКөрсРП), НРП (ҚКРП) сандарын есептеп байланысты ұйымдастыру схемасын сызу:
N
ОРПа
=
, дана
Мұндағы,
L бж - тапсырма бойынша берілген желі трактісінің ұзындығы
L дкс - ДҚ секция ұзындығы
N
ОРПа
=
= 3 дана
ОРП пункт санын есептеу:
N ОРП = N ОРПа - 1, дана
N ОРП = 3 - 1 = 2 дана
Регенерациялық аймақ санын есептеу:
N
р. а
=
, дана
N
р. а
=
=162 дана
Регенерациялық пункт санын есептеу:
N р. п = N р. а - 1, дана
N р. п = 162 - 1 = 161 дана
N НРП = N р. п - N ОРП - 1, дана
N НРП = 161 - 2 - 1 = 158 дана
Тапсырма: 5. 3
Егер дискретизация жиілігі 8 кГц болса, онда желі трактісінде бір минут аралығында 8000х60=48 код тобы және қатынасы 2х48=96 үлкен разряд деп есептеуге болады, сонда:
Р
қате
≤
=10
6
1 км трактісіндегі қате мүмкіндігі мына формуламен анықталады:
Р
қате
=
Р
қате
=
=15, 3
10
-9
МКТТ ұсынысы бойынша, 1 км сандық желі трактіде 10 1/км ұсынылған. Сондықтан желі трактісіндегі қате мүмкіндігі мына формуламен анықталады:
Р
мүмк. қате
= 10
-10
L
бж
Р
мүмк. қате
= 10
-10
650=65
10
-9
Тапсырма: 5. 4
СБЖ - дағы регенератор үшін симметриялық кабель бойынша қорғағышты есептеу. Соңғы пункттегі кабель жұбының аралығындағы өту өшуінің шамасын есептеу.
Бір кабельді жүйе үшін:
А
ө
= А
0орт
- А
р. а max
- 10lg
n - δ
0орт
- q, дБ
Мұндағы,
А 0орт - жақын пункттегі кабель жұбының аралығындағы орташа өту өшуі
n - кабельдегі екі жақты сандық жолдың саны n=2
δ 0орт - А 0орт стандартты ауытқуы (7, 3 немесе 9, 8)
q - регенератор дайындаудағы жіберілетін қателік, ол 3 - ке тең.
А
ө
= 61, 7- 22, 35 - 10lg
2 -9, 8 - 3=23, 54 дБ
А
р. а max
= А
t max
L
е. р. а
+ А
ж. л
Мұндағы,
А t max - max грунт температурадағы кабельдің км - лік өшуі
L е. р. а - есептелетін регенерациялық аймақтың ұзындығы (3, 49÷5, 2), дБ
А ж. л - (3÷4), дБ
А
р. а max
= 4, 6
3, 99 + 4=22, 35
Тапсырма: 5. 5
Беру желісіндегі бөгеуден қорғағыштық сандық сигналдың трактісіндегі барлық элементтерден өту кезінде пайда болатын қателермен анықталады. Әртүрлі регенератордағы қателіктер бір - біріне тәуелсіз.
Күтілген бөгеу тұрақтылығы барлық желі трактісіндегі қателік мүмкіндігін анықтайды және мына формуламен анықталады:
Р қате L күтіл. қате =∑Р қате
Р
қате
L
күтіл. қате
=(N+1)
Р
қате
Мұндағы,
... жалғасы- Іс жүргізу
- Автоматтандыру, Техника
- Алғашқы әскери дайындық
- Астрономия
- Ауыл шаруашылығы
- Банк ісі
- Бизнесті бағалау
- Биология
- Бухгалтерлік іс
- Валеология
- Ветеринария
- География
- Геология, Геофизика, Геодезия
- Дін
- Ет, сүт, шарап өнімдері
- Жалпы тарих
- Жер кадастрі, Жылжымайтын мүлік
- Журналистика
- Информатика
- Кеден ісі
- Маркетинг
- Математика, Геометрия
- Медицина
- Мемлекеттік басқару
- Менеджмент
- Мұнай, Газ
- Мұрағат ісі
- Мәдениеттану
- ОБЖ (Основы безопасности жизнедеятельности)
- Педагогика
- Полиграфия
- Психология
- Салық
- Саясаттану
- Сақтандыру
- Сертификаттау, стандарттау
- Социология, Демография
- Спорт
- Статистика
- Тілтану, Филология
- Тарихи тұлғалар
- Тау-кен ісі
- Транспорт
- Туризм
- Физика
- Философия
- Халықаралық қатынастар
- Химия
- Экология, Қоршаған ортаны қорғау
- Экономика
- Экономикалық география
- Электротехника
- Қазақстан тарихы
- Қаржы
- Құрылыс
- Құқық, Криминалистика
- Әдебиет
- Өнер, музыка
- Өнеркәсіп, Өндіріс
Қазақ тілінде жазылған рефераттар, курстық жұмыстар, дипломдық жұмыстар бойынша біздің қор #1 болып табылады.
Ақпарат
Қосымша
Email: info@stud.kz