Сканирлеуші зондтық микроскопия

 
    
Сканирлеуші зондтық микроскопия
- Сканирлеуші зондтық микроскоптың жалпы конструкциясы
- Датчиктердің түрлері
- Пьезоэлектрлік қозғалтқыштар
- Кері байланыс жүйесі
- СЗМ мәліметтерінің форматтары, эксперимент нәтижелерін ұсыну мен өңдеу тәсілдері
Кіріспе
Қатты денелердің беттерін зерттеуге арналған көптеген әдістер бар. Микроскопия, ұлғайтылған кескінді алатын құрал ретінде жәндіктерді зерттеуге арналған ұлғайтатын қарапайым шынылар алғаш жасалған кезде XV ғ. пайда болды. XVII ғ. соңында Антонио ван Левенгук жеке жасушалардың, ауру тарататын микробтар мен бактериялардың болатынын көрсетуге мүмкіндік берген оптикалық микроскопты ойлап тапты. 20 ғ. өзінде электрон және ион шоқтарының көмегімен жасалатын микроскопия әдістері жасалды.
Осы аталған әдістердің бәрінде келесі принцип орындалады: зерттелетін үлгіні бөлшектер ағынымен жарықтандыру және оның келесі түрленулері. Сканирлеуші зондтық микроскопияда басқа принцип оындалады - зондтаушы бөлшектердің орнына онда механикалық зонд, ине қолданылады. Егер оптикалық және электрондық микроскоптарда үлгі қаралатын болса, СЗМ оны сезеді.
СЗМ әдісінің атауында көрсетілген басқа маңызды принцип сканирлеу принципі, яғни зерттеу объекті туралы орташаланған ақпаратты алу емес, зондты дискретті жылжыту (нүктеден нүктеге, сызықтан сызыққа) және әрбір нүктедегі ақпаратты есепке алу.
- Сканирлеуші зондтық микроскоптың жалпы конструкциясы
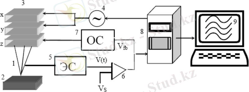
СЗМ келесі негізгі құраушылардан тұрады (1-1 сурет) :
- 1. зонд; 2. үлгі; 3. зерттелетін үлгінің бетімен зондты жылжытуға арналған пьезоэлектрлік x, y, z қозғалтқыштары; 4. горизонталь жазықтықта зондтың сканирлеуін қамтамасыз ететін, х және у пьезодрайверлеріне кернеу беретін айналдыру генераторы; 5. зонд пен үлгінің жергілікті әсерлесу шамасын тіркейтін электрондық датчик; 6. датчиктің тізбегіндегі ағымдағы V(t) сигналды SP алғашқы берілген сигналымен салыстыратын және ол ауытқыған кезде түзейтін Vfb сигнал өндіретін компаратор;
- 7. z осі бойымен зондтың қозғалуын басқаратын кері байланыстың электрондық тізбегі; 8. Сканирлеу процесі мен кескінді алуды басқаратын компьютер (9) .
 
1-1 сурет. Сканирлеуші зондтық микроскоптың жалпы схемасы. 1 - зонд; 2 - үлгі; 3 - пьезоэлектрлік қозғалтқыштар x, y, z; 4 -пьезокерамиканың x, y-не бағыттау кернеуінің генераторы; 5 - электрондық датчик; 6 - компаратор; 7 - кері байланыстың электрондық тізбегі; 8 - компьютер; 9 - кескін z(x, y)
2. Датчиктердің түрлері
 Сканирлеуші зондтық микроскоптың негізінде зерттелетін заттың беті мен зонд арасында, оларды ~
  қашықтыққа дейін өзара жақындатқан кезде пайда болатын локалдық әсерлесуді детектирлеу, мұндағы
 қашықтыққа дейін өзара жақындатқан кезде пайда болатын локалдық әсерлесуді детектирлеу, мұндағы
  - «зонд-үлгі» әсерлесуінің қшуінің сипаттамалық ұзындығы, «Зонд-үлгі» әсерлесуінің табиғатына байланысты: сканирлеуші туннельдік микроскоп (СТМ, туннельдік ток өлшенеді), сканирлеуші күштік микроскоп (ССМ, күштік әсерлесу тіркеледі), жақынөрістік сканирлеуші оптикалық микроскоп (БСОМ, электромагниттік сәуле тіркеледі) және т. б. болып бөлінеді. Сканирлеуші күштік микроскопия күштік әсерлесудің түріне қарай өз кезегінде атомдық-күштік микроскопия (АСМ), магниттік-күштік микроскопия (МСМ), электро-күштік микроскопия (ЭСМ) және басқаларына бөлінеді.
 - «зонд-үлгі» әсерлесуінің қшуінің сипаттамалық ұзындығы, «Зонд-үлгі» әсерлесуінің табиғатына байланысты: сканирлеуші туннельдік микроскоп (СТМ, туннельдік ток өлшенеді), сканирлеуші күштік микроскоп (ССМ, күштік әсерлесу тіркеледі), жақынөрістік сканирлеуші оптикалық микроскоп (БСОМ, электромагниттік сәуле тіркеледі) және т. б. болып бөлінеді. Сканирлеуші күштік микроскопия күштік әсерлесудің түріне қарай өз кезегінде атомдық-күштік микроскопия (АСМ), магниттік-күштік микроскопия (МСМ), электро-күштік микроскопия (ЭСМ) және басқаларына бөлінеді.
Зондтық микроскопияның негізгі екі түрі СТМ және АСМ болып келеді.
Туннельдік датчиктегі туннельдік токты өлшеу кезінде зонд пен үлгі арасында өтетін ток тізбегіне жалғанған ток-кернеу түрлендіргіші (ТКТ) қолданылады. Қосудың екі нұсқасы болуы мүмкін: үлгіге ығысу кернеуі жерге тұйықталған зондқа қатысты берілетін жерге тұйықталған зонд арқылы немесе ығысу кернеуі зондқа үлгіге қатысты берілетін жерге тұйықталған үлгімен қосылуы мүмкін.
 
1-2 сурет. Туннельдік датчиктің сызбанұсқасы
Күштік әсерлесудің дәстүрлі датчигі кремний микробалка, кантилевердің ұшында орналасқан зонд пен үлгінің арасындағы күштік әсерлесу нәтижесінде пайда болатын кантилеверді иілдіру шамасын тіркеудің оптикалық схемасындағы консоль немесе кантилеверден тұрады (ағылшын. cantilever - консоль) (1-3 сурет) .
 
1-3 сурет. Күштік датчиктің сызбанұсқасы
Күштік микроскопия жүргізудің контактілі емес, контактілі және үзілісті-контактілі («жартылай контактілік) тәсілдерін бөледі. Контактілі тәсілді қолдану зонд үлгіге тіреледі деп ұйғарады. Кантилеверді ию кезінде контактілік күштер әсерінен одан шағылған лазер сәулесі фотодетектордың центріне қатысты ығысады. Осылайша, кантилевердің ауытқуы фотодетектордың төменгі және жоғарғы жарты бөлігіндегі жарықтылықтың салыстырмалы өзгерісі бойынша анықталуы мүмкін.
Контактілі емес әдісті қолдану кезінде зонд беттен алыстатылған және алыстан әсер ететін тартылыс күштерінің әсер ету аумағында болады. Тепкіш контактілік күштерден тартылыс күштері мен олардың градиенттері әлсіздеу болады. Сондықтан оларды тіркеу үшін, әдетте, модуляциялық әдістеме қолданылады. Ол үшін пьезовибратордың көмегімен кантилевер резонанстық жиілікке вертикаль тербеледі. Беттен алыстағанда кантилевердің тербеліс амплитудасы максимал шамаға ие болады. Бетке жақындатқан сайын тартылыс күшінің градиентінің әсерінің салдарынан кантилевердің тербелісінің резонанстық жиілігі өзгереді, бұдан оның тербеліс амплитудасы азаяды. Бұл амплитуда фотодетектордың төменгі және жоғарғы жарты бөлігіндегі айнымалы жарықтылықтың салыстырмалы өзгерісіне қатысты оптикалық жүйенің көиегімен тіркеледі.
«Жартылайконтактілі» өлшеу тәсілінде күштік әсерлесуді өлшеудің модуляциялық методикасын қолданадыспособе измерений также применяется модуляционная методика измерения силового взаимодействия. Күштік әсерлесуді детектирлеудің басқа да қарапайымырақ тәсілдері бар, оларда күштік әсерлесуді электрлік сигналға тура түрлендіреді. Осындай тәсілдердің бірі күштік әсерлесудің әсерінен пьезоматериал иілген кездегі тура пьезоэффектті қолдануға арналған.
3. Пьезоэлектрлік қозғалтқыштар
Инені өте кіші қашықтыққа жылжыту үшін СЗМ-да пьезоэлектрлік қозғалтқыштар қолданылады. Олардың міндеті - үлгіні қозғалмайтын зондқа қатысты жылжыту немесе зондты қозғалмайтын үлгіге қатысты жылжыту арқылы зерттелетін үлгіні зондпен механикалық сканирлеуді қамтамасыз ету.
Заманауй СЗМ-дарда қолданылатын пьезоэлектрлік қозғалтқыштардың көбісінің жұмысы кері пьезоэффектті қолдануға негізделген, ол пьезоматериал өлшемдерін электр өрісінің әсерімен өзгертуге негізделген. СЗМ-да қолданылатын пьезокерамик алардың көбінің негізі әр түрлі қоспалар енгізілген Pb(ZrTi) O 3 ( қорғасынның цирконат-титанаты, ҚЦТ) болып келеді.
Бір жағынан бекітілген пьезопластинканың ұзаруы келесі өрнекпен анықталады:
 
мұндағы l - пластинаның ұзындығы, h - пластинаның қалыңдығы, U -пьезопластинаның жақтарында орналасқан электродтарға берілген электрлік кернеу, d 31 - материалдың пьезомодулі.
Пьезокерамикалық қозғалтқыштардың шығарылатын көптеген пішіндері мен түрлері бар. Олардың әрқайсысының 0. 1 ден 300 нм/В аралығындағы ерекше пьезомодулі болады. Кеңею коэффициенті 0. 1 нм/В керамика 100 мВ кернеу берілгенде 0. 1 Å ге жылжытуға мүмкіндік береді, ол атомдық ажыратуды алуға жеткілікті болады. Сканирлеудің үлкен диапазонын (бірнеше жүздеген микрон) алу үшін пьезомодулінің мәні үлкен пьезокерамика қолданылады.
x, y (үлгінің латеральнды жазықтығында) және z (вертикаль бойымен) үш координаты бойынша жылжытуды қамтамасыз ететін пьезокерамикадан жасалған конструкция «сканер» деп аталады. Сканерлердің бірнеше түрі бар, олардың кеңірек тарағандары үш аяқты және трубалы (1-4 сурет) .
 
1-4 сурет. Сканерлердің негізгі конструкциялары
Үшаяқты сканерде үш координат бойынша жылжытуды ортогональды құрылымда орналасқан үш тәуелсіз пьезокерамика қамтамасыз етеді.
Трубалық сканерлер Z осі бойынша трубканы созу немесе сығу және латералдық жазықтықта пьезоэлектрлік трубканы ию арқылы жұмыс істейді. X және Y бағыттарда трубканың жылжуын басқаратын электродтар трубканың сыртқы бетінде төрт сегмент түрінде орналастырылады (1-4. б сурет) . X бағытында трубканы +X-ке ию үшін электродқа оның бір шетін созу үшін кернеу беріледі. Y бағытындағы қозғалысты беру үшін де дәл осы принцип қолданылады. X және Y бағыттарындағы ығысу берілген кернеуге және трубканың ұзындығының квадратына пропорционал болады. Z бағытындағы қозғалыс трубканың центріндегі электродқа кернеу беру арқылы жасалады. Бұл бүкіл трубканың оның ұзындығы мен берілген кернеуге пропорционал ұзаруына алып келеді.
СЗМ - да бетті сканирлеу процесі телевизордың электронды сәулелік трубкасындағы экран бойынша электрондық сәуленің қозғалысына ұқсас болады (1-5 сурет) . Зонд сызықтың (жолдың) бойымен алдымен тура бағытта қозғалады, одан соң кері бағытта қозғалып, одан кейін келесі жолға өтеді. Зондтың қозғалысы айналдыру генераторынан (әдетте, сандық-аналогтық түрлендіргіштен) берілетін аратәрізді кернеудің әсерімен қадамдары кіші сканердің көмегімен жүзеге асырылады. Ереже бойынша, беттің бедері туралы ақпаратты тіркеу тура өтуде жүзеге асырылады.
 
1-5 сурет. Сканирлеу процесінің сызбанұсқалық кескіні
Сканирлеудің басында таңдалатын негізгі параметрлер:
- ● сканның өлшемі; ● сканирлеу қадамын Δ анықтайтын NX және NY сызықтарындағы нүктелер саны; ● сканирлеу жылдамдығы.
Сканирлеу параметрі зерттеушіде зерттеу объекті туралы алдын-ала бар болатын мәліметтерден (беттік ерекшеліктерге тән өлшемнен) таңдалынады. Сканның өлшемін таңдау кезінде үлгінің беті туралы толығырақ ақпарат алу, яғни, оның бетінің сипаттамалық ерекшеліктерін көрсету қажет. Мысалы, периоды 3 мкм дифракциялық торды сканирлеу кезінде тым болмаса бірнеше периодты көрсету керек, яғни сканның өлшемі 10 ÷ 15 мкм болуы керек. Зерттелетін объектінің бетіндегі ерекшеліктердің орналасуы біртекті болмаса, онда сенімді түрде бағалау үшін үлгінің бетіндегі бірнеше бір-бірінен кешігетін нүктелерде сканирлеу жүргізу керек. Зерттеу объекті туралы ақпарат болмаған жағдайда алдымен, ереже бойынша, беттің сипаты туралы шолу ақпаратты алу үшін бейнелеуге макисмалды қолайлы аумақта сканирлеу жүргізу керек. Қайталап сканирлеу кезінде скан өлшемін таңдауды шолу сканында алынған мәліметтерге байланысты жүргізеді. Сканирлеу нүктелерінің (NX, NY) саны сканирлеу қадамы Δ (бет туралы ақпарат оқылатын нүктелердің арасындағы қашықтық) оның сипаттамалық ерекшеліктерінен аз болатындай етіп таңдалады. Екінші жағынан артық нүктелер санын таңдау скан алу уақытын арттырып жібереді. Сканирлеу жылдамдығы ақпаратты оқу жүргізілетін нүктелер мен зондтың арасындағы қозғалыс жылдамдығын анықтайды. Артық үлкен жылдамдық кері байланыс жүйесі зондты беттен алып үлгермеуіне әкелуі мүмкін, оның нәтижесінде вертикаль өлшемдердің дұрыс көрсетілмеуіне алып келеді және зонд пен үлгінің бетінің бүлінуіне алып келеді. Төменгі сканирлеу жылдамдығы скан алу уақытының артуына алып келеді.
4. Кері байланыс жүйесі
 Сканирлеу кезінде зонд беттің әр түрлі физикалық қасиеттері бар учаскелерінің үстінде болуы мүмкін, оның нәтижесінде зонд-үлгі әсерлесуінің шамасы мен сипаттамсы өзгереді. Сонымен қатар, егер үлгінің беті тегіс болмаса, онда сканирлеу кезінде зонд пен беттің арасындағы қашықтық
  Z те өзгереді, сәйкесінше локалдық әрекеттесу шамасы да өзгереді.
 Z те өзгереді, сәйкесінше локалдық әрекеттесу шамасы да өзгереді.
Сканирлеу процесінде локалдық әсерлесудің тұрақты шамасын (күшті немесе туннельдік токты) ұстап тұру теріс кері байланыс жүйесі арқылы жасалады. Зондты бетке жақындатқан кезде датчиктің сигналы артады (см. Рис. 1-1) . Компаратор датчиктің ағымдағы сигналын тірек кернеумен Vs салыстырады және зондты үлгінің бетіне алып кететін пьезоприводты басқарушы ретінде қолданылатын түзетуші сигналды Vfb өндіреді. Мұнда беттің топографиясының кескінін алуға арналған сигнал z-пьезоприводтың каналынан алынады.
1-6 суретте зонд-үлгі әсерлесуінің шамасы тұрақты сақталған кездегі зондтың үлгіге қатысты (қисық 2) және үлгінің зондқа қатысты (қисық 1) қозғалыс траекториясы көрсетілген. Егер зонд шұңқырдың немесе әсерлесу әлсіз аумақтың үстінде болса, онда үлгі жоғары көтеріледі, керісінше болған кезде үлгі төмен түседі.
 
1-6 сурет. Тұрақты локалды әсерлесудің кері байланыс жүйесін ұстап тұру процесіндегі зонд пен үлгінің салыстырмалы қозғалысының траекториясы
Кері байланыс жүйесінің сәйкес емес Vfb=V(t) - VS сигналының пайда болуына жауап беруі кері байланыс тізбегінің константасымен K (НАНОЭДЬЮКАТОР II - Gain құрылғысында) немесе бірнеше осындай константалармен анықталады. K мәні нақты СЗМ конструкциясының ерекшеліктеріне (электрониканың, сканердің конструкциясы мен сипаттамаларына), СЗМ жұмыс режиміне (скан өлшеміне, сканирлеу жылдамдығына т. б. ), сондай-ақ зерттелетін беттің ерекшеліктеріне (кедір-бұдыр болу дәрежесіне, тофография ерекшеліктерінің масштабына, материалдың қаттылығына т. б. ) тәуелді болады.
K мәні үлкен болған сайын кері байланыс тізбегі сканирлеуші беттің сызықтарын дәлірек өңдейді және сканирлеу кезінде алынатын мәліметтер сенімдірек болады. алайда К мәнінің қандай да бір критикалық мәнінен артқан кезде кері байланыс жүйесі өздігінен қозуға бейімділік көрсетеді.
5. СЗМ мәліметтерінің форматтары, эксперимент нәтижелерін ұсыну мен өңдеу тәсілдері
Сканирлеуші зондтық микроскоп көмегімен алынған ақпарат СЗМ кадр - бүтін сандардың екі өлшемді массиві Zij (матрица) түрінде сақталады.
ij индекстер жұбының әрбір мәніне сканирлеу өрісі шегінде беттің белгілі бір нүктесі сәйкес келеді. Беттің нүктелерінің координаттары сәйкес индексті ақпаратты оқу жүргізілген нүктелердің ара қашықтығының шамасына қарапайым көбейтудің көмегімен есептеледі. СЗМ кадрлар өлшемі 128x128 немесе 256х256 элементтен тұратын квадраттық матрица түрінде болады.
... жалғасы- Іс жүргізу
- Автоматтандыру, Техника
- Алғашқы әскери дайындық
- Астрономия
- Ауыл шаруашылығы
- Банк ісі
- Бизнесті бағалау
- Биология
- Бухгалтерлік іс
- Валеология
- Ветеринария
- География
- Геология, Геофизика, Геодезия
- Дін
- Ет, сүт, шарап өнімдері
- Жалпы тарих
- Жер кадастрі, Жылжымайтын мүлік
- Журналистика
- Информатика
- Кеден ісі
- Маркетинг
- Математика, Геометрия
- Медицина
- Мемлекеттік басқару
- Менеджмент
- Мұнай, Газ
- Мұрағат ісі
- Мәдениеттану
- ОБЖ (Основы безопасности жизнедеятельности)
- Педагогика
- Полиграфия
- Психология
- Салық
- Саясаттану
- Сақтандыру
- Сертификаттау, стандарттау
- Социология, Демография
- Спорт
- Статистика
- Тілтану, Филология
- Тарихи тұлғалар
- Тау-кен ісі
- Транспорт
- Туризм
- Физика
- Философия
- Халықаралық қатынастар
- Химия
- Экология, Қоршаған ортаны қорғау
- Экономика
- Экономикалық география
- Электротехника
- Қазақстан тарихы
- Қаржы
- Құрылыс
- Құқық, Криминалистика
- Әдебиет
- Өнер, музыка
- Өнеркәсіп, Өндіріс
Қазақ тілінде жазылған рефераттар, курстық жұмыстар, дипломдық жұмыстар бойынша біздің қор #1 болып табылады.
 
            
                Ақпарат
Қосымша
Email: info@stud.kz