Жанармайдың ауамен араласуы және жанғыш қоспаның құрамы


Жұмыс түрі: Материал
Тегін: Антиплагиат
Көлемі: 11 бет
Таңдаулыға:
Жоспар:
Кіріспе бөлім:
Жанармайдың ауамен араласуы және жанғыш қоспаның құрамы.
Негізгі бөлім:
Қоректендіру жүйесінің жалпы құрылысы.
Қорытынды:
Жеңіл автомобильдер карбюратоларының қозғалтқыштары.
... жалғасыДИЗЕЛЬДЕГІ ҚОСПА АРАЛАСУДЫҢ ЕРЕКШЕЛІКТЕРІ.
Дизельді қозғалтқышта жанармай отыны жоғарғы қысымды отын сорабынан форсунканың көмегімен сығылу ырғағының соңындағы ауаның қысымынан да жоғары қысыммен цилиндр ішіне бүркіледі. Қоспа араласуы отынның цилиндр ішіне түскеннен кейінгі мезгілден басталады.
Жанармай отынының булануы мен тұтануы сығылған ауаның жоғары температурасы мен қысымының нәтижесінде жүзеге асады (сығылу ырғағының соңында ауаның температурасы 550 о - 700 о С, ал қысымы - 3, 5 - 5, 5 МПа жетеді) . Айтатынымыз, қоспанының тұтанғаннан кейін жану бөлмешегінде температура мен қысым жылдам жоғарлайды да, жанармай отынның бүркілген жалынының ұсақ қалдық бөліктерінің және отынының булануы мен тұтануы жедел арттырылады.
Дизель қозғалтқыш жұмысының жақсартылған қуаттылығы мен үнемділік көрсеткіштерін арттыру үшін, отынның бүркілуін оның цилиндрлерінің ішіне ішпектің жоғарғы шектік нүктеге (ЖШН) жетпестен бұрын орындалуы керек.
Форсункалар жанармай отынын қажетті оздыру бұрышымен бүрку үшін, жоғары қысымды отын сорабы отынды сығымдап жіберуді одан ертерек бастауы керек. Бұл отын сорабынан форсункаларға дейінгі отынның сығымдалып жету уақытының қажет екендігін білдіреді.
Жоғары қысымды отын сорабы отынның берілуін бастау моментінде, иіндібіліктің иіні жоғары шектік нүктеге жетпесе, оны отынның бүркілу бұрышының оздыруы деп айтады.
Дизель қозғалтқыштарының цилиндрлеріне берілген ауаның мөлшері бірдей болады, оған түскен жүктемелерге тәуелді болмайды. Кіші жүктеме кезінде де цилиндрлер ішінде отынның толық жануы үшін ауаның мөлшері әркезде болады. Бұл кезде артық ауаның коэффициенті жоғары мөлшерде болады. Жүктеменің көбейуіне байланысты отынның берілуі көбейеді, бірақ бұл кезде ауа коэффициентінің мағнасы кемиді, нәтижесінде отынның жану процессі төмендейді. Сондықтан артық ауа коэффициенттінің минимальды мөлшері әртүрлі дизель отынының түтінсіз жұмыс істеуіне
α= 1, 3÷1, 7 аралығына тең, бұл карбюраторлы қозғалтқыштармен салыстырғанда дизельдің жоғары үнемділігін көрсетеді.
Қоспа араласу мен жану процессінің жақсаруына жұмыстық қоспаны дайындау мен берілген жану бөлмешектерінің түрлері маңызды ықпал көрсетеді. Жұмыстық қоспаның дайындалу тәсілі бойынша көлемді, көлемді-пленкалы, пленкалы қоспа дайындалу түрлері болады. Дизельдерде қазіргі қолданылатын жану бөлмешектерінің жалпы негізгі құрылымы бойынша екі үлкен топқа біріктіруге болады: бөлектелінбеген (бір қуысты) және бөлектелінген (екі қуысты) .
Бөлектелінбеген жану бөлмешегі (8. 1. сур, а, ) поршень Ж. Ш. Н. тұрғандағы поршньнің түбі мен бастиектің 2 астынғы арасындағы көлем 3 болып табылады. Бұл бөлмешектер бір қуысты көлемді қоспа араласу деп аталады, өйткені қоспа араласу процессі отынның бүркілуі дизельдің көлемді жану бөлмешегіндегі ыстық ауаның қалың ортасына тікелей негізделген. Бұл кезде бүркілген отынның тозаңдары ауамен жақсы араласу үшін, ауаның жаңа заряды жіберілу кезінде ұйытқымалы немесе бұратылмалы жіберу арнасының көмегімен қатынасады, ал жану бөлмешегінің түрі форсункадан 1 берілген отынның бүркілу тәсіліне сәйкес жасалуы қарастырылған. Мұндай қоспа араласу тәсілі ЯМЗ мен КамАЗ дизельді қозғалтқыштарында қолданылады.
Бөлектелінген жану бөлмешегі екі көлемнен тұрады, біріне-бірі арналарман жалғастырылған: негізгі көлемі, поршень түбіндегі қуысқа жасалған, және қосымша, қозғалтқыш қаңқасының бастиегіне орнатылған. Бөлектелінген немесе екі қуысты бөлмешектердің негізінен екі тобы қарастырылған: Алдыңғы бөлмешекті және құйын тәрізді бөлмешекті. Дизельде мұндай бөлмешектер құйын тәрізді бөлмешекті және алдыңғы бөлмешекті деп аталады.
Құйын тәрізді бөлмешекте (8. 1. сур, в, ) қосымша бөлмешектің 10 көлеміжалпы жану бөлмешегінің көлемінің 0, 5 - 0, 7 бөлігін құрайды. Негізгі 12 мен қосымша 10 бөлмешектер, жанамалап құрастырылған қосымша бөлмешекке арнамен 11 жалғастырылған, соның нәтижесінде ауаның қозғалысы құйын тәрізді ұйытқымалы болады.
Алдыңғы бөлмешекті дизельдерде алдыңғы бөлмешек цилиндр тәрізді болады және тура арнамен поршень түбіне орналастырылған негізгі бөлмешекке жалғастырылады. Отынның алдыңғы бөлмешекке бүркілген моментінде жеке тұтану нәтижесінде жоғары температура мен қысым келтіріліп, негізгі бөлмешекте өте әсерлі қоспа араласуы мен отынның жануын қатамасыз етеді. Қазіргі жылдамдығы жүретін құйын тәрізді және алдыңғы бөлмешекті дизельдердің жоғары сығылу дәрежесіне байланысты жеткілікті жоғары қуаттылықты көрсеткіштері бар. Олардың негізгі кемшіліктеріне бөлектелінбеген бөлмешекті дизельдермен салыстырғанда арттырылған отын шығыны жатады, қозғалтқышты оталдыру қиындығы болғандықтан арнайы оталдыру құрылғысы қолданылады.
ДИЗЕЛЬДІҢ ҚОРЕКТЕНДІРУ ЖҮЙЕСІНІҢ ЖАЛПЫ ҚҰРЫЛЫСЫ.
Дизельді қоректендіру жүйесіне жанармай отынын және ауа жеткізу аппрптуралары, өтелген газдарды шығару құбыры мен өтелген газдардың дыбысын өшіргіш жатады. Төрт ырғақты дизельдерде отын жеткізу аппаратураларының бөлектелінген түрі көп тараған, оларда жоғары қысымды отын сорабы мен форсункалар бөлек орнатылып отын жеткізу түтігімен жалғасады. Дизель отын жеткізу негізгі екі магистральмен жүргізіледі: төменгі және жоғарғы қысымда. Төменгі қысымды магистральдің механизмдері мен бөлшектерінің міндеті отынды сақтау орнынан, оны сүзгіден өткізу және кіші қысыммен жоғары қысымды отын сорабына жеткізуден тұрады. Жоғарғы қысымды магистральдің механизмдері мен бөлшектері дизель отынын жеткізіп және қозғалтқыш цилиндрлеріне қажетті мөлшерде отынды бүркуді қамтамасыз етеді.
ЯМЗ-236М2 мен ЯМЗ-238М2 (7. 2, а, сур. ) дизелінің жанармай отын аппаратурасының негізгі механизмдері мен бөлшектеріне: жоғары қысымды отын сорғы 10; төменгі қысымды отын жеткізуші сорғы12; отын бүркілуді оздыру муфтасы 2, цилиндрлер бастиегіне орнатылған форсункалар 5, отын багы 14 ірі тазартқыш отын сүзгісімен 17, майда тазатқыш отын сүзгісі 3, төменгі қысымды
отын өткізгіш түтіктер 8 және 7, жоғары қысымды отын өткізгіш түтіктер 9, кері құю отын өткізгіш түтіктер 6, 4 және 1.
Жоғары қысымды отын сорабының жетегі дизель қозғалтқышының таратқыш білігіне орнатылған тістегерішті беріліс арқылы іске қосылады. Жетектің білігі 23 қақпақпен 24 жабылған ішпектерге орнатылған. Отын бүркілуді оздыру автоматты муфтасының 2 көмегімен ол сорабтың жұдырықша білігімен жалғастырылған, артқы шетіндегі қақпақ 11 астында дизельдің иіндібілік айналу жиілігінің көпрежимді реттегіші қондырылған.
Отын аппаратурасының механизмдері мен бөлшектерінің бірігіп жұмыс істеуі және ондағы отынның қозғалысы келесі тәсілмен жүргізіледі. Төменгі қысымды отын жеткізу сорғы12 отын өткізгіш түтікпен 13 бактан 14 отынды арқылы ірі тазартқыш отын сүзгісі 17 арқылы сорылып, артық қысыммен отын өткізгіш түтікпен 8 майда тазатқыш отын сүзгісіне 3 жіберіледі.
Бұл отын сүзгісінен 3 отын өткізгіш түтікпен 7 отын жоғары қысымды отын сорабына жіберіліп, одан отын жоғары қысыммен отын өткізгіш түтік 9 арқылы дизельдің жұмыс істеу ретіне байланысты оның форсункаларына 5 беріліп, олар арқылы цилиндрлерге бүркіледі.
Төменгі қысымды отын жеткізу сорабы 12 дизель отынын көп мөлшерде жібереді, бұл дизельдің жұмыс істеуіне қажетті, онда отынның жоғары қысымды отын сорабында қолданылмаған бөлігі, кері қайтару клапанынан 22 кері құю отын өткізгіш түтіктері 4 пен 1 арқылы отын багына құйылады. Форсункалардың 5 бөлшектерінің саңылауы арқылы бүркілмей өткен дизель отыны кері құю түтігімен 6 отын багына құйылады. Бұл кезде бүркілуге қолданылмай қалған дизель отыны сорап пен форсункалардың бөлшектерін майлау мен салқындатуды қамтамасыз етеді.
КамАЗ-740 дизелінде (7. 2, б, сур. ) дизель отыны бактан 40, төменгі қысымды отын жеткізуші сорабынан 27 келтірілген сейілтудің көмегімен, ірі тазартқыш 43 және майда тазатқыш 36 отын сүзгілері арқылы жіберіледі.
Төменгі қысымды отын өткізгіш түтіктермен 41, 45, 28 және 37 дизель отыны жоғары қысымды отын сорабына 29, одан отын жоғары қысыммен отын өткізгіш түтік 25 арқылы оның форсункаларына 30 беріліп, олар арқылы дизельдің жұмыс істеу ретіне байланысты цилиндрлерге бүркіледі. Қолданылмаған дизель отыны мен жүйеде пайда болған ауа жоғары қысымды отын сорабының 29 кері қайтару клапаны мен майда тазатқыш 36 отын сүзгісінің клапан-жиклер кері құю түтіктерімен 35 және 38 бакқа құйылады. Форсункалардан артылған дизель отыны кері құю түтіктерімен 44 және 33 үштік жалғама 42 мен отын өткізгіш түтік 39 арқылы бакқа құйылады.
ЗИЛ-4331 және КамАЗ автомобильдерінің дизельдерінде төмен температура жағдайында олардың оталуын жеңілдету үшін отын жүйесіне электрліфакель құрылғы жалғастырылған.
Құрылғыға жіберу құбырына орнатылған және ауаны жылытатын факельді шамы 34 жатады, жылытылған ауа цилиндрлерге жіберіледі. Дизель отыны факельді шамына отын өткізгіш түтікпен 31 магнитті клапан 32 арқылы түседі. Электрліфакель құрылғы температураның - 25 о С қозғалтқыштың оталуын жеңілдетуге қажетті құрал болып табылады, сонымен бірге оталдыру процессі кезінде аккумулятор батареяларын жүктелуден сақтайды, дизельдің жүктелу жұмысын жеделдетеді және қыздырылмаған қозғалтқыштан шығарылтын өтелген газдардың түтіндеуін азайтады.
ТӨМЕНГІ ҚЫСЫМДЫ МАГИСТРАЛЬДІҢ МЕХАНИЗМДЕРІ МЕН БӨЛШЕКТЕРІ.
Төменгі қысымды магистраліне жанармай отын багы, ірі отын тазатқыш пен майда отын тазартқыш сүзгілері, төменгі қысымды отын жеткізуші сорабы, қолмен отын жіберуші сорабы және төменгі қысымды отын өткізгіш түтіктер.
Жанармай отынының багы. МАЗ-5335, -5432 автомобильдерінде отын багы 14 болат қаңылтыр жаймадан жасалған, раманың оң жағына кронштейнге орнатылып, тартпа хомуттармен бекітілген. Бактың жылжымалы тығыз жабылатын қақпақты және тор сүзгілі қылта аузы бар. Қақпақтың ауа шығару мен енгізетін қосарланған клапаны бар. Бактың ішінде отынды алдын-ала тазартатын (ірі тазартқыш) сүзгі және отын деңгейін көрсеткіш сезгі орнатылады. Бактың астыңғы бөлігінде тығынмен жабылған отын ағызу саңылауы бар.
Отынның ірі тазартқыш сүзгісі. Отынның ірі тазартқыш сүзгісі жанармай отынын алдын-ала тазалау үшін қолданылады. МАЗ автомобильдерінде ірі тазартқыш сүзгі 17 бактың 14 ішіне қойылады (7. 2, а сур. ) және тұрқымен отын жинағыш тік түтіктен 21, қақпақ 16 пен саңылауланған металл каркасқа 20 салынған, мақтақағаз жіптен тығыздалып жасалған сүзгі элементтен 19 тұрады. Төменгі қысымды отын сорабы отын жинағыш тік түтіктен 21 сүзгі элементке 19 жіберіледі, онда тазартылып, штуцер 15 арқылы төменгі қысымды отын өткізгіш түтікке 13 түседі.
ЯМЗ дизелінен КамАЗ-740 пен ЗИЛ-645 дизельдерінің ірі тазартқыш сүзгілері келесі құрылымды ерекшеліктері бар. Ірі тазартқыш сүзгінің арнайы (мақта-матадан) сүзгі элементі жоқ, ал отының тазартылуы стакан-тұрқысының ішіне орнатылған арнайы тыныштандырғыш тор сүзгінің көмегімен жүргізіледі. КамАЗ автомобилінде рама лонжеронына, ал ЗИЛ-4331 автомобилінде - отын багының кронштейніне бекітіледі.
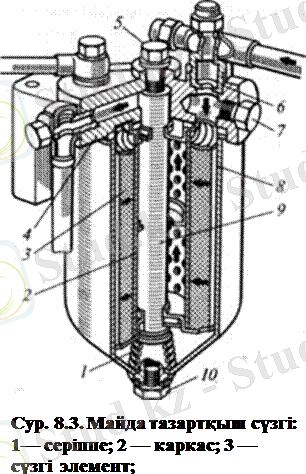
Отынның майда тазартқыш сүзгісі. Отынның ірі тазартқыш сүзгісі жанармай отынын (7. 3. сур. ) жоғары қысымды отын сорабына жіберілерден бұрын мұқият тазалау үшін қолданылады. Ол тұрқыдан 8, қақпақтан 4 және сүзгі элементтен 3 тұрады. Қақпақ тұрқымен стерженьге 9 бұралатын бұрандамен 5 бекітіледі. Тығыздалып бекітілуін тығыздағыш төсем атқарады.
Сүзгіде отынның жүретін тұсында жиклер 6 бар, содан отынның (артық) бөлігі сүзгі элементіне түспей өткізгіш түтікпен отын ағызылады. Бұл сүзгінің ластануын азайтады және отынның үздіксіз төменгі қысымды магистраліне жіберіліп тұруын қамтамасыз етіп, жоғары қысымды магистральге ауаның түсуін болдырмайды.
Ауыстырмалы сүзгі элементі 3 болат каркастан 2 дайындалған, көп саңылау тесіктері бар. Каркас матамен қапталған, оның үстіне арнайы біріктіретін зат сіңдірілген сүзгі элементтін ораған. Сүзгі элементтің сыртқы бетін дәкеленген лентамен оралған. Қақпаққа 4 сүзгі элементі серіппенің 1 көмегімен қысылады. Төменгі қысымды отын сорабының жұмысы кезінде жанармай отыны жиклер 6 арқылы сүзгі элементіне жіберіледі, одан тазартылған отын каркас 2 пен өзектемірдің 9 арасына түседі, одан соң, арна арқылы жоғары қақпаққа 4 көтеріліп, отын өткізгіш түтікпен жоғары қысымды отын сорабына жіберіледі. Жүйені отынмен толтырып, араласқан ауаны шығару үшін, қақпақтағы тығынмен 7 бекітілетін саңылау атқарады. Сүзгінің түбіне тұндырылған механикалық қалдықтарды төменгі тығынмен 10 бұрандалы бекітілген саңылаудан жібереді.
КамАЗ-740 және ЗИЛ-645 дизелдерінің майда тазартқыш сүзгілерінің келесі ерекшеліктері болады. Майда тазартқыш сүзгі 36 (7. 2. сур. ) қоректендіру жүйесінің басқа аспаптарынан жоғары орналастырылған, жанармай отынының алмасуы кезінде, жүйеде пайда болған ауаның қоспасын, 0, 15 . . . 0, 17 МПа қысымнан артық болған кезде жеңілдетіліп, жиклер арқылы оған орнатылған қосымша клапан ашылып, бакқа жіберетін отын өткізгіш түтікпен құйылады.
Жанармай отынының сапалы тазартылуын арттыру үшін майда тазартқыш сүзгісі, арнайы қағаздан тығыздалып дайындалған және қосарланған бір тұрқыға орнатылған паралель жұмыс істейтін екі ауыстырмалы сүзгі элементтері қолданылады.
Төменгі қысымды отын сорабы. Бұл отын сорабы жанармай отынын бактан жоғары қысымды отын сорабына жеткізу үшін арналған. Поршень типті отын жеткізгіш сорабы жоғары қысымды отын сорабының жұдырықша білігінің эксцентригінен қозғалысқа келтіріледі. Сораптың тұрқына отынның жіберілуі және шығарлуы үшін серіппелермен 14, 16 қысылған жіберу 13 және шығару 15 клапандары орнатылған. Поршень 19 роликті түрткіштің 3 көмегімен қозғалысқа келтіріледі, ол роликтен 2, штоктан 5 және эксцентрикті 23 түрткішке қысып тұратын серіппеден 4 тұрады (8. 4, б, сур. ) . Поршеньнің 19 жоғары қозғалысында қысыммен келтілген отынның жіберілуіне байланысты жіберу клапаны 13 жабылады, а шығару клапаны 15 ашылады.
Бұл кезде отын А қуысынан өткізу арнасы 22 арқылы Б қуысына түседі, оның көлемі поршеньнің жоғары қозғалысына байланысты арттырылады.
Поршеньнің 19 төмен қозғалысы кезінде (8. 4, в, сур. ) шығару клапаны
- Іс жүргізу
- Автоматтандыру, Техника
- Алғашқы әскери дайындық
- Астрономия
- Ауыл шаруашылығы
- Банк ісі
- Бизнесті бағалау
- Биология
- Бухгалтерлік іс
- Валеология
- Ветеринария
- География
- Геология, Геофизика, Геодезия
- Дін
- Ет, сүт, шарап өнімдері
- Жалпы тарих
- Жер кадастрі, Жылжымайтын мүлік
- Журналистика
- Информатика
- Кеден ісі
- Маркетинг
- Математика, Геометрия
- Медицина
- Мемлекеттік басқару
- Менеджмент
- Мұнай, Газ
- Мұрағат ісі
- Мәдениеттану
- ОБЖ (Основы безопасности жизнедеятельности)
- Педагогика
- Полиграфия
- Психология
- Салық
- Саясаттану
- Сақтандыру
- Сертификаттау, стандарттау
- Социология, Демография
- Спорт
- Статистика
- Тілтану, Филология
- Тарихи тұлғалар
- Тау-кен ісі
- Транспорт
- Туризм
- Физика
- Философия
- Халықаралық қатынастар
- Химия
- Экология, Қоршаған ортаны қорғау
- Экономика
- Экономикалық география
- Электротехника
- Қазақстан тарихы
- Қаржы
- Құрылыс
- Құқық, Криминалистика
- Әдебиет
- Өнер, музыка
- Өнеркәсіп, Өндіріс
Қазақ тілінде жазылған рефераттар, курстық жұмыстар, дипломдық жұмыстар бойынша біздің қор #1 болып табылады.

Ақпарат
Қосымша
Email: info@stud.kz