Басқару жүйесі және оның жалпы құрылысы


Жоспар:
Кіріспе бөлім:
Басқару жүйесі және оның жалпы құрылысы.
Негізгі бөлім:
а) Рульдік басқару.
ә) Рульдік механизм.
б) Иірмекті рульдік механизм.
Қорытынды:
Құрамдастырылған жетекті рульдік механизм.
... жалғасыБАСҚАРУ ЖҮЙЕСІ ЖӘНЕ ОНЫҢ ЖАЛПЫ ҚҰРЫЛЫСЫ.
Рульдік басқару жүйесі жүргізушінің қалауына қарай жүру бағытын өзгертіп, жеңіл басқарып, бұруы үшін қажет. Негізгі бағытты өзгерту алдыңғы доңғалақтардың бұрылуы арқылы жүргізіледі. Басқару жүйесі автомобильдердің түзу жүруін сақтапу және жеңіл бұрылып дұрыс кинематикалық бұрылыс пен қауіпсіз жүрісті қамтамасыз етуі шарт. Басқару жүйесі доңғалақтарды кездейсоқ жол соққыларынан, кедір - бұдыр жол бедерінен қалыпты бағытын өзгертіп отырады. Сол үшін алдыңғы және соңғы дөңгелектер бір орталық бұрылу шеңбері арқылы айналады. Бұл кезде алдыңғы дөңгелектер әртүрлі бұрыштық бағытта бұрылады. Бұрылу орталығын О десек, бұл барлық дөңгелектердің осьтерінің қиылысу нүктесі болады.
Бұрылу кезінде бұрылу ортасынан қарағанда сыртқы доңғалақтардың бұрылу бұрышы аз болады, ал ішкі доңғалақтар үлкен бұрышта бұрылады. Бұрылу кезінде алдыңғы доңғалақтардың жанына қарай сырғанауы пайда болады. Автомобильдердің айналу радиусы R , оның базалық ұзындығы L байланысты болады. Базалық ұзындығы қысқа болса, доңғалақтардың бұрылу бұрышы аз, ал бұрылу бұрышы азайған сайын автомобильге бұрылуға аз орын қажет болады. Бұл талаптың орындалуы рульдік трапецияны қамтамасыз етеді, мұнда автомобильдің алдыңғы осі мен көлденең рулдік тартқыш - негізгісі болып, ал бүйір жақтары цафа бұрылысының рычагтары атқарады
Рульдік басқару - рулдік механизмнен, рульдік жетектен және күшейткіштен тұрады. Рульді бұру кезінде бойлық және көлденең жетектерді қозғалтып, бұрылу дөңгелегіне әсер етеді.
Рульдік механизм - руль дөңгелегінен, руль білігінен, руль бағанынан, (червяк роликті, рейкалы, винтті, аралас) рулдік жетектен, бұрылу цафасы мен сошкадан тұрады.
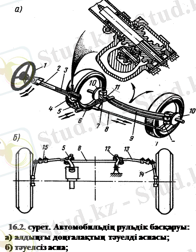
Рульдік жетектің кострукциясы басқарушы дөгелектердің автомобиль рамасына тәуелді немесе тәуелсіз болып бекітіледі.
![]()
Тәуелді іліністе басқарушы дөңгелектер ажыратылмайтын көлденең жетек арқылы басқарылады. Руль дөңгелегін айналдыру арқылы руль білігімен рулдік механизмді қозғалтамыз. Рулдік механизм сошкаға әсер етуі арқылы көлденең жетек сол жақтағы бұрылу сол цафасынмен дөңгелегін, оң жақтағы көлденең жетек арқылы оң цафаны дөңгелегімен бұрып қозғалтады. Дөңгелектердің бұрылу бұрышының шектелуі автомобильдердің типтеріне байланысты 28 о - 35 о аралығында өзгеріп тұрады. Бұрылу бұрышының шектелуі дөңгелектердің автомобиль рамасына, дөңгелек қанатына, тағыда басқа бөлшектерге тиіп тұрмас үшін керек.
Тәуелсіз іліністе басқарушы дөңгелектер ажыратылатын рульдік трапециядан, руль сошкасы мен маятникті рычагтан қозғалмалы түрде орналастырылады. Руль сошкасын ортадағы көлденең жетек арқылы маятник рычагына жалғастырылған. Ортадағы жетек бүйірдегі жетектермен рычагтарда жалғастырылып тұрады. Бүйірдегі жетектің ұзындығы муфтаның көмегімен реттеледі.
Рульдік механизм беріліс күшін жүргізушіден рульдік жетекке беруді жүзеге асырады. Оны арттыра отырып, рульдік донғалақтардың бұрылысын жетілдіреді. Рульдің механизмі иірмекті, винтті, аралас, рейкалы механизмді рульдік басқару болып бөлінеді.
Иірмекті рульдік механизм , кейбір рульдік басқарудың механикалық күшейткіші бар автомобильдерде қолданылады. Червякті механизмдер червяк - ролик, червяк - сектор, иірмек - иінді берілісті болып келеді. Аунақша екі қатарлы немесе үш қатарлы, сектор - екі немесе көп тістегерішті, иін - бір немесе екі шегелі болады.
Иірмек рульдік механизм ГАЗ - 53- автомобилінің барлық модельдерінде орнатылған. Рульдік механизмінің мұндай түрі үш қатарлы аунақшада 5 және доғаланған(глобоидты) иірмек 1, бұл беріліс қуатты иірмек жұбын құрайды.
Иірмектің ішінде щилиці бар, соның көмегімен ол рульдік біліктің щилиціне орнатылған. Иірмек 1 қуысталған білікке 2 престеліп, картердің 6 қашап кеңейтілген жеріне орналасқан екі конус подшипникке тіреледі. Ролик 5 осьте 3 инелі подшипникте айналып тұрады. Аунақшаның осі сошка білігінің ұшына 4 престелген және цилиндрлі роликті ішпекте айналып тұрады. Ішпектің сыртқы құрсауы ось бағытында қапақпен қысып жабылған. Төменгі қақпақтың фланеці астына ішпектің остік саңылауын реттеу үшін жұқа аралық төсем салынған. Жоғарғы қақпақ рульдік бағананың негізі: оның төменгі шеті қақпақтың қашап кеңейтілген жеріне еніп тұрады.
Бағанының ішінде рульдік белдік орналасқан. Жоғарғы бөлігінде рульдік білік 2 бағанға орнатылған радиалды тіректі шарикті ішпекке тіреледі. Рульдік біліктің жоғарғы конустық шетіне рульдік дөңгелек шпонка мен гайка арқылы бекітілген.
Үш қатарлы аунақша екі инелі ішпекке тіреледі, ол білік сошкасының құйылма тесігіне престелген осіне орналасқан. Сошканың12 білігі 4 сырт жағынан корпусқа престелген втулкаға, ал ішкі жағынан қақпақтың бүйіріне орнатылған цилиндрлі роликті ішпекке тіреледі. Сошка білігінің 4 ішкі шеті сақиналы қырнақ түрінде болып, реттеуіш винттің ойығына енеді. Винт ұшының арғы жағында арнаулы кілт үшін ойық жасалынған. Реттеуіш винт 9 қақпақтың бүйіріне бұрап енгізіледі және сошка 12 білігінің 4 остік ығысуын болдырмайды. Ол шайбамен 7 бекітіліп, мұртшасымен винттің ойығына кіріп тұрады. Винтке қалпақты сомын 8 кигізіледі, ол тығырықты қақпаққа қысып тұрады. Реттеуіш винтпен сошка білігін ось бағытында ауыстырып тұруға, червяк 1 пен ролик 5 аралығындағы саңылауды өзгертуге болады, мұның өзі рульдік доңғалақтың еркін жүрісіне әсерін тигізеді. Сошка білігінің 4 сыртқы шетінде ұсақ жіңішке шлиці бар, оған сошка 12 кигізіледі. Сошканың 12 білікке 4 дұрыс орнату үшін оның ұшына сызат сызықтар белгіленген. Білікке 4 сошканы 12 гайкамен бекітеді және пайдалану кезінде оны керіп тұрады. Рульдік механизмінің корпус бөлшектерін майлау үшін құю тесігінің деңгейіне келтеріп трансмиссиялық май құйып, тығынмен 11 бұрап бекітіледі. Корпустан май ағыуын болдырмау үшін өздігінен қысатын сальник, киіз сақина және картоннан аралық төсем салып бекітеді.
Винтті рульдік механизм қондырғылары ЗиЛ - 130 автомабильдерінде орнатылады және картерден 2 тұрады.
Оның ішінеде цилиндр мен гидрокүшейткіш, винт 4 шарикті сомын 5, және тісті сектор 14 орналасқан. Сектор рульдік сошканың білігімен 15 біртұтас болып бекітілген. Картер2 қалпақшалармен 1, 8, 12 жабылады. Сомын рейка 5 поршень мен винтті біріктіріп бекітеді. Винт 4 сомынды 5 шариктермен 7 жалғасып, сомын мен винттің ойығына 6 отырғызылады. Рульдік механизм винт пен сомын арқылы шарикпен жылжығанда аз үйкеліс болып оның жұмыстық қызметін артырады. Рульдік қораптың 10 ішіндегі винттің үстінде екі тиекті шарик сырғыма орналасқан. Ал оның ортасында басқару қалпақшасының золотнигі 9 бар. Сырғыманың саңылауы сомынмен реттеледі. Рейка-поршеньнің 3 және тісті сектордың 14 шариктің, ілініс саңылауы білікті 15 қозғау арқылы рульдік сошканың винті 17 сошка білігінің тесігінен өтіп тіректі шайбаға 18 тіреледі. Картерден 2 майды тесік арқылы ағызады. Ол магнитті тығынмен 16 бекітіледі. Рульдік дөңгелекті бұрған кезде винт 4 гайкалы шарикті 5 рейкалы поршеньмен 3 бірге қозғап, тісті секторды 14 сошка білігімен 15 біріктіріп бұрады. Одан соң күш рульдік жетекке берілу арқылы автомобильдің дөңгелектерін бұрады. Бұл рульдік басқару гидрокүшейткіш қосылмай тұрғанда, қозғалқыш тұтанбаған кезде жұмыс істейді.
ҚҰРАМДАСТЫРЫЛҒАН ЖЕТЕКТІ РУЛЬДІК МЕХАНИЗМ.
Мұндай механизм МАЗ - 5335 автомобилінде орнатылады. Оның құрылысына 1. винт. 2. бағыттауыш; 3. шариктер; 4. шарикті сомын - рейка; 5. тісті секторлы білік; 6. сошка; 7. инелі сырғыма; Винт пен сомынның жартылай дөңгелекті ойығы бар, оның ішін домалақ шариктермен 3 толтырылады. Шариктердің 3 сомын - рейкада дөңгелеп жүруі үшін сомын - рейкаға штампталған бағыттауыш 2 орнатылған, ол шариктердің төгіліп қалуын болдырмайды. Рульдік механизмнің винттері картерге екі шетінен конус тәрізді сырғымамен бекітіліп ұстатылады да, сектордың білігі инелі сырғымамен 7 бекітіледі. Әрбір рульдік механизм беріліс санымен анықталады. Жүк автомобильдерінде: ЗИЛ, КамАЗ - 20; ГАЗ - 53 - 20, 5; МАЗ - 23, 6; автобустарда: ЛАЗ-695 Н - 23, 5; Раф - 2203 - 19, 1; ал жеңіл автомобильдерде 12 - 20 аралығында болады. КамАЗ жүк автомобильдерінде винт - гайкалы рульдік механизмі бұрыштық шестернялы редуктормен бірігіп айналу моментін руль білігінің кардандық беріліс арқылы рульдік механизмге беріледі. Автобустарда (ЛиаЗ және ЛАЗ) бұрыштық редуктор айналу моментін тік бұрышты болып рульдің дөңгелегінен карданды білік арқылы червяк-сектор типті рульдік механизмге беріледі.
![]()
Мұндай механизм алдыңғы берілісті жеңіл автомобильдерге (ВАЗ - 2108 «Спутник, АЗЛК - 2141 «Москвич») көптеп қолданылады. Бұл механизмдер құрылысында рульдік жетектердің айналмалы топсаларын азайтады.
Оның құрылысына: 1) картер; 2) тісті шестернялы білік; 3) жылжымалы рейка; 4) Руль дөңгелегі мен білігі; 5) рульдік жетек; 6) бұру рычагы; 7) және 9) рульдік жетектер; 8) жылжымалы топса.
Рульдік дөңгелекті айналдырған кезде, тісті шестернялы білік 4 бойлық бағытпен жылжымалы рейканы 3 жылжытады. Жылжымалы топса 8 арқылы күш рүльдік жетектерге 7 беріледі . Рульдік жетектер тұйықталған саусақтар 5 арқылы бұру рычагына 6 беріліп басқару доңғалақтарын бұрады.
Рульдік механизмнен басқару доңғалақтарына бұрушы күшті жеткізу үшін рульдік жетек қолданылады. Рульдік жетек толық рульдік трапеция (тәуелді асқыш) және шешілмелі рульдік
- Іс жүргізу
- Автоматтандыру, Техника
- Алғашқы әскери дайындық
- Астрономия
- Ауыл шаруашылығы
- Банк ісі
- Бизнесті бағалау
- Биология
- Бухгалтерлік іс
- Валеология
- Ветеринария
- География
- Геология, Геофизика, Геодезия
- Дін
- Ет, сүт, шарап өнімдері
- Жалпы тарих
- Жер кадастрі, Жылжымайтын мүлік
- Журналистика
- Информатика
- Кеден ісі
- Маркетинг
- Математика, Геометрия
- Медицина
- Мемлекеттік басқару
- Менеджмент
- Мұнай, Газ
- Мұрағат ісі
- Мәдениеттану
- ОБЖ (Основы безопасности жизнедеятельности)
- Педагогика
- Полиграфия
- Психология
- Салық
- Саясаттану
- Сақтандыру
- Сертификаттау, стандарттау
- Социология, Демография
- Спорт
- Статистика
- Тілтану, Филология
- Тарихи тұлғалар
- Тау-кен ісі
- Транспорт
- Туризм
- Физика
- Философия
- Халықаралық қатынастар
- Химия
- Экология, Қоршаған ортаны қорғау
- Экономика
- Экономикалық география
- Электротехника
- Қазақстан тарихы
- Қаржы
- Құрылыс
- Құқық, Криминалистика
- Әдебиет
- Өнер, музыка
- Өнеркәсіп, Өндіріс
Қазақ тілінде жазылған рефераттар, курстық жұмыстар, дипломдық жұмыстар бойынша біздің қор #1 болып табылады.

Ақпарат
Қосымша
Email: info@stud.kz