Аралық станция


2. Аралық станса
Аралық станция салынуда дара жолды, қос жолды және көп жолды желілерде тағайындалған:
- өткізуді қамтамасыз ету үшін, басып озу және торап жүк және жолаушылар поездары;
- ұйымның тиісті жолдық дамуы тоқтаусыз скрещения;
-жолаушыларды отырғызу және түсіру;
- тиеу, түсіру, қабылдау, беру және сақтау, жүк және багаж;
- маневрлік жұмыстар бойынша тіркеу-ағытылған вагондарды құрама поездар және олардың берілуін жүк фронттары үшін тиеу-түсіру;
- қалыптастыру қажетті жағдайларда жөнелтуші маршруттарды;
- басқа да техникалық, жүк және коммерциялық операциялар.
Үшін қауіпсіз және уақтылы операцияларды орындау аралық станцияларда көзделеді:
- жол тарамдары қамтитын басты, қабылдау-жөнелту сору, тиеу-выгрузочные, ал қажетті жағдайларда, жанасу кірме жолдар, сақтандырғыш тұйықтар және т. б. ;
- жолаушылар ғимараты платформалар, және өтпе олардың арасында;
жүк қоймалар және алаңдар, бағыттама постыларына, СОБ және байланыс құрылғылары, жарықтандыру, жылумен жабдықтау, сумен жабдықтау, кәріз және т. б.
Орналасуына байланысты қабылдау-жөнелту жолдарының үш негізгі үлгісі ажыратылады станциялары: бойлық, жартылай бойлық және көлденең орналасуымен қабылдау-жөнелту жолдары. Қосымша станция бойынша ерекшеленеді санына басты және қабылдау-жөнелту жолдары, орналастыру және дамыту жүк құрылғылардың болуына және орны жанасу кірме жолдар.
Схемалары станциялары ерекшеленеді, сондай-ақ өзінің эксплуатациялық қасиеттері. Сол дара жолды желілерде станция бойлық және жартылай бойлық типтері бар бірқатар артықшылықтары алдында схемаларымен көлденең типті:
- үлкен, өткізу қабілетін іргелес аралықтар салдарынан біраз олардың ұзындығын қысқартуға;
- үздік қауіпсіздік шарттары бір мезгілде поездарды қабылдау;
- мүмкіндігі торап қосарланған жүк поездары;
- неғұрлым қолайлы шарттары, жолаушыларды отырғызу және түсіру кезінде қабылдау жолаушылар пойыздарының бас жолы.
Аралық станциялар схемалары үшін басты талап - бір мезгілде қабылдау және бір бағытта пойыздардың қарама-қарсы бағыттарға әрбір басты жолы, қосжол және көп жолды желілер бойынша, және дара жолдыда қарама-қарсы бағытта поездардың бір мезгілде қабылдау қамтамасыз ету.
Мойын аралық станциялар схемаларын мынадай талаптарды қанағаттандыруға тиіс:
• маневрлік жұмыстар тартым жолдарында транзит пойыздарды қабылдап жөнелтуден оқшауланған болуы тиіс;
• жобалау кезінде стансаға жалғанған жолдар, әдетте негізгі бағыттары бойынша поездарды қабылдау жәнеде бір мезгілде кабылдап жөнелту пойыздарын басты жолмен бағыталуға мүмкіндігі болуы тиіс;
• қос жолды желілер стансаның әрбір соңында екі диспетчерлік съезд басты жолдары арасында жобалануы тиіс;
• мүмкіндігі болған жағдайда тиіп түсіру жолдарында тікелей стансадан екі жақтанда тікелей шаға алуға мүкіндік болуы тиіс және жылжымалы құрамды жылжыту қажеттілігінсіз (бұл шарт жүк жолдарына қатысты қолданылмайды) .
Темір жол желісінде тарихы бойынша аралық станциялары схемаларын алуан зор қалыптасқан, бірақ практика жүзінде бірешеуі ұсынылады, рационалды нұсқаулар ең ұтымды схемаларын болды, стандартау мен нормалармен проектелуі бойынша ұсыныған.
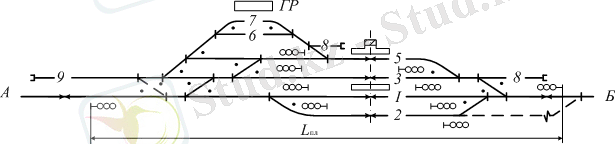
Осылайша, бір жолды желіде І және ІІ категориялы, жақын арада немесе екінші негізгі трек жолдар жасалуы немесе екінші басты жол жасаулы жоспарланған, сондай-ақ ұзын құрамды пойыздар жағдайлында, бойлық (сур. 2. 1) схемасын немесе жартылайбойлық схемалары ұсынылады (сур. 2. 2) қабылдап жөнелту жолдары орналасқан . Жартылай бойлық типті схема қолданылады егер станса аланы бойлық типті профильді орналастыра алмаса.
а)
б)
в)
г)
Сур. 2. 1. Схемасын аралық станциялар дара жолды желілер, бойлық орналасуымен қабылдау-жөнелту жолдары: Lпл - станциялық алаңның ұзындығы, м;
Схеманың көлденең типті (сур. 2. 3) қолданылады дара жолды желілерде III және IV санаттағы, сондай-ақ қиын топографиялық жағдайында желілерде I және II санатты. Қиын жағдайларына мыналар жатады:
- шектеулі ұзындығы станциялық алаңның орналасуы кезінде оның шекаралары жоспардағы қисық немесе қолайсыз еңістердің профилінде;
- жобалау станциялары аудандарында қар немесе құм заносов;
- күрделі топографиялық (құрылыс салу аумағының болуы, қымбат, күрделі талап ететін шығару аумағынан құрылыс), геологиялық (әлсіз тұрақсыз топырақ, сырғымалар және т. б. ), гидрологиялық және басқа да шарттар.

Сур. 2. 2. Аралық станция бір жолды желісі жартылай бойлық орналасуымен, қабылдау-жөнелту жолдарының схемасы
а
б)
Сур. 2. 3. Аралық станция бір жолды желісі көлденең орналасуымен қабылдау-жөнелту жолдарының схемасы
Станциялардың ұсынылған схемасы сур. 2. 1, а және б, екінші басты жол сәйкесінше жолаушылар ғимараты тарапынан және қарама-қарсы кезінде қолданылады. Суретте көрсетілген 2. 1. в, схемасы, желілерде үлкен саны бар жолаушылар және басқа да жылдамдатылған поездар өткізу станса арқылы басып озу, сондай-ақ қажет болған жағдайда тиеп-тусіру алаңдары мен жанасу кірме жолдарының екі жағынан орналасады.
Қос жолды желілерде қолданылуы мүмкін станциялар схемалары бойлық, жартылай бойлық және көлденең орналасқан қабылдап-жөнелту жолдары. Негізгі болып саналатын көлденең орналасқан қабылдап-жөңелту жолдары ( сур. 2. 4, а) құрылғылары жинақылы орналасуын қамтамасыз етеді.
а
б
в
Сур. 2. 4. Аралық станциялардың екі жолды желілер орналасқан жолдар:
а - көлденең; б - жартылай бойлық; в - бойлық
Станцияларда екі жолды желілер орналасуы қабылдау-жөнелту жолдары бойынша бір жағына басты жол берілмейді.
Жобаны орындау кезінде аралық станция артықшылық берген жөн бұл ең ұтымды схемалар.
2. 1. Аралық стансадағы жолдар
Басты жолдардың саны қажетті өткізу қабілетін пойыздардың қозғлысы бойынша байланыс тәсіліне қарай дара немесе қос жолды теміржол желісі қамтамасыз ете алатын өткізу қабілетімен салыстыру арқылы анықтайды.
Қажетті өткізу қабілеті келесідей анықталады:
= , (2. 1)
мұндағы, - параллельдік графиктің жұптарындағы пойыздар қозғалысының көлемі;
r - өткізу қабілетін толтырудың рационалды деңгей, 0, 8 қабылданады.
= =77, 5 жұп пойыз.
Алынған қажетті өткізу қабілеті телімнің өткізу қабілетімен салыстырылады. Егер автоматтыблоктау кезінде тәлуіктегі пойздардың саны 42 жұптан аз болса, бір басты жол қабылданады. Егер тәулігіне пойыздардың саны 42-144 жұпқа дейін болса, басты жолдардың саны екеу.
Демек стансаның блоктауы автоматты ал қажетті өткізу қабілеті 42 жұп пойыздан артық болғандықтан келесідей қортынды жасауға болады:
Нормативтік кесте бойынша берілген шарттар үшін екі басты жолдың төселуі қажет.
Аралық стансадағы қабылдап-жөнелту жолдарының саны қажетті өткізу қабілетіне байланысты бекітіледі:
- қос жолды желіде өткізу қабілеті 24 жұп пойыздан көп болғанда - 2, 3 жол.
Қосымша қабылдап-жөнелту жолдары бірқатар белгілі талаптарға сәйкес бекітіледі. Осы курстық жобада келесі мәліметтер бар:
- стансаға бір кірме жол жанасады (бір қосымша қабылдап-жөнелту жолы бекітіледі) ;
- стансада телімнің жүк жұмысы шоғырланған (кем дегенде бір қосымша қабылдап-жөнелту жолы тағайындалады) .
Демек қосымша қабылдап-жөнелту жолдарынның саны жалпы
алғанда екіге тең.
Стансадағы жалпы жолдардың саны келесідей анықталады:
= + + ,
мұндағы, - басты жолдардың саны;
- қабылдап-жөнелту жолдарының саны;
- қосымша қабылдап-жөнелту жолдарының саны.
=2+2+2=6 жол.
... жалғасы- Іс жүргізу
- Автоматтандыру, Техника
- Алғашқы әскери дайындық
- Астрономия
- Ауыл шаруашылығы
- Банк ісі
- Бизнесті бағалау
- Биология
- Бухгалтерлік іс
- Валеология
- Ветеринария
- География
- Геология, Геофизика, Геодезия
- Дін
- Ет, сүт, шарап өнімдері
- Жалпы тарих
- Жер кадастрі, Жылжымайтын мүлік
- Журналистика
- Информатика
- Кеден ісі
- Маркетинг
- Математика, Геометрия
- Медицина
- Мемлекеттік басқару
- Менеджмент
- Мұнай, Газ
- Мұрағат ісі
- Мәдениеттану
- ОБЖ (Основы безопасности жизнедеятельности)
- Педагогика
- Полиграфия
- Психология
- Салық
- Саясаттану
- Сақтандыру
- Сертификаттау, стандарттау
- Социология, Демография
- Спорт
- Статистика
- Тілтану, Филология
- Тарихи тұлғалар
- Тау-кен ісі
- Транспорт
- Туризм
- Физика
- Философия
- Халықаралық қатынастар
- Химия
- Экология, Қоршаған ортаны қорғау
- Экономика
- Экономикалық география
- Электротехника
- Қазақстан тарихы
- Қаржы
- Құрылыс
- Құқық, Криминалистика
- Әдебиет
- Өнер, музыка
- Өнеркәсіп, Өндіріс
Қазақ тілінде жазылған рефераттар, курстық жұмыстар, дипломдық жұмыстар бойынша біздің қор #1 болып табылады.

Ақпарат
Қосымша
Email: info@stud.kz