Жартылай өткізгіштік құрылғыларды (биполярлы транзистор, өрістік транзистор) пайдаланған жұмысты схемалары


Жартылай өткізгіштік құрылғыларды (биполярлы транзистор, өрістік транзистор) пайдаланған жұмысты схемалары
.
Жоспар:
1. Мультивибратордың жұмыс істеу принципі.
2. Көпэмиттерлі транзисторлар.
3. Транзисторларда жасалынған логикалық схема.
Мультивибратор.
Мультивибраторлар жүйеге кіретін генерациялайтын тербелістерінің формасы синусойдалықтан анық өзгешеленетін, ал тербелістерінің ұзақтығы реактивті элементтеріне тәуелді (көбінесе конденсаторға) релаксациялық типтегі генераторларға жатады. Мультивибраторлардың триггерден айырмашылығы төртбұрыштыға ұқсас тербелістерді өздігінен өндіре генерациялай алады. Яғни ол төртбұрыш тәрізді тербелістердің автогенераторы болып табылады. Сиусойдалық тербелістердің RC-генераторларынан айырмашылығы мультивибраторларда өте күшті кері байланыс қолданылады. Осының нәтижесінде транзисторлар кезегімен біресе қанығу режиміне, біресе бөлу режиміне кіреді. Екі транзистор да қанығуда болғанда, тіпті ұзақ орнықты күйлер де болады. Осы кезде тербеліс туындауы үшін транзисторлардың біреуін бекітетін импульс қажет. Яғни, мультивибраторда тербелістердің пайда болуының күшті режимі мүмкін.
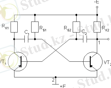
Суретте транзистордан тұратын мультивибратордың схемасы көрсетілген.
Әрбір транзистордың коллекторы басқа транзистордың базасымен байланысқан, мультивибратордағы байланыс конденсаторлар арқылы жүзеге асады.
Сурет 1 - Симметриялы мультивибратор
Мультивибратор симметриялы да симметриялы емес те болады. Симметриялық мультивибратордағы екі иініндегі коллекторлық кедергілер бірдей болады, сонымен бірге базалық кедергілері және сыйымдылықтары да бірдей болады. Симметриялық мультивибратордың схемасын қарастырайық.
Егер VT1 транзисторы ашық болып және қанығу режимінде болса, онда дәл осы уақытта VT2 транзисторы жабық. Сонымен бірге Сб1 конденсаторының оң жақ астары Rк2 арқылы қорек көзімен жалғанған, ал сол жақ астары VT1 транзисторының базасымен жалғанған. Ағатын зарядтық ток VT1 транзисторының базасының потенциалын UБЭ ≈ 0, 8 В жақын кернеу береді, себебі бұл кернеу шамасы VT1 тарнзисторын қанығу режимінде ұстап тұруға жеткілікті. База-эмиттер кернеуі бұл кернеуден байқалатындай үлкен бола алмайды, себебі, оған транзистордың кірісінің әсері және токтың Rк2 кедергімен шектеуі әсер етеді.
Конденсатор Un - UБЭ1 кернеуіне дейін зарядталады, мұндағы UБЭ1 ≈ 0, 8 В. Сб1 конденсаторының заряды таусылғаннан кейін UБЭ1 өзгермей қалады.
Сб1 конденсаторының заряды таусылғаннан кейін VT2 транзисторы алдыңғы жарты периодта зарядталған Сб2 конденсаторында жабық кернеумен қалады.
VT2 транзисторы ашылу үшін Сб2 конденсаторы толығымен заряды таусылып қана қоймай, UБЭ2 ≈ 0, 6 В кернеуіне дейін қайта зарядталуы қажет. Бұл жағдайда VT2 өткізгіш болады. VT2 тарнзисторы өткізе бастағаннан кейін оның коллекторлық потенциалы төмендейді, Сб1 конденсаторы арқылы VT1 базасына беріледі. Соңғысы белсенді режимге енеді. Осы кезде туындайтын регенеративті процесс схеманы жылдам бір квазиорнықты күйден келесісіне ауыстырып қосады, бұл жағдайда VT1 бөлу режимінде болады, ал VT2 қанығу режиміне енеді.
Сурет 2 - Мультивибратор жұмысын уақыттық диаграммасы
Сурет 3 - Көп эмиттерлі транзистордың графикалық шартты белгісі
Зертханалық жұмыстар
№
1 зертханалық жұмыс. Жартылай өткізгішті диодтарды зерттеу
Жұмыстың мақсаты:
1. Кіріс сигналды түзеткіш ретіндегі диодтың қасиеттерін зерттеу.
2. Жартылай өткізгішті диодтың вольтамперлік сипаттамаларын (ВАС) құру мен зерттеу.
Қысқаша теориялық түсініктеме.
Electronics Workbench-тің артықшылықтарының бірі - зерттеушінің аспаптық жабдықталуының әр түрлі деңгейіне сай жағдайларды модельдеу мүмкіншілігі және бұл деңгейлерге сәйкес өлшеу әдістемелерін меңгеру. Бұл жағдайларды жартылай өткізгішті диодтың вольтамперлік сипаттамаларын өлшеу мысалында қарастырайық. Бастауыш зерттеушінің тек қана бір әмбебап аспабы - мультиметр (оны біз әдетінше тестер деп атаймыз) болуы мүмкін, бірақ бұл жағдайда да диодтың немесе кез - келген басқа сызықты емес екі полюстің вольтамперлік сипаттамасын өлшеуге болады. Бұл кезде 8 суретте көрсетілген сұлбадағы диодқа резистор арқылы шамалары әр түрлі болатын кернеу көздерін қоса отырып, диодтың кернеуін өлшеу оңайға түседі. Мұндағы диод тогын келесі өрнекпен есептеуге болады:
I
тура
= (E - U
тура
) / R,
(1)
мұндағы
I
тура
- тура бағытта қосылудың диод тогы;
Е
- қоректену көздерің кернеуі,
U
тура
- тура бағытта қосылудың диод кернеу.
9 суретте көрсетілген осындай схемасындағы диодтың қосылу үйектігін өзгертсек, диодтың ВАС -ын осындай әдістемесі бойынша және кері бағытта алуға болады:
I
кері
= (E - U
кері
) / R,
(2)
мұндағы
I
кері
- кері бағытта қосылудың диод тогы;
U
кері
- кері бағытта қосылудың диод кернеу.
Жұмысты орындау тәртібі
1. 1 сурет бойынша ФГ сигналдардың параметрлерін орнату. 3 суреті бойынша схеманы құру.
1 сурет 2 сурет
1N4150 диодты таңдау. 1, 2 суреттердегі ФГ сигналдардың пішіндерін өлшей отырып, осциллографтың көмегімен ФГ кернеулердің пішіндерін және 4 суреттегі диод арқылы кірістегі және шығыстағы токтардың пішіндерін байқау.
қа

1N4150
1N6095
BY396P
3 сурет
4 сурет
2. 5 сурет бойынша схеманы құру. 6 сурет бойынша ФГ сигналдың үшбұрышты пішінін таңдау. 7 суреттегі алынған диодтың вольтамперлік сипаттамалары бойынша вольтамперлік сипаттамаларың тура және кері тармақтарындағы кернеудің (U
тура
мен U
кері
) өзгеру аймақтарын бағалау.
5 сурет 6 сурет
7 сурет - Жартылай өткізгішті диодтың вольтамперлік сипаттамасы
Осциллографтың экранында ВАС-ын алу (7 сурет) . Схеманы қосу. Осциллографтың экранында пайда болған вольтамперлік сипаттамаларда көлдеңен осімен милливольтпен диодтағы кернеу (А каналы), ал тік осімен миллиампермен ток (В каналы, 1 мВ 1 мА-ға сәйкес) есептелінеді.
3. Диод арқылы кернеуді өлшеу және токты есептеу.
8 сурет - Мультиметр көмегімен диодта кернеуді өлшеу схемасы
8 сурет бойынша схеманы құру. Мультиметр тура ығысуы кезінде диодтағы
U
тура
кернеуді көрсетеді. Диодты аударып түсіру, схеманы қайта қосу. Енді мультиметр кері ығысуы кезінде болатын диодтағы
U
кері
кернеуді көрсетеді. Мәліметтерін жазу. (1) және (2) формулаларына сәйкес тура және кері ығысуында болатын
I
тура
мен
I
кері
диод токтарын есептеу.
4. Токты өлшеу. 9 сурет бойынша схема құру. Мультиметр тура ығысуы кезіндегі
I
тура
диод тогын көрсетеді. Диодтың аударып түсіру, схемасын қайта қосу. Енді мультиметр кері ығысуы кезіндегі
I
кері
диод тогын көрсетеді.
9 сурет - Мультиметр көмегімен диодта ток өлшеу схемасы
5. Диодтың статикалық кедергісін өлшеу (10 сурет) . Мультиметрді омметр режімінде пайдаланып, тура және кері қосылуларда диодтың кедергісін өлшеу. Кедергінің кіші шамалары диодтың тура қосылуна сәйкес келеді. Мультиметрде Ohmmtter current [I] = 0, 01 mA мәнін орнату.
Мәндерді жазып алу -
=
= .
10 сурет - Мультиметр көмегімен диодтың статикалық кедергісін схемасы
6. Жартылай өткізгішті диодтың вольтамперлік сипаттамаларын алу.
а) 11 сурет бойынша схема құру, мұндағы Е - қоректендіру көзі, А - амперметр, V - вольтметр. Диодтардың вольтамперлік сипаттамаларың тура тармақтарын алу және өлшеу нәтижелерін 1 кестеге жазу.
1 кесте
V
mА
mV
11 сурет
б) 12 сурет бойынша схеманы құру. Диодтардың вольтамперлік сипаттамаларың кері тармақтарын алу және 2 кестеге өлшеу нәтижелерін жазу.
2 кесте
Аμ
V
12 сурет
в) алынған нәтижелер бойынша
I
тура
(U
тура
) мен
I
кері
(U
кері
) графиктерін салу.
I
тура
= 4 mА жағдайда ВАС-ң тура тармақтың графигіне жанамасын салып, және жанаманың еңістігі
бойынша диодтың дифференциалдық кедергісін бағалаңыз. Дәл осылай
I
тура
= 0, 4 mА және
I
тура
= 0, 2 mА үшін жасау.
г) в) тапсырмасына сәйкес диодтың дифференциалдық кедергесін кері кернеу 5 V жағдайында бағалау.
1 тапсырма.
bareremk. ewb файлды ашу (13 сурет) . Диодтың тосқауылдық сыйымдылығының
U
C
кернеуден тәуелділігін зерттеу және
формуласы бойынша алынған есептеу нәтижелерімен салыстыру. Зерттеу үшін алынған тізбек
U
C
кернеу көзінен,
R
резисторынан, генератордан (амплитудасы 1 V, жиілігі 1 МHz), мультиметрден,
С
0
эталондық конденсаторынан және тосқауылдық сыйымдылығы
C
i
= 100 pF, ауысуы кезінде шамасы нөлге тең болатын кернеу бар ideal типтегі зерттелінетін диодтан тұрады. Өлшеу нәтижелерін 3 кестеге жазу.
C
i
= f (U
c
)
тәуелділіктің графигін құру.
13 сурет - Диодтың тосқауылдық сыйымдылығын зерттеу сұлбасы
3 кесте
- Іс жүргізу
- Автоматтандыру, Техника
- Алғашқы әскери дайындық
- Астрономия
- Ауыл шаруашылығы
- Банк ісі
- Бизнесті бағалау
- Биология
- Бухгалтерлік іс
- Валеология
- Ветеринария
- География
- Геология, Геофизика, Геодезия
- Дін
- Ет, сүт, шарап өнімдері
- Жалпы тарих
- Жер кадастрі, Жылжымайтын мүлік
- Журналистика
- Информатика
- Кеден ісі
- Маркетинг
- Математика, Геометрия
- Медицина
- Мемлекеттік басқару
- Менеджмент
- Мұнай, Газ
- Мұрағат ісі
- Мәдениеттану
- ОБЖ (Основы безопасности жизнедеятельности)
- Педагогика
- Полиграфия
- Психология
- Салық
- Саясаттану
- Сақтандыру
- Сертификаттау, стандарттау
- Социология, Демография
- Спорт
- Статистика
- Тілтану, Филология
- Тарихи тұлғалар
- Тау-кен ісі
- Транспорт
- Туризм
- Физика
- Философия
- Халықаралық қатынастар
- Химия
- Экология, Қоршаған ортаны қорғау
- Экономика
- Экономикалық география
- Электротехника
- Қазақстан тарихы
- Қаржы
- Құрылыс
- Құқық, Криминалистика
- Әдебиет
- Өнер, музыка
- Өнеркәсіп, Өндіріс
Қазақ тілінде жазылған рефераттар, курстық жұмыстар, дипломдық жұмыстар бойынша біздің қор #1 болып табылады.

Ақпарат
Қосымша
Email: info@stud.kz