Тиристордың құрылысы және жұмыс істеу принципі


Тиристордың құрылысы және жұмыс істеу принципі.
Жоспар:
1. Тиристордың вольт-амперлік сипаттамасы.
2. Динистор.
3. Жартылай өткізгіштік құрылғыларды (диод, стабилитрон, жарық
диод) пайдаланған жұмыс схемалары.
.
Тиристор
-
үш немесе одан да көп
р-n
ауысуынан тұратын, тұрақты екі күйі бар және бір күйден екі-. нші күйге басқару импульсі арқылы ауысып-қосылу мүмкіндігі бар электрондық құрал. Тиристордың тек екі күйі бар: толық ашық немесе толығымен жабық. Сондықтан да оны үздікті электрондық құралдар қатарына жатқызу керек.
Тиристорлар электродтар санына қарай екі электродты
динистор
және үш электродты
тринистор
болып бөлінеді. Динистордың екі ғана электроды (анод пен катод) болғандықтан, оның кернеу түсірілетін кірісі мен шығысы бір болып, басқарылу мүмкіндіктерін шектеп, қолдану ауқымдарын тарылтады. Тринисторда да шығыс кернеулері анод пен катодтан алын-ғанымен, оны меңгеру басқару электродының көмегімен атқарылып, оның пайдалану мүмкіншіліктерін кеңейтеді. Басқару электроды арқылы тиристордың тек қосылуы орындалып, ал оның тогын тоқтату анод арқылы жүргізіл-се, мұндай тиристор бір операциялық немесе толық басқарылмайтын, тіпті
жабылмайтын тиристор
деп аталады. Токты қосу да, ажырату да басқару электродының көмегімен атқарылатын болса, ондай тиристор екі операциялық (қосылу, ажыратылу) толық басқарылатын,
жабылатын тиристор
деп аталады.
Екі тиристорды қарама-қарсы параллель қоссақ, онда айнымалы токты екі бағытта да өткізіп, оны реттей алатын симметриялық тиристорды, яғни симисторды аламыз. Шетел әдебиеттерінде оның екі электродтысы - диак деп, үш электродтысы - триак деп аталады.
Тиристордың пайдалану өрісі.
Тиристордың пайдалану өрісі айтарлықтай кең. Бір кездердеол тіпті әртүрлі генераторлар, триггерлер т. б. аз қуатты құрылғылар жасауға да пайдаланылады. Дегенмен, микроэлектрониканың жедел дамуына байланысты тиристорлар аталған бағыттардан ығыстырып шығарылып, өз игілігіне тек жоғары қуатты өрісті ғана қалдырды. Нақты айтқанда, олар төмендегідей бағыттарды игеріп отыр. Біріншіден, олар басқарылмалы түзеткіштерде кеңінен қолданылады, мұнда оның бір бағытта ғана ток өткізіп, токтың немесе кернеудің белгілі бір бөлігін ғана өткізу қасиеті пайдаланылады. Қандай бөлігін өткізеді деген сұраққа басқару электродына берілген кернеу (тұрақты немесе импульстік) жауап береді.
Түзеткіш диодтар.
p-n
-ауысуының негізгі қасиетін айнымалы токты түзету үшін қолданады. Түзеткіш жартылай өткізгішті диодтар - әр түрлі техникалық мәселелерді шешуге арналған аспаптардың үлкен бір класы. Бұл диодтарды өте аз токтардан бастап мыңдаған ампер токтарды түзеті үшін қолданады.
Сурет 1 Сурет 2
Дәріс 13.
Тақырыбы:
Биполярлы транзистордың жұмыс істеу принципі.
Жоспар:
1. Биполярлы транзисторлар, құрылымы және істеу принципі.
2. Биполярлы транзисторлардың негізгі жұмыс істеу режимдері.
3. Биполярлы транзисторлардың үш түрлі қосылу схемасы және
сәйкесті статикалық сипаттамалары мен негізгі параметрлері.
Биполярлық транзистор немесе транзистор деп электр тербелістерін күшейту мен генерация жасауға арналған және үш облыстан тұратын, кремний немесе германий пластинасы болып табылатын екі
р-n
-ауысуы бар, ал ортадағы аймақ қарама -қарсы түрдегі өткізгішті аспапты айтады.
Өндіресте жиі кездесетін биполяр транзисторы кезектесе орналасқан үш р - және
n
-аймақтарынан тұрады. Осы аймақтардың өз ара орналасуына байланысты олар
n-р-n
немесе
р-n-р
болып екіге бөлініп, схемаларда өздерінің шартты белгілерімен белгіленеді (1 - сурет) жартылай өткізгіш бөліктерінің әр қайсысынан ток жүретін электрондар шығарылады, ал олар Эмиттер (Э) коллектор (К) База (Б) деп аталады. Эмиттер - «шығарушы» деген ұғымды білдіреді, ол заряд бөлшектерімен қамтамасыз ететін электрод болып табылады; collector - коллектор - «жинаушы» ретінде эмиттерден шыққан заряд бөлшектерін жинайды. База заряд бөлшектерінің эмиттерден коллекторға қарай қозғалысын реттейді. Ол транзистордың реттеушы басқарушы электроды деп аталады.
Сурет 1
n-р-n
және
р-n-р
транзиторларының жұмыс істеу принциптері өз ара ұқсас, айырмашылығы: біріншісінде ток құратын заряд бөлшектері негізінен электрондардан тұратын болса, екіншісінде кемтіктерден тұрады, сондықтан аталған заряд бөлшектерін жинау үшін
n-р-n
транзисторын коллекторына оң кернеу беріледі де
n-р-n
транзисторының коллекторына теріс кернеу беріледі. Осыған орай
n-р-n
және
р-n-р
транзисторларының база кернеуі мен токтарының бағыттары да қарама - қарсы келеді.
Екі үлгілік транзисторларға жүріп жататын физикалық процестер өте ұқсас, олардың арасындағы айрмашылықтар мынада: олардың коректендіру көздеріне қосылу полярлығы қарама -қарсы және де
n-р-n
үлгілік транзисторда электр тоғын негізінен электрондар түзетін болса, ал
р-n-р
үлгілік транзисторда - кемтіктер түзеді.
p-n
-ауысулар бір - бірінен бөлінген шектес облыстар, эмиттер Э, база Б және колектор К деп аталады .
Транзистордың жұмыс істеуі кезінде сол жақтағы
р-n
ауысуын тура бағыттағы эмиттер - база кернеуі U
эқ
беріледі, оң жақтағы
р-n
аусуына кері база - коллектор кернеуі U
э-к
беріледі. Электр өрісінің әсерінен сол жақтағы аймағынан (эмиттерден) заряд тасушылардың көп бөлігі
р-n
ауысуын басып өтіп, өте енсіз ортаңғы аймағына (базаға) өтеді. Заряд тасушылардың көп бөлігі одан ары екінші ауысуға қарай қозғала отырып, оған жақындағаннан кейін, кернеу көзі U
экқ
тудыратын электр өрісіның ықпалына түседі. Осы өрістің әсерінен заряд тасушылар батарея U
э-к
тізбегіндегі токты өсіріп, оң жақтағы аймаққа (коллекторға) тартылып кіреді. U
э-б
кернеуін өсірсек, онда эмиттерден базаға көшкен заряд тасушылардың саны өседі, яғни эмиттер тоғы I
-э5
-ға артады. Бұл жағдайда коллектор тоғыда I
б-к
-ға артады (2 сурет) .
Базаға эмиттерден келген заряд тасушылардың шамалы бөлігі қарама-қарсы полярлықтағы еркін заряд тасушылармен рекомбинацияланады (бейтараптанады), олардың азаюын база тоғы құрайтын сыртқы тызбектен келетын жаңа заряд тасушылар толықтырып отырады. Эмиттерлік
р-n
-ауысуына тура кернеу берілгендіктен оның кедіргісі кішкентай болады. Коллекторлық
р-n
-ауысуына кері кернеу әсер еткендіктен, оның кедіргісі үлкен болады .
Сурет 2 - Транзистордың кіріс және шығыс сипаттамалары
n-р-n
үлгілік және
р-n-p
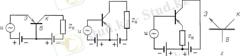
үлгілік транзисторларды тізбекке үш түрлі схема бойынша қосу мүмкіншілігі бар: ортақ базамен (ОБ) ортақ эмиттерлі (ОЭ) және ортақ коллектормен (ОК) . Транзистордың қай электронды кірістік және шығыстық тізбектеріне ортақ екендігін схеманың аты көрсетіп тұр. Транзисторларды қосу схемалары өзінің қасиеттерімен өзгешеленеді, бірақ та тербелістерді күшейту принципі бәрінде бірдей (3 сурет) .
а) ә) б) в)
Сурет 3 - Биполярлы транзисторды қосу схемалары
Транзистордың сипаттамасы деп кірістік және шығыстық тізбектердегі токтар мен кернеулердің арсындағы тәуелділікті айтады. Транзистор арқылы қосылу схемаларында кірістік және шіғістіқ тізбектері әр түрлі, сондықтан да әрбір қосылу схемасы үшін сипаттамалар әр түрлі параметрлердің тәуелділіктерін көрсетеді.
Транзисторлардың электрондық шамдармен салыстырғанда мынадай артықшылықтар бар: қыздыру тізбегі жоқ, сондықтан схема ықшамдалынады және катодты қыздыру үшін қуат тутылмайды, механикалық беріктілігі жоғары және катодты қыздыру үшін қуат тұтылмайды, механикалық беріктілігі жоғары және жұмыс атқаратын мерзімі ұзақ, жұмыс істеп кетуге әр қашанда дайын, ауқымы мен массасы кішкентай, қоректену кернеуі төмен және пайдалы жұмыс коэффициенті аса жоғары.
Транзистордың кемшіліктеріне оның жұмыс істеу режимінің қоршаған ортаның температурасына тәуелділігі, шығыстық қуатының шамалығы, артық жүктелуге сезімталдығы, параметрлерінің бытыраңқы болуы, соның салдарынан бір типті жекелеген транзистордың арасында өздерінің параметрлері бойынша айтарлықтай өзгешіліктердің болуы кірістік және шығыстық кедіргелері арасындағы елеулі айырмашылықтардің болуы жатады.
Дәріс 14.
Тақырыбы:
Өрісті транзистордың жұмыс істеу принципі және оның негізгі параметрлері.
Жоспар:
1. Өрісті транзистордың жұмыс істеу принципі және оның негізгі
параметрлері.
2. p-n ауысулы n- арналы өрісті транзисторы.
3. Өрісті транзистордың статикалық сипаттамасы.
«
p-n
» ауысу арқылы басқарылушы өрістік транзисторлар, құрлымы, жұмыс принципі, сипаттамалары және параметрлері. Ерекшеленген жаппалы өрісті транзисторлар.
Транзистор - үш электродты, электр сигналдарын күшейту мен түрлендіруге арналған жартылай өткізгіштік аспап.
Ток түзуге қатысатын заряд тасушыларына байланысты транзистор биполяр және униполяр болып екіге бөлінеді.
Өрісті транзистор электр өрісімен (токсыз) басқарылады. Кіріс кедергісі өте жоғары болғандықтан сигнал көзінен ток пен қуат жұмсамайды.
Өрісті транзистордың екі түрі бар: р-n - ауысулы өрісті транзистор және оқшауланған (изоляцияланған) тиекті өрісті транзистор. Соңғы транзистор индукцияланған және қондырылған каналды болып тағы екіге бөлінеді де, құрылысына сәйкес МДЖ (металл-диэлектрик-жартылай өткізгіш) транзистор деп те аталады.
Олардың шартты белгілері 1-суретте көрсетілген.
а) ә) б) в)
Сурет 1 - Өрісті транзисторлардың схемалық шартты белгілері:
а)
р-n
- ауысулы
n
-каналды; ә)
р-n
- ауысулы
р
-каналды; б) оқшауланған тиекті индукцияланған
р
-каналды; в) оқшауланған тиекті индукцияланған
n
-каналды.
р-n ауысулы өрісті транзистор.
Транзистордың бұл түрі бір ғана
р-n
ауысуынан турады.
р-n
ауысулы өрісті транзистордың қарапайым құрылысы 2, а-суретте келтірілген: негізгі
n
кремний кристалын екі жағынан р аймағы, яғни тиек (Т) (затвор) қапсыра қоршап тұр. Олардың ортасында орналасқан n аймағы канал деп аталады да, оның тізбегі жалғанған екі шетінің бірі-бастау (Б) (исток), екіншісі құйма (Қ) (сток) деп аталып, тоқтың шығу және жиналу көздерін көрсетеді.
р-n
ауысулы өртістік транзистордың жұмыс істеу принципі мынадай. Тиекке теріс кернеу беретін болсақ (2, ә-сурет), онда кәдімгі
р-n
ауысуының кері қосылуындағыдай (
р-n
ауысуы) оның ені арта түседі. Ауысу ішінде жылжымалы заряд бөлшектерінің болмайтындығын ескере отырып, оны диэлектрикке балауға болады. Онда осы диэлектрик аймағы каналдың енін екі жағынан қусыра қыса түсіп, оның ток өткізу қабілетін азайтып, басқаша айтқанда, оның кедергісін арттырады. Сонымен біз тиек кернеуінің арқасында канал енін өзгерте отырып, бастаудан құймаға ағатын ток күшінің шамасын реттеуімізге, басқаруымызға болады. Транзистордың басқару принципінің мәні осында.
Жылжымалы зарядтарының
+ ET - T айырылған қабат + ET - T
T p
Б
қ қ қ
Б Б
n
канал ені - +
жылжымалы Eқ
зарядтар (электрондар) кезеңдері
а) ә) б)
Сурет 2 -
р-n
-ауысулы өрісті транзисторының жұмыс істеу принципіне түсініктеме сурет
Қуймадан ток алу үшін оған қандай бағытта кернеу түсіруіміз керек? Каналымыз n-текті болып, оның жылжымалы заряд тасушылары электрондар болса, оған әріне оң полюсті кернеу беруіміз керек.
Егер тиекте (бастаумен салыстырғанда) кернеу жоқ деп есептесек, онда түсірілген қуйма кернеуінің арқасында
р-n
- ауысуы тағы да кері қосылады да, оның енінің өзгеруі негізінен қуйма тұсынан өтеді. Бұл жағдай 2, б-суретте көрсетілген.
Сонымен, тиек пен құйма кернеулерінің көмегімен канал енін өзгерте отырып, керегімізше қуйма тогының шамасын реттеуге, басқаруымызға қолымыз жетеді.
р-n
- ауысудың шекарасының айналасында негізгі заряд тасушыларды өткізбейтін қабаттың пайда болуы, бізге жалпы физика курсынан белгілі. Өткізгіштің меншікті кедергісі бұл қабатта өте жоғары. Кері бағытқа сәйкес келетін өрістік
р-n
- ауысуға кернеу беретін болсақ, онда жабық қабаттың қалыңдағы көбейе түседі. Қаншалықты
р-n
- ауысуна кернеу көп берілетін болса, соншалықты өткізбейтін қабаттың қалыңдығы үлкейе түседі. Өрістік транзистордың бір ерекшелігі: құйма тізбегіндегі ток тиек пен бастау арасындағы кернеумен басқарылады, яғни
р-n
- ауысуында пайда болатын электр өрісі арқылы. Осы себептен мұндай транзистордың түрі өрістік транзистор деген атқа ие болған.
Соңғы кездерде оңашаланған (изоляцияланған) тиегі бар өрістік транзисторлар кеңінен қолданылуға ие болды. Мұндай транзисторларда затвор металдан жасалынады және жартылай өткізгіштен диэлектриктің жұқа қабаты арқылы изоляцияланады. Диэлектриктің қызметін кремний оксиді атқарады. Бұндай өрістік транзисторды МДЖ (металл-диэлектрик-жартылай өткізгіш) транзистор деп атайды.
Осыған орай, транзистордың құрылысын зерттейтін болсақ, ол металл, диэлектрик
- Іс жүргізу
- Автоматтандыру, Техника
- Алғашқы әскери дайындық
- Астрономия
- Ауыл шаруашылығы
- Банк ісі
- Бизнесті бағалау
- Биология
- Бухгалтерлік іс
- Валеология
- Ветеринария
- География
- Геология, Геофизика, Геодезия
- Дін
- Ет, сүт, шарап өнімдері
- Жалпы тарих
- Жер кадастрі, Жылжымайтын мүлік
- Журналистика
- Информатика
- Кеден ісі
- Маркетинг
- Математика, Геометрия
- Медицина
- Мемлекеттік басқару
- Менеджмент
- Мұнай, Газ
- Мұрағат ісі
- Мәдениеттану
- ОБЖ (Основы безопасности жизнедеятельности)
- Педагогика
- Полиграфия
- Психология
- Салық
- Саясаттану
- Сақтандыру
- Сертификаттау, стандарттау
- Социология, Демография
- Спорт
- Статистика
- Тілтану, Филология
- Тарихи тұлғалар
- Тау-кен ісі
- Транспорт
- Туризм
- Физика
- Философия
- Халықаралық қатынастар
- Химия
- Экология, Қоршаған ортаны қорғау
- Экономика
- Экономикалық география
- Электротехника
- Қазақстан тарихы
- Қаржы
- Құрылыс
- Құқық, Криминалистика
- Әдебиет
- Өнер, музыка
- Өнеркәсіп, Өндіріс
Қазақ тілінде жазылған рефераттар, курстық жұмыстар, дипломдық жұмыстар бойынша біздің қор #1 болып табылады.

Ақпарат
Қосымша
Email: info@stud.kz