Сандық-аналогтық және аналогтық-сандық түрлендіргіштер


КІРІСПЕ3
1. САНДЫҚ-АНАЛОГТЫҚ ЖӘНЕ АНАЛОГТЫҚ-САНДЫҚ ТҮРЛЕНДІРГІШТЕР5
1. 1 Аналогты-цифрлық түрлендіргіштер5
1. 2 Цифрлы - аналогтық түрлендіргіш10
1. 3 ЦАТ - ты қолдану12
2. АНАЛОГТЫ САНДЫҚТЫ ТӘЖІРИБЕДЕ ҚОЛДАНУ14
2. 1 Сандық интегралдық микросұлбалардың негізгі параметрлері14
2. 2 Сандық-ұқсас және ұқсас-Сандық түрлендіргіш15
2. 3 Аналогты-сандық түрлендірулер16
2. 4 САТ резистивтік матрицасының құрылымы17
2. 5 САТ басты параметрлері20
2. 6 АСТ жəне САТ тағайындалуы, қолдану облысы21
ҚОРЫТЫНДЫ25
ПАЙДАЛАНҒАН ӘДЕБИЕТТЕР26
КІРІСПЕ
ХХ ғасырдың 40 жылдарының бас кезінде болгар инженері Д. Атанасов пен американ ғалымы Д. Моучли есептеулерді орындау үшін радиошамдарды пайдалануды, компьютер құрылымынан механикалық тетіктерді түгел шығарып тастауды ұсынды. Бұл ұсынысты іске асыратын бірінші есептеуіш машина АҚШ-та жасалды. Осы уақытқа дейін адам ойлап тапқан техникалық құрылғылардың бірде-бірі электрондық есептеуіш машина секілді қарқынды дамыған емес.
ЭЕМ-нің үшінші буынының дүниге келуіне транзисторлар, резисторлар конденсаторлар, өткізгіштер және тағы басқа электрондық сұлба үзіндісін өлшемі кішкене көлемді пластинка бетіне өрнектеу себеп болды. Мұндай интегралдық құрылғылар интегралдық сұлбалар деп латынның integrare -біріктіріп жинау, бірлестіру сөзінен атау алған немесе микросұлба деп те атауға болады. Бұл буындағы прогресс бір микросұлбаға вентильдердің көп жиынтығын орналастыру болды. Оны интеграция дәрежесі деп атады.
Интегралдық сұлбаларды ойлап табу ЭЕМ-нің элементтік базасының даму болашағына жол ашты. Ӛлшемдердің шағындануы, жобалау және өндіру жұмыстарын автоматтандыру арқасында электрондық сұлбалардың сенімділік деңгейі тез артты, құны кеміді. Бір микросұлбада тұтас бір ЭЕМ процессорын жасау интегралдық сұлбаларды жетілдіру болып табылды. ЭЕМ-нің ішінде ақпарат физикалық тұрғыдан алғанда электрлік сигналдар арқылы кодталады. Бұл сигналдарды өңдеуді өзара үйлесімді жұмыс істейтін мыңдаған, жүздеген мың элементтерден тұратын электрондық құрылғы микросұлбалар іске асырады.
Сигналдарды (ақпаратты) түрлендіру және цифрлық өңдеу үшін кеңінен қолданылатын цифрлық ИС көбірек таралған. Аналогтық электрондық құрылғыларда пайдаланылатын интегралдық сұлбалар үздіксіз функция заңы бойынша өзгеретін сигналдарды түрлендіру және өңдеу үшін қажет.
Интеграция дәрежесі бойынша, цифрлық ИС шартты түрде келесі деңгейлерге: кіші, орташа, үлкен және аса үлкен ИС (сәйкесінше, КИС, ОИС, ҮИС, АҮИС) деп бөлінеді. Ондаған және жүздеген элементтері бар, интеграция дәрежесі кіші және орташа ИС, қарапайым логикалық элементтер (ЖӘНЕ-ЕМЕС), НЕМЕСЕ-ЕМЕС, ЖӘНЕ-НЕМЕСЕ-ЕМЕС және т. б. ) және функционалдық түйіндер (регистрлер, санауыштар, сигналдарды таратушылар, дешифраторлар, мультиплексорлар және т. б. ) функцияларын атқаратын базалық және типтік сұлбаларды жасауда қолданылады. Интеграция дәрежесі он және жүз мыңнан миллиондаған (одан да көп) элементтерге дейін жететін ҮИС-пен АҮИС-тердің пайда болуының арқасында, бір кристалда ірі блоктар мен ЭЕМ құрылғылар сұлбаларының және толық жүйелердің де жасалуы мен орналасуы мүмкін болды. Бұл оларды өте үлкен мөлшер мен ассортиментте шығаруға және олардың негізінде есептеу техникасының және жүйелерінің күрделі, жоғары технологиялық және сенімді цифрлық электрондық құрылғыларын жасауға мүмкіндік береді. Мұндай жағдай түрлі салаларда: өндірісте, ақпаратты өңдеу мен басқаруда, күнделікті тіршілікте қазіргі электрондық құрылғылардың кең пайдалануына мүмкіндік туғызды.
1. САНДЫҚ-АНАЛОГТЫҚ ЖӘНЕ АНАЛОГТЫҚ-САНДЫҚ ТҮРЛЕНДІРГІШТЕР
1. 1 Аналогты-цифрлық түрлендіргіштерСоңғы онжылдықта микроэлектроника және есептеуіш техника құралдарының халық шаруашылық саласында ақпарат алмастыруды қамтамсыз ететін сызықтық аналогтық және цифрлық түрлендіргіштермен (АЦТ және ЦАТ) кең түрде енгізілу шартталған.
Цифрлық - аналогтық түрлендіргіш (ЦАТ) ереже бойынша нақты санды екілік кодқа, кернеуне немесе токка түрлендіреді. цифрлық - аналогтық түрлендіргіштердің сұлбатехникасы әртүрлі. Цифрлық - аналогтық түрлендіргіштер келесі белгілері бойынша классификацияланады:
- Шығыс сигналы түрі бойынша: токтың шығысы және кернеу түріндегі шығысы.
- Цифрлық интерфейстің түрі бойынша: тізбекті енгізумен және кіру кодының параллельді енгізуімен
- Кристалдағы ЦАТ саны бойынша: бірканальды және көпканалды.
- Тез әрекеттілігі бойынша: өлшенген және жоғары тез әрекеттілігі.
1-сурет. ЦАТ классификациясы
Өте жиі ЦАТ микропроцессорлық жүйелердің құрамына кіреді. Бұл жағдайда, егер жоғары тез әрекеттілік талап етілмесе, цифрлы - аналогты түрленуі жәй ғана кең - импульсті модуляцияның (КИМ) көмегімен жүзеге асырылуы болуы мүмкін. Цифрлы - аналогты түрлену жәй ғана ұйымдастырылуы мүмкін, егер микроконтроллер кең - импульсті түрленудің функциясынан тұратын болса(мысалы, AT90S8515 Atmel фирмасынан немесе 87С51GB Intel фирмасынан) . КИМ шығысы S кілтінің көмегімен басқарылады. Берілген түрлену разрядына (AT90S8515 контроллері үшін мүмкін режимдер 8, 9 және 10 бит) тәуелді контроллер қатыстық ұзындығы g =tи/Т қатынасымен анықталатын өзінің таймерімен импульстардың тізбегін құрады. Мұнда N - түрленудің разряды, ал D - түрленуші код.
Аналогты - цифрлық түрлендіргіш (Аналогово-цифровой преобразователь; analog-to-digital converter) - аналогты шаманы дискретті (цифрлық) шамаға түрлендіру құрылғысы; ақпаратты нақты уақыт масштабында аналогты құрылғыдан компьютерге енгізуге арналған. Аналогты-цифрлық түрлендіргіш кірісіне аналогты сигналды қабылдап, сәйкесінше цифрлық сигналды микропроцессорлар мен басқа да құрылғыларға сәйкестендіріп генерациялайтын құрылғы. Бұл құрылғы негізінде тәжірибе басқару кешені, аналитика мен өлшеу жүйелері (оның ішінде өндірісті басқару мәселелеріне арналған жүйелер) жасалады. Мәселен, белгілі бір сигналдың (температура, ән әуені, т. б) белгілі бір уақыт аралығындағы үздіксіз өзгерісі берілсін делік. Осы сигналды цифрлық түрге түрлендіру үшін оның деңгейін белгілі бір уақыт аралықтарында (квант) белгілей отырып, соған сәйкес v(t) -ге ең жақын деген цифрлық жұбын тауып, соны өлшем ретінде пайдалануымыз керек. Мысалы, t1 уақыт мезетіндегі v(t) =2(010) болса, t2 кезеңінде v(t) =3(011) т. с. с. Әрине, көріп отырғанымыздай, цифрға көшкенде айнымалы мәндерінің біз аздап болса да жоғалтып отырмыз. Бірақ оның есесіне цифлық схемалардың артықшылықтарына (мысалы, сыртқы ортадан тәуелсіздігіне, аумағының аздығына, т. б) ие боламыз.
2-сурет. Аналогты - цифрлық түрлендіргіштің схемасы.
Үздіксіз аналогтық сигналдарды күнделікті жағдайларда цифрлық түрге ауыстырудың неше түрлі жолдары бар. Олардың ең қарапайымдарының бірі 2-суретте көрсетілген. Қарап отырған АЦТ импульстік генератордан (ИТ) (мысалы, мультивибратор) реверстік санауыштан (РС), ЦАТ-тен және компаратор К-дан тұрады. Компаратордың екінші кіріс жолына кіріс кернеуі (аналогтық сигнал) vk беріледі де, ол екінші кіріс жолындағы (ЦАТ-тен шыққан) аналогтық сигналмен үнемі салыстырылып отырады. Егер vцат>vk, болса, компаратор шығысы бірінші күйінен екінші күйіне ауысып, реверстік санауышты шегеру режиміне көшіріп, vцат-ты біртіндеп азайта бастайды. vцат<vk болғанда, компаратор бірінші күйіне қайта оралып, санауышты қайтадан қосу режиміне көшіреді. Сонымен, санауыш шығыстары Q1 - Q4 үнемі кіріс сигналдарының ізін кесіп соның маңайында «1» мен «0»-дің аралығында өзгеріп отыратын болады. Сондықтан санауыш шығыстары vк сигналының цифрлық нышаны болып табылады.
3-3-сурет. разрядты бір өрісті АЦТ-ның түрлендіру сипаттамасы.
Аналогты-цифрлық түрлендіргіштің сипаттамалары динамикалық және сипаттамалық болып бөлінеді. Біріншісі - статикалық жұмыс режимінде түрлендіргіштің негізгі параметрлерін анықтайды, екіншісі - уақыт бойынша сигналдарды өңдейді.
АЦТ-ның статикалық сипаттамалары:
- АЦТ-ның рұқсат ету қабілеттілігі.
- АЦТ-ның разрядтілігі.
- АЦТ-ның түрлендіргіш сипаттамасы
- Кернеудің кодтар арасындағы өткелдері.
- Кернеудің нөлге ығысуы.
- Сызықтық емес АЦТ.
- Дифференциалды сызықтық емес АЦТ.
- АЦТ-ның сипаттамасының біркелкілігі.
- Кіріс сигналының толық шкаласы.
Түрлендіру дәлдігі.
4-сурет. 3 разрядты параллельді түрдегі АЦТ схемасы.
1-кесте. 3 разрядты параллельді түрдегі АЦТ кестесі.
АЦТ-ның динамикалық сипаттамасы:
- Түрлендіру уақыты.
- Іске қосу кідірісінің уақыты.
- Кодтау циклының уақыты.
- Максималды түрлендіру жиілігі.
- Сигнал мен шудың арақатынасы.
- Кіріс сыйымдылығы.
- Кіріс кедергісі.
Қазіргі уақытта кернеу-код түрлендірулерінің көптеген әдістері белгілі. Бұл әдістердің айырмашылығы потенциалды дәлдігі, түрлендіру жылдамдығы және жүзеге асыру құрылғысының күрделілігінде.
5-сурет. Екі тактілі АЦТ-ның құрылымдық сұлбасы.
АЦТ-ның негізгі түйіндері - сигма-дельта модуляторы мен сандық сүзгіщ.
6-сурет. Сигма-дельта модуляторының құрылымдық сұлбасы.
Модулятордың реті оның сұлбасындағы сумматор мен интегратордың санымен анықталады. N ретті сигма-дельта модуляторы N сумматор мен N интегратордан тұрады.
Кесте-2. Сигма-дельта АЦТ-ның құрылымдық кестесі
1. 2 Цифрлы - аналогтық түрлендіргіш
Цифрлық-аналогты түрлендіргіш (ЦАТ) - цифрлық сигналды аналогтық сигналға түрлендіруге арналған. Кейде бұл құрылғыны код-аналог түрлендіргіш деп те атайды.
ЦАТ-ның барлық кірісіне логикалық бірді берсек, онда оның шығысы көбірек болады.
Соңғы кездерде компьютерлер техникасы өрісінің кеңеюіне байланысты, мәліметтерді цифрлық түрде өңдеуге көп көңіл бөлініп отыр. Күнделікті кездесетін үздіксіз аналогтық сигналды (кернеу, ток, температура, т. с. с) цифрлық түрге айналдыру аналогтық-цифрлық құрылғылармен қамтамасыз етілсе, ал оларды кері түрлендіру цифрлық-аналогтық құрылғылардың міндеті.
Цифрлық-аналогтық түрлендіргіштің (ЦАТ) қарапайым схемасы 8 - суретте көрсетілген. Е ток көзіне, арнайы кілттер Q1 - Q4 арқылы, шамалары екі еселеніп, үдей өсіп отыратын кедергілер тобы R - 8R қосылған. Әрбір келесі алдыңғысынан екі есе артық. Олардың жұмыс атқару режимі R>>Rж жүктемесінен ағатын ток та, оған түсетін кернеу де Rж-нің өзіне тәуелсіз болып, Q1 - Q4 кілттерімен басқарылатын R - 8R кедергілерінен ағатын токқа тікелей байланысты болады. Әрине, егер R1=R, R2=2R, R3=4R, R4=8R болған жағдайды кернеудің ең үлкен шамасы R1 кедергісіне сәйкес келеді де (өйткені ең үлкен ток ағады), Q4 кілті цифрлық шаманың ең үлкен разряды болып табылады.
7-сурет. ЦАТ түрлендіргішінің сипаттамасы
Жалпы жүктемедегі шығыс кернеуінің шамасын былай табуға болады:
Ve=e(1*Q1+2*Q2+4*Q3+8*Q4)
Мұндағы е - ең төменгі разряд салмағы (сол разрядқа сәйкес келетін шама) . Е шамасын белгілей отырып, кез-келген масштабта жұмыс істеуге болады: Q1 - Q4 - 1 - 4 разрядтардың екілік нышандық сан мәндері. Electronics Workbench кітапханасының құрамынада жүрген ЦАТ-ның қарапайымдалған схемасы көрсетілген.
8-сурет. Цифрлық - аналогты түрлендіргіштің схемасы
9- суретте аналогты шаманы (кернеу) сандық кодқа және кері сандық кодтан аналогты шамаға түрлендіру сызбасы көрсетілген.
9 - сурет. АЦТ және ЦАТ.
Сызба жұмысының процесі уақыттық диаграммада көрсетілген. АЦТ және ЦАТ жұмысын иллюстрациялайтын уақыттық диаграмма 10 - суретте келтірілген.
10- сурет. АЦТ және ЦАТ жұмысының диаграммасы.
1. 3 ЦАТ - ты қолдануЦифрлы - аналогты түрленгіштердің сызбасын қолдану тек қана код- аналог түрлендіруге ғана емес, сонымен қатар олардың қасиеттерін пайдалана отырып екі немесе одан да көп сигналдардың шығуын анықтауға болады. ЦАТ - ты пайдаланудың ең маңызды аумағы болып сигналдар генераторы болып табылады. Төменде құрамында ЦА - түрленгіштер бар сигналдарды өңдеудің кейбір сызбалары берілген.
Әлі күнге дейін цифрлы - аналогты түрленгіштердің сипаттамасы кезінде кіріс цифрлық ақпарат натурал қатардың саны (униполярлы) түрінде берілді. Бүтін сандарды (биполярлы) өңдеу кейбір ерекшеліктерге ие. Әдетте бүтін екілік сан қосымша кодты қолданумен көрсетілетін еді. Мұндай жолмен сегіз разряд көмегімен -128 ден +127 - ге дейін аралықтағы сандарды беруге болады. ЦАТ - қа сан енгізу кезінде бұл диапазон 0 . . . 255 - ке дейін ығысады. 128 - ден үлкен сандар бұл жағдайда оң, ал 128 - ден төмен сандар теріс болып саналады. 128 - дің орта саны нөлге сәйкес келеді. Мұндай белгісі бар сандарды аралас код деп атайды.
Қарастырылған кодтар сәйкесінше келесі 3 - кестеде берілген.
3 - кесте
Цифрлық және аналогты шамалар арасындағы байланыс
Функционалдық белгісі бойынша интегралды микросұлбаның (операционды күшейткіштер, кернеу компараторлары, таймерлер, тұрақты кернеу стабилизаторы) анлогты сигналдарды өдейді және түрлендіреді. Мұндай сигналдарда ақпаратты тасушы амплитуда немесе импульс ұзақтығы, амплитуда, жиілік немесе синусоидалы кернеу фазасы, тұрақты кернеу деңгейі болып табылады. Цифрлық микросұлбалар цифрлы код түріндегі ақпараттарды өңдеу үшін арналған. Мұндай микросұлбалардың кез-келген кіріс немесе шығысында тек екі кернеу деңгейі: логикалық нөл және логкалық бірлік. Цифрлық аналогтық (ЦАТ) және анлогтық -цифрлық түрлендіргіштерге (АЦТ) арналған микросұлбаларды аналогтық қатарына жатқызады.
Сандық микросұлбаларды комбинационды және сатылы деп бөлуге болады. Комбинационды сандық құрылғының шығыс сигналының мәні уақыттың кез-келген мәнінде кіріс сигналының сол уақыт мәнәмен анықталады. Оларға логикалық элементтер, сумматорлар, код компараторлары, дешифраторлар, мультиплексорлар, код түрлендіргіштері жатқызылады. Сатылы сандық құрылғыларда есте сақтау жадылар болады. Олардың ағымдағы тактідегі шығыс сигналдары, осы тактідегі немесе алдыңғылардығы кіріс сигналдарының мәнімен анықталады. Сандық құрылғының жұмыс тактісі деп сандық кодтаудың уақыт бойынша да және деңгей бойынша да дискретизацияланады деп есептелінетін, әр бір сигнал деңгейіне берілетін соңғы уақыт қимасы. Сатылы сандық құрылғының қатарына триггерлер, регистрлер, санауыштар, оперативті есте сақтау құрылғысы, микропроцессорлар және микроконтроллер жатқызылады.
Сандық микросұлбаның белгіленуі, функционалдық белгісі бойынша мысалға, К555ЛА3 серия нөмірі (К555), топтама (Л-логикалық элемент) және түрі (А-элемент ЖӘНЕ-ЕМЕС) . Серияның бірінші саны конструкторлық-технологиялық белгісін сипаттайды (1, 5, 6, 7-жартылайөткізгішті; 2, 4, 8-гибридті; 3-қалғандары) . Кең қолданылатын сандық микросұлбалар жартылай өткізгішті технология бойынша орындалады, яғни кремнийлі кристалдың көлемін және беттігін фотолитография әдісімен.
Сандық миқросұлбаның белгісі.
Сандық микросұлбаларды өндіру үшін келесі логикалық базистар қолданылады:
- ТТЛ (К155, К133) - транзистор-транзисторлық логика;
- ТТЛШ (К555, К1533) - ТТЛ Шоттки диодымен;
- КМОП (К564, К1830) - комплементарлық МОЖ-технология;
- n-МОП (К580, К1816) - n-каналды МОЖ-технология;
- ЭСЛ (К100, К500) - эмиттерлік-байланысқан логика.
Анықтамаларда сандық құрылғының әр бір сериясы үшін логикалық 0 және 1 деңгейлері, орташа ұстамдылық, қолданылатын қуаты, жүктемелік қабілеті келтіріледі. Экономикалық тиімді микро-сұлбалар қатарына КМОЖ технология бойынша жасалынғандар жатқызылады. Жылдамдығы бойынша бірінші орында ЭСЛ-микросұлбалар, одан кейін ТТТЛШ.
2. 2 Сандық-ұқсас және ұқсас-Сандық түрлендіргіш
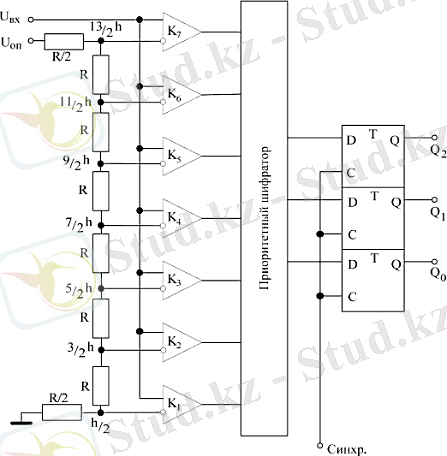
Аналогты шамалар дискретікке түрленетін кұрылғы аналогты цифрлық; түрлендіргіш (АЦТ) деп аталады. АЦТ үш түрі болады: уақыт импульстк түрлендіргіш, жиілік импульстік түрлендіргіш және разрядтары бойынша теңестіру.
Уақыт импульстік түрлендіргішпен АЦТ-ның жұмыс icтey принципін қарастырайык- АЦТ-ның бұл түpi цифрлық құралдарда кернеуді, тоқты, жиiлiктi және т. б. өлшеулерді жургізу ушін колданылады. Оның негізізне импульстермен толтырылған уақыт интервалындағы өлшенетін шамаларды түрлендіру жатады. АЦТ-ның құрылымда схемасының ықшамдалған түрi 1-суретге келтірілген.
Сурет1. АЦТ-ның құрылымда схемасының ықшамдалған түрi
АЦТ-ның кipicіндeri өлшенетін шама 6ipiнші блокта At уакыт интервалында түрленеді. Екіші блокта At уакыты N тазбекл (цифрлық кодка) импульске түрленеді. Цифрлық код дешифраторга беріледі. Онда ол кернеуге айналып, цифрлық санак курылғысына әсер етеді
Тез тасымалдану схемасы (ТТС)
1-схема. Тез тасымалдау.
ЦПЭ-да операндтарды жинақтаумен параллельді тез тасымалдану цифрларының қалыптасуына арналған. ТТС-да тасымалдану цифры а і және b і 1-ге тең болған жағдайда ғана қалыптасады. ЦПЭ бұл жағдайда Ү і = a i b i =1 сигналын шығарады. Немесе егер операндтардан және кіші разрядтың тасымалдану центрі бірге тең болса, онда:
Х
і
және Р
і
1-ге тең болған жағдайда, жоғарғы разрядқа тасымалдану цифры -1. Тасымалдану цифрының қалыптасу шарты:
ТТС тасымалдану цифрының қалыптасуымен берілген бір разрядты сумматор схемасы
Тасымалдану цифры тасымалданудың және МББ белгілер регистрінің шығысынан оңға ығысудың орташа кірісімен келіп түседі. Тасымалдану цифры тез тасымалдану схемасына және кіші ЦПЭ -ның кіші разрядына беріледі. Берілген схемада 16 - разрядты берілгендерді өңдеуге арналған 8 ЦПЭ біріктірілген. Оңға ығысу центрлік процессорлік элементтер арасында өтпелі тасымалданумен беріледі. ТТС-да тасымалдану цифры, ЦПЭ-ғы операндтардың жинақталуымен бірге бір уақытта қалыптасады.
Кіші разрядтан оңға ығысу және үлкен ЦПЭ-нің үлкен разрядынан тасымалдану цифры МББ белгілерінің кірісімен қосылатын тасымалданудың біріккен шығысына беріледі. Тасымалданудың соңғы цифры тасымалдануға рұқсат (ТС) кірісіне қандай сигнал берілетіне байланысты, соңғы ЦПЭ -да сол сияқты ТТС-да да қалыптаса алады. Егер ТР=1, онда тасымалдану цифры ТТС-ның шығысынан ал ТР=1 болса, онда ЦПЭ -дан түсіріледі.
ТТС қолдануға байланысты үлкен ЦПЭ -нің үлкен разрядынан С9 тасымалданудың таратылған уақыты 20нс -ға дейін қысқарады.
2. 3 Аналогты-сандық түрлендірулер
Сандық өлшеу аспаптары - аналогты кіру сигналын дискретті шығу сигналына түрлендіріп, көрсетулерін алу құрылғысында сандық қатары ретінде көрсететін өлшеу аспабы. Сигналдың аналогты түрін сандық түрге айналдыру үрдісі аналогты сандық түрлендіру, ал мұндай түрлендіруді жасайтын түрлендіргіш аналогты -сандық түрлендіргіш деп аталады. Сандыұ аспаптар бұл әрекет принципі өлшенетін немесе оған пропорционалды шамаларды кванттауға негізделген аспаптар. Мұндай аспаптардың көрсеткіштері сандық түрде беріледі. Кванттау операциясының бар болуы сандық аспаптарда аналогты аспаптармен салыстырғанда метрологиялық сипаттамаларын таңдар алу әдісі, таңдау, бейнелеу, мөлшерлеу сияқты елеулі айырмашылықтарын тудыратын ерекше қасиеттерінің пайда болуына аоып келеді. Позициялы санау жүйесі үшін сан келесі түрде анықталады:
мұндағы
- санау жүйесінің негізделуі,
- берілген сан разрядының номері,
- разрядтар саны;
-
мен
шегіндегі кез келген бүтінсанды мәндерді қабылдайтын және санда
-ші разрядты бірлік қанша бар екенін көрсететін көбейткіш. Ең эффективті жүйе болып
әртүрлі символдар санының ең кіші туындысын үштік кез келген санын өрнектеу үшін разрядтар санында қамтамасыз ету (бұл минимум анықталған ондық үлкен
санының жаңғыруы үшін
және
арасында көрсетілген байланыс графигінде суреттелген. ) . Екілік жүйенің артықшылығы: логикалық элементтер екі берік жағдайдан тұрады. Арифметикалық и логикалық әрекеттер екілік жүйеде қарапайым түрде жүзеге асырылады:
Кодтауда және кодпен хабарлауда ең кең тараған логикалық операция - екінің модулі бойынша қосу. Екілік жүйеде де ол қарапайым және келесі теңдікпен анықталады:




2. 4 САТ резистивтік матрицасының құрылымы
Сандық құрылғылар объектілермен байланысында ақпарат тоқтаусыз формада өзгеріп отырады, сонда мәліметті аналогты формадан сандық формаға және керісінше аудару қажет болады. Аналогты-сандық түрлендіргіш(АСТ) - үзіліссіз өзгеретін аналогты шаманы сандық кодқа автоматты түрде түрлендіруді жүзеге асыратын құрылғы. Сандық-аналогты түрлендіргіш(САТ) - физикалық ұзақтық бекіткен эквивалентті мәнге ие, кезек-кезек берілген цифрлық кодты ұсынған ішкі кеңістік алмастыруға арналған құрал.
Сонымен, санды-аналогты түрлендіргіш кіру екілік кодын тікелей түрлендіруге арналған, мысалы, А i ( а 2 а 1 а 0 ) аналогты эквивалентке. Қарапайым жағдайда кернеу u вых , кейде нормаланған u вых. н = u вых / u вых. max , дискретті моменттің орындалуында және кіріс сигналына барғандағы, А i комбинациялық кодқа үйлеседі. Алмастыру кіру сандық кодын шартты сатылы кернеуге шығысында айналдырады.
Сандық аналогты түрлендіргіштің жалпы таралған екі түрі бар:
Екілік өлшенген қарсыласу резистивті матрица арқылы;
Екі қарсыласу номиналды резистивті матрица арқылы. Кейде R-2R матрицасы деп аталады.
... жалғасы- Іс жүргізу
- Автоматтандыру, Техника
- Алғашқы әскери дайындық
- Астрономия
- Ауыл шаруашылығы
- Банк ісі
- Бизнесті бағалау
- Биология
- Бухгалтерлік іс
- Валеология
- Ветеринария
- География
- Геология, Геофизика, Геодезия
- Дін
- Ет, сүт, шарап өнімдері
- Жалпы тарих
- Жер кадастрі, Жылжымайтын мүлік
- Журналистика
- Информатика
- Кеден ісі
- Маркетинг
- Математика, Геометрия
- Медицина
- Мемлекеттік басқару
- Менеджмент
- Мұнай, Газ
- Мұрағат ісі
- Мәдениеттану
- ОБЖ (Основы безопасности жизнедеятельности)
- Педагогика
- Полиграфия
- Психология
- Салық
- Саясаттану
- Сақтандыру
- Сертификаттау, стандарттау
- Социология, Демография
- Спорт
- Статистика
- Тілтану, Филология
- Тарихи тұлғалар
- Тау-кен ісі
- Транспорт
- Туризм
- Физика
- Философия
- Халықаралық қатынастар
- Химия
- Экология, Қоршаған ортаны қорғау
- Экономика
- Экономикалық география
- Электротехника
- Қазақстан тарихы
- Қаржы
- Құрылыс
- Құқық, Криминалистика
- Әдебиет
- Өнер, музыка
- Өнеркәсіп, Өндіріс
Қазақ тілінде жазылған рефераттар, курстық жұмыстар, дипломдық жұмыстар бойынша біздің қор #1 болып табылады.

Ақпарат
Қосымша
Email: info@stud.kz