ЭЛЕКТРЛІК ӨЛШЕУЛЕР МЕН АСПАПТАР


ТРИГГЕРЛЕР, МУЛЬТИВИБРАТОРЛАР
23. 1. Триггерлер
21-дәрістік сабақта қаралған логикалық-комбинациялық схемалардың шығысы кіріс сигналдарының комбинациясына тікелей байланысты. Триггерлердің олардан айырмашылығы - шығыс сигналдарының кіріс хабарларымен бірге оның ішкі күйіне де тәуелді болуы. Былайша айтқанда, шығу жолынан белгілі бір хабар алу үшін триггердің ішкі, өзіндік, алдыңғы күйін де ескеру қажет. Сондықтан да мұндай құрылғылар жадылы немесе еске сақтау мүмкіндігі бар құрылғылар деп те аталады.
Өндірісте кеңінен пайдаланып жүрген - интегралдық триггерлер тобы. Атқаратын қызметтеріне қарай олар RS, T, D, JK (жи-ка) т. б. болып бөлінеді.
RS-триггер орнатушы (установочный) немесе нұсқаулы триггер деп те аталады. Оның себебі: сигнал “S” (Set - орнату) кіріс жолына берілгенде негізгі шығу жолы Q-де “1” пайда болуы керек те, ал “R”-ге (Reset - қайта түсіру) берілгенде онда “0” (ноль) пайда болуы керек. Сонымен “S” “1”-лік кіріс жолы да, “R” “0”-дік кіріс жолы болады. RS-триггерінің шартты белгісі 23. 1, а-суретте көрсетіліп отыр. Оның кіріс жолдары жоғарыда айтылғандай S және R әріптерімен белгіленіп, негізгі шығу жолы - Q-мен белгіленген. Көріп отырғанымыздай, триггердің Q-ге қарсы
(“Q емес”) шығу жолы да бар: Q=1 болғанда,
немесе Q=0 болғанда
Сондықтан да
шығысы инверсиялық шығу жолы деп аталып, оның шығу нүктесі инверсия белгісімен (кішкене дөңгелекшемен) белгіленеді.
23. 1-сурет. Интегралдық триггерлердің шартты белгілері: а - RS-триггер; б - Т-триггер; в - JK-триггер
Өмірде жиі қолданылып жүрген интегралдық триггерлердің бірі - Т-триггер - санауыш триггер деп аталады. Оның ерекшелігі - ену нүктесіне берілген әрбір импульс әсерінен шығыс сигналының бір күрт өзгеріске ұшырап немесе берілген екі импульске шығу жолында толық бір импульстің пайда болуы. Былайша айтқанда, Т-триггер импульстер санын екіге бөліп, екіге дейін (“0” және “1”) санай алатын, қарапайым санауыштар қатарына жатады. Т-триггердің 23. 1, б-суретте көрсетілген.
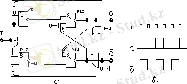
Т-триггердің жұмыс істеу процесін оның ЖӘНЕ-ЕМЕС схемаларынан тұратын құрылысы негізінде түсіндіруге болады (23. 2, а-сурет) . Суретте көрсетілгендей Т-триггерді екі ену жолы бар төрт ЖӘНЕ-ЕМЕС схемасынан құрастыруға болады. Бұл схемаларды қысқаша 4х2ЖӘНЕ-ЕМЕС деп белгілейік. Осы 4 логикалық схеманың бір ғана корпуста орналасуы мүмкін (мысалы, К155ЛА3: мұнда алдыңғы “К” әрпі өндірісте, тұрмыста кеңінен қолданылатын интегралдық схемаларға беріледі, ол жоқ болса, оның арнаулы аппаратураларға арналғаны), демек триггерді бір ғана микросхема корпусында жасауға болады.
Схемада келтірілген 4 элементтің соңғы екеуі: D1. 3, D1. 4 (D1 корпусындағы 3-, 4-ші логикалық элементтер) жоғарыда аталып өткен RS-триггерді құрайды. Одан Т-триггерге көшу үшін D1. 1, D1. 2 схемаларын қосу керек. Осы қосылулардың ерекшеліктеріне назар аударатын болсақ, D1. 3 пен D1. 4-тің шығыс жолдарының D1. 1 мен D1. 2-нің және де өздерінің кіріс жолдарына қарама-қайшы қосылуын көреміз. Оның үстіне D1. 1 мен D1. 2-нің екінші ену нүктелері өзара біріктіріліп, жаңа Т-ену жолын құрып отыр. Т-ену жолын синхрондық (“С” әрпімен белгілейді) немесе санақ жолы деп атайды.
23. 2-сурет. ЖӘНЕ-ЕМЕС схемаларынан құрылған Т-триггер (а) мен оның кіріс-шығыс жолдарындағы импульстар диаграммасы (б)
Жұмыс атқару принципін қарастыру мақсатында триггердің бір шығу жолында “1”, екіншісінде - “0” бар деп алайық, мәселен: Q=1,
болсын. Олай болса Q=1 қайту жолдарымен, D1. 2 мен D1. 4-тің бірінші кіріс жолдарында тұрып, олардың екінші кіріс жолдарында пайда болған сигналдардың өтуіне “рұқсат” береді. Осыған қарама-қарсы
сигналы D1. 1 мен D1. 3-тің сигнал өткізулеріне тиым салады. Енді Т-ену жолында “1” сигналы пайда болады десек, ол тек D1. 2 элементінен ғана өтіп, оның шығу жолында “0” түрінде пайда болады. D1. 1-дің шығыс жолындағы “1” өзгеріссіз қалады. Келесі кезеңде D1. 2-нің шығу жолында пайда болған “0” D1. 4-тің, яғни триггердің инверсиялық шығу жолында “1”-дің пайда болуына әкеп соқтырады. Енді D1. 3-тің екі ену жолында да “1” болғандықтан (аталған
D1. 1-дің шығысындағы “1”), оның шығысы “0”-ге айналады (мұны жеңіл түсіну үшін ЖӘНЕ-ЕМЕС схемасының жұмысын екі кезеңге бөліп қараған дұрыс: бірінші кезеңде тек ЖӘНЕ схемасы жұмыс істеп, оның шығысында “1”-дің пайда болуы оның бар ену жолдарындағы “1”-ліктердің әсеріне байланысты, ал ЕМЕС схемасымен инверсияланғанда ол “0”-ге айналады, яғни ЖӘНЕ-ЕМЕС схемасының шығысында “0”дің пайда болуы оның бар ену жолдарында “1”-ліктердің болуына байланысты) .
Сонымен келіп түскен бір кіріс импульсының әсерінен триггер жағдайы қарама-қарсы күйге өзгерді, яғни Q “1”-ден “0”-ге,
“0”-ден “1”-ге ауысты. Ал триггердің өзі келесі импульсты қабылдау дайындығынан да өтіп үлгерді: Q=0 сигналы санақ сигналының D1. 2 элементінен өтуіне тиым салып отырса,
сигналы осы хабардың D1. 1-ден өтуіне жағдай жасап, триггердің тағы бір “төңкеріліп”, бұрынғы қалпына қайта келуіне мүмкіндік жасап отыр. Қорыта айтқанда, әрбір келесі санақ импульсынан триггердің жағдайы қарама-қарсыға өзгеріп отырады. Ал триггердің, нақты қазіргі жағдайы қандай деген сұраққа оның бұрынғы жағдайын, бұрынғы “тарихын” білмей жауап бере алмаймыз. Сондықтан да триггер - жадылы, еске сақтау қабілеті бар схема болып табылады.
Тиггердің кіріс-шығыс сигналдарының өзгерісі 23. 2, б-суретте көрсетілген. Көріп отырғанымыздай, шығыс сигналдарының өзгеру жиілігі кіріс сигнал жиілігінен екі есе аз. Мұның өзі оны жиілік бөлу құрылғыларында да пайдалануға мүмкіндік береді.
Өндірісте RS, T, D (кідірту) - триггерлері дербес жасалынған түрінде сирек қолданылады. Оларды қазір жиі қолданылып жүрген универсал JK-триггерінен құрастырып алуға болады.
JK-триггерінің J, К, С ену жолдары бар. J ену жолы RS-триггердің S жолына, К R жолына ұқсас болса, оның С жолы Т-триггердің Т немесе С жолына ұқсас. Триггердің жан-жақтылығын арттыру мақсатында оның өндірісте жасалатын түрлері бірнеше J және бірнеше К ену жолдарымен дайындалады.
23. 2. Мультивибраторлар
Генератор шығаратын сигналдар әртүрлі болуы мүмкін: синусоидалық (гармоникалық), импульстық, т. б. Синусоидалық генератор құру оңай емес: оның амплитудасын да, жиілігін де тұрақтандыру көп жұмысты керек етеді. Осы тұрғыдан қарағанда, импульстық генераторлар ұтымды, сондықтан да өндірісте олар анағұрлым жиі қолданылады.
Шығаратын импульс түріне қарай импульстық генераторлар үшбұрышты, тікбұрышты, қоңырау тектес т. б. болып бірнешеге бөлінеді. Дегенмен, өндірісте көп тарауына байланысты біз төртбұрышты импульстық генераторларды қарастырып, бұдан былай “генератор” сөзінің мағынасын тек соларға арнаймыз.
Ең қарапайым генератор - мультивибратор - бұл сөздің тікелей мағынасы көп толқынды генератор (вибратор) деген ұғымды білдіреді.
Мультивибратор автогенератор немесе күтуші режимдерінде (одновибратор) жұмыс істейді. Автогенератор режимінде мультивибратор қорек көзіне қосылғаннан кейін-ақ оның шығысында тікбұрыш пішінді импульсті кернеу пайда болады, ал күтуші режимінде кірісіне сигнал берілмейінше шығысында кернеу пайда болмайды.
Енді автогенератор режиміндегі мультивибратордың жұмыс істеу принципін қарастырайық. Мультивибратор бірінің базасы екіншісінің коллекторымен конденсатор арқылы жалғанған екі каскадтан тұрады деуге болады (23. 3-сурет) . Мультивибраторды қорек көзіне қосқанда С 1 және С 2 конденсаторлары R k1 , R k2 резисторлары және транзисторлардың базалары арқылы қорек көзінің кернеуіне дейін зарядталады. Әдетте R k1 =R k2 , C 1 =C 2 , R 1 =R 2 етіп және жұмысқа бір түрлі транзисторлар таңдап алынады. Бірақ транзисторлардың параметрлері дәл бірдей болмайтындықтан бірі екіншісінен бұрын ашылады. Мысалы, VT1 транзисторы ашық та VT2 транзисторы жабық делік. VT1 транзисторының кедергісі азаятындықтан С 1 конденсаторы R 1 резисторы және VT1 транзисторы арқылы зарядсыздана бастайды (23. 3, б-сурет) . Бұл кезде VT2 транзисторы базасының потенциалы эмиттерге қарағанда теріс мәнді болатындықтан нық жабық болады. Бірақ τ=R 1 C 1 уақыт өткеннен кейін конденсатор толық зарядсызданып, VT2 транзисторының базасының потенциалы эмиттерне қарағанда оң мән қабылдайды да транзистор ашылады. Ал R 2 резисторында кернеудің түсуінің көбеюіне байланысты С 2 конденсаторының VT1 транзисторының базасымен жалғанған астары эмиттеріне қарағанда теріс потенциал қабылдайды да VT1 транзисторы жабылып қалады. Енді С 2 конденсаторы R 2 резисторы және VT2 транзисторы арқылы зарядсыздана бастайды. Шамамен τ=R 2 C 2 уақыттан кейін С 2 конденсаторы зарядсызданып, оның VT1 транзисторының базасымен жалғанған астары эмиттеріне қарағанда оң мәнді болады. Ендеше VT1 транзисторы ашылады да, R 1 резисторында кернеудің түсуінің көбеюіне байланысты С 1 конденсаторының VT2 транзисторының базасымен жалғанған астары теріс потенциалды болады да VT2 транзисторы жабылып қалады. VT2 транзисторы жабылған кезде оның шығысында кернеу пайда болады, ал ашық күйінде кернеуі нольге тең. Осылайша мультивибратор, шамасы қорек көзінің кернеуіне жуық, импульсті кернеу тудырып тұрады.
23. 3-сурет. Автогенератор режиміндегі мультивибратордың схемасы (а) мен уақыттық диаграммалары (б)
Мультивибратордың күтуші режиміндегі схемасын кейде даравибратор деп те атайды. Жоғарыда айтылғандай күтуші мультивибратордың кірісіне сигнал бермей шығысында кернеу пайда болмайды.
Нег. 4 [250-255], 5 [345-352], 6 [87-99]
Қос. 7 [192-193], 10 [2-T. 263-275], 12 [379-382]
Бақылау сұрақтары:
1. Атқаратын қызметтеріне қарай триггерлердің қандай түрлерін білесің?
2. ЖӘНЕ-ЕМЕС логикалық элементтерінен құралған Т-триггердің жұмыс істеуін түсіндір.
3. Мультивибратор дегеніміз қандай сигналдарды өндіретін генератор?
4. Автогенератор режиміндегі мультивибратордың жұмыс істеу принципін түсіндір.
5. Күтуші режиміндегі мультивибратордың автогенератор режиміндегі мультивибратордан қандай айырмашылығы бар?
24-дәрістік сабақ
ЭЛЕКТРЛІК ӨЛШЕУЛЕР МЕН АСПАПТАР
24. 1. Электрлік өлшеу туралы негізгі түсініктер
... жалғасы- Іс жүргізу
- Автоматтандыру, Техника
- Алғашқы әскери дайындық
- Астрономия
- Ауыл шаруашылығы
- Банк ісі
- Бизнесті бағалау
- Биология
- Бухгалтерлік іс
- Валеология
- Ветеринария
- География
- Геология, Геофизика, Геодезия
- Дін
- Ет, сүт, шарап өнімдері
- Жалпы тарих
- Жер кадастрі, Жылжымайтын мүлік
- Журналистика
- Информатика
- Кеден ісі
- Маркетинг
- Математика, Геометрия
- Медицина
- Мемлекеттік басқару
- Менеджмент
- Мұнай, Газ
- Мұрағат ісі
- Мәдениеттану
- ОБЖ (Основы безопасности жизнедеятельности)
- Педагогика
- Полиграфия
- Психология
- Салық
- Саясаттану
- Сақтандыру
- Сертификаттау, стандарттау
- Социология, Демография
- Спорт
- Статистика
- Тілтану, Филология
- Тарихи тұлғалар
- Тау-кен ісі
- Транспорт
- Туризм
- Физика
- Философия
- Халықаралық қатынастар
- Химия
- Экология, Қоршаған ортаны қорғау
- Экономика
- Экономикалық география
- Электротехника
- Қазақстан тарихы
- Қаржы
- Құрылыс
- Құқық, Криминалистика
- Әдебиет
- Өнер, музыка
- Өнеркәсіп, Өндіріс
Қазақ тілінде жазылған рефераттар, курстық жұмыстар, дипломдық жұмыстар бойынша біздің қор #1 болып табылады.

Ақпарат
Қосымша
Email: info@stud.kz