Атмосфералық вакуумдық құбырлық қондырғысын жобалау


Жұмыс түрі: Дипломдық жұмыс
Тегін: Антиплагиат
Көлемі: 53 бет
Таңдаулыға:
КІРІСПЕ
Елімізде өтіп жатқан нарықтық қатынастар тек экономиканы дамыту үшін ғана емес, бүкіл қоғамдық өмір үшін де орасан зор маңызы бар екендігін Республикамыздың тәуелсіздігінің 20 жыл ішінде атқарылған жұмыстар көз жеткізе дәлелдейді. Реформа қалыптасқан экономикалық қатынастарға елеулі өзгерістер енгізеді және сайып келгенде әрбір еңбекшінің мүддесін қамтыды.
ҚР өте ірі және қолайлы отын қорлары мен су, ірі отын энергетикасымен көзі болып табылады. Органикалық отын қазбалары, соның ішінде мұнай әлі бірнеше уақытқа дейін негізгі шикізат көзі энергетикада, өндірісте және көліктерде болады. Осы ресурстарды қамтамасыз ету немесе оларды жеткізу ыңғайлы бағасымен ең негізгі факторлық стратегия дамудың және мазалайтын проблема барлық отандық және шетелдік шаруашылықта. 55 елдің ішінде мұнай шығаратын Қазақстан 24-ші орын алып келеді. Мұнайдың көлемі барлық СНГ-дағы алынған мұнайдың 17-ші бөлігін алады. Көп мөлшерде ірі кен орындары Өзен, Жетібай және Қаламқас бірнеше ұсақ кен орындары соның біреуі Эмба районы, . Қалған шығарылатын запасының 86%-ы 12 өте пайдалы кен орындарына келеді.
Соның ішінде 46%-ы Тенгизде, Қарашығанақ, Қашаған, Королевскідегі кен орындары шет ел компанияларын біріктіргеннің өзінде 32 кен орын өңделеді. Мұнайдың рөлі және оның өндірісі өте зор. Мұнайдан бензин, керосин, реактивті және дизелдік отындар, сығылған газдар, кокс және шикізат алынады. Мұнайхимия синтезіне соңғы жылдары өте ірі өзгерістер болып жатыр, яғни мұнай өңдеу технологиясында. интенсификация соңында технологиялық процестердің үздіксіз өндіріс әдістері, автоматтау және механизациялау орасан зор өсті, оның техникалық деңгейі де көтерілді. Әрі қарай мұнай өңдеудің технологиялық процестері де дамыды, яғни біріккен қондырғыларды қолданумен ірі қуатты. Соңғы жылдары қуатты 8-10 рет өсірді, әлі де әрі қарай өсіру қарастырылуда. Бұл бізге аппараттардың өлшемін өсіруге, оның салмағын және жоғарғы сапалы жұмысқа төзімді, ұзақ уақыт жабдықтауға әкеледі.
Қазіргі заманғы дүниежүзілік экономикада мұнай мен газдың алатын орны ерекше. Бүгінгі таңда миллиардтаған адамдар есептеп жатпастан мұнай мен газды күн сайын, сағат сайын қолданады. Күнделікті тіршілігіміздің өзінде қаншама мұнай мен газды пайдаланамыз десеңші. Үйімізде шам жанып, ыстық суымыз ағып тұрады, машинамен, қоғамдық көлікпен, ұшақпен, кемелерімен жүреміз. Тіпті ракеталарды алсақ осылардың барлығы да мұнай мен газды пайдаланады. Әлемнің ірі кен орындарында бүгінгі таңда мың және бес мың метр тереңдікке дейін мыңдаған, он мыңдаған мұнайдың скважиналары бұрғыланған.
1 ТЕХНИКАЛЫҚ БӨЛІМ
1. 1 Жобаланған процестің мақсаты мен қысқаша сипаттамасы
Мұнай шикізаты МӨЗ келіп түсетін физико-химиялық қасиетіне байланысты бөлінеді: тығыздығына, созылғыштығына, минералды тұздардың мұнайда еруіне, газға, күкіртке, парафинге, механикалық қоспаларға байланысты.
Мұнай өңдеу технологиясында алғашқы айдау процестерінде мұнайды атмосфералық айдау және вакуумды мазутты айдау жатады. Олардың мақсаты мұнайды фракцияларға бөлу әрі қарай өңдеуге жіберу немесе мұнай өнімі ретінде қолдануға.
АҚ қондырғыларда терең емес мұнай өңдеуді жүргізеді, яғни бензин, керосин. дизель фракцияларын және мазут алуда.
Ал ВҚ қондыпғысы терең өңдеуге мұнайды арналған. Одан алынады мазут, газойлді және майлы фракциялар және гудрон алынады.
Гудрон - мазутты вакуумда айдаудан қалған қалдық, термиялық крекинг висбрекинг, кокстеу, битум және майлар өндіру қондырғыларында пайдаланады.
Көбінесе атмосфералы және вакуумда мұнайды айдауда бір қондырғыда жүргізеді. Мұндай біріккен қондырғыны АВҚ (атмосфералы вакуумды қондырғы) қондырғысы деп атайды. АВҚ қалдығы гудрон болады. Оны котельнилік отын алуда немесе жоғары созылғышты (қалдықты) май, битум және кокс алуда шикізат ретінде қолданылады.
Мұнайды алғаш айдау қондырғылары МӨЗ үлкен мәні бар. Олардың жұмыс көрсеткіштерінің маңызы келесі процестерінің пайдалылығы соған байланысты: тазарту, каталитикалық риформинг, кокстеу. Мұнайды айдау қазіргі заманғы қондырғыларда әр түрлі әдістермен жүргізіледі. Соның ішіндегі ең негізгісі: ректификациялық колонналарда бір мәрте буландыру, қатар орналасқан колонналарда екі мәрте буландыру, алдын-ала жеңіл фракцияларды алдын-ала буландыру колоннада немесе эвапораторда жүргізіледі.
Алғашқы мұнайды айдау қондырғысында фракцияларды қолдану бағытына байланысты жатқызуға болады: отындық, майлы және осыған сәйкес - мұнайды айдау нұсқалары.
Кейбір жағдайларда алғашқы айдаудан алынған фракцияларды майда фракцияларға бөліп, оларды кейін қажетіне қарап пайдаланады. Мұнай бөлуді АВҚ және АҚ қондырғылар құрамына кіретін блоктарда немесе өз алдына тұратын айдау блоктары қондырғалары барлық МӨЗ құрамына кіреді.
1. 2. Жобаланған процестің теориялық негіздері
Құбырлы қондырғылардың ректификациялық колонналарындағы қысымға байланысты, олар атмосфералы (АҚ), вакуумды (ВҚ) және атмосфералы -вакуумды (АВҚ) болып бөлінеді. Булану дәрежесінің соңына қарап, құбырлы қондырғыларды бір, екі, үш және төрт рет буланушы деп бөледі. Бір рет буландырумен айдау қондырғыларында мұнайдан бір ректификациялаушы колоннада атмосфералық қысымда барлық дистилляттарды - бензиннен бастап тұтқыр цилиндр майына дейін алады. Екі рет буландыру қондырғыларында гудронға дейін айдауды екі сатыда жүргізеді: әуелі мұнайды атмосфералы қысымда мазутқа, одан кейін оны вакуумда гудронға дейін айдайды. Бұл процестерді екі ректификациялаушы колонналарда іске асырады, оның біріншісінде атмосфералық қысым, екіншісінде - вакуум ұсталынады. Мұнайларды мазутқа дейін буландыруда атмосфералық қысымда екі ректификациялаушы колонналарда жүргізуге болады: біріншіде тек бензинді ғана алады және бензинсізденген мұнай жоғарылау температурада мазутқа дейін айдалады. Мұндай екі колонналы қондырғылар атмосфералық құбырлы (АҚ) тобына жатады.
Үш рет буландыру қондырғыларында мұнайды айдауды үш колонналарда жүргізеді: екі атмосфералық және бір вакуум колоннасында. Мұнайды үш рет буландыру қондырғысының басқа түрі болып бір атмосфералық және екі вакуумды колонналардан тұратын АВҚ саналады. Екінші вакуум колоннасы гудронды буландыра түсуге арналған, онда негізгі вакуум колоннасына қарағанда, тереңдеу вакуум ұсталынады. Төрт рет буландыру қондырғысы, АВҚ-ның бастапқы бөлігінде бензиндендіруші атмосфералық колоннасынан және соңғы бөлігінде гудрон үшін буландыра түсетін вакуум колоннасынан тұрады.
Қазіргі кезде мұнайды алғашқы айдауды атмосфералық қысымда істейтұғын құбырлы қондырғыларда (АҚ) жүргізіп, одан мөлдір өнімдер-бензин, керосин, дизел (газойл) фракцияларын алады. Мұнай айдаудың қалдығын (өнімнің бастапқы қайнау температурасы 300-360 0 С) мазут дейді. Егер зауытта қазан отынын көп алу қажет болған жағдайда, онда айдаушы атмосфералық қысымда жүргізумен шектейді. Мұнай шикі заты жеткіліксіз жағдайда, мұндай өңдеу бағыты тиімсіз болып саналады.
Мөлдір мұнай өнімдерінің мөлшерін, оның мұнайдың бастапқы құрамындағыдан көп өндіру үшін, мазутты әртүрлі термиялық және каталитикалық процестерді қолданып, терең химиялық өңдеуге салады. Мазутты терең өңдеудің көп қолданылып жүрген жүйесі бойынша, оны дистиллятты фракцияларға және бастапқы қайнау температурасы 490-520 0 С жоғары тұтқырлы қалдыққа-гудронға алдын-ала бөлу көзделеді. Мұндай бөлуді вакуумды құбырлы қондырғыларда (ВҚ), 5-8 кПа қалдық қысымда жүргізеді. Алынған дистиллятты фракциялар және гудрон дара ағым күйінде одан арғы өңдеуге жіберіледі. Гудронға дейінгі айдауды, егер зауытта мұнай майларын, коксты, битумды өндіру қажет болған жағдайда жүргізеді.
Көпшілік зауыттарда мұнайды атмосфералық және мазутты вакуумдық айдауды бір құрастырма қондырғыда атмосфера-вакуумды құбырлы (АВҚ) қондырғыларда жүргізеді.
2. ТЕХНОЛОГИЯЛЫҚ БӨЛІМ
2. 1. Жобаланған процестің технологиялық схемасы
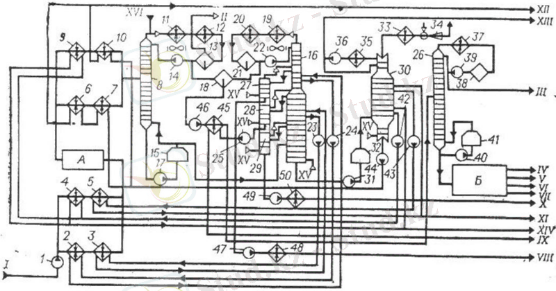
Мұнайды өңдеуге негізделген екіншілік айдауы бар ЭЛОУ-АВТ қондырғысының сипаттамасы келесідей (сурет 2. ) :
Қондырғыға берілетін мұнай насоспен (1) екі ағын болып шикізат жылуалмастырғыштары (2) - (5) арқылы өтеді. Бірінші ағын колоннаның (16) үстіңгі (2-де) және төменгі (3-те) циркуляциялық суландылуларымен жылуалмасу арқылы жылытылады. Екінші ағын жылуалмастырғыштар (4) және (5) арқылы өтіп вакуум колоннасының (30) төменгі және ортаңғы циркуляциялық суландырулармен жылытылады. Содан кейін мұнайдың екі ағыны да араластырылып беріледі.
Сусыздандырылған және тұзсыздандырылған мұнай кейін қайтадан екі ағынға бөлініп жылуалмастырғыштарға беріледі. Мұнайдың бірінші ағыны жылуалмастырғыштар (6) мен (7) -де гудронмен жылытылады, екінші ағын (9) -да калоннаның (30) төменгі циркуляциялық суландыруымен және (10) -да
гудронмен жылытылады. Содан кейін мұнай бензинсіздендіру калоннасына (8) беріледі.
Атмосфералық колоннада (16) екі бүйірліік погон - керосиндік (180-240°С фракция), дизельдік (240-350°С фракция) алынады.
Атмосфералық колонна қалдығы - мазут - насоспен (31) құбырлы пешке (32) беріледі. Пеште 410°С-ге дейін қыздырылған мазут вакуумдық колоннаға (30) беріледі. Колоннада 6, 6кПа қалдық қысым ұсталып отырады. Колоннаның төменгі жағының температурасын төмендету және гудроннан жеңіл компоненттердің булану шарттарын жеңілдету үшін (30) -дың төменгі бөлігіне су буы беріледі.
Сурет 1. ЭТСҚ-АВҚ комбинирленген қондырғысының технологиялық схемасы.
1, 14, 17, 22-25, 31, 36, 39, 40, 42-44, 46, 47, 49 - насостар; 2-7, 9, 10, 45 - жылуалмастырғыштар; 8, 16, 25-30 -колонналар; 11, 12, 19, 20, 33, 37-конденсатор-тоңазытқыштар; 13, 18, 21, 38 - сыйымдылықтар; 15, 32, 41 - құбырлы пештер; 34-эжектор; 35, 48, 50-тоңазытқыштар; А- электродегидраторлар торабы; Б-бензинді екіншілік айдау торабы; I-мұнай; II-газ; III- тұрақтандыру басы; IV-VII-жеке бензин фракциялары; VIII-180-230°С фракция; IX-230- 280°С фракция; X-280-350°С фракция; XI-350-500°С фракция; XII-гудрон (500°С-ден жоғары фракция) ; XIII-350°С-ден төмен фракция; XIV-400°С-ден жоғары фракция; XV-су буы; XVI- коррозия ингибиторы.
Колоннаның (30) жоғарғы жағынан су буы, ыдырау газдары, ауа мен мұнай өнімінің (дизельдік фракция) азғантай бөлігі шығарылады. Олар конденсаторға (33) келіп түседі. Конденсацияланбаған газдар көп сатылы эжектормен (34) сорылады.
Колоннада (30) үш циркуляциялық суландыру қарастырылған: үстіңгі суландыру 15-табақшадан алынып, химиялық тазаланған суды қыздыруға арналған жылуалмастырғышта суытылып 18-табақшаға қайтарылады.
Баланстық мөлшер (350°С-ден төмен қайнайтын фракция) колонна (16) -ға бағытталады немесе дизельдік отын ағынына араластырылады. 9-табақшадан 350-500°С (вакуумдық газоиль) фракция және орта циркуляциялық суландыру алынады. Суландыру 11-табақшаға қайтарылады, ал фракция жылуалмастырғыш (5) арқылы қондырған шығарылады. Төменгі циркуляциялық суландыру 5 - табақшадан шығарылып, жылуалмастырғыштар (4) және (9) -да салқындатылып 6-табақшаға қайтарылады.
Вакуумдық колонна қалдығы-гудрон (500°С-ден жоғары қайнайтын фракция) жылуалмастырғыштар (6), (7), (10) арқылы қондырғыдан шығарылады.
2. 2. Шикізаттың, өнімнің және қосымша материалдың сапасы
Алғашқы айдау өнімдері мұнайды атмосфералық қысымда алғашқы айдау нәтижесінде мынадай өнімдер алынады.
1. Сығылған көмірсутегі газы, пропан мен бутаннан тұратын (тұрақтандырушы басқа фракция) . Өнім мөлшері мұнайдың кен орындағы қондырғыларда қаншалықты терең тұрақталғанына байланысты болады. Бұл өнімді күкіртті қосылыстардан тазартылған соң, шаруашылықта отын, газдарды бөлу қондырғыларына, шикі зат есебінде пайдалануға болады.
2. Бензин фракциясы 30-180 0 С аралағында айдалады. Каталитикалық риформинг қондырғыларында шикі зат есебінде қолданады, кейбір кездерде автобензин компоненті есебінде де пайдаланады.
3. Керосин фракциясы 120-315 0 С аралағында айдалады. Ауа-реактивті қозғалтқыштарында, жорық алуда, тракторлардың карбюратор қозғалтқыштарында отын есебінде пайдаланады. Гидротазалау, сілтімен әрекеттесу немесе меркаптансыздандыру қондырғыларында күкіртті қосылыстардан бөлу және пайдалану сапасын жақсарту мақсатында қосымша әрекеттеуден өтеді.
4. Дизель фракциясы 180-350 0 С аралағында айдалады. Бұрын дизель фракциясын атмосфералық газойль, соляр майы деп атап келді. Бұл фракцияны автокөліктерде, трактоларда, тепловоздарда, теңіз және өзен кемелерінде орналасқан дизел қозғалтқыштардың отыны есебінде пайдаланады. Қажет болған жағдайда, оны гидрогенизациялық әдіспен күкірттен тазалайды.
5. Мазут . Бұл мұнайды атмосфералық айдаудың қалдығы. Қазан отыны кездерде термиялық крекинг қондырғысының шикі заты бола алады.
6. Гудрон-мазут вакуумда айдаудан қалған қалдық; термиялық крекинг, висбрекинг, кокстеу, битум және майлар өндіру қондырғыларында пайдаланады.
2. 3. Негізгі аппараттың автоматтандырылуы.
Автоматты жүйелі бақылау - бұл әдістің жинағы, яғни техникалық құралдардың және адамдардың ұжымы қамтамасыз ететін өндірістің жұмысын, бақылаудың негізін кең көлемде қолданатын, экономикалық-математикалық әдістердің және қазіргі заманғы мәліметті жинақтау болады.
Қазіргі технологиялық процестер автоматты жүйені қолданбай жүргізу мүмкін емес. автоматтандыру жүйесі еңбектің өнімділігін арттыруға барлық халық шаруашылығында жағдай жасайды. Автоматты жүйенің негізгі құрылғысы қадағалаушы болады, яғни технологиялық процестерді жлғары жылдамдықпен жүргізуге жағдай жасайды. Сондықтан бірінші көрсеткіштерді білу қажет, себебі объектіні басқару мақсатында қадағалау қажет.
АҚ қондырғысының технологиялық жұмыс кестесін үйрену негізгі, оның мақсатты өнім алуда ректификациялық колоннадан ПО3 К-1 болады дистиллят яғни фракция б. қ. - 180 С 0 дейін. Осыдан, колоннаны басқару мақсаты фракциялық құрамын дистилляттың көрсетілген мәнде ұстау, ал оның көрсеткіші бастапқы қызуы мен бензиннің соңғы қайнауы, колоннаның жоғарғы бөлігінен К-1-ден шығатын. Сондықтан шикізаттың қызуын қадағалау міндетті жүргізілу қажет, яғни колоннаға кірерде су буының шығынының өзгеруімен. Үнемі қысым кезінде колоннада дистиллятың құрамы анықталады жоғарғы қызумен, яғни оны қадағалап отыруға болады айналымның шығынымен. Дистилляттың құрамы анықталады режимдік көрсеткіштермен колоннаның жоғарғы бөлігінің және процесс фазасының ережесіне сәйкес қысым мен қызуға бағынышты, яғни концентрацияны стабилизациялау қысымды қадағалау шығынды өзгерту жолымен конденсацияланбаған булар мен газдың сыйымдылықтан шығарда. Колонна К-1-де қысымды өшіру мүмкін болатын мәннен әкеліп соғу мүмкін апатқа, сондықтан қысымды көтерген кезде сигнализация мен автоматты қорғаушыны қосу қажет.
Жылуалмастырғыштарда мұнайды қыздыруға арналған, яғни циркуляциялық айналымының поз К-2-нің ; мазуттың, гудронның оардың пайдалы көрсеткіші болады соңғы қызуы мұнайдың жылуалмастырғыштардан шығардағы, ал осы қызуды басқару мақсатында көрсетілген мәнде қызуды өсіру немесе төмендету қыздырылған мұнайдың процестің бұзылуына ректификациялық колоннада поз К-1 әкеліп соғады.
Жүйені таңдау және автоматтандыру құралдары.
Ректификациялау процесімен технологиялық басқару орталық щиттен жүргізіледі, яғни дистанционды бақылау, қадағалау, сигнализациялау және қорғау арқылы.
Процесс жағдайына байланысты нақты класы дистанционды бақылау жүйесінің және технологиялық көрсеткіштерді тіркеу 26-дан төмен болмауы қажет. Сенімді коэффиценті 0, 05 төмен болмауы қажет. Қадағалау жүйесі үшін бұл көрсеткіштер болу қажет 4 немесе 0, 9 төмен емес; қорғау және сигнализациялау кестесі - 0, 99 және 1, 5. Сонымен қатар бұл жүйелер жарылыс-өртқауіпсіздігін орындауымен болуы қажет.
Осы барлық талаптарға мына приборлар дәл келеді ГСП, соның ішіндегі пневматикалық бұтақ. Пневматикалық бұтаққа ГСП кіреді: екілі құралдар, қадағалаушылар, функциялы блок жүйесі «старт», оның көмегімен есеп шығаруға дистанционды бақылаумен, қадағалаумен, қорғаумен және сигнализациялаумен.
Колоннадағы бақылау мен қадағалау қызуды, жылуалмастырғыштарда қолданылады термоэлектрлік преоброзователдер ТКХ-0279; бақылаушы және тіркеуші құралдар ретінде - электронды көпнүктелі потенциометрлер КСП-4 түрімен, екінші бақылаушы ретінде, тіркеуші құралдар потенциометрлер КСП-3 пневматикалық ПН-қадағалаушымен және қоспасында басқарушы пневматикалық ПП 12. 2 ; орындаушы механизмдері ретінде - мембранды қадағалаушы клапандар 25 ден 50 нж, жұмыс жасайтын 450 0 С қызу ортасында. Бақылау және қадағалау үшін шығынды ең қолайлы шығынды өлшейтін әдіс, бұл қысымның ауысуы әдісі: бірінші өлшеуші преоброзаватель ретінде стандартты камералы диафрагмалар ДКС ГОСТ 26969-86 бойынша құрамында бөлуші сосудтарымен РСМ түрімен шығынды ағын өнімінің өлшегенде және конденсациялық сосудтарымен су буының шығынын өлшегенде қолданылады.
Преоброзователь ретінде қысымның өзгеруі ретінде пневматикалық тасымалдау жүйесімен ара қашықтықта мембранды компенсациялы дифмонометрлер пневматикалық шығатын сигналымен 13ДД11 түрімен, ал екінші құрылғы ретінде - пневматикалық үшшкалалы приборлар тіркелуімен миталы диаграммаға қадағалаушы көрсеткішімен, бақылау станциясымен және беруші механизмімен ПВ 101 Э түрімен. Прибор шкаласы 100% шығындалушы ретінде. Қадағалаушы ретінде - қадағалау блок ПРЗ. 31, ПИ болатын - қадағалау заңы статистикалық линейнилі қадағалауымен. Орындаушы механизмі ретінде - қадағалаушы клапан 25 с 43 нж түрі қолданылады. Құрылғылардың анықтамасы мен автомотизациялау құралдары, ректификациялық колонна блоктарында қолданылатын К-2 поз кестеде көрсетілген. 2. 2
Кесте 2. 2
Құрылғылардың спецификациясы мен автоматтандыру құралдары
Термоэлектрлік преоброзователь, хронель-копелевый. Статистикалық мінездемесі ХК(L)
Қорғаушы арматура СТ12х18НТОТ. Қозғалмайтын штуцер М27х2 кілтімен 40, монтаждық ұзындығы - 400
КСПЗ-ПИ
мод 1800
КСПЗ - ПИ
мод. 1800
Қадағалаушы клапан мембранды орындаушы механизмімен РУ-6, 3МПа
Мүмкін болатынқызуы 450 0 С
3. ЕСЕПТІК БӨЛІМ
3. 1 Процестің материалдық балансы
Қондырғының жұмыс өнімділігі 219807 тонна 1 жылға мұнай өңдейді. АВҚ қондырғысының күнтізбелік жылдағы жұмыс уақытының тиімді қоры мынаны құрайды.
Т тиімді =Т к. қ *(Т к. ж +Т а. ж )
Мұндағы, Т к. қ - жабдықтың жұмыс уақытының күнтізбелік қоры, 365 күнге тең.
Т к. ж - күрделі жөндеудегі қарапайым жабдық, 20 күнге тең.
Т а. ж - ағымды жөндеудегі қарапайым жабдық, 5 күнге тең.
Т тиімді = 365 - (20+5) = 340 күн.
Шикізат санын есептейміз, тн/тәулік, тн/сағ, кг/сек.
219807 = 646, 491176 т/тәул
340
646, 491176*1000 = 26937, 1324 кг/сағ
24
26937, 1324 = 7, 4825 кг/сек
3600
АВҚ қондырғысының материалдық балансы кестеде көрсетілген. Алынған өнімнің санын кестеге жазамыз.
Атмосфералық вакуумды құбырлы қондырғысының материалдық балансы.
... жалғасыКесте-1
- Іс жүргізу
- Автоматтандыру, Техника
- Алғашқы әскери дайындық
- Астрономия
- Ауыл шаруашылығы
- Банк ісі
- Бизнесті бағалау
- Биология
- Бухгалтерлік іс
- Валеология
- Ветеринария
- География
- Геология, Геофизика, Геодезия
- Дін
- Ет, сүт, шарап өнімдері
- Жалпы тарих
- Жер кадастрі, Жылжымайтын мүлік
- Журналистика
- Информатика
- Кеден ісі
- Маркетинг
- Математика, Геометрия
- Медицина
- Мемлекеттік басқару
- Менеджмент
- Мұнай, Газ
- Мұрағат ісі
- Мәдениеттану
- ОБЖ (Основы безопасности жизнедеятельности)
- Педагогика
- Полиграфия
- Психология
- Салық
- Саясаттану
- Сақтандыру
- Сертификаттау, стандарттау
- Социология, Демография
- Спорт
- Статистика
- Тілтану, Филология
- Тарихи тұлғалар
- Тау-кен ісі
- Транспорт
- Туризм
- Физика
- Философия
- Халықаралық қатынастар
- Химия
- Экология, Қоршаған ортаны қорғау
- Экономика
- Экономикалық география
- Электротехника
- Қазақстан тарихы
- Қаржы
- Құрылыс
- Құқық, Криминалистика
- Әдебиет
- Өнер, музыка
- Өнеркәсіп, Өндіріс
Қазақ тілінде жазылған рефераттар, курстық жұмыстар, дипломдық жұмыстар бойынша біздің қор #1 болып табылады.

Ақпарат
Қосымша
Email: info@stud.kz