Кен орындарын эксплутациялаудың алғашқы кезеңдері

 
    
Пластадан алынған мұнайдың құрамында еріген тұздары бар су мөлшері 0, 5-250 мкм дейін болатын су тамшылары түрінде кездеседі. Тұзды су тамшылары беттік қабатында табиғи деэмульгаторларды, асфальтенді-шайырлы заттар, парафиннің микрокристалдары жəне механикалық қоспаларды сіңіреді. Бұл тамшылардың бірігуіне жəне іріленуіне кедергі келтіреді.
Қазіргі кезде мұнайды өңдеуге дайындау 2 этаптан тұрады.
1. Жер қыртысында;
2. Мұнай өңдеу өндістерінде.
Кен орындарын эксплутациялаудың алғашқы кезеңдерінде құрамы сусыз немесе аз сулы мұнайлар алынады. Мұнайды əр кез өндірген сайын мұнайдың құрамындағы су мөлшері артып, 90-98% жетеді. Сондықтанда құрамында жеңіл ұшқыш органикалық (метаннан бутанға дейін) жəне неорганикалық (Н2S, CO2) газдық компоненттері бар шикі мұнайды, жер қыртысынан дайындықсыз, тасымалдауға жəне МӨЗ өңдеуге болмайды.
Мұнай құрамындағы пласталық су мөлшерінің жоғары болуы оның буландыруға жəне коденсациялануына жұмсалатын энергия шығымы артады. Пласталық судың мұнаймен эмульсия түзіуінің нəтижесінде мұнайдың тұтқырлығы артады. Мұнайдың известняк, саз, құм жəне басқада жыныстардың жоғары дисперсті бөлшектерінен құралған механикалық қоспалары су глобуласының бетіне адсорбцияланып, мұнай эмульсиясының тұрақтылығын арттырады. Осылайша түзілген тұрақты эмульсия шикі мұнайды тұзсыздандыруға жəне сусыздандыруға жұмсалатын шығын мөлшерін арттырады.
Тұзсыздандыру процесінің негізіне мұнайдың сумен жанасу нəтижесінде түзілетін мұнайлы эмульсияларды бұзу жатады. Тұзсыздандыруда суздандырылған мұнайды тұщы сумен араласытырылып, жасанды эмульсия түзіледі. Түзілген эмульсия ыдыратылады. Су қондырғыда тазартылып, пласталық қысымды ұстап тұру үшін жəне мұнайды ығыстыру үшін пластқа қайта жіберілдеі.
Көмірсутектік емес қоспалары жоқ мұнай тұщы сумен өзара ерімейді. Жəне мұндай қоспаны тұндырғанда жеңіл бөлінеді.
Эмульсия бір сұйықтық екінші сұйықтықта тамшы (глобула) түрінде диспергирленген, бір-бірінде аз немесе ерімейтін сұйықтықтардың қоспасынан құралған дисперсті жүйе. Глобула тараған сұйықтық дисперсті орта, диспергирленген сұйықтық - дисперсті фаза болып табылады.
Мұнай эмульсиясының типтері
Мұнай тамшылары сулы ортада дисперсті фаза түзеді. Екінші жағдайда су тамшылары мұнайлы ортада дисперсті фаза түзеді.
Эмульсияның түзілуі дисперсті жүйедегі фазалардың шекаралық бетіндегі беттік құбылыстармен, əсіресе, сұйықтық бетінің артуына қарсы тұратын - күш беттік керілумен байланысты.
Беттік активті заттар беттік керілуді төмендету қабілетіне ие. Бұл қасиет беттік активті заттардың дисперсті жүйенің фазаларының бірінде таңдамалы еріп, концентрленіп, фазалардың бөліну бетінде адсорбциялық қабат, беттік активті зат пленкасын түзеді. Беттік керілудің төмендеуі дисперсті фазаның дисперстілігін арттырып, тұндыру барысында глобуланың бетінде оның коалесценциясына қарсы тұратын адсорбциялық қабат түзеді. Эмульсияның түзілуіне əсер етіп, тұрақтандыратын заттар эмульгаторлар, тұрақты эмульсиядағы беттік адсорбциялық қабатты бұзатындар деэмульгаторлар деп аталады. Эмульгаторларға мұнайдың полярлы заттары шайырлар, асфальтендер, асфальтогенді қышқылдар, жəне оның ангидридтері, əртүрлі органикалық қоспалар жатады. Түзілетін эмульсия типі эмульгаторлардың қасиетіне байланысты. Гидрофобты қасиеті бар эмульгаторлар М/С эмульсия типін, гидрофобды, гидрофильді С/М типін түзеді. Яғни эмульгатор өзінің типіне сəйкес келетін эмульсия түзеді.
Мұнайды эмульсияларды бұзуда қолданылатын деэмульгаторлар синетикалық беттік активті заттар. Оларға мұнайдың құрамындағы табиғи эмульгаторларға қарағанда жоғары беттік активтілік тəн.
Жоғары беттік активтілік негізделеді:
1. Су глобуласының бетінен эмульсияны тұрақтандыратын эмульгаторларды адсорбциялық ығыстыру;
2. Тұрақсыз эмульсиялар түзу;
3. Адсорбциялық пленканы химиялық еріту.
Өндірісте мұнайды тұзсыздандыру жəне сусыздандыру процесі ЭЛОУ қондырғысында жүргізіледі.
Мұнайлы эмульсия ауыспалы электр өрісінде судың теріс зарядталған бөлшектерінің қозғалысының нəтижесінде грушатəрізді формаға келеді. Грушаның сыртындағы теріс зарядталған бөлшектері оң зарядталған электродтарға тартылады. Электр өрісінде жеке тамшылар оң зарядты электродқа бағытталу жолында бір-бірімен соқтығысып, неғұрлым ірі тамшыға бірігіп, тұнады. Деэмульгаторлар - оксиэтилденген май қышқылдары.
Мұнай құрамындағы сумен тұзды бөліп алуда қолданылатын технологиялық процесс типтері:
1. Сусыздандыру жəне тұзсыздандыру.
Ерекшелік: сусыздандыру процесінде мұнайдың бұрғылама сулармен интенсивті араласуы нəтижесінде түзілген табиғи эмульсияларының бұзылуы жүреді.
 
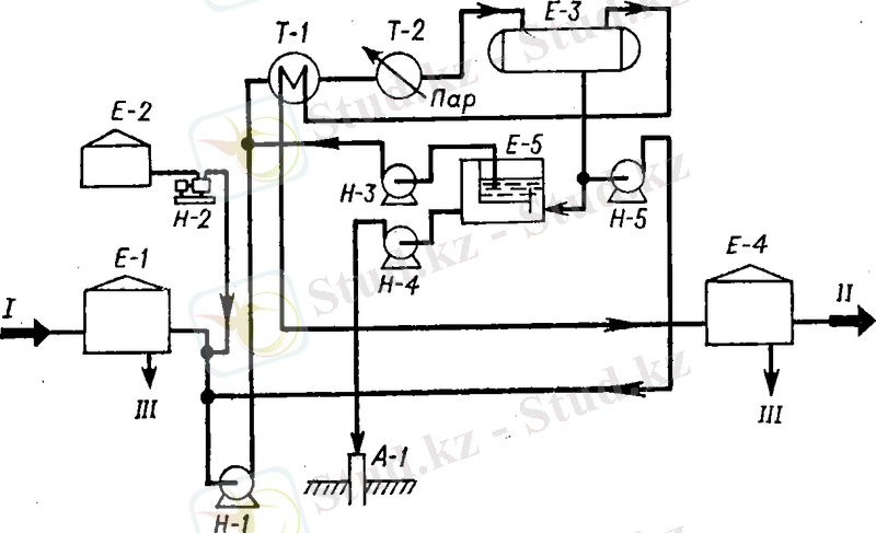
Қысымда мұнайды термохимиялық сусыздандыру қондырғысы.
I - шикі мұнай; II - сусызданған мұнай; III -су.
Мұнай скважиналармен қозғалғанда пласталық сумен интенсивті араласады. Мұнайдың құрамынан суды алудың қарапайым әдісі - атмосфералық қысымда термохимиялық сусыздандыру.
Газдан тазаланған шикі мұнайды Е-1 насос арқылы Т-1 жылуалмастырғыш және Т-2 булы қыздырғыш арқылы Е-3 термотұндырғышқа келіп түседі. Е-2 мұнайға деэмульгатор қосылады. Е-3 термотұндырғышта мұнай 1, 5 МПа қысымда 1-3 сағат аралығында болады. Сусыздандырылған мұнай қосымша судан тазартылады. Тұнған суды Е-5 мұнайжинағышқа жіберіледі.
Тұзсыздандыру процесінің технологиялық сызба-нұсқасы. Тұзсыздандыру процесінің оптималды температурасы 80-100 0 С.
 
қондырғының принципиалды
сызба-нұсқасы.
1- насос-дозатор; 2, 6-насостар; 3-жылуалмастырғыш; 4-инжекторлы араластырғыш; 5, 11- электродегидраторлар; 7-тұндырғыш; 8-автоматты клапан; 9-дифрагмалы араластырғыш; 10-электрод; I - шикі мұнай; II - деэмульгатор; III - тұзсызданған мұнай; IV - таза су; V - сілті ерітіндісі; VI -жартылай тұзсызданған мұнай; VII - циркуляцияланушы су; VIII - судағы мұнай эмульсиясы; IX - канализацияға жіберілетін су.
Электрмен тұзсыздандыру блогында тұзсыздандырудың төрт зонасын бөліп көрсетуге болады. Бірінші зонасында мұнай таза шаю суымен және деэмульгатормен араласады. Араластыру қарқыны шаятын су қабат суы тамшыларына дейін дисперсияланатындай дәрежеде болуы тиіс, әйтпесе шаятын су алдымен тұнады да, қабат суымен сұйылтудың пайдасы болмайды. ЭЛТҚ қондырғыларында кең қолданылатыны екі типті араластырғыш: инжектор және араластыру клапаны. Шаятын су ретінде өзен суы немесе технологиялық конденсаттар қолданылады Екінші зонасында қайта түзілген эмульсиялардың ірірек тамшылары тұнады, ал үшінші зонада электр өрісі әсерінен қақтығысу күшейеді де, ұсақ тамшылар біріге бастайды. Іріленген тамшылар үшінші зонаға жіберіледі. Төртінші зонада екінші зонадан мұнай ағымымен көтеріліп шыққан тамшылар қайтадан тұнады.
Мұнай ағымына І сорап-дозатар 1 көмегімен деэмульгатор беріледі. 2 сораппен мұнайды атмосфералық-вакуумда айдау қондырғысынан 80-120 0 С температураға дейін дистилляттармен қыздырылатын 3 жылу алмастырғыштар арқылы мұнай айдалады. Жылу алмастырғыштардан кейін мұнайға су рН 7, 0-7, 5 дейін жеткізу үшін сілті ерітіндісі V қосылады. Сілті ерітіндісін күкіртсутекті коррозияны басу және ұңғымаларды қышқылды ерітінділермен өңдегенде мұнайға түсетін бейорганикалық қышқылдарды бейтараптан-дыру үшін беру қажет. Су рН көтеруге жұмсалатын сілті шығыны бірлігіне 10 г/т құрайды.
Инжекторлық араластырғышта 4 мұнай сілті ерітіндісі және айналымдағы сумен VII араласады да, қоспа перфорирленген көлденең шығарылған түтігі бар түтікті үлестіргіш арқылы 5 электрдегидратордың төменгі бөлігіне беріледі. Тұзсыздандырылған мұнай VI электрдегидратордан үстіңгі жағынан құрылысы үлестіргішке ұқсас коллектор арқылы шығарылады. Мұнайды кіргізу және шығару құрылғыларының осылайша орналасуы тұтас аппарат қимасы бойынша ағымның бірқалыпты жүруін қамтамасыз етеді. Тұндырылған су дренажды коллекторлар немесе 7 тұндырғыш (тұндырғыштан су процеске қайта оралады) арқылы шығарылады. Тұндырғыштан судың бір бөлігі тұздар концентрациясын төмендету үшін зауыт канализациясына жіберіледі. Оның орнын екінші сатыдан келетін сумен толтырады.
Электрдегидратордан 5 үстіңгі жағынан толық сусызданбаған мұнай қысымда екінші сатылы электрдегидраторға 11 түседі. Осы электрдегидратор алдында мұнай 9 диафрагмалы араластырғышта таза сумен IV араласады. Шаятын су алдын-ала 65-70 0 С-қа дейін қыздырылады. Тұзсыздандырылған және сусыздандырылған мұнай III екінші сатылы 11 электрдегидратордың жоғарғы бөлігінен қондырғыдан шығарылады.
... жалғасы- Іс жүргізу
- Автоматтандыру, Техника
- Алғашқы әскери дайындық
- Астрономия
- Ауыл шаруашылығы
- Банк ісі
- Бизнесті бағалау
- Биология
- Бухгалтерлік іс
- Валеология
- Ветеринария
- География
- Геология, Геофизика, Геодезия
- Дін
- Ет, сүт, шарап өнімдері
- Жалпы тарих
- Жер кадастрі, Жылжымайтын мүлік
- Журналистика
- Информатика
- Кеден ісі
- Маркетинг
- Математика, Геометрия
- Медицина
- Мемлекеттік басқару
- Менеджмент
- Мұнай, Газ
- Мұрағат ісі
- Мәдениеттану
- ОБЖ (Основы безопасности жизнедеятельности)
- Педагогика
- Полиграфия
- Психология
- Салық
- Саясаттану
- Сақтандыру
- Сертификаттау, стандарттау
- Социология, Демография
- Спорт
- Статистика
- Тілтану, Филология
- Тарихи тұлғалар
- Тау-кен ісі
- Транспорт
- Туризм
- Физика
- Философия
- Халықаралық қатынастар
- Химия
- Экология, Қоршаған ортаны қорғау
- Экономика
- Экономикалық география
- Электротехника
- Қазақстан тарихы
- Қаржы
- Құрылыс
- Құқық, Криминалистика
- Әдебиет
- Өнер, музыка
- Өнеркәсіп, Өндіріс
Қазақ тілінде жазылған рефераттар, курстық жұмыстар, дипломдық жұмыстар бойынша біздің қор #1 болып табылады.
 
            
                Ақпарат
Қосымша
Email: info@stud.kz