Операциялық күшейткіштердің қолданылуы


Жұмыс түрі: Реферат
Тегін: Антиплагиат
Көлемі: 10 бет
Таңдаулыға:
Мазмұны
1 Операциялық күшейткіш
Операциялық күшейткіш (Операционный усилитель; operational amplifier, opamp) - 1) әрекеттер тіркесі күшейткіштің қосалқы тізбелерін ауыстырып қосу арқылы өзгертілуі мүмкін аналогтық компьютердің элементі; кернеу өзгерісінің формасы белгілі бір математикалық өрнекке сәйкес болғанда, шығыстық кернеу өзгерісінің формасы а өзгеріс формасына сәйкес болады. Мысалы, қосындыны орындау үшін а-ға программаланған болса, онда оның кірісіндегі кернеу акернеу кірісіндегі а- ның қосындысына тең болады; 2) кері байланыс тізбегі жоқ күшейткіш. Әдетте, тұрақты ток күшейткіші. Оның күшейту еселігі үлкен, кіріс кедергісі жоғары, ал шығыс кедергісі төмен болады.
Күшейткіштік каскадтардың параметрлері мен сипаттамалары неғұрлым кең аралықты қамтитын болса, онда олар солғұрлым әр түрлі мақсаттағы электрондық құрылғыларда қолданымды келеді Осындай әмбебап күшейткіштік құрылымды элементке операциялық күшейткіш жатады. Операциялық күшейткіштің жиілік бойынша жұмыс істеу аралығы кең, күшейту коэффициенттері өте жоғары, кірмелік кедергісі өте үлкен де, ал шықпалық кедергісі аз болыпі келеді. Операциялық күшейіткішке мұндай қасиеттерді оның құрамына кіретін симметриялы немесе бейсимметриялы дифференциалдың каскадтар мен коллекторы ортақ каскад және басқа қосымша элементтер қамтамасыз етеді.
Операциялық күшейткіштер аналогтық есептеу машиналарында және автоматты басқару қондырғыларында кеңінен қолданылады. Мұнда олар негізінен математикалық амалдарды (қосу, алу, интегралдау т. б. ) орындау үшін пайдаланылады.
а) б)
1. 1-сурет. Операциялык күшейткіштің шартты белгісі (а) мен сумматордың сұлбасы (б) .
Оперциондық күшейткіш- үлкен кіру кедергісімен және өз шығу кедергісі бар күшейту коэффицентіне ие болатын тұрақты тоқтың дифференциялды күшейткіштері. Шығу кернеулігі келесі формуламен анықталады:
(1. 1)
Мұндағы: - ОK инверісті емес кірудегі кернеу; - ОK инверісті кірудегі кернеу; - ОK шығудағы кернеу; - ОK микросхемасының күшейту коэффиценті. [1]
Операциондық күшейткіштің келесі сыртқа шығулар бар:
- Инверісті кіру;
- Инверісті емес кіру;
- Кернеуліктің қоректену тұжырымы (екі полярлы қоректену көздері қажет) ;
- Шығу;
- Жиіліктің коррекциясының тұжырымдары.
Кернеулер кіре берісте беріледі және шығу жерінде екі нүктеден шешіледі.
Егер инвертирующий кіру жерге қосылған (заземлен) және инвентерующий кіруге сигнал берілсе, онда шығудағы сигнал фаза бойынша кіру жерінде сигнал 180 0 қа бұрылады.
Егер инвентерующий кіру жерге қосылған (заземлен), ал сигнал неинвентерующий кіруге берілсе, онда шығудағы сигнал кірудегі сигналмен синфазалық болады.
Операциондық күшейткіш нағызға жақындаушы мінездемеге ие. Күшейткіштің мінездемесі:
- Кернеулігі бойынша К→∞ шексіз күшею коэффиценті
- Rкіру→∞ шексіз толық кіру кедергісі
- Rшығу→∞ нолбдік толық шығу кедергісі
- Uкіру→∞ тең дәрежедегі кірудегі нөльдік кернеулік
- f→∞ шексіз өткізу жолағының ені
Нақты операциондық күшейткіш тура болып табылмайды.
Жоғарыда аталып өткен мінездемелер нөлдік болып табылмайды немесе соңғы мәнді береді.
Операциондық күшейткіш дифференциалдық кіру күшейткішіне ие болатын көп каскадты болып табылады.
Бірінші каскадты операционды күшейткіштің дифференциалды күшейткіш каскады болып табылады. Дифференциалдық күшейткіш кіру кернеулігінің әртүрлілігін күшейтіп және симфазалық сигналды күшейтпейді. Үлкен кіру кедергісіне ие. Операциондық күшейткіштін барлық микросхемасы бойынша кіру кернеулігін анықтайды.
Екінші каскад кезендік күшейткіш каскады болып табылады. Олар бірнеше болуы мүмкін. Каскад ортақ эмит схемасы бойынша орындалады.
Аяқталған каскад орнына жай және екі тактілі комплементарлы эмиттерлі қайталағыш қолданылады. [4]
2 Операциялық күшейткіштердің қолданылуы және биполярлық транзистормен байланысы
Операциялық күшейткіш (ОК) аналогты есептеу машиналарында математикалық операцияларды орындауға арналған. Алғашқы лампылы K2W ОК-н 1942 жылы Л. Джули (АҚШ) жасап шығарған. Ол екі қосақталған электровакуумдық триодтан тұрды. Алғашқы ОК-тер үлкен және қымбат құрылғы болды. Лампыларды транзисторлармен алмастырғаннан кейін операциялық күшейткіштердің көлемі кішірейіп, арзан, сенімді бола түсті, әрі олардың қолдану саласы да кеңи түсті. Алғашқы транзисторлы операциялық күшейткіштер саудада 1959 жылы пайда болды. Р. Малтер (АҚШ) жеті германий транзисторларымен варикапты көпірден тұратын Р2 ОК-н жасап шығарды. Сенімділігін, сипаттамаларын жақсартуға, бағасын және көлемін кішірейтуге (азайтуға) қойылған талаптар, 1958жылы Texas Instruments (США) лабораториясында ойлап шығарылған интегралды микросхемалардың дамуына әсерін тигізді. Нарықтық жетістіктерге жеткен алғашқы mA702 операциялық күшейткішті 1963 жылы Р. Уидлар жасап шығарған. Бүгінде ОК наменклатурасы жүздеген атаулардан турады. Операциялық күшейткіштердің шағын габаритты корпуста шығарылып, арзан болуы оның кең таралуына әсерін тигізеді. Операциялық күшейткіштер, нөлдік ығысу кернеулері мен кірістік токтарының мәндері төмен, және күшейту коэффициенті жоғары, тұрақты ток күшейткіштері болып табылады. Өлшемі мен бағасы жағынан алғанда олардың жеке транзисторлардан айырмашылығы жоқ. Сонымен қатар, операциялық күшейткіштердегі схема арқылы сигнал түрлендіру тек қана күшейткіштің кері байланыс тізбектерінің қасиеттері арқылы анықталады, және жоғары тұрақтылығымен, қайта өндірілуімен ерекшеленеді. Сондай-ақ, ОК-ның мінсіз сипаттамалырының арқасында олардың негізінде жасалған электронды схемаларды жузеге асыру, жеке транзистор негізінде жасалғаннан гөрі әлдеқайда оңай. Сондықтан, операциялық күшейткіштер жеке транзисторларды аналогты схемотехниканың көптеген салаларынан схема элементі ретінде мүлдем дерлік ығыстырып тастады.
ОК жаңа анықтамасы: күшейту коэффициенті өте үлкен, кірістік кедергісі өте үлкен, шығыстық кедергісі аз, және шығыстық кедергісі төмендегі формула бойынша анықталатын U шығ =(U + - U - ) *K ок тұрақты тоқтың дифференциалды көрсеткіші.
Жан-жақтылы қолданыстағы операциялық күшейткіштер бір каскадтың мүмкіншілігінен анағұрлым көп дифференциалдық күшейту коэффициентін қамтамасыз етуі керек. Сондықтан олар көбінесе екі каскадты схема бойынша жиналады. [3]
2. 1 сурет - ОК жеңілдетілген (қарапайым) шартты графикалық белгісі
2. 2 сурет - операциялық күшейткіштердің құрылымдық сұлбасы
2. 3 сурет - Операциялық күшейткіштердің жеңілдетілген (қарапайым) нақтылық сұлбасы
µA741 (толық схемасы 24 транзистордан тұрады) қоскаскадты «классикалық» операциялық күшейткіштің қарапайым схемасы 2. 3 суретте келтірілген. [2]
Кірістік каскад Т 1 және Т 2 p-n-p транзисторларының негізінде дифференциалдық күшейткіш схемасы бойынша жасалған. Жуктеме ретінде Т 3 және Т 4 n-p-n транзисторлары негізіндегі тоқтық айна қолданылған. Яғни, кірістік каскадтың шығыстық тоғына төмендегі қатынасты жазуға болады:
l Д = l k2 - l k1 (2. 1)
Дифференциалды каскадтың шығыстық сигналы айырма тоғы болғандықтан, кірістік транзисторлардың коллекторлық токтарының синфазалық өзгерістері өзара теңгеріледі де, соның салдарынан синфазалық кірістік сигналдар әжептәуір әлсірейді.
Эмиттердің тоқ көзі Т 9 транзисторы негізінде жасалған. Кейбір ОК-те (мысалы, 140УД12) бұл үшін, сондай-ақ тоқтық айна қолданылады, оның кірістік тоғы сыртқы резистордың кедергісі арқылы беріледі де, сол арқылы бағдарламаланады, ол ОК-тің параметрлерін реттеуге мүмкіншілік береді, мысалы тұтынатын тоғын.
Күшейтудің екінші баспалдағын ортақ эмиттері бар Т 6 транзисторы негізіндегі каскад құрайды. Жуктеме ретінде ол Т 10 транзисторы негізіндегі тоқ көзін пайдаланады. Бұл каскадтың кірістік кедергісін көбейту үшін оның кірісінде Т5 транзисторы негізіндегі эмиттерлік қайталағыш қосылған. С к конденсаторы операциялық күшейткішке 2. 4 суретте келтірілгендей жиіліктік сипаттама береді.
Шығыс каскады Т 7 , Т 8 транзисторлары негізіндегі қос түйіспелі комплементарлы эмиттерлік қайталанғыштан тұрады. Тура бағытта қосылған екі тізбектелген диодтан тұратын тізбек бөліміндегі кернеу, осы транзисторлардың шағын бастапқы тоғын қамтамасыз етеді (АВ класстық режимі) . Мұндай схема шығыстық кернеуінің түрлі полярлылығында ОК-тің шығытық кедергісінің симметриялы болуын қамтамасыз етеді. Әдетте, шығыс каскадының құрамына тұйықталудан қорғайтын тізбек кіреді. [3]
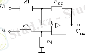
3. Дифференциалды күшейткіш
3. 1 суретте дифференциалды күшейткіштің базалық схемасы көрсетілген. Схемада кернеу бойынша параллельді теріс кері байланыс қолданылған.
3. 1 сурет - дифференциалды күшейткіштің базалық схемасы
3. 1 суретте көрсетілген дифференциалды күшейткіштің шығыс кернеуі төмендегі қатынаспен анықталады:
... жалғасы- Іс жүргізу
- Автоматтандыру, Техника
- Алғашқы әскери дайындық
- Астрономия
- Ауыл шаруашылығы
- Банк ісі
- Бизнесті бағалау
- Биология
- Бухгалтерлік іс
- Валеология
- Ветеринария
- География
- Геология, Геофизика, Геодезия
- Дін
- Ет, сүт, шарап өнімдері
- Жалпы тарих
- Жер кадастрі, Жылжымайтын мүлік
- Журналистика
- Информатика
- Кеден ісі
- Маркетинг
- Математика, Геометрия
- Медицина
- Мемлекеттік басқару
- Менеджмент
- Мұнай, Газ
- Мұрағат ісі
- Мәдениеттану
- ОБЖ (Основы безопасности жизнедеятельности)
- Педагогика
- Полиграфия
- Психология
- Салық
- Саясаттану
- Сақтандыру
- Сертификаттау, стандарттау
- Социология, Демография
- Спорт
- Статистика
- Тілтану, Филология
- Тарихи тұлғалар
- Тау-кен ісі
- Транспорт
- Туризм
- Физика
- Философия
- Халықаралық қатынастар
- Химия
- Экология, Қоршаған ортаны қорғау
- Экономика
- Экономикалық география
- Электротехника
- Қазақстан тарихы
- Қаржы
- Құрылыс
- Құқық, Криминалистика
- Әдебиет
- Өнер, музыка
- Өнеркәсіп, Өндіріс
Қазақ тілінде жазылған рефераттар, курстық жұмыстар, дипломдық жұмыстар бойынша біздің қор #1 болып табылады.

Ақпарат
Қосымша
Email: info@stud.kz