Триггерлер негізіндегі 4-разрядты әмбебап регистр


«АЛМАТЫ ЭНЕРГЕТИКА ЖӘНЕ БАЙЛАНЫС УНИВЕРСИТЕТІ»
Коммерциялық емес акционерлік қоғамы
Математикалық моделдеу және бағдарламалық қамтамасыз ету кафедрасы
Курстық жұмыс
Пәні: Цифрлық сұлбақұрылым
Тақырыбы: Триггерлер негізіндегі 4-разрядты әмбебап регистр.
Мамандығы: 5В07140 -Есептеу техникасы және бағдарламалық қамтамасыз ету
Орындаған: Төлбасы Д. Н. Тобы: ВТк-14-1
Тексерген: профессор Шанаев О. Т.
Студенттік билет номері: 142233
Нұсқа: 22
«» 201___ж.
(бағасы) (қолы)
Алматы, 2017
МазмұныКіріспе3
Курстық жұмыстың техникалық тапсырмасы4
Теориялық бөлім5
Практикалық бөлім10
Қорытынды12
Пайдаланылған әдебиеттер тізімі13
Берілген курсттық жұмыста біз триггерлер негізіндегі 4-разрядты әмбебап регистр құрастырамыз.
Регистр - көпразрядты екілік сан сақтауға арналған құрылғы. Олар триггерлердің (мысалы D-триггерлердің) негізінде құрылады. Әрине, регистр құрамындағы триггерлердің саны регистрдің разряд санымен анықталады. Регистрге санның енгізілу тәртібіне байланысты, олардың тізбекті немесе параллель регистр деп аталатын түрлері болады.
Тізбекті регистрде әрбір триггердің шығысы келесі триггердің информациялық кірісіне жалғанады. Бірнешеразрядты екілік сан түріндегі сөздің разряд мәндері бір-бірлеп бірінші триггерге тактілік сигналдың сәйкесті ауытқуында енгізіледі де, осы мезетте триггерлердегі бұрынғы енгізілген разряд мәндері бір триггерден келесі триггерге ығысып отырады. Әрине, бүкіл сөзді енгізу үшін, оның қанша разряды болса, сонша тактілік сигнал қажет болады.
Курстық жұмыстың техникалық тапсырмасы- Триггерлер негізіндегі 4-разрядты әмбебап регистр.
- Параллель енгізуге арналған деректер көзі ретінде 4-разрядты санауыш негізіндегі динамикалы деректер көзін пайдалану керек.
- Құрылғыда жүзеге асырылатын түрлендірімдердің барлық кезеңіндегі деректерді көрсету мүмкіндіктерімен қамтылу керек.
Регистр - көпразрядты екілік сан сақтауға арналған құрылғы. Олар триггерлердің (мысалы D-триггерлердің) негізінде құрылады. Әрине, регистр құрамындағы триггерлердің саны регистрдің разряд санымен анықталады. Регистрге санның енгізілу тәртібіне байланысты, олардың тізбекті немесе параллель регистр деп аталатын түрлері болады.
Тізбекті регистрде әрбір триггердің шығысы келесі триггердің информациялық кірісіне жалғанады. Бірнешеразрядты екілік сан түріндегі сөздің разряд мәндері бір-бірлеп бірінші триггерге тактілік сигналдың сәйкесті ауытқуында енгізіледі де, осы мезетте триггерлердегі бұрынғы енгізілген разряд мәндері бір триггерден келесі триггерге ығысып отырады. Әрине, бүкіл сөзді енгізу үшін, оның қанша разряды болса, сонша тактілік сигнал қажет болады.
Параллель регистрдің триггерлерінің информациялық кірістеріне сөз разрядтарының мәндері қатар беріліп, олар регистрге жалғыз тактілік сигнал арқылы енгізіледі.
Сондай-ақ, регистрлерде
сияқты логикалық операцияларды орындап, ақпаратты разрядтардың берілген санына жылжытуға болады.
Жіктелуі:
1. жазу-оқу тәсілдері бойынша регистрлер мынадай түрлерге жіктеледі:
- тізбекті - тізбектей жазады және ақпаратты оқиды;
- параллельді - параллельді жазу, ақпаратты параллельді оқумен ерекшеленеді;
- тізбекті-параллельді - тізбекті жазумен және ақпаратты параллельді оқумен ерекшеленеді;
- параллельді-тізбекті - ақпаратты параллельді жазумен және тізбектей оқумен ерекшеленеді;
- әмбебап - параллельді және тізбекті жазумен және параллельді және тізбекті оқумен ерекшеленеді.
2. келіп түсетін және жіберілетін ақпараттардың фазалығы бойынша:
- бірфазалық - D-триггерлерде;
- жұпфазалық - RS және JK-триггерлерінде;
- аралас:
· бір фазалы енгізу, қосфазалы шығару;
· қосфазалы енгізу, бірфазалы шығару.
3. тактылау тәсілі бойынша:
- біртактылы - тактылық сигналдардың бір тізбегімен басқарылады;
- көптактылы - тактылық сигналдардың бірнеше тізбегімен басқарылады.
Сурет 1 - Параллельді регистр
3 - суретте JK-триггерлерге жүйелі ретті регистр сызбасы келтірілген.
Мұнда регистрдің кірісіне түскен ақпарат барлық синхрондалатын импульстердің бітуімен алдыңғы тригерден келесісіне беріледі(жылжытылады) .
Сурет 2 - JK-триггерлерге жүйелі ретті регистр сызбасы
Логикалық элементтер - логика алгебрасы ережелеріне сәйкес кіріс сигналдарымен қарапайым логикалық операцияларды (функцияларды) жүзеге асыратын электрондық құрылғылар. Осындай операцияларға логикалық қосу - '''дизъюнкция''' (“немесе”), көбейту - '''конъюнкция''' (“және”), терістеу - '''инвертирлеу''' (“емес”) жатады. Қарапайым Логикалық элементтердің шартты белгілері суретте көрсетілген. Ақпараттық сигналдар ретінде электр кернеуі немесе тогының дискреттік мәндері (деңгейлері) қолданылады.
0 - төмен деңгейге, 1 - жоғары деңгейге сәйкес келеді.
Логикалық элементтер функционалдық белгіленуі, ақпарат беру әдісі, сұлбатех. шешімі және пайдаланылатын электрондық құралдары бойынша ажыратылады. Күрделі Логикалық элементтер қарапайым операциялар орындайтын элементтерді біріктіру арқылы жасалады. Мысалы:
“немесе” - “емес”, “және - емес”, “немесе - және - емес”, т. б.
Құрылымдық түрде Логикалық элементтер жекеленген (дискретті) құраушылардан немесе интегралдық сұлба (ИС) түрінде [шала өткізгіш, гибридті, үлдірлі (пленкалы), т. б. ] орындалуы мүмкін. Қазіргі дербес компьютерлерде жоғары дәрежелі интеграциясы бар ИС-дағы Логикалық элементтер жүйелері қолданылады. Логикалық элементтер компьютерлердің, цифрлық автоматтардың элементтік негізін қалайды.
«ЖӘНЕ» элементі F=х 1 ·х 2 логикалық көбейту (коньюкция) амалын орындайды. Бұл «F айтымы дұрыс, егер х 1 және х 2 айтымдары дұрыс болса» деген ұғымды білдіреді. Басқаша айтқанда, «F бар егер х 1 және х 2 де бар болса. Шықпалық кернеу Rк-дан алынатындықтан, ондағы кернеу Т 1 және Т 2 транзисторлары ашық болғанда пайда болады. Ал транзистордың екеуі де ашық болуы үшін х 1 және х 2 кірмелерінің екеуіне де сигнал беру керек. Күй кестесінен көрініп тұрғандай, F=1, егер х 1 =1; және х 2 =1 болса. Басқа жағдайларды F =0 болады.
«НЕМЕСЕ» элементі F = х 1 + х 2 логикалық (дизьюнкция) амалын орындайды. Бұл «F бар айтымы дұрыс, егер х 1 айтымы дұрыс болса, х 2 айтымы дұрыс болса» деген ұғымды білдіреді. Басқаша айтқанда, F бар егер х 1 бар болса, немесе х 2 бар болса». «НЕМЕСЕ» элементті диодтардың көмегімен құрған тізбекте шықпалық кернеу кірмелерінің біріне кернеу берілсе, немесе екеуіне де кернеу берген жағдайды пайда болады. Тізбектің күй кестесінен көрініп тұрғандай F=1 егер х 1 =1; х 2 =1; немесе х =1; х =0; х =1; ал F =0; егер х 1 =0; х 2=1;
Сурет 3 - Логикалық элементтер
j блоктары ретінде, XOR элементтерінің негізінде құрылған және қосалқы сұлбалар (жабық блоктар) түрінде безендірілген қысқа импульс қалыптастырғыштарын пайдалануға болады . Бұл жағдайда Space ауыстырғышының жағдайын өзгерту арқылы сұлба шығысына қалыптастырылатын импульстердің үшжағдайлы элементтердің басқару кірісі бірлік жағдайдағысынан жіберілетініне көз жеткізуге болады.
Сурет 4 - импульс
Триггер екі орнықты қалып-күйінің біреуінде ғана болатын цифрлық техниканың элементі. Екілік жүйеде берілген ақпаратты сақтау үшін қолданылады. Триггердің RS, JK, Т, D, DV және т. б. түрлері болады;
оқиға мен программалық процесс арасындағы байланыс. Мысалы, триггерлер (қосылған, жалғастырылған процедуралар) - Visual FoxPro оқиғаларының қызметтік көрінісі. Олар кестедегі (мәліметтер базасындағы) жазбаларды көру, өзгерту немесе жою кезінде не болып жатқанын бақылауға мүмкіндік береді; екі тұрақты қалып-күйдегі электронды логикалық схема.
Сурет 5 - Т триггер
Санағыш - ЭЕМ функционалды түйіні, кірісіне келіп түскен сигналдар санын санауға және оны n-разрядты екілік код түрінде беруге арналған.
Санағыш санайтын максимальды сан N=2 n санау коэффициентін түзеді, мұндағы N - санағыш разрядтылы. Санағыштар біртактылы екісатылы Т-триггерлерінде құрылады.
Жіктелуі:
1. санау бағыты бойынша
- қосындылаушы;
- азайтушы;
- реверсивті;
2. санау жүйесі бойынша:
- екілік;
- екілік емес:
* екілік-ондық;
* еркін коэффициентті;
3. сигналдардың келіп түсу уақыты бойынша:
- асинхронды;
- синхронды;
4. разрядты тасымалды ұйымдастыру тәсілі бойынша:
- тізбекті тасымалды;
- параллель тасымалды;
- аралас тасымалды (топтап) ;
Сурет 6 - Тізбекті тасымалды қосындылаушы асинхронды екілік санағыш
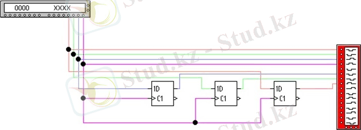
Практикалық бөлімӘмбебап регистр мәліметті параллель жазу кезіндегі сұлбасы. Әмбебап регистрді параллель жазу жағдайына қосы үшін [S] кілтін « 1 » қалпына қосу арқылы [С] кілтіндегі импульс беріп мәліметтер әмбебап регистрге жазылады.
- Іс жүргізу
- Автоматтандыру, Техника
- Алғашқы әскери дайындық
- Астрономия
- Ауыл шаруашылығы
- Банк ісі
- Бизнесті бағалау
- Биология
- Бухгалтерлік іс
- Валеология
- Ветеринария
- География
- Геология, Геофизика, Геодезия
- Дін
- Ет, сүт, шарап өнімдері
- Жалпы тарих
- Жер кадастрі, Жылжымайтын мүлік
- Журналистика
- Информатика
- Кеден ісі
- Маркетинг
- Математика, Геометрия
- Медицина
- Мемлекеттік басқару
- Менеджмент
- Мұнай, Газ
- Мұрағат ісі
- Мәдениеттану
- ОБЖ (Основы безопасности жизнедеятельности)
- Педагогика
- Полиграфия
- Психология
- Салық
- Саясаттану
- Сақтандыру
- Сертификаттау, стандарттау
- Социология, Демография
- Спорт
- Статистика
- Тілтану, Филология
- Тарихи тұлғалар
- Тау-кен ісі
- Транспорт
- Туризм
- Физика
- Философия
- Халықаралық қатынастар
- Химия
- Экология, Қоршаған ортаны қорғау
- Экономика
- Экономикалық география
- Электротехника
- Қазақстан тарихы
- Қаржы
- Құрылыс
- Құқық, Криминалистика
- Әдебиет
- Өнер, музыка
- Өнеркәсіп, Өндіріс
Қазақ тілінде жазылған рефераттар, курстық жұмыстар, дипломдық жұмыстар бойынша біздің қор #1 болып табылады.

Ақпарат
Қосымша
Email: info@stud.kz