Автотрансформаторлар және өлшеуіш


Автотрансформатор - трансформатордың бір түрі; бір немесе бірнеше ұшы бар жалғыз орамнан тұрады.
«Кернеу төмендеткіш» автотрансформаторда ену кернеуі (электр желісінің кернеуі) бүкіл орамға беріліп, шығу кернеуі (жүктеме) оның бір ғана бөлігінен (шығу көзі мен орамның шеткі бір тарамының аралығында) таратылады; ал «кернеу күшейткіш» автотрансформаторда желі орамның бір бөлігіне және жүктеме қуат орамға тұтас қосылады.
Реттеуге келмейтін қарапайым автотрансформаторлар кернеуді 127 В-тан 220 В-қа көбейтуге немесе керісінше, азайтуға пайдаланылады. Оны тоңазытқыш, шаңсорғышқа т. б. қосуға болады. Радиоқабылдағыш пен телевизорды қоректендіру үшін кернеулі сатылап немесе біртіндеп өзгертетін реттеуіші бар анағұрлым күрделі автотрансформаторлар қолданылады.
Қажетті кернеуге бақылау жасау үшін реттелетін , әдетте вольтметр, яғни реттеуіш тұтқасында көрсеткіші бар кернеу шкаласы болады. пайдалану кезінде, оның бүкіл орамы мен бөліктері электр желісіне қосылып тұратындықтан өткізгіш сымға және автотрансформатордың кернеулі көзіне қол тигізу қауіпті екендігін естен шығармаған жөн.
... жалғасыТақырыбы: Автотрансформаторлар және өлшеуіш
Трансформаторлар
Жоспар: 1. Автотрансформаторлар құрылысы
2. принциптік схемасы
3. Өлшеуіш трансформаторлар туралы түсінік.
Құрастыру тұрғысынан алып қарағанда автотрансформатор трансформаторға ұқсас, болаттан жасалған магниттік өткізгіштерде әртүрлі көлденең қиамлы өткізгіштерден жасалатын екі орамасы орналастырылады. Бір орамасының соңы екіншісінің басымен қосылады. Тізбектеп қосылған екі орама жоғарғы кернеудің ортақ орамасын құрады. Автотрансформатордың төмен кернеулі орамасы ретінде жоғары кернеу орамасының бөлігі болып табылатын екі орамасының бірі пайдаланылады. Сонымен, автотрансформатордың төмен және жоғары кернеу орамалары арасында тек магниттік байланыс емес, электрлік байланыс те бар.
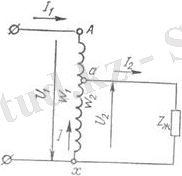
Төмендеткіш автотрансформатордың принциптік схемасы 7-суртте көрсетілген. Бірінші реттік (жоғары) кернеу орам саны w 1 бірінші реттік ораманың А-Х қысқышына беріледі. Екінші реттік орама а-Х бірінші реттік ораманың бір бөлігі болып табылады, оның орам саны w 2 .
![]()
7-сурет. Төмендеткіш автотрансформатордың принциптік схемасы
Бос жүріс кезінде І 1 = 0, бірінші реттік ораманың кедергілеріне түсетін кернеуді есепке алмасақ, бірінші және екінші реттік орамаларының ЭҚК-терінің тепе-теңдік теңдеулерін мына түрде жазуға болды: U 1 =E 1 =4, 44 w 1 fФ m ; U 2 =E 2 =4, 44 w 2 fФ m .
Егер екінші реттік орамасын қандай да бір энергия қабылдағышына тұйықтасақ, онда екінші реттік тізбекте І 2 тогы жүреді.
Энергия шығынын есепке алмасақ, желіден тұтынатын қуаты оның екінші реттік орамаға беретін қуатына тең деп қарауға болады, яғни P=U 1 I 1 = U 2 I 2 , бұл жерден I 1 I 2 =W 1 W 2 = 1/n.
Сонымен трансформаторлардың негізгі қатынастары автотрансформаторлар үшін де орындалады.
Ораманың жоғарғы және төменгі кернеулі желілерге ортақ а-х бөлігінде бір-біріне қарсы бағытталған екі І 1 және І 2 токтары фаза бойынша бір - бірінен 180° ығысқан деп қарауға болады, ораманың а-х бөлігіндегі І 12 тогы екінші және бірінші реттік желі токтарының арифметикалық айырымына тең, яғни І 12 -І 2 -І 1 =I(1-І/n) .
Төмендеткіш І 12 ток бағыты І 2 тогымен бағыттас болса, ал жоғарылатқыш ол- І 2 тогына қарама қарсы.
Бірдей пайдалы қуатты трансформаторлардан артықшылығы: материалдардың - орама материалдардың болаттың аз жұмсалуында, энергия шығынының аздығында, пайдалы әсер коэффициентінің жоғарылығында және жүктеме өзгеруіне байланысты кернеу өзгеруінің аздығында. Бірдей ток тығыздығында автотрансформатордың орамаларының өткізгіштерінің массасы трансформатордыкінен кіші болады. Бұл жағдай түсіндіріледі. Трансформаторлардың магниттік өткізгішінде екі орама бар - көлденең қимасы І 1 тогына есептелген, орам саны w 1 бірінші реттік орама және көлденең қимасы І 2 тогына есептелген, орам саны w 2 - екінші реттік орама. да екі орама бар, бірақ олардың бірі (А-а бөлігі) (w 1 - w 2 ) орам саны бар көлденең қимасы І 1 тогына есептелген өткізгіштерден, ал екіншісі (а-Х бөлігі) w 2 орам саны бар және орам өткізгіштернің көлденең қимасы І 2 -І 1 =I 12 тогына есептелген.
магниттік өткізгішінің болатының массасы және оның көлденең қимасы да трансформаторлардың магниттік өткізгішінің көлденең қимасынан және болат массасынан аз. Бұл мынаған байланысты: трансформаторда энергия бірінші реттік желіден екіншісіне орамалар арасындағы электромагниттік байланыс арқылы болатын магниттік жолмен беріледі.
энергияның бір бөлігі бірінші реттік желіден екіншісіне екі орама арасындағы электрлік байланыс арқылы, яғни электрлік жолмен беріледі. Бұл энергияны беру барысында магнит өрісі қатыспағандықтан, электромагниттік қуаты трансформаторға қарағанда кіші. Активтік жүктеме кезінде пайдалы қуаты Р 2 =U 2 I 2 . I 2 =I 1 +I 2 болғадықтан Р 2 =U 2 I 1 + U 2 I 12 = P 3 + P m , мұндағы P m - электрлік жолымен берілетін электрлік қуаты, бұл қуат мөлшері қажетті магниттік ағынды, магниттік өткізгішің көлденең қимасы мен массасының анықтайды және ол есептік қуаты немесе габариттік қуаты болып табылады.
Трансформатормен салыстырғанда елеулі кемшіліктері де бар: қысқа тұйықталу кедергісінің аздығы, қысқа тұйықталу еселігін арттырады: энергия көзі мен тұтынушы арасындағы электлік байланыс жоғары кернеудің төмен кернеулі желіге берілу мүмкіндігін тудырады. Энергия көзі мен энергия қабылдағыш желілері арасында электрлік байланыстың болуы, полюстарының бір ұшы жерге қосылған энегия қабылдағыштарда (түзеткіш құрылғылар) пайдалануға мүмкіндік бермейді.
Трансформация коэффициенті бірге жуықтаған сайын трансформация коэффициенттері үлкен емес (n=1¸2) қолданылады.
Үш фазалы желілерде, әдетте орамалары жұлдызша қосылатын, үш фазалы автотрансформаторлар пайдаланылады.
Өлшеуіш трансформаторлар кернеу трансформаторлары және ток трансформаторы деп екіге бөлінеді. Оларды айнымалы ток тізбектерінде өлшеуіш аспаптардың өлшеу шектерін кеңейту үшін және осы аспаптарды жоғары кернеулі ток өткізгіш бөліктерінен оқшауламалау үшін қолданады.
Кернеу трансформаторларының құрылысы бойынша кәдімгв кіші куатты трансформаторлар болып табылады. Мұндай трансформаторлардың бірінші реттік орамасы кернеуі өлшенетін не бақыланатын желінің екі еткізгіштік сымына жалғанады, екінші реттік орамаға вольтметр немесе ваттметрдің санағыштың параллель-жалғанатын орамаларын т. б. қосады. Кернеу трансформаторының трансформация коэффициентін бірінші реттік кернеудің нақтылы (номинал) мәнінде екінші реттік орамадағы кернеу 100в болатындай етіп таңдап алады.
Кернеу трансформаторының жұмыс тәртібі кадімгі-траксформатордың бос жүріс тәртібіне ұқсасе өйткені вольтметр немесе ваттметрдің, санағыштың т. с. с. параллель орамаларының кедергілері өте үлкен, сондыктан екінші реттік орама тогын елемеуге болады. Екінші реттік орамаға өлшеуіш аспаптарын кептеп косу орынсыз. Егер трансформатордың екінші реттік орамасына қосылған вольт-метрге және бір вольтметрді параллель жалғасақ немесе ваттметрдің, санағыштың т. с. с. параллель орамаларын коссақ, онда трансформатордың екінші реттік орамасының тогы көбейеді, ол екінші реттік орама қыскыштарында кернеу кемуіне алып келсді, . . бүл аспаптардың көрсету дәлдігін кемітеді.
Ток трансформаторлары айнымалы токты түрлендіруге арналады. Олар бірінші реттік тізбектен (желіден) нақтылы (номинал) үлкен ток өткен кезде екінші реттік орамадағы ток 5 А боларлык-тай етіп жасалынады. Ток трансформаторынын бірінші реттік орамасы тогы өлшенетін жүктемеге тізбектеп косылады: екінші реттік орама амперметрмен немесе ваттметрдің санағыштың т. с. с тізбектеліп қосылатын орамаларымен түйықталады, яғни кіші ке-дергісі бар өлшеуіш аспаптарға тізбектеп қосылады.
Ток трансформаторынын жұмыс жасау тәртібінің кәдімгі трансформатордың жүмысынан елеулі айырмашылығы бар.
Кәдімгі траксформаторда, берілген кернеу өзгермеген жағдайда, жүктеме шамасы өзгергенімен өзекшедегі магниттік ағын тұрақты күйінде калады. Егер
- Іс жүргізу
- Автоматтандыру, Техника
- Алғашқы әскери дайындық
- Астрономия
- Ауыл шаруашылығы
- Банк ісі
- Бизнесті бағалау
- Биология
- Бухгалтерлік іс
- Валеология
- Ветеринария
- География
- Геология, Геофизика, Геодезия
- Дін
- Ет, сүт, шарап өнімдері
- Жалпы тарих
- Жер кадастрі, Жылжымайтын мүлік
- Журналистика
- Информатика
- Кеден ісі
- Маркетинг
- Математика, Геометрия
- Медицина
- Мемлекеттік басқару
- Менеджмент
- Мұнай, Газ
- Мұрағат ісі
- Мәдениеттану
- ОБЖ (Основы безопасности жизнедеятельности)
- Педагогика
- Полиграфия
- Психология
- Салық
- Саясаттану
- Сақтандыру
- Сертификаттау, стандарттау
- Социология, Демография
- Спорт
- Статистика
- Тілтану, Филология
- Тарихи тұлғалар
- Тау-кен ісі
- Транспорт
- Туризм
- Физика
- Философия
- Халықаралық қатынастар
- Химия
- Экология, Қоршаған ортаны қорғау
- Экономика
- Экономикалық география
- Электротехника
- Қазақстан тарихы
- Қаржы
- Құрылыс
- Құқық, Криминалистика
- Әдебиет
- Өнер, музыка
- Өнеркәсіп, Өндіріс
Қазақ тілінде жазылған рефераттар, курстық жұмыстар, дипломдық жұмыстар бойынша біздің қор #1 болып табылады.

Ақпарат
Қосымша
Email: info@stud.kz