Гидростатикалық қысым


Гидростатикалық қысым
Гидростатика - гидравликаның негізгі бір бөлімі, ол сұйықтың тепе-теңдігі мен қатты дененің түгелімен немесе жартылай батқан кездегі жағдайын зерттейді. Тыныштықта тұрған сүйықтың жанама кұш кернеуі нольге тең болады да, оған нормалы күш-кернеу әсерін тигізеді (оның салмақ күші) . Гидростатиканың негізі болып, сол нүктедегі сұйықтың тыныштық жағдайындағы гидростатикалық қысымы есептелінеді де, P белгілейді. Егерде тыныштықтағы сұйықтың гидростатикалық қысымын P скалярлық шама деп атасақ, онда сол нүктедегі кернеу моделіне тең болады. Мысалы, қаралып отырған нүктедегі (сур. 1. 1, 1. 2) P=σ. Суреттеді қарапайым тамшыны алайық, оны ортасынан кесіп оған элементарлы нүктедегі көлемге Δ ω, өте кішкене күш әсерін тигізеді Δ P, онда гидростатикалық қысым сұйықтың сол нүктесінде:
P= ,
Немесе
P= , Δω→0
Онда, гидростатикалық қысым сол нүктеде ішкі күшке айналады.
Егер =constболғанда, тепе-теңдік жағдайындағы сұйықтың қай нүктесі болса да, сыртқы күштің әсерін былай табады:
P= ∫ (xdx+ydy-zdz),
Мұндағы: x, y, z, - сыртқы күштің тигізетін әсерінен белгілі координатадағы үдеу күшінің кескіні. Егер сұйық өзінің салмағымен тепе-теңдік жағдайында болса, оның үдеуі проекцияда өзінің салмақ күшіне тең: x=0, y=0, z=0, онда былай жазылады:
z=const, немесе + z=const,
А нүктесінің сұйық ішіндегі координаты, немесе су бетінен А нүктесіне дейінгі тереңдік қысымның бірлік энергиясы. Сұйықтың А нүктесіндегі салмақ күшінің әсерінен тепе-теңдік жағдайындағы гидростатикалық қысымы немесе гидростатиканың негізгі теңдеуі:
= + χh,
Мұндағы: - сырттан түсетін қысым; χh - артық қысымы; h - тереңдік өлшемі; формула 2. 5 тыныштықтағы тұрған сұйықтың, тепе-теңдік жағдайындағы қысымның тереңдігі артқан сайын, бөлініп таралу заңдылығын көрсететін гидростатиканың негізгі теңдеуі деп атайды.
Қысым өлшемдері: H/ ; кгс/ немесе 1кГс/ =1атм=98066, 5Н/ ; орташа қысым шамамен 1 H/ -килоньютонмен-КН/ , өте жоғары қысым-меганьютонмен-МН/ . Кейде мына өлшемде қолданылады 1 бар = Н/ .
Гидростатикалық қысымның қасиеттері
Гидростатикалық қысым - су бағанасының өз табанына тигізер әсерімен сипатталатын қысым; мөлшерлік көрсеткіші метрмен өлшенген су бағанасының биіктігімен немесеатмосфера бірлігімен өрнектеледі. [1] Синонимі - гидростатикалық арын.
Гидростатикалық қысым - тыныштықтағы сұйықтықтың берілген нүктесіндегі сығымдаушы тегеурін.
P = + χh, мұндағы - бастапқы гидростатикалық қысым деп аталатын сұйықтықтың бет қабатына түсірілетін қысым; xh{\displaystyle xh} - артық гидростатикалық қысым деп аталатын сұйықтықтың бір өлшемді салмағының сұйықтық қарастырылып отырған нүктесінің батырылу терендігіне көбейтіндісі.
Идеал сұйықтық гидростатикалық қысымы нақты, бірақ тұтқырлығы аз сұйықтықтарға да қолдануға болатын өзіне тән мынадай үш қасиетке ие:
1) Гидростатикалық қысым - оны қабылдайтын ауданға, сұйықтық көлемінің ішіне тікелей бағытталып әсер етеді;
2) сұйықтықтың кез келген нүктесіндегі гидростатикалық қысым әсер ететін ауданның орналасу бағытына тәуелсіз, яғни гидростатикалық қысым барлық бағытта бірдей әсер етеді. теңдігі гидростатикалық қысымның екінші қасиетін өрнектейді;
3) нүктедегі гидростатикалық қысым оның кеңістіктегі координаттарына тәуелді, өйткені нүктелердің бату тереңдігі артқан сайын оның қысымы өсіп отырады және бүған керісінше, батырылу терендігі азайған сайын - қысым кемиді.
Гидростатикалық қысымның үш қасиеті мына формуламен көрсетіледі: P = f (х, у, z) .
Сұйықтың тепе - теңдігінің дифференциалды теңдеуі
(Эйлер формуласы)
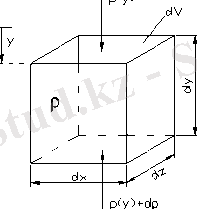
Тыныштық қалпындағы сұйық қысымның таралу заңын анықтау үшін, салыстырмалы тыныштықтағы сұйықтың жалпы тепе-теңдік жағдайын қарастырамыз. Ол тыныштықта тұрған сұйықтың ішіндегі шексіз, өте кішкене шамадағы параллелепипедті алып, оның қабырғаларын dx, dy, dz деп белгілеп алып, параллелепипедтің сыртқы қабырғасына түсетін сұйықтың әсерін гидростатикалық қысыммен алмастырамыз. Қаралып отырған параллелепипед мына сыртқы күштердің әсерінен тепе-теңдік жағдайда болады:
а) параллелепипедтің қабырғаларына перпендикуляр болып бағытталған айналадағы сұйықтың жазықтық күші деп аталатын қысым күші,
б) сұйықтың әр бөлшегіне әсер ететін масса немесе көлемдік күштер.
... жалғасы- Іс жүргізу
- Автоматтандыру, Техника
- Алғашқы әскери дайындық
- Астрономия
- Ауыл шаруашылығы
- Банк ісі
- Бизнесті бағалау
- Биология
- Бухгалтерлік іс
- Валеология
- Ветеринария
- География
- Геология, Геофизика, Геодезия
- Дін
- Ет, сүт, шарап өнімдері
- Жалпы тарих
- Жер кадастрі, Жылжымайтын мүлік
- Журналистика
- Информатика
- Кеден ісі
- Маркетинг
- Математика, Геометрия
- Медицина
- Мемлекеттік басқару
- Менеджмент
- Мұнай, Газ
- Мұрағат ісі
- Мәдениеттану
- ОБЖ (Основы безопасности жизнедеятельности)
- Педагогика
- Полиграфия
- Психология
- Салық
- Саясаттану
- Сақтандыру
- Сертификаттау, стандарттау
- Социология, Демография
- Спорт
- Статистика
- Тілтану, Филология
- Тарихи тұлғалар
- Тау-кен ісі
- Транспорт
- Туризм
- Физика
- Философия
- Халықаралық қатынастар
- Химия
- Экология, Қоршаған ортаны қорғау
- Экономика
- Экономикалық география
- Электротехника
- Қазақстан тарихы
- Қаржы
- Құрылыс
- Құқық, Криминалистика
- Әдебиет
- Өнер, музыка
- Өнеркәсіп, Өндіріс
Қазақ тілінде жазылған рефераттар, курстық жұмыстар, дипломдық жұмыстар бойынша біздің қор #1 болып табылады.

Ақпарат
Қосымша
Email: info@stud.kz