Ток релесі және оның қолданылу мақсаты


Ток релесі
Жоспар:
- Ток релесі және оның қолданылу мақсаты
- Ток релесінің конструкциясы
- Ток релесінің релеЭлектромагниттік релеЭлектрондық реле
- Қорытынды
- Пайдаланылған әдебиеттер
1. Ток релесі және оның қолданылу мақсаты
Ток релесі - бұл түскен электр тогы шамасының күрт өзгергенде қорек көзін тұтынушыдан немесе барлық электр көзінен өшіріп тастайтын құрал. Оның жұмыс істеу принципі сыртқы электр сигналдары мен олардың аспаптың жұмыс істеу параметрлерімен сәйкес келмеуін өзара салыстыруға негізделген. Бұл құралмен көбінесе электрқозғалтқыштары, күштік трансформаторлар және тағы да басқа өндірістік құралдар жабдықталынады.
Бұл құрылғы желінің белгілі бір бөлігінде ток мөлшерін бақылауға арналған. Егер белгіленген мән асып кетсе, PMT қосқышқа сигнал бере отырып, схеманы ажыратады немесе сигнализация панелін қосады.
1-сурет. Электрқозғалтқышын максималды ток релесінің көмегімен қорғау сұлбасы.
Әрбір элемент: релелік қорғаныс, стартер, контроллерлер, қозғалтқыштар, электр желісіндегі трансформаторлар барынша рұқсат етілген токқа ие. Электр сөндіргіштердің немесе сақтандырғыштардың орнына максималды ток релесінің қолданылуы селективтілігіне байланысты. Бұл жағдайда тізбектің белгілі бір бөлігін басқасына әсер етпестен ажыратуға болады.
2-сурет. Ток релесі.
2. Ток релесінің конструкциясы
Ток релесі келесі элементтерден тұрады: байланыс бұрандалары, серіппе, көпір контактісі, блок-контакт, магнитөткізгіш, катушка, бекітетін бұранда және трубка.
3-сурет. Ток релесінің конструкциясы.
3. Ток релесінің классификациясы
Өз кезегінде, құрылғы бірнеше өлшеу түрлеріне бөлінеді: бастапқы(первичное) және екінші(вторичное) . Бірінші түрі құрылғыға тікелей шығу арқылы қосылады. Бұл байланыс 1000 вольтке дейінгі желілерде кең таралған.
Екінші түрі PMT. Ол бастапқы токка тура пропорционал екінші(вторичный) токты өлшей отырып, ток трансформаторы арқылы қосылады. Құрылғының бұл типі жоғары вольтті желелерде қолданылады.
4-сурет. Максималды ток релесі.
Өз кезегінде екінші ток релесі индукциялық, электромагниттік, дифференциальдық және электрондық болып бөлінеді. Дифференциалдық реленің жұмыс істеу принципі ток ағынын тұтынушыға дейін және одан кейінгі салыстыру болып табылады. Қалыпты жағдайда бұл мән бірдей болуы керек. Параметрлер әртүрлі болса (мысалы, қысқа тұйықталу жағдайында), PMT контактілерді жауып, ақаулы желі желіден ажыратылады.
3. 1 Индукциялық реле
Индукциялық реле белгілі бір өткізгіштегі индукциялық ток пен айнысалы магнит ағынның өзара әрекеттесуіне негізделген. Сондықтан, олар тек электр энергиясына арналған қорғау релесі ретінде айнымалы токқа қолданылады. Әдетте, бұл жанама әсердің қайталама релесі.
5-сурет. Индукциялық реле.
Индукциялық реленің қолданыста 3 түрі бар: рамкалы реле, дискілі реле, стаканды реле.
Рамкалы индукциялық реледе магнит ағыны фаза бойынша ығысқан рамка түрінде орналасқан екінші магнит ағыны өрісінде қысқа тұйықталған орамада токты индукциялайды. Бұл реле өте сезімтал және басқа индукциялық релелермен салыстырғанда шапшаң. Бір кемшілігі болып оның айналу моментінің төмендігі болып табылады.
Дисклі индукциялық реле өте кең тараған. Бұл реленің конструкциясы өте қарапайым және қозғалмалы бөлігінің айналуы үлкен.
Стаканды индукциялық реленің қозғалмалы бөлігі стақан тәріздес болып келеді. Ол екі ағынды төртполюсті магниттік жүйеде айналады. Ф1 және Ф2 ағындары жаықтықта 90° бұрышта орналасқан, ал уақыт бойынша γ бұрышқа ығысқан.
Стақан ішінде магниттік кедергіні кеміту мақсатында болат цилиндр орналасқан. Бұл дискілі релеге қарағанда қиынырақ, бірақ әрекет ету уақыты 0, 02 с дейін. Бұл оның кең қолданыс табуына себеп болды.
6-сурет. Индукциялық реле түрлері. а) рамкалы; б) дисклі; в) стақанды.
3. 2 Электромагниттік реле
Электромагниттік релелерде контактты ауыстыру ферромагниттік арматураны электромагнитке тартудың электромеханикалық күшінің әсерінен туындайды.
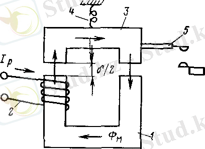
7-суретте электромагниттік реленің схематикасы көрсетілген. Магнит өзекшеде катушка орналасқан. Одан аққан Ip тогы келесі контур бойынша тұйықталатын Фм магнит ағынын туғызады: магнит өзекше, ауа саңылаулары, якорь. Күштің магнит сызықтары бағыты белгілі ережелермен анықталады. Токтың кез келген бағытында магнит өзекше мен якорь әраттас магниттер сияқты екенін көруге болады. Суретте күштің магниттік сызықтары магнит өзекшеде оң полюстан солға бағытталған болса, ал якорьде - керісінше. Сондықтан якорь мен магнит өзекше арасында тартылыс күші пайда болады. Белгілі бір ток шамасында, бұл күш серіппенің кері тартылыс күшін басып озады. Сонда якорь магнит өзекшеге тартылып, контактты тұйықтайды. Контактіні ашу және релені бастапқы күйге қайтару ток бастапқы ток деңгейіне дейін төмендеген кезде пайда болады. Бұл ток шамасында тартылыс күші серіппенің күшінен аз болады. Магнит ағыны магниттік тізбек үшін Ом заңы деп аталып кеткен формуламен анықталады.
7-сурет. Электромагниттік реле қондырғысы.
3. 3 Электрондық реле
Электрондық реле бірден өшірілетін немесе ток шамадан көп болып кептеліп қалғанда қондырғыларда қолданылады. Көптеген автоматты ажыратқыштарға тән қасиет: ток екі рет шамадан тыс жүктелгенде тұтынушы бірнеше ондаған секундтан кейін ғана өшеді. Көп жағдайда бұл қондырғының істен шығуына алып келеді. Электрондық сақтандырғышты пайдаланған кезде пайдаланушы жүктемені шектеу үшін максималды рұқсат етілген ток пен қажетті кідірту уақытын белгілей алады. Айта кету керек, құрылғы қосылғанда (жабдықты іске қосу), ток ағынын бақылау функциясы біраз уақытқа өшеді, сондықтан «бастау»(пусковые) тогы жалған өшіруге әкелмейді. Қондырғының кейбір қасиеттері тапсырыс берушінің талабы бойынша өзгертілуі мүмкін.
Приборды қосу үшін төмендегі суреттегідей байланыс жасаңыз.
8-сурет. Электрондық реле. Басқару тетіктерім мен контакттылар.
Реттегішті максималды рұқсат етілген ток мәніне қойып, қажетті қорғаныс уақытын орнатыңыз және құрылғыға қорек кернеуін беріңіз. Осыдан кейін құрылғының кіріктірілген релесі қосылып, жүктеме электр желісіне қосылады. Бұл күй «Сеть» және «Реле» светодиодтарының жануымен көрсетіледі.
Бұрылу ағындарына байланысты жалған дабылдарды болдырмау үшін ағымдағы өлшеу функциясы алғашқы 15 секунд ішінде өшіріледі.
Кейінірек, егер жүктеме арқылы ағып жатқан ток ең жоғары рұқсат етілгеннен асып кетсе, жүктеме өшірілгенше уақыт есептеле бастайды. Бұл жағдайды «ОТСЧЕТ» светодиодының белгі беруінен көре аламыз. Есептеу аяқталған соң, жүктеме өшіріледі де «Реле» светодиоды жанады. Төтенше жағдайда өшіргеннен кейін жүктемені қосу, қорек көзі өшірілгеннен кейін ғана қайтадан қосылады. Күту уақытын орнату құрылғыны желіден ажыратпай жұмыс істеп тұрғанда мүмкін болады.
Жұмыс тогының нақты шамасы белгісіз болса, онда құрылғы
... жалғасы- Іс жүргізу
- Автоматтандыру, Техника
- Алғашқы әскери дайындық
- Астрономия
- Ауыл шаруашылығы
- Банк ісі
- Бизнесті бағалау
- Биология
- Бухгалтерлік іс
- Валеология
- Ветеринария
- География
- Геология, Геофизика, Геодезия
- Дін
- Ет, сүт, шарап өнімдері
- Жалпы тарих
- Жер кадастрі, Жылжымайтын мүлік
- Журналистика
- Информатика
- Кеден ісі
- Маркетинг
- Математика, Геометрия
- Медицина
- Мемлекеттік басқару
- Менеджмент
- Мұнай, Газ
- Мұрағат ісі
- Мәдениеттану
- ОБЖ (Основы безопасности жизнедеятельности)
- Педагогика
- Полиграфия
- Психология
- Салық
- Саясаттану
- Сақтандыру
- Сертификаттау, стандарттау
- Социология, Демография
- Спорт
- Статистика
- Тілтану, Филология
- Тарихи тұлғалар
- Тау-кен ісі
- Транспорт
- Туризм
- Физика
- Философия
- Халықаралық қатынастар
- Химия
- Экология, Қоршаған ортаны қорғау
- Экономика
- Экономикалық география
- Электротехника
- Қазақстан тарихы
- Қаржы
- Құрылыс
- Құқық, Криминалистика
- Әдебиет
- Өнер, музыка
- Өнеркәсіп, Өндіріс
Қазақ тілінде жазылған рефераттар, курстық жұмыстар, дипломдық жұмыстар бойынша біздің қор #1 болып табылады.

Ақпарат
Қосымша
Email: info@stud.kz