ЭТТҚ-АВҚ қондырғысының сипаттамасы


Мазмұны
Кіріспе . . .
1 ЭТТҚ-АВҚ қондырғысының сипаттамасы . . .
1. 2 Шикізаты және түзілетін өнімдер . . .
2. Мұнайды тұзсыздандандыру, сусыздандыру . . .
2. 1 Мұнай эмульсиясын бұзу әдістері . . .
2. 2 ЭТТҚ-АВҚ сызба сипаттамасы . . .
2. 3 Технологиялық режим нормалары . . .
2. 4 Электродегидраторды таңдау негізі . . .
3. Есептік бөлім . . .
3. 1 Материалдық баланс . . .
3. 2Жылулық баланс . . .
4. Еңбекті қорғау және өрт қауіпсіздік шаралары . . .
5. Қоршаған ортаны қорғау шаралары . . .
Қорытынды . . .
Қолданылған әдебиеттер . . .
Кіріспе
Қазіргі нарықтық жағдайдағы кәсіпорындардың бәсекелесуіндегі мәселелер шығарылатын өнімнің сапасының жоғары болуымен тікелей байланысты. Отын-энергетика саласындағы кәсіпорындар үшін инновациялық стратегияны дамыту - аз шығындалып, мақсатты өнім шығымын арттыру, ХТП қарқындандыру арқылы өнімнің неғұрлым сапалы түрлерін алу жолында жаңа технологияны ойлап табу және енгізу болып табылады. Қолданыстағы қондырғылардан алынатын өнім сапасын және өндіріс әсерін айтарлықтай арттыруға көмірсутекті шикізаттарға дәстүрлі емес әдістермен, әсіресе арасындағы айрықша әмбебап, әсерлі және техникалық жағынан қарағанда күрделі емес болып табылатын магнитті өңдеу қолдану арқылы жол табуға болады.
Көмірсутек шикізатын қайта өңдеу процестерінде магнит өрісін қолдану жақын аралықта қолға алынды. Бұл аймақтағы зерттеулер көп емес, магнит өрісін қолдану әдістерінің бір-бірінен айырмашылығы бар, ал алынған нәтижелер көбінесе салыстырылатындық емес. Соған қарамастан, магнит өрісін қолдануда көмірсутекті шикізаттарды қайта өңдеуде пайдаланудың қарапайымдылығы, реагенттерді қолданбауы, экологиялық таза және жедел шығын орнының өтелуі сияқты жағымды жақтары мұнай технологиялық процестердің қарқындануына жаңа мүмкіндіктер ашады. Халық шаруашылығын дамытудағы басты мәселелердің бірі - еліміздің отын және энергия қажеттілігін қамтамасыз ету болып табылады. Энергетикалық ресурстар өндірісі құрылымында табиғи газ және мұнай өндіру үлесі күн санап қысқаруда. Мұндай жағдайда халық шаруашылығында мұнай қолданысының тиімділігін арттырудың негізгі факторы ретінде мұнай қайта өңдеу саласының басты мақсаты қайта өңдеуді тереңдету болып табылады. Есептеулер бойынша, мұнайды қайта өңдеу тереңдігін қазіргі деңгейге қарағанда 1, 2-1, 4 есе арттырсақ, мұнай шығынын 20-35%-ға кемітуге болады.
Мұндай міндеттің шешімін термокаталитикалық процестерді кеңінен қолдану негізінде мұнайды терең қайта өңдеудің икемді технологиялық жүйелерін дайындау арқылы табуға болады. Қайта өңдеуге түсетін мұнайдың құрамында хлоридтердің және судың болуы құрылғыны хлорсутекті коррозияға душар етеді, құрылғылардың ұзақ уақытқа тұрып қалуына, екіншілік процестерде қолданылатын қымбат катализаторлардың қызмет мерзімінің қысқаруына және тауарлық мұнай өнімдерінің сапасының нашарлауына әкеледі. Мұнай құрамында қабатталған судың болуы оның құбыр өткізгіштерде тасымалдануын қымбаттатады. Судың мөлшері көп болған сайын оны буландыруға және конденсациялауға жұмсалатын энергошығын артады (бензинге қарағанда 5 есе артық) . Тасымалдау шығыны сонымен қатар қабат суымен эмульсия түзетін мұнай тұтқырлығының артуымен де түсіндіріледі.
Мұнайдағы механикалық қалдықтар су көпіршіктеріне адсорбцияланып, мұнай эмульсияларының тұрақты болуына әрекет жасайды. Тұрақты эмульсиялардың түзілуі сусыздандыру және тұзсыздандыру процестерінде пайдалану шығынын арттырады, сонымен қатар қоршаған ортаға зиянды әсерін тигізеді, өйткені қабат суын бөлгенде мұнайдың аз бөлігі эмульсия түрінде сумен бірге лақтырылады да, ағызынды суды ластайды. Механикалық қоспалардың артық мөлшерінде құбырлардың тозуы күшейіп, аппараттарда қабаттар түзіліп, ол жылу беру коэффициентін және құрылғылардың өнімділігін төмендетеді. Сусыздандыру және тұзсыздандыру процестерін тереңдетуге бағытталған зерттеулерде мұнайды тұщы сумен шаймалау айтарлықтай орын алады. Шаймалаудың рационалды схемасын қолдану - шаятын судың шығынын кемітеді, демек, канализацияға түсетін судың да мөлшерін азайтады.
Мұнай - сыртқы көрінісі бойынша май тәрізді сұйықтық. Мұнайдың түсі ондағы шайыр заттарының мөлшеріне және құрылымына байланысты: қара, қызғылт, бурыл, ашықтау түсті және тіптен түссізі де белгілі. Мұнай судан жеңіл және онда іс жүзінде ерімейді. Оның тұтқырлығы оның құрамына байланысты, бірақ барлық жағдайда судың тұтқырлығынан жоғары. Мұнай - жанғыш зат, оның жану жылуы пайдалы қазбаларға қарағанда (көмір, торф) жоғары. Ол шамамен 42 МДж/кг құрайды. Мұнайдың қатты жанғыш қазбалардан айырмашылығы: күлі аз болады. Мұнайдың орысша атауы нефть - ол нафат деген, ағын жиналушы, ағын шығушы мәнін беретін парсы сөзінен шыққан. Мұнайдың түзілуін анықтау қазіргі ғылымның ең күрделң проблемасы болып табылады. Геологтер мен химиктердің басым көпшілігі мұнайдың түзілуінің органикалық теориясын жақтайды, бірақ кейбір ғалымдар мұнайдың бейорганикалық заттардың әр түрлі химиялық өзгерісінің нәтижесінде табиғатта абиогенді тәсілмен түзілуін жақтайды. Мұнайдың бейорганикалық түзілу теориясын алғашқылардың бірі болып Д. И. Менделеев 1877 жылы ұсынды. Оның жорамалы бойынша, мұнай көмірсутектері жер астында металл карбидтердің сумен әрекеттесуі нәтижесінде түзіледі. Бірақ мұнай құрамындағы көптеген әр түрлі құрылымды көмірсутектердің пайда болуын карбид теориясымен түсіндіру мүмкін емес.
Мұнай түзілу - өте күрделі, көп сатылы және көп уақыт жүретін химиялық процесс. Мұнайдың дүниежүзілік барланған қоры - 306млрд. тонна, оның 95млрд. тоннасы - өндірістік өндірілетіні. Мұнай кен орындарының дүниежүзілік елдерде және аймақтарда орналасуы біркелкі емес. Жер шарында барлығы 10мың мұнай және газ кен орындары бар. Оның ішінде 1500 мұнай және 400-ден астам кен орындары біздің елде ашылған. Мұнайды өндіру басқа жанғыш қазбаларға қарағанда жеңіл. Оны тасымалдау құбырмен іске асырылады және оны қарапайым өңдеп, әр түрлі бағытта пайдаланатын өте көп өнімдер алады. Кез-келген мемлекет экономикасы мұнайға көбірек байланысты.
- ЭТТҚ-АВҚ қондырғысының сипаттамасы
Тұзсыздандыру қондырғысының негізгі аппараты жоғары кернеулі өзгермелі ток жүргізілген электрдегидраторлар болып табылады. Зауыттағы және өнеркәсіптегі ЭТТҚ қондырғысында конструкциясы әр түрлі электрдегидраторлар қолданылады. Олар: шарлы, вертикальді, горизантальді электрдегидраторлар.
Вертикальді электрдегидраторлар-диаметр 3 м, биіктігі- 5 м және көлемі -30 м³ болатын цилиндрлі ыдыс. Ішінде фарфорлы изоляторларға ілінген металды пластиналар-электродтар болады. Ток әрқайсысының қуаттылығы 5 кВА (киловатт ампер) екі трансформатордың электродтарына беріледі. Электродтар арасындағы кернеу 15-33 кВ-қа дейін.
Шикізат электродтарға аппарат трубасының осіне вертикальді қондырылған штуцер арқылы беріледі. Өңделген мұнай электрдегидратордың жоғарысынан, ал тұндырылған су төменінен кетеді.
Вертикальді электрдегидратордың кемшілігіне аз өнімділігі, тұздау температурасының жеткіліксіздігі жатады. ЭТТҚ қондырғысыда өнімділігі төмен болгандықтан, параллельді 6-12 аппарат жалғастырылған. 1955-70 жылдары құрылған қуатты электртұзсыздандырушы қондырғыларда сыйымдылығы 600 м³ және диаметрі 10, 5 м шарлы электрдегидраторлар қондырылады.
Мұнай дегидратордың тиімділігі сағатына 300-500 м³, жұмыс принципі вертикальді ЭТТҚ-мен бірдей, бірақ шикізат енгізетін жері және электрод жұптары үшеуден . Шарлы дегидраторлардың өнімділігі 10-15 есе жоғары, бірақ бұлардың дауысы қатты және дайындалуы қиын. Сонымен қатар, бұлар жоғары қысымда жұмыс жасай алмайды, қысымы жоғарылату үшін аппаратқа көп металл шығындалады. Соңғы жылдары біздің елімізде ең көп тарағаны-горизонтальді ЭТТҚ. Бұл ЭТТҚ-ның жұмыс қысым 18 атм. және процесс температурасы 140-160 °С. Горизонтальді ЭТТҚ-ның диаметрі 3-4 м және көлемі 80-160 м³-ке дейін. Бұларда температураны және қысымжы көтеру үлкен роль ойнайды, ол ауыр тұзсызданатын мұнайларды терең тұзсыздандырады және сусыздандырады. Горизонтальді ЭТТҚ-дағы электродтар аппараттың ортасында орналасады.
Олар бір-біріне горизонтальді ілінген, ара қашықтықтары 25-40см. Горизонтальді ЭТТҚ-ға шикізатты енгізу аппаратта көлденең орналасқан горизонтальді моточник арқылы іске асады. Мұнай аппаратқа тускеннен кейін тұндырылған су қабаттына барады, содан кейін электрод асты зонасына келеді. Одан электрод аралық кеңістікке, соңынан электрод үсті зонасына барады. Дегидратордың жоғары бөлігінде өңделген мұнайды шығаратын коллекторлар болады. Бұл конструкцияның жетістігі: мұнай қозғалысының және мұнайдың аппаратта бөлу уақыты мен жолының ұзақтығында. Себебі, бұларда шикізат енгізіетін жер төмен орналасқан, бұл судың тұну жағдайын жақсартады. Сонымен қатар, горизонтальді ЭТТҚ-да судың ірі тамшылары қатты электр зонасына қорықпай-ақ су мөлшері көп мұнайларды өңдей беруге болады. Шарлыға қарағанда меншікті өнімділігі 2, 6 есе көп, ал меншікті металл шығыны 2, 5есе аз.
Электртұзсыздандыру қондырғысында жұмыс жасайтын жұмысшыларға электр тогы оғары аппаратттармен жұмыс жасауға тура келеді. Бұл ЭТТҚ қондырғысының қауіптілігін күшейтеді. Электродегидратордың трансформатор жңне реактивті катушкалар орналасқан жоғарғы бөлігінде торлы қоршаулар болады. ЭТТҚ-дың жоғарысында көтерілетін баспалдақта, баспалдақтың есігі ашылғанда электр тогын сөндіретін блогты құрылғы болады. Аппараттардың әрқайсысында электродегидратордағы мұнай деңгейі төмендегенде кернеуді сөндіретін құрылғы болады. Электродегидратордың ішінде және жоғарысында орналасқан құрал-жабдықтарды жөндеу үшін кернеуді сөндіру керек. Дегидратор тұрған мекенді мұкият желдету керек. Трансформатор кернеуінің жоғары жағына ток келмеуін бақылау керек.
1. 2 Шикізаты және түзілетін өнімдер
Мұнай, айтып өткеніміздей, бір-бірінде өзара еритін көмірсутектердің күрделі қоспасы. Олардың аяғына дейін жеке көмірсутектерге бөлу мүмкін емес, бұл өнеркәсіпте мұнай өнімдерін қолдануда талап етілмейді де. Мұнай өнеркәсібінде мұнайды қайнау температурасы бойынша айдау қондырғысында дистилляция және ректификация процестері қолданылады. Алынған фракциялар одан әрі өңдеуге шикізат ретінде немесе тауарлы өнім ретінде қолданылады.
Біріншілік айдау - мұнай өңдеудің бірінші технологиялық процесі. Дистилляция дегеніміз - бір-бірінде өзара еритін сұйықтардың қайнау температурасы бойынша ерекшеленетін фракцияларға бөлінуі. Қоспаны айдағанда ол қайнатуға дейін қыздырылады және біртіндеп буландырылады. Алынған булар конденсацияланады. Айдау нәтижесінде құрамы бойынша ерекшеленетін дистиллят және қалдық алынады. Айдау бір рет, бірнеше рет және қайтадан буландыру арқылы өтеді. Бір рет буландыру кезінде өнім қоспаларын соңғы температураға дейін қыздырғанда түзілген булар жүйеден шығарылмайды және сұйықтықпен байланысиа қалады. Жылу берілу тоқтағаннан кейін барлық бу-сұйықты қоспа сепараторға шығарылады. Мұнда түзілген булар бір мезгілде сұйықтан бөлінеді. Көп рет буландыруда фазаларды бөлу процесі бірнеше сатыда өтеді. Көп рет буландыру бір рет буландыру процесін бірнеше рет қайталаудан тұрады. Бірінші буды сұйықтан бөледі, содан соң екінші сатыда буды бөлгеннен кейін қалған сұйық қайтадан буландырылады. Бір рет буландыру түзілген бойда аппараттан шығарылады. Біртіндеп буландыру лабороторияда мұнайды колбада айдағанда қолданылады. Бір рет буландыру біртіндеп буландыруға қарағанда тиімді. Бір рет буландыруда қайнауы төмен фракциялар буғу айналғаннан кейін аппаратта қалады. Қайнау жоғары фракциялардың парциальды қысымын төмендетеді, ал бұл айдаудың біршама төмен температурада өтуіне мүмкіндік береді (50-100 °С-ге төмендейді) . Қазіргі қондырғылардағы мұнайды айдау бір рет буландыруды қолданып жүргізіледі. Өте жоғары температурада көмірсутектер крекинг көмірсутектердің ыдырату процесі басталады. Мұны болдырмау үшін
олардың қайнау температураларын төмендету керек. Бұл мұнайды вакуум отында айдау арқылы іске асады. Атмосфералық қысымда 450-500 °С -де айдалатын фракция вакуум астында 200-250 °С-де айдалады. Сол сияқты температураны төмендету үшін қазіргі қондырғыларда төмен қысым және су буын енгізу қолданылады.
Бір рет буландыруда өзара еритін сұйықтардан және олардың буларының екі фракциясын алады: жеңіл, яғни қайнау төмен фракциялары көп және ауыр, сәйкесінше шикізатқа қарағанда қайнауы жоғары фракциялары көп. Айдау арқылы мұнайдың керекті компоненттерін және соңғы өнімдерін алу мүмкін емес. Сондықтан бір рет буландырудан кейін мұнай булары ректификацияға жіберіледі. Ректификация дегеніміз - бу мен сұйықтың қайта-қайта қарсы топтв байланысуы нәтижесінде, сұйықтардың бір-бірінен қайнау температуралары бойынша бөліну процесі. Бу және сұйықтардың байланысуы вертикальді цилиндрлі аппарат ректификациялық бағанада өтеді. Ол жоғары қарай көтеріліп жатқан бумен, төмен ағып жатқан сұйықтың арасында тығыз байланыс туғызатын тарелкалармен және қондырмалармен жабдықталған бағананың бөлігінде бу, сұйықтың немесе бу-сұйықты қоспа ретінде шикізат беріледі. Ол кайнау жоғары және қайнауы төмен екі бөлікке бөлінеді, бірақ көбіне шикізат көп компонентті қоспа болып келеді.
Шикізат берілетін зона эвопарационды деп аталады, себебі онда эвопарация-пеште немесе жылу алмастырғышта қыздырылған сұйық немесе булы фазаның бір рет буландыруы жүреді. Ректификациялы бағанада әр тарелкадан кейін 4 ағын өтеді:
1. Сұйықтық-флегма, жоғары жатқан тарелкадан көтеріледі;
2. Булар, төмен жатқан тарелкадан көтеріледі;
3. Сұйықтық-флегма, төмен тарелкаға түседі;
4. Булар, жоғары тарелкаға туседі.
Шикізат енгізуден жоғары орналасқан ректификациялық бағана бөлігі концентрациялы, ал төменгі айдау деп аталады. Концентрациялы бөліктің жоғарысынан бу фазасына керекті өнім ректификат шығарылады. Айдау төменгі әлі де қайнауы төмен компоненттермен байытылған сұйықтық шығарылады. Айдау бөлігінде қайнау төмен компоненттер аяғына дейін буландырылады. Бұл бөліктің төменінен екінші компонент - қалдық шығарылыды.
- Мұнайды тұзсыздандандыру, сусыздандыру
Мұнай құрамындағы пласт сулары мен судың құрамындағы еріген күйдегі тұздар тек қана қажетсіз қоспа ғана емес, сонымен қоса ол қондырғының коррозиясын туғызып қана қоймай, мұнайды шикізаттың сапасын төмендетеді. Мысалы: құрамында тұздары бар мұнай зауытының қондырғыларының қызмет ету мерзімі 10 мг/л 2 есе азаяды. Мұнай құрамында тұздардың жоғары мөлшері мұнай зауыттық қондырғы жұмысының жүруіне кедергі жасап, тұзды тұнбалардың тізілуіне әкеледі, қатты коррозия және мұнай өңдеу кезінде қолданылатын катализаторлармен сулануға соқтырады. Сол себепті осы процесті мұнай өңдеу алдында жүргізу керек. Сусыздандыру процесін де келесі себептерге байланысты өткізу керек. Мұнай құрамында аз ғана судың мол мөлшерінің болуы мұнайды тасымалдауды қиындатады. Экономикалық қымбаттаушылыққа әкеледі.
Тасымалдауға кететін жалпы шығындардың өсуі суды тасымалдау ғана байланысты емес, сонымен қоса сумен эмульсия түзетін мұнайдың тұтқырлығының жоғарылауымен байланысты. Мұнай құрамында 20%-тен астам эмульгерленген судың болуы мұнай тұтқырлығының жоғары мәнге ие болуына әкеліп қана қоймай, мұнайды құбырлар бойымен тасымалдауды айтарлықтай қиындатады. Мұнай мен судан құралатын тұрақты эмульсияларды түзу мұнайдың жоғары шығындарына әкеледі, себебі тұндырғыштарда мұнайдан суды бөлуге мұнай судан эмульсия күйінде бөлінеді.
Тұзсыздандыру және сусыздандыру әдістері
Өнеркәсіпте мұнай эмульсияларын бұзудың әдістері келесідей:
- негізгі механикалық (араластыру үштрифугирлеу) ;
- факторлардың әсеріне тәуелді қолданылады;
- термиялық (атмосфералық немесе жоғары қысымда қыздыру және тұндыру) ;
- электрлік (электр тогы әсерінен өңдеу) ;
- химиялық (деэмульгаторлармен өңдеу) ;
Центрифугирлеу, фильтрлеу әдістері қондырғылардың күрделі болуымен бағасының қымбат болуына байланысты аса кең қолданыс таппаған. Сонымен қоса бұл әдістердің өнімділіктері де төмен. Электрлік тұзсыздандыру және сусыздандыру. Жоғарыда айтылғандай мұнай эмульсиясымен электр тогындаөңдеу - бұл эмульсия бұзудың ең тиімді әдістерінің бірі эмульсияда. Дисперстенген бөлшектердің бетінде 2 электрлік қабат болады.
Тамшылардың беткі қабаты бір таңбалы, иондарды таңдамалы түрде адсорбирлеу қабілетіне ие, нәтижесінде эмульсия тамшыларының бетінде электр заряды туындайды. Тепе-теңдік жағдайда эмульсия электрленеді, яғни су тамшыларының бетіндегі зарядтар тез теңдікке келеді. Су тамшыларының бетіндегі зарядтар бұл тамшылардың бірігуіне кедергі жасайды, себебі қарама-қарсы зарядталған тамшылары бір-бірлерін итереді. Су глобулаларының арасындағы тұрақты электр тогының әсерінен электр күштері туындайды. Егер, сусыз мұнайды жоғары кернеуде орналасқан екі электр арасына орналастырса, онда күштің сызықтары параллель электр полюсі түзіледі. Егер, электрді мұнай эмульсияларына салса, онда полюстің біртектілігі бұзылады. Күштің, сызықтардың бағыты өзгереді. Электр тогы әсерінен су тамшылары поляризацияға ұшырайды: электр зарядтары тамшының шеткі бөлігінде орын ауыстырады. Мұнайды электр тогы әсерінен сусыздандыру және тұзсыздандыру арнайы электродегидраторлар деп аталатын аппараттарда өткізеді.
Ұңғыдан жаңа шығарылған мұнайға деэмульгатор енгізу тұзсыздандыруды одан әрі тереңдетуге мүмкіндік береді. Әдетте мұнай ЭТТҚ-ға термохимиялық тұдырғыштарда өңдеуден кейін түседі. Мұнда пласт суының негізгі бөлігі бөлінеді. мұнай 3-7% жуғыш су және 0, 05% сілтімен беріледі. Сілті бейтарап немесе сілтілік орта туғызу үшін қажет, себебі бұл эмульсия бөлуді тездетеді және аппараттардың коррозиясын төмендетеді.
2. 1 Мұнай эмульсиясын бұзу әдістері
Мұнай эмульсияларын бұзу тетігі бірнеше сатыдан тұрады: 1) су глобулдарының қақтығысуы; 2) глобулдарының үлкендеу тамшыларға бірігуі; 3) тамшылардың тұнуы.
Эмульсияны бұзу үшін өндірістік тәжірибеде мынадай әдістерді қолданады: 1) механикалық; 2) термиялық; 3) химиялық; 4) электр тогымен әсер ету.
Механикалық әдістерге тұтыну, центрифугирлеу және сүзу жатады. Тұтану процесін мұнайдың кен орнын жинау жүйесінде, шикізат резервуарларында судың негізгі бөлігін бөлу үшін пайдаланады. Сүзу және центрифугирлеу әдістертері іс жүзінде қолданылмайды.
Термиялық әдіс жылу пайдалануға негізделген. Эмульсияны қыздырғанда эмульгатордың жұқа қабығы жарылады, ал сұйықтық тамшылары бір-бірінмен бірігеді.
Эмульсияларды бұзу үшін химиялық әдіс - эмульгаторлармен әрекеттесу - су тамшылары қабаттарының құрылымдық-механикалық тұрақтылығын әлсірететін қаптау көп қолданылуда. Деэмульгатор есебінде әр түрлі беттік-активті заттар қолданылады, бірақ, олардың эмульсияға әсері өте күрделі және аз зерттелген. Деэмульгаторлардың судағы ерітіндісінің әрекетіне қарап, оларды ион-активті және ионсыз активті деп бөледі. Ионактивтілер ерітіндіде катиондар мен аниондарға диссоциацияланады, ал ионсыз деэмулбгаторлар иондар түзбейді. Ең жақсы деэмульгаторлық әсер қазіргі кезде кен орындарында және МӨЗ-да қолданылатын-ионсыз деэмульгатор-проксамин, диссольван, прогалит, оксиэтилденген май қышқылыдары. (ОМҚ) .
Электр тогымен эмульсияларды бұзу су глобуласының электр өрісінің әсерімен соқтығысып, іріленуіне негізделген. Мұнай эмульсиясы айналмалы электр өрісіне түскенде, теріс зарядталған су бөлігі тамшы ішінде қозғала бастайды да, әк тәрізді пішін алып, үшкір жағымен оң зарядты электродқа бағытталады. Электродтардың полярлығын ауыстырғанда тамшы конфигурациясы өзгереді. Кейбір тамшылар электр өрісінде оң электрод бағытында, бір-бірімен соқтығысқан қозғала бастайды, бірігіп іліленді де, бөлініп, төмен түседі.
Өндіріс тәжірибесінде мұнайдан сумен тұзды бөлу үшін эмульсияларды бұзудың қосарланған әдістерін - термохимиялық, электртермохимиялық және басқа әдістерді қолданады.
2. 2 ЭТТҚ-АВҚ сызба сипаттамасы
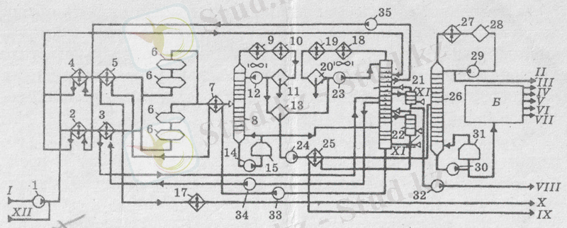
ЭТТҚ-АВҚ қондырғысы. Бұл қондырғы жұмысы 2 рет буландыру принципімен іске асырылған. Бұл жүйе бойынша мұнай (1) сораппен 2-5 жылу алмастырғыштардан, (6) шоғырынан және (7) жылу алмастырғыштан өтіп, (8) бензинсіздендіру бағасына түседі. (8) бағананың жоғары жағынан шығатын өнім жеңіл бензин фракциясын (9, 10) ауамен және сумен суытатын тоңазытқыштарды суытады. Одан кейін (11) рефлюкс сыйымдылығына түседі, одан бензиннің бір бөлігі (12) сораппен (8) бағанаға бүркіп тұру үшін ағын (флегма) есебінде беріледі, ал негізгі балансты мөлшері өзінің қысымы мен (13) ыдысыны түседі. (8) бағананың астынан шығатын өнім-аздап бензинсізденген мұнай (14) сораппен алынып (15), құбырлы пешке жіберіледі. 360 °С-ге дейін қыздырылған мұнайдың екі ағымының біреуі (8) бағанаға қосымша ректификациялауға қажетті жылу беру мақсатында беріледі де, ал екінші ағымы (16) атм. бағанасына жіберіледі. (16) бағанада мұнай бірнеше фракцияларға бөлінеді. Бағананың астынан температурасын төмендету және мазуттан төмен мөлдір өнімдерді толығырақ мазуттан алу үшін ректификациялауды су буымен жүргізеді. Буды бағананың төменгі бөлігіне береді. Мазут (16) астына (7) және (5) жылу алмастырғыштары (17) тоңазытқышы арқылы қондырғыдан шығып кетеді. (16) бағананың жоғарысынан соңғы қайнау температурасы 180 °С бензин фракциясының буы және су буы
ЭТТҚ-АҚ-6 мұнай алғашқы өңдеудің құрастырма қондырғысының технологиялық жүйесі:1, 12, 14, 23, 24, 30, 32-35-сораптар, 2-5, 7, 25-жылу алмастырғыштар; 6-электрдегидраторлары; 8, 16, 21, 22, 36-колонналар; 9, 10, 18, 19, 27-конденсатор-тоңазытқыштар; 11, 13, 20-сыйымдылық ыдыстары; 15, 31-құбырлы пештер; 17-тоңазытқыш; Б-бензинді кайталап айдау бөлімі; І-мұнай; ІІ-тұрақтандыру басқа фракциясы; ІІІ-Б. Қ. -62°С фракция; ІV-62-85°Сфракция; V-85-105°С фракция; VI-105-140°С фракция; VII-140-180°С фракция; VIII-180-230°С фракция; IX-230-350°С фракция; X-350°С фракция; XI-су буы; XII-демульгатор.
... жалғасы- Іс жүргізу
- Автоматтандыру, Техника
- Алғашқы әскери дайындық
- Астрономия
- Ауыл шаруашылығы
- Банк ісі
- Бизнесті бағалау
- Биология
- Бухгалтерлік іс
- Валеология
- Ветеринария
- География
- Геология, Геофизика, Геодезия
- Дін
- Ет, сүт, шарап өнімдері
- Жалпы тарих
- Жер кадастрі, Жылжымайтын мүлік
- Журналистика
- Информатика
- Кеден ісі
- Маркетинг
- Математика, Геометрия
- Медицина
- Мемлекеттік басқару
- Менеджмент
- Мұнай, Газ
- Мұрағат ісі
- Мәдениеттану
- ОБЖ (Основы безопасности жизнедеятельности)
- Педагогика
- Полиграфия
- Психология
- Салық
- Саясаттану
- Сақтандыру
- Сертификаттау, стандарттау
- Социология, Демография
- Спорт
- Статистика
- Тілтану, Филология
- Тарихи тұлғалар
- Тау-кен ісі
- Транспорт
- Туризм
- Физика
- Философия
- Халықаралық қатынастар
- Химия
- Экология, Қоршаған ортаны қорғау
- Экономика
- Экономикалық география
- Электротехника
- Қазақстан тарихы
- Қаржы
- Құрылыс
- Құқық, Криминалистика
- Әдебиет
- Өнер, музыка
- Өнеркәсіп, Өндіріс
Қазақ тілінде жазылған рефераттар, курстық жұмыстар, дипломдық жұмыстар бойынша біздің қор #1 болып табылады.

Ақпарат
Қосымша
Email: info@stud.kz