Шифратор және дешифраторлар жайлы


Жұмыс түрі: Реферат
Тегін: Антиплагиат
Көлемі: 23 бет
Таңдаулыға:
Қазақстан Республикасының білім және ғылым министрлігі
КУРСТЫҚ ЖҰМЫС
Тақырыбы:
«Шифратор және дешифратор»
Орындаған:
Тексерген:
Орал, 2014ж.
Мазмұны
І. Кіріспе бөлім . . . 3
ІІ. Негізгі бөлім
2. 1. Шифратор туралы түсінік, шифрдың жұмысы . . . 5
2. 2. Дешифратор туралы түсінік . . . 14
2. 3. Дешифратор негізінде қиыстырма құрылғы құру . . . 16
2. 4. Әртүрлі типтердегі шифраторлардың сұлбалары . . . 19
2. 5. Дешифраторларды сипаттаушы функциялар . . . 21
2. 6. К155РЕЗ микросхемасындағы дешифратор . . . 22
Қорытынды . . . 26
Пайдаланылған әдебиеттер тізімі . . . 29
І. Кіріспе бөлім
Ғылыми-техникалық революция мен оның өсу қарқыны көп жағдайда электрониканың дамуымен анықталды. Электроника-электрондардың электромагниттік өрістерімен өзара әсері жөніндегі ғылым. Электроника электромагниттік энергияның түрленуін, күшеюін, электромагниттік тербелістердің қабылдануын, инфрақызыл, вакуумдық, рентгендік спектрлердің шашырауын, информацияны беру, өңдеу және сақтауды, сондай-ақ оларды әртүрлі процесстерді басқаруға қолдануды қарастырады. Бұл электрониканың ғылымда, техникада, күнделікті тұрмыста кеңінен қолдануына саяды.
Электроника вакуумдық, қатты денелік және кванттық болып бөлінеді. Қатты денелік электрониканың негізгі бөлімі жартылай өткізгіштер, олардың қасиеттері мен қолданылуы жайлы ілім болып табылады, сондай-ақ жартылай өткізгішті приборларға диодтар, транзисторлар, тиристорлар, оптондар, әсіресе, ЭВМ-ге негізделген интегралдық схемаларды пайдалану әдістері енеді.
Қазіргі күндері сандық қондырғылар аналогты қондырғыларды ысырып, техникада өз орнын тауып келеді. Бұл күндері сандық қондырғылардың ішінде көптеп қолданылатын түрлеріне: триггерлер, мультиплексорлар, демультиплексорлар, шифраторлар, дешифраторлар, санағыштар, сумматорлар жатады.
Сандық қондырғылар аналогты қондырғылардан айырмашылығы мұнда сиганлдар аналогты сандақ түрлену құрылғысынан және сандық индикаторлардан тұрады. Аналогты сандық түрлену процесі өзі үш кезеңнен тұрады. Бірінші процесс дискреттеу процесі, екінші процесс квантталу процесі болса, үшінші процесс кодталу процесс болып табылады. Яғни мұнда қарапайым сигнал екілік сан түрінде түрленіп, сандық индикаторлар арқылы позициялық сан түрінде беріледі.
Бұл курстық жұмысты бастамас бұрын студенттің микросхематехника пәнінен білімі жоғары болу керек. Бұл курстық жұмыстағы тақырыптар бір бірімен тығыз байланысты. Айта кететің болсақ ол шифратор, санауыш және тағы басқа сандақ құрылғыларды қарастырамыз.
Шифратор - импульстерді кодтауға (шифрлауға), яғни берілетін пәрмендерді (мысалы, ракетаға) шартты белгілерге (сигналдарға) айналдыратын телебасқарушы және телеөлшегіш кондырғылардың тасымалдаушы негізгі блоктарының бірі. Қабылдағыш кемерлік аппаратура берілген импульстің қай пәрменге жататынын ажыратуы үшін соңғысы белгілі ара қашықтықта, әрбір пәрмен үшін қатаң тіркеспен берілуі тиіс. Шифраторға сондай-ақ нөсер разряды мен немесе қарсыластар туғызатын өндірістік кедергілер мен радиокедергілер әсер етуі мүмкін. Кемердегі қабылдагыш шифрлаған командалар дешифраторға түсіп, анықталады.
ІІ. Негізгі бөлім
2. 1. Шифратор туралы түсінік, шифрдың жұмысы
Шифратор немесе кодер (coder немесе encoder) -сандық ақпараттардың екілік код түрінде орындайтын СҚ, яғни ондық сандардың код сөздеріне түрлендіру. Кез-келген шифратордың тиісті ондық сандар кірісіне және сәйкес код сөздеріне шығыстары болады. Көбінесе мұндай түрлендіруді ондық сандарға жүргізуде келеді. Шифраторлар көп функционалды СҚ микросхемасында қолданылуы мүмкін. Шифратор кескіні ағылшын әріпімен CD (coder) белгіленеді.
Интегралдық схемаларды жасау, тексеру, олардың сапаларын бақылау - барлығы да автоматтандырылған, оның үстіне оларды сериялық түрде шығару да меңгерілген. Интегралдық схемаларды шығаруды баспаханалардағы кітапты көбейтіп шығарумен салыстыруға болады. Олар өздерінің атқаратын функцияларына қарай ЭЕМ-нің әртүрлі тетіктерінің - шифраторлардың, сумматорлардың, күшейткіштердің түрлеріне байланысты бөлек-бөлек топтарға жіктеліп, серияларға бөлініп шығарылады.
Бұл схемалардың интегралдық (біріктірілген) деп аталу себебі олардың бір кристалы күрделі логикалық функциялардың белгілі біреуін орындай алады, сосын олардан транзисторлар мен диодтардан құрастырылатын сияқты машина қондырғылары оңай жасалады. ДЭЕМ бірыңғай аппараттық жүйеге біріктірілген техникалық электрондық қүрылғылар жиынынан түрады. ДЭЕМ қүрамына кіретін барлық қүрылғыларды олардың функционалдық белгілеріне қарай екіге бөлу қалыптасқан, олар: жүйелік блок және сыртқы қүрылғылар. Шифратордың жұмыс атқару жүйесінде қарапайым ЖӘНЕ - ЕМЕС элементтерінен құралған нышандағыш схемасы түрінде болады. Жоғары 10 жолға 0 - 9 аралығында кіріс сандар мәні беріледі. Бұл сандар келіп түсетін ЖӘНЕ схемасының қосылуы суреттегідей деп алсақ, олардың төменгі шығыстарында белгілі бір екілік сандар жүйесі шығады.
Шифратор - импульстерді кодтауға (шифрлауға), яғни берілетін пәрмендерді (мысалы, ракетаға) шартты белгілерге (сигналдарға) айналдыратын телебасқарушы және телеөлшегіш кондырғылардың тасымалдаушы негізгі блоктарының бірі. Қабылдағыш кемерлік аппаратура берілген импульстің қай пәрменге жататынын ажыратуы үшін соңғысы белгілі ара қашықтықта, әрбір пәрмен үшін қатаң тіркеспен берілуі тиіс. Шифраторға сондай-ақ нөсер разряды мен немесе қарсыластар туғызатын өндірістік кедергілер мен радиокедергілер әсер етуі мүмкін. Кемердегі қабылдагыш шифрлаған командалар дешифраторға түсіп, анықталады.
Шифратор:
1. Аналогті аудио немесе бейне сигналдарды сандық түрге айналдыратын түрлендіргіш.
2. Сандық сигналдардың немесе кодалардың бір форматтан екіншіге айналдыратын түрлендіргіш. Қайта кодаланатын акпараттың (жалпы қолданысты немесе конфеденциалды) типіне байланысты кодалаушы немесе шифратор деп аталуы мүмкін.
Шифратор (Ш) функцияны орындайды, керіні дешифраторларға: сигналды аударады, берілген бір кіруге, шығатын паралельді екілік кодқа. Ш мүмкін бастысызбен, егер тек қана беру рұқсат етілсе бірдің белсенді сигналдың және мүмкін бастымен, егер кірулерге белсенді сигналдар бір уақытта бірнеше беру рұқсат етілсе. Шпен бастысыз мына нөмір екілік эквивалентіне белсенді кіру ондық нөмір өзгертуі жүзеге асырады. Шпен бастыда мына нөмір екілік эквивалентіне белсенді кіру барынша көп ондық нөмір өзгертуі шығарылады. Орындау және Шпен бастысыз шартты белгілеу 1 суретте келтірілген.
1 сурет. Орындау және Шпен бастысыз шартты белгілеу
Сыртқы құрылғылармен микропроцессор жұмыстары шифраторлар үзулердің контроллерлерінде қолданылады, кодқа күштену паралельді түрлендіргішінде және кодтауға арналған перне нөмірлері.
Берілетін ақпаратты бөгде адамға түсініксіз болатындай ету (кодтау) .
Интегралдық схема (Интегральная схема; integrated circuit) - өзара байланысты элементтерден (диод, транзистор, резистор және т. б. ) тұратын және жартылай өткізгішті кристалдың ішіне немесе бетіне технологиялық топтау тәсілдерімен біріктіріліп орнатылған электрондық микросхема; түрлендіру мен сигналдар өңдеудің белгілі бір функцияларын орындайтын, қабылдауға, тұтынушыға жеткізуге, сынауға, жұмысқа қосуға қойылатын талаптар тұрғысынан Карағанда бір бүтін зат болып саналатын және электрлі қосылған элементтері мен кристалдарын жайғастыруда жоғары тығыздыгы болатын микроэлектрондық бұйым. Интегралдық схемалар ақпаратты сақтау немесе өңдеуге байланысты операцияларды орындайды, олардың төменгі, орта деңгейде біріктірілген түрлері болды, ал қазіргі кезде өте жоғары деңгейде кішірейтіле тығыздалып біріктірілген тығыз интегралдық схема (БИС) және өте тығыз интегралдық схема (СБИС) қолданылады.
Логикалық элементтердің тез әрекеттілігі олардың бір жағдайынан екінші жағдайына ауысу жылдамдығымен анықталады. Бұнда шығыс сигналының өзгерісінің кіріс сигналының өзгерісінен нақтылы уақытқа кідіретіндігі айқын көрініп тұр. Біздің Electronics Workbench моделдеу жүйесінде жүргізген өлшеміміз бойынша ондағы ЕМЕС элементіндегі сигнал кідірісі 10 ns шамасында болады. Әрине, статикалық (яғни, белгілі уақыт аралығында тиянақты мәнін сақтайтын) сигналдармен істейтін құрылғылардың жұмысына бұндай кідірістің байқарлықтай әсері болмайды. Бірақ кейбір жағдайларда (мысалы, тізбектеме құрылғыларда) бұндай кідірістің құрылғының жұмысына байқарлықтай әсер етуі мүмкін. Кідіріс әрекетін суреттеу мақсатында екі ЕМЕС элементінің кірістеріне қатар берілген екі сигналдың осы элементтер арқылы алынған логикалық қосындысын қарастыралық. Схемада көрсетілгендей, бір сигнал екінші элементтің кірісіне екі ЕМЕС элементі арқылы берілген.
Идеалды жағдайда (яғни, ЕМЕС элементтерінде ешқандай кідірістің болмауы кезінде) екі элементтің шығыстарындағы сигнал бірдей болар еді. Бұл диаграмма статикалық сигналдарды бақылауға арналған Electronics Workbench моделдеу жүйесіндегі Logic Analyzer аталымды арнайы аспап арқылы алынған.
Сезімтал осциллограф арқылы алынған диаграммада екінші элементтің бір кірісіне сигналдың екі ЕМЕС элементінен өтуге кеткен 20 ns кідірісінің әсерінен осы элементтің шығысындағы сигнал құрамына бөгде теріс импульстің қосылғанын көреміз. Сигнал құрамындағы бұндай бөгде импульс осы сигналдың түсетін құрылғысының бағдарланған жұмысын бүлдіруі мүмкін, сондықтан бұндай жағдайдың болмауын қамтамасыз ету керек.
Элементтегі сигнал кідірісін ұтымды пайдалануға да болады. Мысалы, түймежинамның жеке түймесі арқылы өте қысқа (ұзақтығы 10 ns шамасындағы) жазу сигналын алу үшін екі элемент арқылы құрылған схеманы пайдалануға болады.
Қиыстырма құрылғыларды құру келесі тәртіппен жүргізіледі:
- құрылғының сөз-сөйлем түріндегі түсіндірмесінің негізінде оның ақиқаттық кестесі құрылады;
- құрылған кестедегі деректер негізінде құрылғының жұмысын суреттеуші логикалық өрнек жазылады;
- қажетті жағдайда алынған логикалық өрнек минимизацияланады;
- алынған өрнек құрылғыны құруға бағдарланған түпнегіздік жинаққа (core set) сай түрлендіріледі;
- ақырғы алынған өрнек негізінде түпнегіздік жинақтың элементтері арқылы құрылғының схемасы құрылады.
Құрылғыны құру тәртібінің бастапқы үш кезеңі бұрын қарастырылған болатын, сондықтан сонда алынған өрнек негізінде негізгі элементтер жинағының элементтері (ЕМЕС, НЕМЕСЕ, ЖӘНЕ) арқылы құрылғының схемасын құрамыз.
Көптеген жағдайда құрылғының схемасын ЖӘНЕ-ЕМЕС элементтері-нің негізінде құру қажет болады. Бұндай жағдайда өрнек де Морган заңын пайдалану арқылы түрлендіріледі:
Күрделі цифрлық құрылғылар әдетте, қалыпты қызмет атқарушы, жеке түрде құрылған қалыпты қызмет түйіндері арқылы құрылады. Цифрлық құрылғылардың қызмет буындары жалпы түрде: қиыстырма және тізбектеме түрлеріне бөлінеді. Осы тарауда қиыстырма түріндегі қалыпты қызмет буындарының (шифратор, дешифратор, мультиплексор, демультиплексор) құрылым принциптері мен жұмыс тәртібі қарастырылады.
Шифратор (Coder) - сигналға сәйкесті код қалыптастырушы құрылғы. Мысал ретінде сегіз кірісті (X7 … X0) шифратордың схемасын құру жолын қарастыралық. Кіріс саны сегіз болғандықтан, ол үшразрядты код (C2 … C0, CODE) қалыптастыру керек және кодтың қалыптасқанын жеке сигнал (O, OUT) арқылы құптауы керек (бұл сигнал қалыптасқан кодты қажетті жады буферіне жазып алуға пайдаланылады) . Үлкен құрылымның құрамындағы жеке қызмет буындары әдетте, кезекпен істейді, бұл олардың іске қосу кірісіне сәйкесті деңгейлі сигнал жіберілуі арқылы жүзеге асырылады. Осындай іске қосу кірісі (I, IN) біздің құрастыратын шифраторда да ескерілгені дұрыс. Тағы бір ескеретін мәселе: қалыпты қызмет буындарының іске қосу кірісі мен құптау шығысындағы сигналдың жандандыру деңгейі төменгі (0) мәнінде алынады. Шифратордың информациялық кірістеріне түсетін сигналдардың да жандандыру деңгейі төменгі (0) мәнінде болғаны бұндай құрылғыны іс жүзінде құруға ыңғайлы болады.
Шифратордың келтірілген түсіндірме суреттемесі оның ақиқаттық кестесін құруға толық мәлімет береді, келтірілген түсіндірме мәліметтерінің негізінде сол кестені құралық.
1-кесте. Нышандағыштың ақиқат кестесі
Ондық
сандардың
кірулері
Шифратор 5 санын кодтау керек дерлік. Ол үшін активті сигналды 0 (өйткені барлық кірістері инверсті) осы 5 санының кірістеріне береміз. Қалған барлық сан кірісіне пассивті логикалық деңгей 1 береміз. Схема бойынша анықтаймыз шығыста 1000 қалыптасады (ескереміз: қорытындыдағы код сөздерін төменнен жоғарыға қарай оқу қажет) .
Алынған шешімді ақиқат кестесімен салыстырамыз және қорытынды жасаймыз: шифратор санын дұрыс түрлендірді.
Жұмысқа толық анализ жасау үшін барлық нұсқаларды тексеру талап етіледі, яғни осы жағдайда барлық санның дұрыс қолданылатынын тексеру керек. Бұл өрнектер алдымен НЕМЕСЕ функциялары арқылы жазылып, сосын де Морган заңын пайдалану арқылы ЖӘНЕ-ЕМЕС функциясымен суреттелген түріне түрлендірілді; оған тағы бір себеп - ЖӘНЕ-ЕМЕС элементтерінің олардың ішкі құрылымына байланысты тез әрекеттілігі басқа элементтермен салыстырғанда жоғары болады.
Шифратор схемада шартты сызба белгілемесімен көрсетіледі, ал Electronics Workbench бағдарламасының мүмкін-дігін пайдалану арқылы жүзеге асырылған алдыңғы жиналған схеманың біріктірілген жеке блок (Subcircuit) түріндегі суреттемесі келтірілген (оның сәйкесті шықпалары олардың келтірілген құрылым схемасындағы орналастырылым бағытына сай шығарылған) . Құрылған шифратордың айта кететін бір кемшілігі бар, оған екі сигнал қатар жіберілген жағдайда оның шығарған коды шым-шытырық бірдеңеге айналып кетеді. Осындай жағдайды болдырмас үшін шифратордың өндірісте шығарылатын микросхемалары (мысалы, 74148 микросхемасы), әдетте, мәртебелі түрде құрылады. Яғни олар түскен бірнеше сигналдың белгіленген мәртебесі жоғарғысының кодын шығарады да қалғандарына көңіл бөлмейді. Көптеген жағдайда таңдап алынған шифратор микросхемасының өлшемі (кіріс саны) қойылған талапқа сай келмей, оны ұлғайту қажет болады. Мысалы, 74148 микросхемасы сегіз кірісті мәртебелі шифратор қызметін атқарады. Осындай миросхемалар негізінде (немесе алдыңғы құрылған схеманың жабық түріндегі блогы арқылы) кіріс саны екі есе ұлғайтылған шифратор құруға болады .
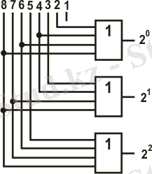
Шифратор (кодер) - басқа сөзбен айтқанда шифраторлар позициялық сандарды екілік сандар түріне түрлендіруші құрылғы. Позициялық санның екілік кодқа түрленуін мына кесте арқылы көрсетеміз.
2-кесте. Позициялық санның екілік кодқа түрленуі
Көрнекі болу үшін бірлік сандар диогональ бойынша орналасқан. Мұндағы разрядтар ИЛИ-НЕМЕСЕ сұлбасы бойынша сипатталады:
2-сурет. -Логикалық элементтер түрінде сипатталған шифратор
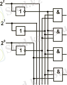
Дешифратор (декодер) - керісінше екілік кодталған санды позициялық сандар түріне түрлендіруші құрылғы. Яғни басқа сөзбен айтқанда дешифратор шифраторға қарама-қарсы жұмыс атқаратын құрылғы.
3-сурет. Логикалық элементтер түрінде көрсетілген дешифратордың сұлбасы
2. 2. Дешифратор туралы түсінік
''Дешифратор'' (lang-frdechiffrer - шешу) - байланыста ұшақтарда, телебасқаруда тек дұрыс кодталған сигналдар мен пәрмендерді қабылдауға, сондай-ақ оларды [ракетанын, ұшақтын] атқарушы орғандарына әсер ететін сигналдарға айналдыруға арналған құрал. Қабылдаушы кондырғыға түсетін көптеген электр импульетерінін ішінен дешифратор тек белгілі бір импульстер жиынтыгын кабылдайды. Атмосфералық разрядтар мен қарсыластар жасаған кедергілер дешифраторға әсер етпейді және оларды атқарушы орғандарга жібермейді
Дешифратор - кірістеріндегі сигналдар комбинациясының әрқайсысына шығыстарының тек қана біреуінде сигнал сәйкес келетін комбинацяилық логикалық схема. Дешифраторлар басқарушы жүйелерде кірістердегі сигналдар комбинациясына байланысты. Осы және басқа тізбектерге басқарушы әрекеттерді беру үшін қолданылады. Сонымен қатар дешифраторлар кодтарды түрлендіруде мысалы, екілікті немесе екілік оңдықты оңдыққа түрлендіруде кең қолданылады. Дешифратор газ разрядты индикаторлармен жұмыс істеугне арналған. Дешифраторға кері функцияны атқаратын құрылғы шифратор немесе кодер деп аталады.
Дешифратор (ДШ) шығуда томға белсенді сигналға кірулерде екілік код қайта құрады, қайсы нөмір кірулерде екілік код ондық эквивалентіне бірдей. Толық дешифраторда шығуларының санын m=2n, қайда n - кірулердің саны. Толық емес ДШ m<2n. Анықтамамен ДШпен толық шығатын кисынды функциялардың 2n тиісті генерациялау, айқындардың барлықтардың терімдерде n - кіріс өзгергіштердің. n=2 және m=4 ДШты қарап шығамыз (сурет 2), сонымен қатар «2 в 4» аталатын дешифратор және шығуларының рұқсат кіруімен сигнал ОЕ қосамыз. ДШ шартты белгілеуі 3 суретте келтірілген. Сигнал белсенді деңгейімен түзулерді кірулерде/шығуларда 1 болады ал инверстіктерді - 0.
ДШ жұмысын түсіндіреміз: ОЕ=0 сигнал уақытқа әрекеттері Х0, Х1 кіріс сигналдарының мағыналарының шығулар Y0, Y1, Y2, Y3 нольге бірдей, яғни шығулар «тиым салынған». Қашан ОЕ = 1 Y0, Y1, Y2, Y3 шығулар тек қана өзгергіштердің тәуелді болады. Егер Х0, Х1 =10, не ондық екіге сай болады, екінші И-НЕ элемент кірулерінде талапқа 3 логикалық “1” жиналады. Y2 = 1 сигналы.
4-сурет. Толық дешифратордың схемасы 3-8
2. 3. Дешифратор негізінде қиыстырма құрылғы құру
Дешифратор дегеніміз n кіруі 2n шығуы бар және кіруіндегі екілік кодты шығуында унитарлы кодқа айландыратын комбинациялық схема. Унитарлы дегеніміз құрамында жалғыз және тек қана жалғыз бірлігі бар екілік код, мысалы 001. Үш кіруі бар дешифратордың шартты-графикалық белгіленуі келесі суретте көрсетілген.
5-сурет. Дешифратордың шартты-графикалық белгіленуі
Шифратор - 2n кіруі және n шығуы бар схема, оның функциялары көп жағдайда дешифратор функцияларына қарама - қайшы болады
6-сурет. 2n кіруі және n шығуы бар схема.
Бұл комбинациялық схема кіруіндегі унитарлы кодқа сәйкес шығуында позициялық кодты қалыптастырады. Дешифратор (Decoder) - кірістеріне түскен екілік кодқа сәйкесті шығысында сигнал қалыптастырушы құрылғы. Мысал ретінде төрт теріс шығысты (Q3 … Q0) дешифратордың схемасын құру жолын қарастыралық. Шығыс саны төртеу болғандықтан, оның кірісіне түсетін код екіразрядты (A1A0) болады. Дешифратордың іске қосу кірісіндегі (E, Enable) сигналдың жандандыру деңгейін төменгі (0) мәнінде алалық.
Дешифратордың келтірілген түсіндірме суреттемесінің негізінде, оның ақиқаттық кестесін құрайық.
3-кесте. Дешифратордың келтірілген түсіндірме суреттемесінің негізінде, оның ақиқаттық кестесі
Дешифратор схемада шартты сызба белгілемесімен көрсетіледі, ал оның жиналған схемасының біріктірілген жеке блок түріндегі суреттемесі келтірілген.
Интегралдық схема негізінде құрастырылған ЭЕМ-дер - бұл үшінші буындағы ЭЕМ-дер. Бұл машиналардың жады үлкен, ал орындау жылдамдығы секундына бірнеше миллион операцияға жетті. Магниттік таспаларда жинақтаушыларға қарағанда әлдеқайда жылдам жұмыс жасайтын және ақпараттың шексіз өлшерін сақтауға қабілетті сыртқы есте сақтау құрылғыларының жаңа түрі - магниттік дискілер пайда болды. 1968 жылға шейін шығарылды. Олар транзисторлық компьютерлер, жылдамдықтары жүздеген мың а/с., разрядтылығы 31 - 48 бит, жедел жадыларының көлемі - 8 - 128 кб. Процессордың жұмысын үзу және оны өңдеу жүйесі пайда болды (ол негізінен енгізу/шығару амалдарын орындау кезінде іске қосыла-ды) . Алгоритмдік тілдерден машиналық тілге автоматты аударатын программалар - трансляторлар шықты, яғни, программа құру үшін деңгейлері жоғары программалау тілдері (Fortran. Algol. Cobol және басқалар) қолданылды, стандартты программалардың қоры үлкейді. Жабық жұмыс істеу режімі қолданылды, яғни, программалаушы тікелей машинамен жұмыс істемейтін болды, ол өзінің жоғары деңгейдегі программалау тілінде жазылған программасын ары қарай машинадан өткізетін қызмет көрсететін топқа тапсырды.
Программалардың жұмыс істеуін бақылау және басқару үшін алғашқы мониторлық жүйелер пайда болды. Олардың өзінің тапсырмаларды басқару тілдері болған. Индексті арифметиканың шығуы, тікелей емес адрестеуді және динамикалық жадыны қолдану, символдық шамалармен жұмыс істеу мүмкіншілігінің пайда болуы осы буынның құрылымдық ерекшклігін айқындады.
Күрделі логикалық функцияның өрнегінің жазылу тәртібін қарастыру кезінде функцияның алынған логикалық өрнегіне көз салсақ, ондағы әрбір термнің тура сегіз шығысты дешифратордың сәйкесті шығыстарының адресі екендігін көреміз. Демек, осындай дешифратордың сәйкесті шығыстарын бескірісті НЕМЕСЕ элементінің кірістеріне жалғау арқылы берілген функцияны жүзеге асыруға болады. Егер дешифратор теріс шығысты болса, онда өрнегін де Морган заңы арқылы түрлендіреміз:
Алынған өрнектен берілген құрылғының қызметін теріс шығысты дешифратор негізінде жүзеге асыру үшін оның сәйкесті шығыстарына бескірісті ЖӘНЕ-ЕМЕС элементін жалғау жеткілікті екендігі көрініп тұр
Қиыстырма құрылғыны дешифратор негізінде құру тәсілі - аса ыңғайлы тәсіл: біріншіден, логикалық өрнекті минимизациялаудың қажеті жоқ (дәлірек айтқанда, өрнектің де қажеті жоқ, қажетті жалғамдар кестеден көрініп тұр), екіншіден, жалғыз дешифратор негізінде бірнеше функцияны қатар жүзеге асыруға болады.
... жалғасы- Іс жүргізу
- Автоматтандыру, Техника
- Алғашқы әскери дайындық
- Астрономия
- Ауыл шаруашылығы
- Банк ісі
- Бизнесті бағалау
- Биология
- Бухгалтерлік іс
- Валеология
- Ветеринария
- География
- Геология, Геофизика, Геодезия
- Дін
- Ет, сүт, шарап өнімдері
- Жалпы тарих
- Жер кадастрі, Жылжымайтын мүлік
- Журналистика
- Информатика
- Кеден ісі
- Маркетинг
- Математика, Геометрия
- Медицина
- Мемлекеттік басқару
- Менеджмент
- Мұнай, Газ
- Мұрағат ісі
- Мәдениеттану
- ОБЖ (Основы безопасности жизнедеятельности)
- Педагогика
- Полиграфия
- Психология
- Салық
- Саясаттану
- Сақтандыру
- Сертификаттау, стандарттау
- Социология, Демография
- Спорт
- Статистика
- Тілтану, Филология
- Тарихи тұлғалар
- Тау-кен ісі
- Транспорт
- Туризм
- Физика
- Философия
- Халықаралық қатынастар
- Химия
- Экология, Қоршаған ортаны қорғау
- Экономика
- Экономикалық география
- Электротехника
- Қазақстан тарихы
- Қаржы
- Құрылыс
- Құқық, Криминалистика
- Әдебиет
- Өнер, музыка
- Өнеркәсіп, Өндіріс
Қазақ тілінде жазылған рефераттар, курстық жұмыстар, дипломдық жұмыстар бойынша біздің қор #1 болып табылады.

Ақпарат
Қосымша
Email: info@stud.kz