Аккумулятор батареясына техникалық қызмет көрсету технологиялық процессін жетілдіру


Жұмыс түрі: Курстық жұмыс
Тегін: Антиплагиат
Көлемі: 24 бет
Таңдаулыға:
Оқу орны
Курстық жұмыс
Тақырыбы: Аккумулятор батареясына техникалық қызмет көрсету технологиялық процессін жетілдіру
Орындаған
Тексерген:
2017-18 жыл
Мазмұны
КІРІСПЕ . . . 3
I. ЭЛЕКТР ЖАБДЫҚТАР ТУРАЛЫ ЖАЛПЫ МӘЛІМЕТТЕР. АККУМУЛЯТОР БАТАРЕЯЛАРЫ . . . 4
1. 1 Аккумулятор батареяларының түрлері, жіктелуі мен қызметі. Автомобиль генераторлары . . . 4
1. 2 Аккумулятор батареясындағы электролит және аккумулятордың сипаттамасы . . . 11
II. АККУМУЛЯТОР БАТАРЕЯСЫНА ТЕХНИКАЛЫҚ ҚЫЗМЕТ КӨРСЕТУ . . . 132. 1 Электролит көлемін тексеру . . . 14
2. 2. Аккумулятор батареясын сақтау . . . 17
2. 3. Аккумуляторлардың техникалық қауіпсіздігі . . . 18
ҚОРЫТЫНДЫ . . . 23
ҚОЛДАНЫЛҒАН ӘДЕБИЕТТЕР . . . 25
КІРІСПЕ
Автомобильдердің электр энергиясы іштен жанатын қозғалтқышты іске қосуға, жанғыш қоспаны тұтатуға, дыбыс жəне жарық дабылдарына, қозғалыс жолдары мен кабинаны жарықтандыруға, электронды басқару жүйесіне, бақылау-өлшеу аспаптары мен қосымша жабдықтарды қоректендіруге жұмсалады.
Электр энергиясын өндіретін аспаптар электр тоғының көздері , ал оны тұтынатындар тұтынушы деп аталады.
Электр тоғының көздері: генератор мен аккумулятор батареясы. Жалпы аккумулятор (лат. accumulator - жинақтауыш) - химиялық реакция энергиясын электр энергиясына айналдыратын аспап. Ол энергия түріне сəйкес электр аккумуляторы, жылу аккумуляторы, бу аккумуляторы жəне т. б болып бөлінеді.
Ал автомобильде қолданылатын аккумулятор батареяларының түрлері: қышқылды жəне сілтілі.
Тұтынушылар - ЭББ (электронды басқару блогы), электроқозғалтқыштар, стартер, дабылдар мен жарықтандыру жəне бақылап-өлшеу аспаптары.
Электр тоғының көздері механикалық жəне химиялық энергияны электр энергиясына айналдырады. Тұтынушылар электр тогы энергиясын энергияның басқа түріне (механикалық, жарық, дыбыс, жылу) айналдыруға қызмет етеді.
1-сурет. Электр тоғының көздері (аккумулятор батареясы мен генератор)
Қазіргі таңда қолданылып жүрген алғашқы аккумулятор түрін француз ғалымы Гостан Планте шамамен 150 жыл бұрын əзірлеген. Дегенмен уақыт өте келе аккумулятор батареялары жаңарды, бірақ жұмыс принципі мен құрылысы өзгермеді. Аккумулятор батареяларының əр түрлілігіне қарамастан, стартерлі автомобиль аккумуляторлары ретінде тек қышқылды-сілтілі түрі ғана қолданылады. Себебі бұл аккумулятор батареясының түрі жоғары энергиялық сыйымдылық қасиетіне ие. Бұндай аккумуляторларда сілті мен күкірт қышқылының зияны мен қауіптілігіне қарамастан, қазіргі уақытқа дейін осындай аккумулятор батареяларына жетері жоқ.
Электр аккумуляторы - электр энергиясын жинап (химиялық энергияға айналдыру арқылы), қажет болғанда сыртқы тізбекке бере алатын химиялық ток көзі. Электр аккумуляторы ішінде электролит (қышқыл не сілті) және электродтары бар изоляциялық материалдан (эбонит, шыны, пластмасса) жасалған ыдыстан тұрады. Электродтарын сыртқы тізбекке қосқанда, онда химиялық энергияны электр энергиясына айналдыратын химиялық процесс жүреді. Тізбектен электр тогы өтіп, аккумулятор разрядталады. Разрядталған аккумуляторды басқа тұрақты ток көзіне қосып зарядтайды. Бұл жолы керісінше электр энергиясын химиялық энергияға түрлендіретін химиялық процесс жүреді. Сыртқы тізбекке берілетін электр мөлшері (А*сағ) аккумулятордың сыйымдылығы, ал аккумулятордың 1 кг салмағы не 1 дм3 көлемінен алынатын энергия мөлшері (Вт*сағ) оның салмақтық немесе көлемдік меншікті энергиясы деп аталады. Электр аккумуляторы сыйымдылығымен және энергия қайтымдылығымен (немесе пайдалы әсер коэффициентімен), сондай-ақ зарядтау және разрядтау кезіндегі токтың орташа кернеуімен (В) де сипатталады. Сыйымдылық қайтымдылығы деп разрядтық А*сағ-тың зарядтау кезінде алынған А*сағ-қа қатынасын, энергия қайтымдылығы деп разрядтық энергия мөлшерінің зарядтау кезінде жиналған энергияға қатынасын айтады.
1. ЭЛЕКТР ЖАБДЫҚТАР ТУРАЛЫ ЖАЛПЫ МӘЛІМЕТТЕР. АККУМУЛЯТОР БАТАРЕЯЛАРЫ
1. 1 Аккумулятор батареяларының түрлері, жіктелуі мен қызметі. Автомобиль генераторлары.
Автомобильдерде электр энергиясы іштен жанатын қозғалтқышты іске қосуға (стартермен), жанғыш қоспаны тұтатуға, дыбыс және жарық дабылдарына, қозғалыс жолдары мен кабинаны жарықтандыруға, электронды басқару жүйесіне, бақылау-өлшеу жабдықтары мен қосымша жабдықтарды қоректендіруге қолданылады.
Электр энергиясын өндіретін приборлар электр тоғының көздері, ал оны тұтынатындар тұтынушы деп аталады.
Генератор мен аккумулятор батареясы ток көздері, ал тұтынушылар - электронды басқару блогы, электрқозғалт-қыштар, стартер, дабылдар мен жарықтандыру және бақылап-өлшеу жабдықтары т. с. с.
2-сурет. ГАЗ-53А автомобильінің электр жабдық сызбасы
Электр тоғының көздері механикалың және химиялық энергияны электр энергиясына айналдырады (аккумулятор және генератор) .
Тұтынушылар электр тоғы энергиясын - энергияның басқа түріне (механикалык, жарық, дыбыс, жылу) айналдыруға қызмет етеді.
Автомобильдің қаңқасы (метал бөліктері) электр жүйеде «масса» қызметін атқарады, ал жүйе өткізгішін оң полюске жалғастырады. Электр жүйесінің кернеуі әр көліктің сұранысына байланысты 12 В және 24 В.
Электр аккумуляторы стационарлы және тасымал болып бөлінеді. Стационарлы аккумулятор электр, радио, телефон және телеграф стационарларында тұрақты ток көзі ретінде, тасымал аккумуляторы көшпелі қондырғыларда (көшпелі радиоаппаратураларда, автомобильде, самолетте, электрокарда т. б. ) қолданылады. Электр аккумуляторы электролит түріне қарай қышқылды және сілтілі болып бөлінеді. Кең тарағаны - қорғасынды-қышқылды электр аккумуляторлары (негізінен стационар қондырғыларда) . Оларда электролит ретінде тығыздығы 1, 18-1, 29 г/см3 күкріт қышқылының (H2SO4) ерітіндісі, ал оң электрод ретінде қорғасынның қос тотығы (PbO2), теріс электрод ретінде металдық қорғасын (Pb) пайдаланылады. Қышқылды аккумулятор разрядталғанда, мынадай химиялық процесс жүреді:
PbO2 + Pb + 2H2SO4 = 2PbSO4 + 2H2O.
Соның нәтижесінде аккумулятор кернеуі мен электролит тығыздығы кемиді. Аккумулятордың разрядтау кезіндегі орташа кернеуі 1, 98 В, ал зарядтық кернеуі 2, 4 В.
Тасымал электр аккумуляторы ретінде көбінесе сілтілі аккумулятор пайдаланылады. Қышқылды аккумуляторларға қарағанда оның механикалық беріктігі жоғары, жұмыс үстінде зиянды газ бөлмейді, пайдалануға ыңғайлы. Сілтілі аккумуляторларға темірлі-никельді және кадмийлі-никельді электр аккумуляторларды қолданады. Оларда электролит ретінде тығыздығы 1, 20
г/см3 ащы калийдің судағы ерітіндісі (калий сілтісі), оң электрод ретінде графит араласқан никель тотықтары, теріс электрод ретінде темір ұнтақтары немесе темір араласқан металдық кадмий пайдаланылады. Темірлі-никельді аккумуляторлардың орташа зарядтық кернеуі 1, 74 В, ал кадмийлі-никельді аккумуляторларда - 1, 65 В. Самолеттерде күмісті-мырышты және күмісті-кадмийлі сілтілі электр аккумуляторлар кеңінен қолданылады. Олардың меншікті энергиясы басқа аккумуляторларға қарағанда молырақ, герметизацияланған жабық ыдыстарда, температурасы және қысымы төмен биіктік жағдайында жұмыс істей береді. Бірақ олар қорғасынды-қышқылды электр аккумуляторларына қарағанда 4-10 есе қымбатқа түседі. Электр аккумуляторлар басқа да өндірістің көптеген салаларында қолданылады. Қуатты және жоғары кернеулі тұрақты ток көздерін жасау үшін электр аккумуляторларынан батареялар құрастырылады. Электр аккумуляторларын жасауда бірінші тәжірибені 19 ғасырдың бас кезінде В. В. Петров және И. Риттер жүргізді. Аккумуляторлардың конструкциясын жетілдіріп, оның қасиеттерін зерттеуде орыс ғалымдары Э. Х. Ленц, Д. А. Лачинов, Е. П. Тверитинов, Н. Н. Бенардос, П. Н. Яблочков, М. П. Авенариус, ағылшын физигі У. Гров, француз Р. Планте т. б. ғалымдар үлкен үлес қосты. Сілтілі аккумуляторларды 1900 жылы Т. А. Эдисон ойлап тапты.
Автомобиль генераторлары
Жүк автомобильдерінде электр магниттерден қоздырылатын ауыспалы токтың үш фазалы генераторлары орнатылады. Моторды іске қосқанда тұрақты токты аккумулятор батареясынан пайдаланады, ол жұмыс істеп тұрған кезде генератордан шығатын айнымалы ток түзеткіштердің көмегімен тұрақты токқа айналады.
Электр жабдықтарының үш фазалы генераторлары қозғалмайтын және айналмалы қоздыру орамды болып екі топқа бөлінеді.
Қозғалмайтын қоздырғыш орамы бар генератор. Бұл топтағы генераторлар беріктігімен, қарапайым құрылысы және күрделі емес қызмет істеуімен ерекшеленеді.
Қоздырғыш орамы бар генераторларды автомобильдерге орнатады. Ол статордан, ротордан және түзеткіш блоктан тұрады (сурет 3) .
1 - ауыспалы токтың косқыштары (зажимы), 2-статордың фазалъщ орамы, 3-статор, 4-қоздыргыш орамы, 5-қоздырғыш орамының втулкасы, 6-ауыспалы токтың түзеткіші, 7-желдеткіш, 8-диодтар, 9-генератор шкиві, 10, 12-қақпақтар, 11-ротор және пластиналар, 13-тұрақты токтың «Ш» қосқышы.
3-сурет. Ауыспалы токтың үш фазалы қозғалмайтын қоздырғыш орамы бар генератор.
Жұмыс істеп тұрған кезде мотордың, иінді біліктің, сондай-ақ генератор роторының айналу жиілігі тұрақты емес. Осының нәтижесінде генератор өндіретін токтың кернеуі де тұрақты емес. Жиілік артқан сайын кернеу жоғары болады және керісінше, жиілік кеміген сайын кернеу төмендейді. Мұндай ауытқулар тоқ тұтынатын орындардың жұмыс істеуі үшін қалыпты жағдай жасамайды.
Иінді біліктің айналу жиілігіне және генератордың шамадан артық күштен қорғауына қарамастан генератор өндіретін желідегі тұрақты кернеуді ұстау үшін релереттеуішті (5) қолданады.
Жұмыс істеп тұрған кезде мотордың, иінді біліктің, сондай-ақ генератор роторының айналу жиілігі тұрақты емес. Осының нәтижесінде генератор өндіретін токтың кернеуі де тұрақты емес. Жиілік артқан сайын кернеу жоғары болады және керісінше, жиілік кеміген сайын кернеу төмендейді. Мұндай ауытқулар тоқ тұтынатын орындардың жұмыс істеуі үшін қалыпты жағдай жасамайды.
Иінді біліктің айналу жиілігіне және генератордың шамадан артық күштен қорғауына қарамастан генератор өндіретін желідегі тұрақты кернеуді ұстау үшін релереттеуішті (5) қолданады.
Электр энергиясын тұтынатын құралдар
Стартерлер. Қозғалтқыштардың иінді білігінің айналу жиілігі минутына 60-80 айн/мин болғанда сенімді түрде іске қосуға болады. Айналудың мұндай жиілігін қолмен айналдыру жүргізушіге едәуір күш түсіреді. Оны жеңілдету үшін электр стартерлерін қолданады.
Стартер тізбекті қоздыру орамы бар жүргізуші отырған жерден дистанциялың қосылатын төрт полюсті электр моторы. Стартердің іске қосқыш мотордан ерекшелігі қосымша электр магнитті релесінің болуы. Олар мотор жұмыс істеп тұрғанда стартерді қосу мүмкіндігін болдырмайды.
Аккумулятор батереясын разрядтамау үшін стартерді аз уақытқа (5-15 с) қосып қояды. Егер осы уаңыт ішінде мотор от алмаса, онда стартерді сөндіріп, бірнеше секундтан кейін қосу қажет. Бұл үзіліс аккумулятор батареясының жұмыс қабілетін қалпына келтіру үшін қажет. Егер мотор от алмаса, ақауын тауып, жою қажет.
4-сурет. Стартердің жалпы құрылысы
1-еркін жүрудің муфталы іске қосқыш шестернясы, 2-косу рычагы, 3-тартқыш реле якоры, 4-ішке тартылатын якоры, 5-ұстатқыш (шунтты) орам, 6-контактілі дискі, 7-ұстатқыш және ішке тартылатын орамдар шеттерінің қысқыштары, 8-ішке тартылатын орам шеттерін қысқыш, 9-аккумулятор батареясы сымының қысқышы, 10-ток жеткізгіш щеткалар, 11-коллектор, 12-полюс табаны, 13-фаза орамдарының катушкасы, 14-якорь пластиналарының пакеті, 15-якорь білігі, 16-аралық тірек подшипнигі.
Стартер шестернасы иінді білік маховигінің шестернасымен ілінісіп қозғалтқышты іске қосады
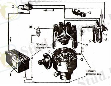
От алу жүйесі
Бензинді моторлардың цилиндрлерінде сығылған жұмыс қоспасы от алу свечасынан шығатын ұшқыннан тұтанады. Төмен кернеулі тоқты жоғары кернеулі токқа айналдыруға және оны мотордың цилиндрлеріне бөлу қызметін атқарады. Батареядан от алу құрылғысының схемасы келесі суретте көрсетілген.
Төмен кернеулі ток тізбегі аккумулятор батареясынан немесе генератордан ңоректенеді. Оған тізбекті түрде от алдыру қосқышы (3), қосымша резисторы бар от алу катушкасының алғашқы орамы (4), үзгіш (8) пен «масса» қосылған.
1-аккумулятор батареясы, 2-стартерді қосқыш, 3-от алдыру қосқыш, 4-алгашкы орама, 5-екінші орама, 6-от алу катушкасы, 7-таратқыш, 8-үзгіш, 9-конденсатор, 10-от алдыру шамы (свеча) .
5-Сурет. Батареядан от алу құрылғысы.
Жоғары кернеу тоғының тізбегі от алу катушкасының екінші орамынан (5), таратқыштан (7), жоғары кернеу өткізгіштерінен, оталу свечасы (10) мен «массадан» тұрады. Жоғары кернеу тоғының пайда болуы өзара индукциялану принципіне негізделген. От алу бекіткіші қосылған және үзгіш контактілері түйықталған жағдайда электр тоғы от алу катушкасының (6) алғашқы орамы айналасында өрісін туғыза отырып, аккумулятор батареясынан немесе генератордан сол орамға түседі.
От алдыру шамы (свечасы) электр жарқылынан ұшқын саңылауын жасайды. Свеча корпустан (5), оқшаулағышы бар орталық электродтан (2) және шамның корпусына дәнекерлеп бекітілген бүйір электродынан тұрады. Шамда кесілген бөлік орналасқан, ол цилиндрлер қалпақшасының тесігіне бұрап кигізіледі. Шамның (свеча) жоғары бөлігінде кілтке арналған қырлары бар.
Шам корпусының цилиндрлі бөлігіне маркасы жазылған, ол шартты түрде кесілген бөліктің диаметрін, оқшаулағыштың төменгі бөлігінің ұзындығын және оның материалын көрсетеді. Кесілген бөліктің диаметрі М немесе А әрпімен белгіленеді, мұнда М әрпі корпустағы 018x1, 65 бұрандасына сәйкес келеді. Цифрлар оқшаулағыштың жылу конусының ұзындығын миллиметр өлшемімен көрсетеді. Цифрлардан кейінгі келесі әріп оқшаулағыштың материалын көрсетеді, мысалы: У - уралит, Б - боркорунд. Соңғы әріп орталық электрод бойынша герметизациялау әдісін көрсетеді, мысалы: С - шыны герметика.
От алдыру шамының жұмыс істеуі үшін орталық және бүйір тұстағы саңылаудың өлшемі - 0, 7-0, 9 мм. Оны бүйір электродты ептеп қайыра отырып, ретке келтіреді. Ішкі жағынан ластанған жағдайда оны бензинмен жуу қажет.
Аккумулятор батареясы - электр стартері мен оталдыру жүйесін қозғалтқышты іске қосқан кезде электр тоғымен қорректендіруге, қозғалтқыштың жұмыс істемей тұрған кезінде немесе генератор зәрінің төмен айналу жиілігі кезінде ток тұтынушыларды электр энергиясымен қамтамасыз етуге арналған. Сонымен қатар генераторға күш түскенде, электрмен жабдықтау жүйесінде тұрақтылық сақтауға арналған.
Аккумулятор батареясының негізгі тұтынушысы электр стартері болып табылады. Қоршаған ортаның ауа температурасы төмен кезде стартердың алатын тоқ күші бірнеше жүз (200-600А) амперге жетеді.
Автомобильдерде қолданылатын аккумулятор батареяларының түрлері:
СІЛТІЛІ
ҚЫШҚЫЛДЫ
Аккумуляторлар құрылысы бойынша жіктелуі
- Ашық аккумулятор құрылысы- ашық батареялардан электролиттің құрамын (тығыздығын тексеріп, ретпен отыру үшін арнайы қызмет көрсетіліп отырады.
- Жабық аккумулятор құрылысы- Жабық аккумулятор батареяларында арнайы қызмет көрсетілмейді, сондықтан олар жабық болады.
Аккумулятордың қызметі электр энергиясын химиялық энергияға зарядтау және керісінше, химиялық энергияны электр энергиясына (разрядтау) жүйелі түрде айналдыруға негізделген.
1. 2 Аккумулятор батареясындағы электролит және аккумулятордың сипаттамасы
Қарапайым қорғасынды аккумулятор (2-сурет) электролит құйылған (тазартылған судағы күкірт қышқылының ерітіндісі) пластмассадан жасалған банкадан және екі қорғасын пластинадан тұрады. Электролиттегі пластиналардың беті күкірт қышқылды қорғасынмен (қорғасын сульфатымен) жалатылған.
Аккумулятор батареясы ішкі жағынан бөгеттермен бөлінген бақтан (4) тұрады. Әрбір бөлікке (банкада) бір аккумулятор орналастырылады. Бакты қышқылға төзімді пластмасадан немесе эбониттен жасайды. Оның түбінде пластиналар тірелетін қырлары болады. Әр банкаға оң (2) және теріс (1) пластиналар жиыны орналасқан.
Банканы электролитпен толтыруға қажетті тесігі бар қақпақпен (6) жабады. Құятын тесік тығынмен (5) жабылады. Тығынды аккумулятор қуысын атмосферамен жалғасытыратын желдеткіш тесік бар, ол химиялық реакция кезінде бөлінетін газдың шығуы үшін қажет.
6-сурет. Аккумулятор батареясы
- Теріс пластиналар; 5. Тығын
- Оң пластиналар; 6. Қақпақ
- Батарея қыры; 7. Жалғағыш пластина
- Бак; 8. Полюстық штир;
9. Сеператор;
Аккумулятор батареясындағы электролит
Электролит - белгілі бір мөлшердегі концентрацияда, электрлік тоқты өткізетін иондары бар, сұйық немесе қатты зат (25-30% H2SO4 күкірт қышқылының ерітіндісі)
Электролитті химиялық таза күкірт қышқылы мен тазартылған судан дайындайды. Қышқыл мен суды қышқылға төзімді ыдысқа құйып араластырады. Мұндайда қышқылды суға аздан сыздықтатып құяды. Егер суды қышқылға құятын болса тасқынды реакция болады. Қышқыл шашырап, ыдыстың ернеуінен асады, ал денеге тисе күйдіріп жіберуі мүмкін. Электролитті қышқыл мен судан ара қатысын оның тығыздығын бақылап, реттеп тұру қажет.
Қышқыл денеге түскен кезде зақымданған жерді алдымен сумен содан соң 10%-тік мүсәтір спиртінің ерітіндісімен жуу керек. Электролиттің деңгейімен тығыздығының батареяның әрлементі сайын тексереді.
Ареометр - сұйықтың тығыздығы мен сыбағалы салмағын өлшейтін шыны аспап
3
2
1
7-сурет. Аккумуляторды тексеру
1. Аккумулятордың электр деңгейі
2. Ток кернеуін тексеру.
3. Электролиттің тығыздығын тексеру.
Аккумулятордың жұмысқа жарамдылығын анықтайтын жалпы сипаттамалары: электр қозғаушы күші, кернеуі, сыйымдылығы, болып табылады.
Электр қозғаушы күші деп жұмыс істеу барысында ток көзінің жабық тізбекте тасымалдайтын қуат бірлігіне тең шаманы атайды. Ол вольтпен (В) өлшенеді.
Аккумулятордың кернеуі - оң және теріс электродтардың тұйықталған сыртқы тізбегі потенциалдарданың айырмашылығы (қуат алу және қуат беру кезінде)
![]()
8-сурет. Аккумулятор батареясының сыйымдылығы
... жалғасы- Іс жүргізу
- Автоматтандыру, Техника
- Алғашқы әскери дайындық
- Астрономия
- Ауыл шаруашылығы
- Банк ісі
- Бизнесті бағалау
- Биология
- Бухгалтерлік іс
- Валеология
- Ветеринария
- География
- Геология, Геофизика, Геодезия
- Дін
- Ет, сүт, шарап өнімдері
- Жалпы тарих
- Жер кадастрі, Жылжымайтын мүлік
- Журналистика
- Информатика
- Кеден ісі
- Маркетинг
- Математика, Геометрия
- Медицина
- Мемлекеттік басқару
- Менеджмент
- Мұнай, Газ
- Мұрағат ісі
- Мәдениеттану
- ОБЖ (Основы безопасности жизнедеятельности)
- Педагогика
- Полиграфия
- Психология
- Салық
- Саясаттану
- Сақтандыру
- Сертификаттау, стандарттау
- Социология, Демография
- Спорт
- Статистика
- Тілтану, Филология
- Тарихи тұлғалар
- Тау-кен ісі
- Транспорт
- Туризм
- Физика
- Философия
- Халықаралық қатынастар
- Химия
- Экология, Қоршаған ортаны қорғау
- Экономика
- Экономикалық география
- Электротехника
- Қазақстан тарихы
- Қаржы
- Құрылыс
- Құқық, Криминалистика
- Әдебиет
- Өнер, музыка
- Өнеркәсіп, Өндіріс
Қазақ тілінде жазылған рефераттар, курстық жұмыстар, дипломдық жұмыстар бойынша біздің қор #1 болып табылады.

Ақпарат
Қосымша
Email: info@stud.kz