Жарма. Бидай жармасы


Жоспар
Кіріспе
Негізгі бөлім
1. Жарма. Бидай жармасы.
2. Бидай жармасын алу технологиясы
Қорытынды
Пайдаланылған әдебиет
Кіріспе
Жарма - дақыл тұқымдастарына жататын бидай, арпа, тары, күріш, жүгері және қарақұмық дәндерін өңдеу арқылы алынатын өнім. Жарма ретінде бұршақ тұқымдастары дәндерін де пайдаланылады. Жарма тағамы қасиеттері жоғары және жұғымды болады. Балалар және ауруға шалдыққан адамдар үшін ерекше қажет. Жарма крахмал мен өсімдік ақуызының негізгі көзі болып табылады. Сонымен бірге жармада аз мөлшерде витаминдер, минералды заттар бар. Қазіргі кезде жарма өндіруге арналған механикаландырылған кәсіпорындар бар. Бұл кәсіпорындар негізінен тары, күріш, арпа, қарақұмық дақылдарынан әр түрлі жармалар дайындайды.
Жарманың тағамдық құндылығы жарма дақылдарының химиялық сапасы, табиғи қасиеті және өңдеу технологиясына байланысты.
Бидайдан манный, полтава және артек жармасы дайындалады. Манный жармасын сапалы бидайдан дайындайды. Басқа жармамен салыстырғанда манный жармасында клетчатка мөлшері аз болады (0, 4%-тен аспайды) . Осы қасиетіне байланысты диеталық және балалар тағамын дайындауға пайдалы. Манный жарманы сұйық тағамға себуге болады, одан қою тағам (ботқа, құймақ, запеканка, биточка, котлет) және тәтті тағам (пудинг, суфле, мусс) дайындалады.
Жарма
Жарма - дақыл тұқымдастарына жататын бидай, арпа, тары, күріш, жүгері және қарақұмық дәндерін өңдеу арқылы алынатын өнім. Жарма ретінде бұршақ тұқымдастары дәндерін де пайдаланылады. Жарма тағамы қасиеттері жоғары және жұғымды болады. Балалар және ауруға шалдыққан адамдар үшін ерекше қажет. Жарма крахмал мен өсімдік ақуызының негізгі көзі болып табылады. Сонымен бірге жармада аз мөлшерде витаминдер, минералды заттар бар. Қазіргі кезде жарма өндіруге арналған механикаландырылған кәсіпорындар бар. Бұл кәсіпорындар негізінен тары, күріш, арпа, қарақұмық дақылдарынан әр түрлі жармалар дайындайды.
Жарманың тағамдық құндылығы жарма дақылдарының химиялық сапасы, табиғи қасиеті және өңдеу технологиясына байланысты.
Жарманың химиялық құрамы (%құрғақ зат) : көмірсу - 60-86; белок 8-15 (бұршақта 27) ; май 1-7; минералды заттар 0, 6-3; тиамин 0, 08-9, 0; рибофлавин 0, 04-0, 2.
Тағамдық құндылығының құрамына кіретін химиялық заттары бойынша ғана емес, олардың балансы бойынша да анықтайды. Амин қышқылдардың қатынасы бойынша белок құрамы липидтердің май қышқылдық құрамы, әр минералды заттардың мөлшері мен өзара қатынасы, биологиялық активті заттардың мөлшері маңызды орын алуы крахмалдың ерекшелігі болып табылады.
Көмірсулар - барлық жармалардың негізгі құрам бірлігі. Олар тек энергия көзі ғана емес, сонымен қатар жарманың аспаздық қасиеттері мен сіңімділігін қамтамасыз етеді. Көмірсу құрамының өзгеруі жарма сапасының төмендеуін көрсетеді. Крахмал жарма түріне байланысты 64-тен 74% -га дейін ауытқиды. Шіріген ботқа консистенциясы крахмал кұрамындағы амилоза мен амилопектин катынасына тәуелді. Кант аз мөлшерде болады -1, 1-3, 4%, олар тағамның дәмдік қасиетіне әсер етеді. Жасушаның үлесіне 0, 2-1, 2%-тиеді. Ол жарманың сіңімділігі мен аспаздьқ қасиетіне әсер етеді. Жалпы жарма көмірсуларының 94-96% -ы сіңеді.
Амин қышкылдық, кұрамы бойынша белоктар теңестірілмеген, лимиттелген амин кыпщылдар (триптофан, лизин, метионин) катынасы оптималды катынасқа (1:3:3) сәйкес емес. Төменде көрсетілген милиметрден барлық жармада метионинен аздығын, ал тары жармасында метионин мен лизин аз екенін көруге болады.
Бидай жармасы
Бидайдан манный, полтава және артек жармасы дайындалады. Манный жармасын сапалы бидайдан дайындайды. Басқа жармамен салыстырғанда манный жармасында клетчатка мөлшері аз болады (0, 4%-тен аспайды) . Осы қасиетіне байланысты диеталық және балалар тағамын дайындауға пайдалы. Манный жарманы сұйық тағамға себуге болады, одан қою тағам (ботқа, құймақ, запеканка, биточка, котлет) және тәтті тағам (пудинг, суфле, мусс) дайындалады.
Полтава жармасы
Полтава жармасы - тұтас немесе ұнтақталған, ұрығынан түгел босатылған, тұқымдық - ұрықтық қабықтарынан арылған қауыздалған бидай дәні.
Полтава жармасын қатты бидай сортының дәнінен алады. Ол үшін дәнді қабықтан (қауыздан) тазартады. Ол ақталған арпа жармасына ұқсас болады. Ірі жарманы суп, ал ұсақ жарманы ботқа, биточка т. б. тағам дайындауға пайдаланады. Таза эндоспермнен тұрады. Тартуға түсетін бидай түріне байланысты ұнтақ жарманың 3 маркісі ажыратылады: "М"-жұмсақ бидайдан, "Т"- қатты бидайдан, "ТМ"- қатты және жұмсақ бидайдан алынғанын көрсетеді.
Тағамдық құндылығы бидай дәнінің сапасына байланысты және жоғары сортты бидай ұнына жақын.
"М" маркалы ұнтақ жармада клетчатка, күл, белок мөлшері аз, ал крахмал көп. Жарма тез піседі (5-8 минут) . Ботқа консистенциясы біртекті, дәмі жақсы болады.
"Т" маркалы ұнтақ жарманың күлділі жоғары, белок пен клетчатка көбірек, крахмал аз болады. Пісу уақыты 10-15 минут, көлемі аз ұлғаяды.
"МТ" маркалы ұнтақ жарма аралық орын алады. Аспаздық касиеті бойынша басқаларға қарағанда төменірек.
Артек жармасы
Артек жармасы - барлық ұрығынан, тұқымдық - ұрықтық қабықтарынан арылған, ажарланып ұнтақталған бидай түрі.
Артек жармасын қатты бидай сортының дәнінен дайындайды. Ұнтақталған бидай дәнінен алынған артек жармасы манный жармасына ұқсас келеді. Артек жармасынан сүтке пісірген сұйық және қоймалжың ботқа, запеканка, биточка т. б. тағамдар әзірлейді. Жарма негізінен эндоспермнен тұрады, алейронды қабаттың, жемісті және тұқымды қабықшалардың қалдығы болады. Ірілігі бойьнша 5 нөмірі шығарылады. №1-ұзынша формалы, №2 овал тәрізді, қалғаны шар тәрізді болады. Біріншіден төртінші нөмірге дейінгі жарма Полтавтық, ал бесінші нөмірлі жарма «Артек» деп аталады.
Ажарланған бидай жармасы крахмал мен белокқа бай. Клетчатка ұнтақ жармаға қарағанда көбірек. Липидтер негізінен қанықпаған май қышқылдарынан тұрады. Минералды заттар аз мөлшерде болады. Ажарланған бидай жармасы нөміріне байланысты 15-60 минут піседі, көлемі 4-5 есе өседі. Ботқасы сусымалы немесе тұтқыр консистенциялы болады.
1-кесте. Жармалардың химиялық құрамы
Крах
мал
Клет
чатка
Минерал
ды заттар
Бидай жармасын алу технологиясы
Бидайдан ажарланған Полтава және Артек жармаларын алады. Полтава жармасы ірілігіне байланысты төрт нөмірге бөлінеді, ал Артек жармасы нөмірлерге бөлінбейді. (2-кесте) .
2-кесте. Полтава және Артек жармаларының нөмірлері.
Дәнді жарма алуға дайындау
Бидай жармасын ІІ және VІ типті қатты бидайдан алады. Қатты бидайдың шынылығы жоғары болғандықтан (100%-ға жақын) жарманың барлық бөлшектерінің құрылысы бірыңғай шынылы, сондықтан олар бірдей бөгіп, бірдей піседі. Жарманы жұмсақ бидайдан алуға болады, бірақ оның сапасы төмен болады. Бидайдан жарма алуға дайындау сызбасы 1-суретте көрсетілген.
Бидайды қоспалардан диірмендерде қолданатын машиналарда тазалайды.
Бидайды қоспалардан тазалау үшін желді-елек сепараторынан екі рет өткізеді, екінші рет тазалауда бірінші сепаратордан бөліп алған ірі және ұсақ фракоцияларды тазалайды. Тас және басқа ауыр қоспаларды тас бөлгіште, қысқа және ұзындарын триерлерде тазалайды.
1-сурет. Бидайды жарма алуға дайындау сызбасы:
1-автоматты таразылар, 2-желді електі сеператор, 3-магнитті сеператор, 4-тас бөлгіш машина, 5-қарамықша бөлгіш, 6-қара сұлы бөлгіш, 7-ылғалдағыш машина, 8-бектіру қорабы, 9-қалақты ұрғыш машина, 10-аспиратор, 11-бурат.
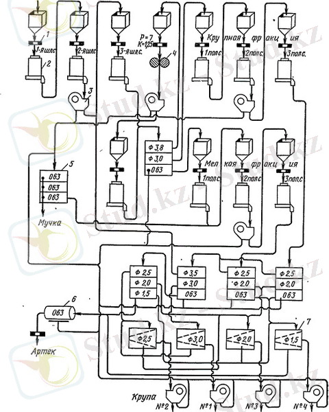
2-сурет. Бидайдан жарма алу сызбасы: 1-магнитті сеператор, 2-қауыздаушы-ажарлаушы А1-ЗШН-З машинасы, 3-аспиратор, 4-білікті станок, 5-елеуіш, 6-бурат, 7-жарма бөлгіш.
Дәнді жылы сумен ылғалдап, оның ылғалын 14, 5-15, 0%-ға жеткізіп, 20-30 минут қорапта бөктіреді. Осы себепті, қауыздау кезінде, қабықтары мен ұрығы жеңіл бөлінеді.
Алдын ала қауыздауда қырғылау машинасы қолданылады. Оның қалақтарының айналу жылдамдығы 16-14 м/сек, ылдилығы 8-10% түрпіленген шеңбер мен қалақтарының аралығы 20-25 мм. Қауыздау барысында 4-5% қабықтары мен ұрықтары бөлінеді. Ұнтақталған дән мөлшері 15%-дан аспауы керек. Қырғылау машинаның орнына A1-ЗШН-З-ті қолдануға болады. Онда оның сапасы жоғарылау болады. Қауыздаудан кейін желсорғышты қолданады.
Бидай жармасын алу
Бидай жармасын А1-ЗШН-З машинасында үш рет ажарлау және жылтырату арқылы алады. 2-сурет. Ажарланған өнімдерді елеуіште сұрыптап, бірнеше фракциялар алады. Саңылауы 3, 3-4, 0мм електен алынған сырғымаларды білік станокта қауыздайды. Ұнтақталған заттарды желсорғыштан өткізіп, А1-ЗШН машинасында өңдеп, елеуіште сұрыптайды.
Елеуіштерде ұнтақтарды бөліп алады, ал қалғандарын ірі және майда фракцияларға бөледі. Бұл фракцияларды жеке жылтыратады.
Әр жүйедегі А1-ЗШН-З машинасында қауыздау ұзақтығы 12-25 сек, ал жылтырату 15-30 сек. Дискілердің айналу жылдамдығы қауыздауда 16-18 м/сек, жылтыратуда 20-22 м/сек.
Екінші жылтырату жүйесінен кейін, жарманы қалған қабықтар мен ұнтақтардан тазалау үшін, желсорғыштан өткізеді. Өлшемдері біркелкі емес жармаларды үшінші жылтырату жүйесінде өңдеуден өткізіп, жармаларды нөмірлерге бөлу үшін, тексеруге түседі. Барлық елеуіш машиналардан және А1-ЗШН циклондарынан алынған ұнтақтарды тексеруге жібереді. Дәннің бөлшектерінің мөлшері ұнтақтың құрамында 5%-дан аспауы керек.
Тұрақты көрсекіштегі бидайдан алынатын дайын өнімдердің шығым мөлшері 3-кестеде көрсетілген.
3-кесте. Бидайдан алынған дайын өнімдердің шығым мөлшері, % есебімен
Қорытынды
Жарма - дақыл тұқымдастарына жататын бидай, арпа, тары, күріш, жүгері және қарақұмық дәндерін өңдеу арқылы алынатын өнім. Жарма ретінде бұршақ тұқымдастары дәндерін де пайдаланылады. Жарма тағамы қасиеттері жоғары және жұғымды болады. Балалар және ауруға шалдыққан адамдар үшін ерекше қажет. Жарма крахмал мен өсімдік ақуызының негізгі көзі болып табылады. Сонымен бірге жармада аз мөлшерде витаминдер, минералды заттар бар. Қазіргі кезде жарма өндіруге арналған механикаландырылған кәсіпорындар бар. Бұл кәсіпорындар негізінен тары, күріш, арпа, қарақұмық дақылдарынан әр түрлі жармалар дайындайды.
Жарманың тағамдық құндылығы жарма дақылдарының химиялық сапасы, табиғи қасиеті және өңдеу технологиясына байланысты.
Жарманың химиялық құрамы (%құрғақ зат) : көмірсу - 60-86; белок 8-15 (бұршақта 27) ; май 1-7; минералды заттар 0, 6-3; тиамин 0, 08-9, 0; рибофлавин 0, 04-0, 2.
Бидайдан ажарланған Полтава және Артек жармаларын алады. Полтава жармасы ірілігіне байланысты төрт нөмірге бөлінеді, ал Артек жармасы нөмірлерге бөлінбейді.
... жалғасы- Іс жүргізу
- Автоматтандыру, Техника
- Алғашқы әскери дайындық
- Астрономия
- Ауыл шаруашылығы
- Банк ісі
- Бизнесті бағалау
- Биология
- Бухгалтерлік іс
- Валеология
- Ветеринария
- География
- Геология, Геофизика, Геодезия
- Дін
- Ет, сүт, шарап өнімдері
- Жалпы тарих
- Жер кадастрі, Жылжымайтын мүлік
- Журналистика
- Информатика
- Кеден ісі
- Маркетинг
- Математика, Геометрия
- Медицина
- Мемлекеттік басқару
- Менеджмент
- Мұнай, Газ
- Мұрағат ісі
- Мәдениеттану
- ОБЖ (Основы безопасности жизнедеятельности)
- Педагогика
- Полиграфия
- Психология
- Салық
- Саясаттану
- Сақтандыру
- Сертификаттау, стандарттау
- Социология, Демография
- Спорт
- Статистика
- Тілтану, Филология
- Тарихи тұлғалар
- Тау-кен ісі
- Транспорт
- Туризм
- Физика
- Философия
- Халықаралық қатынастар
- Химия
- Экология, Қоршаған ортаны қорғау
- Экономика
- Экономикалық география
- Электротехника
- Қазақстан тарихы
- Қаржы
- Құрылыс
- Құқық, Криминалистика
- Әдебиет
- Өнер, музыка
- Өнеркәсіп, Өндіріс
Қазақ тілінде жазылған рефераттар, курстық жұмыстар, дипломдық жұмыстар бойынша біздің қор #1 болып табылады.

Ақпарат
Қосымша
Email: info@stud.kz