МИКРОКОНТРОЛЛЕР. Бір сұлбалы компьютер - микроконтроллерлер деп аталады


Жұмыс түрі: Реферат
Тегін: Антиплагиат
Көлемі: 20 бет
Таңдаулыға:
КІРІСПЕ
Транзистордың пайда болуы ЭЕМ жылдамдығын секундына он және жүз мың операцияларды орындайтын халге жеткізді. транзистор, диодтар, резисторлар, конденсаторлар қосылды. Мұндай ЭЕМ-дер екiншi ұрпақтың машиналарына жатты.
Құрамына электрондық элементтердiң үлкен санын қосатын интегралды микросұлбалар қолданысқа ене бастауы ЭЕМ-нің үшiншi және одан ары қарайғытүрлері жылдамдықтарын тағы бірнеше есе көбейтті және адамның оны басқаруына, жеңіл пайдалануына жол ашты.
Бұйымдарда микроконтроллерлерді қолдану тек қана техникалық-экономикалық көрсеткiштердiң (құн, сенiмдiлiк, тұтынылатын қуат, габариттi өлшемдер) жоғарылатуға алып келмейді, сонымен қатар бұйымдарды өңдеууақытын қысқартуға мүмкiндiк бередi және оларды сыртқы ортаның кез келген жағдайына бейімділігін, . Микроконтроллерді басқару жүйелерiнде қолдану аз шығындап, биiк тиiмдiлiк көрсеткiштерiне жетуді қамтамасыз етедi.
Микроконтроллерлер құрамында түрлi объекттер және процесстердiң тиiмдi автоматтандыру құралдары болады. Микроконтроллердібiр микросхемада орналасқан компьютер ретiндесанауға болады. Бұдан оның негiзгi тартымды сапалары: аз габариттер, жоғарғы өнiмдiлiк, сенiмдiлiк және қабiлеттiлiгi тiптен әр түрлi есептердiң орындауы шешіледі.
Микроконтроллер орталық процессордан (ОП ) тысжады және көп құрылымдыенгізу/шығару функцияларын өз құрамына енгізеді. Олар: аналогтық-цифрлық түрлендiргiштер, мәлiметтiң бiртiндеп және параллель берiлу каналдары, нақты уақыттың таймерлерi, ендiк - импульсты модуляторлар (ЕИМ ), программалалатын импульстердiң генераторы және тағы басқалар.
Микроконтроллердің негiзгi тағайындалуы -оны автоматты басқару жүйелерiнде, тiптен әр түрлi құрылымдарда қолданылуы болып табылады.
1-БӨЛІМ МИКРОКОНТРОЛЛЕР.Бір сұлбалы компьютер - микроконтроллерлер деп аталады. Микроконтроллерлер электронды құрылғыларды басқару үшін қолданылады. Микроконтроллерлер түрлi объекттер және процесстердiң тиiмдi автоматтандыру құралдары болып табылады. Микропроцессорлардан айырмашылығы, дербес компьютерлерде қолданылатын микроконтроллерде қосымша құрылғылар орнатылған. Бұл құрылғылар өз міндеттерін микропроцессорлы микроконтроллерлер ядросы арқылы басқарып отырады.
1. 1. -51, MCS-52, MCS-251 топтарыАлғашқы микроконтроллерлер(8048-шi топтама ) 1976 жылы батыс нарығында пайда болып, бiрден өңдеушiлер және тұтынушылардың назарын жаулап алды.
Дегенмен де iс жүзiнде бұл микроконтроллердің кемшiлiктерi бiрден атап өтiлдi. Өндірушілер ТЕСҚ(тұрақты есте сақтайтын құрал) көлемiнiң тапшылығын үнемi байқады. ЖЕСҚ (жедел есте сақтайтын құрал) көлемі де аз болды, 64 байттың жартысынан көбін жүйелік регистрлер алып тұрды. Көп командалардың тапшылығы сезілді.
Осыған байланысты Intel өңдеушi фирмасының алдында ауыр міндет тұрды -ол бойынша микро-ЭЕМ қасиеттерін оның корпусының шығыс санын үлкейтпей және 256 командалық шектен шықпай толықтыру болды. Бұл фирма осыдан кейін 8051 сериялы өнімін шығарды. Олардың жаңа шығарыламы - 8051 өнiмдiлiгі бойынша 8048 сериясынан асып түстi. Ол екi есе көп ЖЕСҚ-на ие болды, төрт енгізу/шығарупортын, екi есе көп жалпы тағайындаудың регистрлерiн, екi есептеуiш-таймер және екi үзу сызығынқұрамына біріктірді.
Бұл микро-ЭЕМ-дің пайда болуы 8048-шi топтардың пайдаланылуынартқа шегiндiрді. Олардың шығарылымы және кең қолданылуы бұрын игерiліп келген аппаратураларды, өндірістен және қолданыстан біртіндеп шығара бастады. 1990-шы жылдары микро-ЭЕМ-нің 8051 сериялары қолжетімді және отандық қолданушыларына болды.
Өңдеушiлер 8051 микро-ЭЕМ жасалған соң да тоқтамады, олар оны жетiлдiруiнiң варианттарын iздестiруді бастады. Бұл үшін оларға микро-ЭЕМ-нің функционалдық мүмкiндiктерін кеңейтіп қана қоймай, сонымен қатар оның өнiмдiлiгiн жоғарылату және оны 8051 топтарымен бағдарламалы сәйкестендіру керек болды. Өйткені барлық бағдарламалар 8051 сериялы микроконтроллер үшiн жазылған және оның аппаратты қолдануының барлық варианттарын қандай да болсын толықтырусыз жаңа микроконтроллерде орындалуы керек болды.
1995 жылдыңбасында Intel фирмасы микроконтроллердің жаңа MCS-251топтарын жарыққа шығарды. Оның пайда болуы бүкiләлемдiк микроконтроллерлердiң MCS-51 топтарының архитектурасындағы сапалық өзгерісті белгiледi.
Бұл микроконтроллерлерді программалау ассамблер немесе Си тілінде жүргізіледі. Программаны қайта құру үшін программалы симуляторлар (дербес компьютерлерге арналған арнайы программалар, ішкі жүйе) және эмуляторды (микроконтроллерлерге ұқсасэлектронды құрылғы) қолданады.
Микроконтроллерлер программасына енгізілген түрлі электронды құрылғылар әр-түрлі әрекеттерді басқару үшінпайдаланылады. Микроконтроллердің микропроцессорлардан айырмашылығы, дербес компьютерлерде қолданылатын оларда қосымша құрылғылар орнатылған. Бұл құрылғылар өз міндеттерін микропроцессорлы микроконтроллерлер ядросы арқылы басқарып отырады.
Өндірушілердің бағалауы бойынша, микроконтроллерлердiң MCS-251 топтарының MCS-51 мен салыстырғанда өнiмдiлiктеріжәне кейбір қасиеттері байытылған. Микроконтроллерлердiң адрестi кеңiстiгi 16 Мбайтқа дейiн кеңейтілген, сонымен бiрге iшкi регистрлердiң жиыны даұлғайған. Командалар жүйесiне жаңа нұсқаулардың үлкен саны қосылған.
Артықшылығы:
- бұйымдардың үлкен номенклатурасы;
- микроконтроллерлердi өңдеушiлердiң үлкен тәжiрибесi;
- аспапты құралдардың үлкен саны.
Кемшілігі:
- Аккумулятор базасындағы арифметика-логикалық құрылымның баяулығы;
- нұсқаудағы такттердiң үлкен саны;
- бос командалық циклдердiң болуы;
- көп энергия тұтынуы, (MCS-251 ) .
1. 2. Микроконтроллердің құрылымы
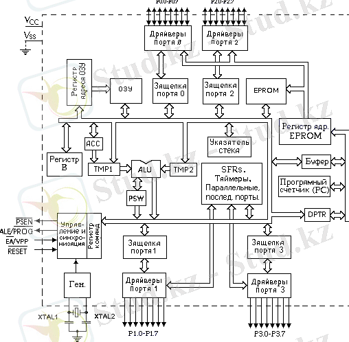
Микроконтроллердің құрылымына негізінен бағыттаушы құрылым, арифметика - логикалық құрылым және ішкi регистрлердiң блогы кіреді. Бұл негізгі параметрлер барлық микроконтроллерлер құрамында болады. Микроконтроллерде сигнал алмасу, яғни екі жақты алмасу мәліметтердің 8-разрядты магистралі арқылы жүзеге асады. Бұл құрылымдар арасында бағдарлаудың ішкі сигналының мәліметтерді беру жүйесі орналастырылған. Микроконтроллердің құрылымының схемасы төмендгі 1-суретте көрсетілген.
1. 1-сурет. Микроконтроллердің құрылым схемасы
1. 3. Микроконтроллердің басқару блогы
Басқару блогы және синхронизациялар синхронизацияланған және бағдарлаушы сигналдарды өндiру үшiн арналған. Басқару блогiнiң құрамдарына кiредi (Микроконтроллердің блок схемасы 2-суретте көрсетілген) :
- уақыт аралықтарының құрастыру құрылымы;
- енгiзу-шығару логикасы;
- команда регистрi;
- электр энергиясының тұтынуын басқаратын регистр;
- командалар дешифраторы, ЭЕМ басқару логикасы.
Уақыт аралықтарының құрастыру құрылымы iшкi фаза сигналдарын құрастыру және беру үшiн арналған. Машина циклдерiнiң саны командалардың орындалуының ұзақтықтығын анықтайды. БКЭЕМ-ның (бір кристалды ЭЕМ) түгелдей дерлiк командалары бiр немесе екi машина циклдаларында орындалады.
Енгiзу-шығару логикасы енгізу/шығару порттары арқылы сыртқы құрылымдармен ақпарат алмасу сигналдарын қабылдау және беру үшiн арналған.
Команда регистрi атқарылатын команданың 8-шi дәрежелiк операция кодын жазу және сақтау үшiн арналған.
Электр энергиясының тұтынуын басқаратын регистр электр энергиясының тұтынуын кiшiрейту және бөгеу деңгейінiң кiшiрейуi үшiн микроконтроллердiң жұмысын тоқтатуға мүмкiндiк бередi.
Командалар дешифраторы, ЭЕМ басқару логикасы команданы орындау барысындаоперация кодтарын микропрограммаға өзгертедi.
1. 2-сурет. Контроллердің қозғалыс блок-схемасы
1. 4. Микроконтроллердің арифметика-логикалық құрылымы
Арифметика-логикалық құрылым арифметикалық және логикалық операцияларды орындауды қамтамасыз ететiн параллел сегiз разрядты құрылымнан тұрады. Арифметика-логикалық құрылым құрамына мыналар кіреді:
- ТЕСҚ тұрақтылары,
- сумматор,
- қосымша регистр ( В регистры),
- аккумулятор,
- бағдарламалардың күйi регистрі.
ТЕСҚ тұрақтылары мәлiметтердiң екiлiк-ондық кодта берiлуiн өндiрудi қамтамасыз етедi.
Параллел сегiз разрядты сумматор арифметикалық операцияларды қосу, алу және логикалық операцияларды қосу, алу, көбейтуге арналған бiртiндеп тасымалдауы бар комбинациялық түрдiң схемасын қамтиды.
B регистры операция уақытында көбейту және бөлуде қолданылатын сегiз разрядты регистр. Ол басқа нұсқаларда қосымша жедел регистр сияқты қарала алады.
Аккумулятор арифметика-логикалық операцияларды орындау барысында пайда болғаннәтиженi қабылдау және сақтау үшiн арналған сегiз разрядты регистр.
Бағдарламаның күй регистрі бағдарламаны орындау кезіндегіарифметика-логикалық құрылымның күйi туралы ақпаратты сақтау үшiн арналған.
Электрондық құрылғыларды басқару үшiн қолданылатын микросхема - микроконтроллер. Микроконтроллер процессордың функцияларын бойына жинаған оның құрамында ТЕСҚ және ЖЕСҚ болады. Басқаша айтқанда бұл қарапайым тапсырмаларды орындай алатын біркристалды компьютер.
Ал ендіMCS-51 микроконтроллерінің архитектурасын мысалға алайық. MCS-51 топтарының архитектурасы қолайлы және карапайым да арзан цифрлық құрылғыларымен ерекшеленген. . MCS-51 топтарына қарапайым микроконтроллерден бастап күрделі микроконтроллерде болатын микросұлба кіреді.
1. 3-сурет. К1830ВЕ751 микроконтроллерінің құрылымдық схемасы
Суретте көрсетілген микроконтроллердің құрамының негізгі бөліктеріне: такті импулстары генераторы, басқару болгы, арифметикалық-логикалық құрылым, таймер/санауыш болгы, кезекті интерфейс блогы және үзілулер, бағдарламалық санауыш, мәліметтер жадысы және бағдарлама жадысы. Екіжақты алмасу ішкі 8-разрядты мәліметтер магистралі арқылы жүзеге асады.
Басқару блогы (Timing and Control) құрылғының блоктармен үйлескен жұмысын оның кез-келген жұмыс режимінде қамтамасыз ететін басқарушы сигналдарды тудыру үшін арналған. Оның құрамына уақыт интервалын қалыптастырушы құрылғы, енгізу-шығару логикасы, командалар регистрі, электр энергиясын тұтынуды реттейтін регистр және де команда дешифраторы, ЭЕМ басқару логикасы.
Тактілік жиілік генераторы (такті импулсі генераторы) әр түрлі процестерді синхронизациялау үшін берілген жиілікте электрлік импульсті өндіреді. Тактілік импульс эталонды жиілік ретінде қолданылады-олардың санын өлшей отырып, мысалы, уақытша интервалдарды өлшейди.
Микропроцессорлық техникада бір тактілік импульс ереже бойынша, бір атомдық операцияға сәйкес келеді. Бір құрылымның өңделуі архитектураның немесе құрылым типіне байланысты микропроцессордың бір немесе бірнеше тактілік жұмысын шығаруы мүмкін. Тактілік импульстің жиілігін есептеу жылдамдығы анықтайды.
Уақытша интервалды қалыптастыру құрылғысы циклдер, тактілер және фазалар ішкі синхросигналдарын беру және қалыптастыру үшін арналған. Машиналық циклдердің саны орындалған команділердің ұзақтығын анықтайды. Негізінде БЭЕМ-нің орындалуы төрт машиналық циклді құрайтын көбейту және бөлу команділерінен басқа барлық команділері бір немесе екі машиналық циклде орындалады. F г арқылы берілген генератордың жиілігін белгілейік. Онда машиналық циклдің ұзақтығы 12/F г тең немесе берілген генератор сигналының 12 периодын құрайды. Еңгізу-шығару логикасы Р0-Р3 еңгізу-шығару порттары арқылы 12/F г ішкі құрылғыларымен ақпарат ауыстыруды қамтамасыз ететін сигналдарды шығару және қабылдау үшін арналған.
Команда регистрі орындалатын команданың 8 разрядты операция кодын жазуға және сақтауға арналған. Код операциясы, командалар дешифраторы және ЭЕМ басқару логикасының көмегімен командаларды орындайтын микропрограммаға түрленеді.
Электр тұтынуды басқаратын регистр (PCON) қуат көзін тұтыну азйып кеткенде және микроконтроллер тарапынан болатын бөгеттер деңгейінің төмендеп кеткенде микроконтроллердің жұмысын тоқтатуға мүмкіндік береді.
Арифметика-логикалық құрылым (ALU) арифметикалық және логикалық операцияларды орындауды қамтамасыз ететiн параллел сегiз разрядты құрылымнан тұрады.
Бағдарламаның күй регистрі(PSW) бағдарламаны орындау кезіндегі арифметика-логикалық құрылымның күйi туралы ақпаратты сақтау үшiн арналған.
Командалар счетчигі (Program Counter) берілген 16 разрядты адресті ішкі бағдарлама жадысына және 8/16 разрядты адресті сыртқы бағдарлама жадысына қалыптастыру үшін арналған.
Мәліметтер жадысы (RAM) бағдарламаны орындау кезінде қолданылатын мәліметтерді уақытша сақтауға арналған.
P0, P1, P2, P3 порттары екіжақты бағытталған енгізу-шығару квазипортына жатады. Ол 32 енгізу-шығару сызығын бейнелей отырып, ЭЕМ мен оның ішкі құрылғыларымен ақпарат алмасуын қамтамасыз етеді.
Бағдарлама жадысы (EPROM) құрамына тұрақты есте сақтау жүйесін қосқан және бағдарламаларды сақтауға арналған. Микросұлба түріне қарай ТЕСҚ өшірілетін және тазаланатын түрлері қолданылады.
Мәліметтерді көрсету регистрі (DPTR) 16 разрядты адресті сыртқы жадыға немесе бағдарлама жадысына сақтауға арналған.
Стек көрсеткіші (SP) кұрамына сегізразрядты регистрді қосқан, кез келген жады ұяшығына мәліметтерді уақытша сақтай алатын жадының ерекше аймағын қалыптастыруға арналған.
2-БӨЛІМ
МИКРОКОНТРОЛЛЕРЛЕРДІҢ ЖЕКЕЛЕНГЕН ТОПТАРЫ
2. 1. Бiр кристалды микроконтроллер, 78K0R/LG3-M
Renesas Electronics компаниясы электр энергиясын есептейтін бiрфазалық статикалық электрондық есептеуiштерiнің қызметiн жобалауға мүмкiндiк беретiн 78K0R/LG3-M 16-дәрежелiк микроконтроллерлерді жасап шығарды. Құрамына 20 Мгц жиiлiкпен жұмыс істейтін және 128 Кбайттық флеш жадысы бар жоғары өнiмдi 16-биттiк ядроны біріктірген жаңа микроконтроллерлер есептеуiштiң барлық негiзгi функцияларын құрамына біріктірген.
2. 1. -сурет. Бір кристалды 78K0R/LG3-M микроконтроллер
Айырмашылық ерекшелiктері:
- Бiр фазалық электр энергиясы есептеуiштерiнiң ұлғаймалы функционалдығын қолдауы. Үлкен көлемдi флеш жадының арқасында электр энергиясының бiр фазалық есептеуiштерiндегi әр түрлi функциялардың iске асу мүмкiндiгi.
- Кiрiстiрiлген метрологиялық iшкi жүйе. Микроконтроллерлер құрамына төрт кiрiстiрiлген 24-биттiк аналогты-цифрлық түрлендiргiш (АЦТ) кіреді. Метрологиялық қозғағыш қосымша функцияларды орындау үшiн калибрлеу функциясын және қуат есептеуiшті іске қосады. Құрылымның активті қуатты өлшеуінің жоғарғы дәлдiктерге жетуіне мүмкіндік туады (қателік шамамен 0. 1% құрайды) .
- Ультратөмен энергия тұтыну. Микроконтроллерлер жұмыс қабiлеттiлiгін қорек көзінің кернеуін 1. 8-3. 6 В аралығында сақтайды және электр энергиясынан ажыратылған жағдайда кішкене корек көзінің арқасында өте аз энергия тұтынып құрылғының нақты уақыт сағатында жұмыс жасауына мүмкіндік туғызады.
2. 2. 8-биттік микроконтроллерлер, XC82/XC83Smart
XC82x және XC83x сериялары 24 Мгц жиiлiкте жұмыс iстейтiн 8-биттiк Infineon топтарына жатады. Қазіргі кезде бұл микроконтроллерлер 2-8 Кбайттық флэш жадымен шығарылады. Микроконтроллердің сыртқы көрінісі 4-суретте бейнеленген.
Микроконтроллерлердiң ең маңызды интерфейстер, генерациялы ендік импулсті модулятор сигналы және көп каналды 10 биттiк АЦТ, сонымен бірге төмен энергия тұтынудың қауіпсіз режимін жатқызуға болады. Микроконтроллердің стандартты 8 биттiк мәлiметтердi өңдеуiн көбейту/бөлу модулі арқылы математикалық сопроцессор жылдамдатады. Бұл микроконтроллерлердiң базасында қозғалтқыштардың басқару жүйелерi үшiн тиiмдi және интеллектуалды шешiмдердi құруға мүмкiндiк бередi.
2. 2-сурет. Infineon сұлбасы
Ерекшелiктері:
- Сенсорлық басқару (ТЕСҚ-ның кеңейтілген кiтапханасымен) ;
- Көбейту/бөлублогы (өнiмдiлiктi қосымша жоғарылату және басқару мүмкiндiктерiн кеңейту үшiн) ;
- 10 биттітөрт каналдық АЦТ;
- Векторлық сопроцессор (коллекторсыз қозғалтқышты векторлық басқару үшiн) ;
- Тізбектелген интерфейстердің болуы;
- Жұмыстың өшу/қосылу тәртiптері.
Микроконтроллерлердiң XC82x/XC83x топтары сенсорлық басқару интерфейсінiң арқасында қозғалтқыштарды автоматтық басқару және автомобилдiк нарықтың жаңа құрылғылары ретінде қолданыла бастады. Олардың әрқайсысына жекелей тоқтала кетсек, XC82x/XC83x негізгі қолданылу аймақтары былай жіктеледі:
- Қозғалтқышты басқару құралдары:
- Желдеткiштердi, үрлегiштерді және тағы басқа құрылғылардыбасқаруға арналғанкеңейтілген коммуникациялық құрымдардың тұрақты тоғының коллекторсыз қозғалтқыштарында;
- Өлшегіш аспаптардың қозғалтқышын тiкелей басқаруда.
- Автомобилдiң сенсорлықбасқару құралдары:
- Жарық шығаруда жарық диодтарының сәуле тарату түсiн реттеу;
- Басқару құралдары (терезе көтергiштерді, айнаны, т. б. )
- Автокөлiктiң төбесіндегі люкті басқару;
- Отырғыштарды басқару;
- Орталықтандырылған басқару жүйелерi, мысалы, жылыту, желдету және ауа тазарту;
- Аспаптық панельдерді жарықтандыруды қамтамасыз етуді басқару.
3-БӨЛІМ
МИКРОКОНТРОЛЛЕРДІҢ КОМАНДАЛАР ЖҮЙЕСІ
Микроконтроллердің командалар жүйесі логикалық, арифметикалық операцияларды орындауға, сондай-ақ нақты уақыт режимінде басқарып жұмыс істеуіне улкен мүмкіндік береді.
Командалар жүйесін шартты түрде бес бөлімге бөлуге болады.
- Арифметикалық командалар;
- Логикалық командалар;
- Ақпаратты беру командалары;
- Биттік процессор командалары;
- Басқарма берілісінің және тармақты командалар.
Командалар жүйесінде қолданылатын символдар және белгілеулер кестесі
+
-
*
/
AND
OR
XOR
/X
Операциялар:
Қосу
Алу
Көбейту
Бөлу
Логикалық көбейту (және операциясы)
Логикалық қосу (немесе операциясы)
2 модулі арқылы қосу
Х элементінің инверсиясы
Микроконтроллерлерде қолданылатын операндтар
... жалғасы- Іс жүргізу
- Автоматтандыру, Техника
- Алғашқы әскери дайындық
- Астрономия
- Ауыл шаруашылығы
- Банк ісі
- Бизнесті бағалау
- Биология
- Бухгалтерлік іс
- Валеология
- Ветеринария
- География
- Геология, Геофизика, Геодезия
- Дін
- Ет, сүт, шарап өнімдері
- Жалпы тарих
- Жер кадастрі, Жылжымайтын мүлік
- Журналистика
- Информатика
- Кеден ісі
- Маркетинг
- Математика, Геометрия
- Медицина
- Мемлекеттік басқару
- Менеджмент
- Мұнай, Газ
- Мұрағат ісі
- Мәдениеттану
- ОБЖ (Основы безопасности жизнедеятельности)
- Педагогика
- Полиграфия
- Психология
- Салық
- Саясаттану
- Сақтандыру
- Сертификаттау, стандарттау
- Социология, Демография
- Спорт
- Статистика
- Тілтану, Филология
- Тарихи тұлғалар
- Тау-кен ісі
- Транспорт
- Туризм
- Физика
- Философия
- Халықаралық қатынастар
- Химия
- Экология, Қоршаған ортаны қорғау
- Экономика
- Экономикалық география
- Электротехника
- Қазақстан тарихы
- Қаржы
- Құрылыс
- Құқық, Криминалистика
- Әдебиет
- Өнер, музыка
- Өнеркәсіп, Өндіріс
Қазақ тілінде жазылған рефераттар, курстық жұмыстар, дипломдық жұмыстар бойынша біздің қор #1 болып табылады.

Ақпарат
Қосымша
Email: info@stud.kz