Қысқаша тұйықталған роторлы асинхронды қозғалтқышты зерттеу


Қысқаша тұйықталған роторлы асинхронды қозғалтқышты зерттеу
Жұмыстың мақсаты: Асинхронды қозғалтқыштың жұмыстық қасиеттерін зерттеу.
Жұмыстың бағдарламасы
- Қысқаша тұйықталған роторлы (келешекте АҚ дей белгілейміз) зерттеу үшін қажетті схеманы оқып үйрену.
- Табиғи механикалық сипаттаманы түсіру.
- Бірден жүктеме беру әдісі бойынша қозғалтқыштың жұмыстық сипаттамаларын түсіру.
- Эксперимент мәліметтерін өңдеу, есеп беруге дайындау және жұмыс бойынша қортынды жасау.
Жұмысқа түсінік беру
Лабораториялық жұмыста келесі модулдер пайдаланылады:
- стендті қоректендіру модулі (МПС) ;
- қоректендіру модулі (МП) ;
- күштік модуль (СМ) ;
- жиілік түрлендіргіш модулі (ПЧ) ;
- тиристорлық түрлендіргіш модулі (ТП) ;
- өлшеу модулі (МИ) ;
Лабораториялық жұмысты орындамас бұрын модулдерді алғашқы қалпына келтіріңдер:
- МДС 1 модулінің SA1 ауыстырып қосқышын «» қойыңдар;
- ТП модулінің «Сеть» деген тұтқасын төменгі қалыпқа қойыңдар, SA6 ауыстырып қосқышында төменгі қалыпқа қойыңдар. ТП момент бойынша реттеу режиміне ауысуы керек.
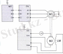
Зерттелетін асинхронды қозғалтқыш, электромашиналық агрегаттың құрамына кіреді, ол осы сабақта зерттелетін М1 қозғалтқыштан, жүктемелік генератордан тұрақты ток машинасы
және жылдамдықтың импульстік датчигі М3 тұрады.
Асинхронды қозғалтқышты зеттеу үшін арналған схема 1 суретте көрсетілген.
Асинхронды қозғалтқыш бірден ПЧ қосылады.
Тұрақты ток қозғалтқышының якорь тізбегі ТП модулінің реттелмейтін тұрақты ток көзіне
қосылады.
Тұрақты ток қозғалтқышының қоздырушы орамасы ТП модулінің реттелмейтін тұрақты ток көзіне
қосылады.
1 сур. Асинхронды қозғалтқышты зерттеу үшін арналған схема
Статор кернеуінің жиілігін, қозғалтқыштың қуатын және асинхронды қозғалтқыштың моментін өлшеу үшін жиілік түрлендіргіші пайдаланылады.
Статор тогын, якорь тогын және якордегі кернеуді өлшеу ТП модулімен іске асырылады.
Агрегаттың айналу жиілігін СМ индикаторы арқылы бақылайды.
1. АҚ табиғи механикалық сипаттамасы
Асинхронды электр қозғалтқышының табиғи механикалық сипаттамасы кернеу мен жиіліктің номинал мәндері кезіндегі жылдамдықтың жүктеме моментіне тәуелділігін көрсетеді:
, бұл кезде
,
.
Тәжрибе келесідей ретпен жүргізіледі:
- МПС және МП модулдерінің QF1, QF2 автоматты ажыратқыштарын қосыңдар;
- ПЧ жылдамдық реттейтін режимге қойыңдар;
- ПЧ модулінің SA1 тумблерімен қозғалтқыштың айналу жилігін таңдаңдар;
- RP1 потенциометрімен 50 Гц номинал жиілік беріп, өлшеудің алғашқы нәтижесін 1 кестеге жазыңдар;
- ТП жұмысына рұқсат беріңдер, қажетті айналу бағытын таңдаңдар;
- Модулдің RP1 потенциометрімен жүктеме моментін беріңдер, көрсетуін 1 кестеге жазып қою керек. Статор тогының мәнін ПЧ экранымен бақылаңдар.
Тәжрибе жасап болған соң жүктемені түсіріңдер (ТП модулінің RP1 тұтқасын сағат тіліне қарсы бағытта ең соңғы қалпына қойыңдар, SA6 төменгі қалыпқа қойыңдар) ПЧ модулінің SA1 тумблерін орташа қалыпқа қойыңдар.
1 кесте













Есептелетін шамалар
ТТГ электромагниттік моменті,
,
- бос жүріс тогы ( тұрақты ток машинасының Б қосымшада берілген графиктен анықталады және ТТ механикалық шығындары мен болаттағы шығындарына пропорционал болады) .
Электр қозғалтқышының білігіндегі момент,
.
Бұрыштық айналу жиілігі, рад/с
Сырғанау,
,
мұнда
- синхронды бұрыштық айналу жиілігі
,
мұнда
- синхронды айналу жиілігі.
1 кестедегі мәліметтер бойынша
,
сипаттамаларын тұрғызыңдар.
2. Статор кенеуі өзгерген кездегі АҚ жасанды механикалық сипаттамасы .
Асинхронды электр қозғалтқышының жасанды механикалық сипаттамасы статор кернеуінің номинал мәніндегі және номинал жиілік кезіндегі жылдамдықтың жүктеме моментіне тәуелділігін көрсетеді:
, бұл кезде
,
.
50 Гц жілік кезінде статор кернеуін өзгерту үшін ПЧ Е1-05 параметріне 220 В мән қою керек.
Тәжрибе табиғи механикалық сипаттаманы түсірген кездегідей ретпен өткізіледі. Тәжрибе мәліметтері 1 кестеге ұқсас кестеге жазылады.
3. Жұмыстық сипаттамаларды түсіру
Жұмыстық сипаттамалар статор тогының желіден тұтынатын активті қуатының, айналу жиілігінің, сырғанаудың, электромагниттік моменттің, ПӘК және қуат коэффициентінің қозғалтқыштың білігіндегі пайдалы қуатқа график түрінде бейнеленген тәуелділігін көрсетеді:
.
Тәжрибе осының алдындағы орындалған ретпен жүргізіледі. Статорға 380В (Е1- 05=380) керену беру керек.
Асинхронды қозғалтқыш жағындағы сондай-ақ генератор жағындағы тәжрибе мәліметтерін 2 және 3 кестелерге жазыңдар.
Статордағы желілік кенеуді 380 В тең деп алыңдар.
2 кесте. ТТҚ жағындағы мәліметтер













3 кесте Асинхронды қозғалтқыш жағындағы мәліметтер


















Тұрақты ток машинасы жағындағы есептелетін мәліметтер.
ТТГ электромагниттік моменті,
,
мұнда
,
графигінен алынады (қосымша Б)
ТТГ бос жүріс моменті,
,
мұнда
бос жүріс тогы; тұрақты ток машинасының графигінен алынады (қосымша Б) және ТТГ механикалық шыгындары мен болаттағы шығындарына пропорционал болады, А.
ТТГ білігіндегі толық момент,
;
ТТГ білігіндегі пайдалы қуат,
,
Асинхронды қозғалтқыш жағындағы есептелетін моменттер.
Асинхронды қозғалтқыштың білігіндегі пайдалы қуат ТТГ білігіндегі қуатқа тең болады:
Асинхронды қозғалтқыштың электромагниттік қуаты,
,
,
мұнда
- асинхронды қозғалтқыштың механикалық шығындары (қосымша А) ;
Асинхронды қозғалтқыштың статор орамасындағы электрлік шығындар,
,
,
мұнда
- статор фазаларының активті кедергісі (қосымша А) ; Ом
кернеу кезіндегі болаттағы шығындар,
,
,
мұнда
- номинал кернеу кезіндегі статор өзекшесіндегі болат шығындары (қосымша А),
;
- номинал фазалық кернеу, В
- электр қозғалтқышының фазалық кернеуі,
.
Жиілік түрлендіргішінің шықпалық қуаты (қозғалтқыш тұтынатын қуат),
:
.
Сырғанау
немесе
,
мұнда
- бұрыштық айналу жиілігі, рад/с;
- айналу жиілігі, айн/мин;
- синхронды бұрыштық айналу жиілігі, рад/с
- синхронды айналу жиілігі, айн/мин.
- қозғалтқыштағы шығындар қосындысы,
Асинхронды қозғалтқыштың электромагниттік моменті,
, немесе
.
Қозғалтқыштың білігіндегі пайдалы момент,
.
Қозғалтқыштың білігіндегі пайдалы қуат,
.
Пайдалы әсер коэффициенті, %
Қуат коэффициенті,
.
2 кестедегі мәліметтер бойынша сипаттамалардың графиктерін тұрғызыңдар:
бұл кезде
және
Асинхронды машинаны асинхронды генератор режимінде зерттеу
Жұмыстың мақсаты: Генератор режимінде жұмыс істеу үшін асинхронды машиналарды қосу әдістерін оқып үйрену. Асинхронды генератордың жұмыстық қасиеттерін зерттеу.
Жұмыстың бағдарламасы
- Асинхронды генераторды эксперименттік зерттеу үшін қажетті схеманы оқып үйрену.
- Асинхронды қозғалтқыш пен тұрақты ток қозғалтқышын жүргізіп көру.
- Асинхронды қозғалтқышты асинхронды генератор режимінде зерттеу.
- Эксперименттік мәліметтерді өңдеу, есептесуге дайындалу және жұмыс бойынша қортынды жасау.
Жұмысқа түсінік беру
Лабораториялық жұмыста келесі модулдер пайдаланылады:
- стендті қоректендіру модулі (МПС) ;
- қоректендіру модулі (МП) ;
- тиристорлік түрлендіргіш (ТП) ;
- күштік модуль (СМ) ;
- өлшеу модулі (МИ) ;
Жұмысты орындамас бұрын модулдерді алғашқы қалпына келтіру керек:
- ТП модулінің «Сеть» кнопкасын төменгі қалыпқа қою керек, SA6 ауыстырып қосқышын төменгі қалыпқа қою керек, ТП моментті реттейтін режимге ауысуы керек.
Зерттелетін асинхронды машина электр машина агрегатының құрамына кіреді, оған зерттелетін М1 генератор, жетектік қозғалтқыш- тұрақты ток машинасы М2 және жылдамдықтың импульстік дачигі М3 кіреді.
Асинхронды генератордың жұмыстық сипаттамаларын түсіру үшін арналган схема 1 суретте көрсетілген.
1 сур. Асинхронды генератордың жұмыстық сипаттамаларын түсіруге арналған схема.
Тұрақты ток қозғалтқышы тиристорлық түрлендіргішке қосылады. Якорь тізбегі реттелетін кернеу көзінің
шықпасына, қоздырғыш орама
шықпасына қосылады.
Айналу жиілігінің мәнін
күштік модулдің индикаторымен бақылаңдар.
Якорь тогының
, якорь кернеуінің
мәндерін ТП индикаторымен бақылаңдар, статор тогы
және статор кернеуі МН модулінің аспаптарымен өлшенеді.
1. Жұмыстық сипаттамаларды түсіру
Жұмыстық сипаттамалар асинхронды генераторға берілетін
қуаттың
, фазалық тоқтың
, ПӘК
, сырғанаудың
асинхронды қозғалтқыштың желіге беретін толық активті қуатына
тәуелділігін көрсетеді:
,
,
,
,
.
Тәжрибе келесі ретпен жүргізіледі.
- МПС және МП модулдерінің QF1 және QF2 автоматтарын қосу керек, асинхронды қозғалтқыш жүргізіледі;
- «Сеть» кнопкасын қосу керек, тиристорлық түрлендіргішке ТП кернеу беріледі;
- ТП (SA6) жұысына рұқсат беру керек және айналу бағытын таңдау керек (SA5)
- ТП модулнің RP1 потенциометрімен жүктеме моментін беріп, агрегаттың айналу жиілігін бақылау керек. Егер ол азаятын болса, момент беру бағытын ауыстыру керек;
- ТП момент беруін өсіріп, агрегаттың жылдамдығын өсіру керек. Тәжрибені жүргізген кезде ТТҚ якорь тогын бақылау керек. Ол 1, 5 А аспауы керек.
Тәжрибе мәліметтерін 1 және 2 кестеге жазыңдар.
1 кесте
... жалғасы- Іс жүргізу
- Автоматтандыру, Техника
- Алғашқы әскери дайындық
- Астрономия
- Ауыл шаруашылығы
- Банк ісі
- Бизнесті бағалау
- Биология
- Бухгалтерлік іс
- Валеология
- Ветеринария
- География
- Геология, Геофизика, Геодезия
- Дін
- Ет, сүт, шарап өнімдері
- Жалпы тарих
- Жер кадастрі, Жылжымайтын мүлік
- Журналистика
- Информатика
- Кеден ісі
- Маркетинг
- Математика, Геометрия
- Медицина
- Мемлекеттік басқару
- Менеджмент
- Мұнай, Газ
- Мұрағат ісі
- Мәдениеттану
- ОБЖ (Основы безопасности жизнедеятельности)
- Педагогика
- Полиграфия
- Психология
- Салық
- Саясаттану
- Сақтандыру
- Сертификаттау, стандарттау
- Социология, Демография
- Спорт
- Статистика
- Тілтану, Филология
- Тарихи тұлғалар
- Тау-кен ісі
- Транспорт
- Туризм
- Физика
- Философия
- Халықаралық қатынастар
- Химия
- Экология, Қоршаған ортаны қорғау
- Экономика
- Экономикалық география
- Электротехника
- Қазақстан тарихы
- Қаржы
- Құрылыс
- Құқық, Криминалистика
- Әдебиет
- Өнер, музыка
- Өнеркәсіп, Өндіріс
Қазақ тілінде жазылған рефераттар, курстық жұмыстар, дипломдық жұмыстар бойынша біздің қор #1 болып табылады.

Ақпарат
Қосымша
Email: info@stud.kz