СИНУСОИДАЛЫ ТОКТЫҢ СЫЗЫҚТЫ БІР ФАЗАЛЫ ЭЛЕКТР ТІЗБЕКТЕРІ СИНУСОИДАЛЫ ТОК ТІЗБЕГІ ТЕОРИЯСЫНАН МӘЛІМЕТТЕР MATHCAD ЖӘНЕ MULTISIM ОРТАЛАРЫНДА ЕСЕПТЕУ ЖҮРГІЗУ ТӘЖІРИБЕСІ


Мазмұны
КІРІСПЕ
I БӨЛІМ. ТҰРАҚТЫ ТОКТЫҢ СЫЗЫҚТЫҚ ЭЛЕКТР ТІЗБЕКТЕРІ
- ТҰРАҚТЫ ТОКТЫҢ СЫЗЫҚТЫҚ ТІЗБЕКТЕРІ ТЕОРИЯСЫНАН МӘЛІМЕТТЕР
- ЕСЕПТЕУЛЕР ЖҮРГІЗУ ТӘЖІРИБЕСІ
1. 2. 1 . Эквивалентті кедергі әдісі арқылы тұрақты ток тізбегін есептеу
1. 2. 1. 1. Есеп нұсқаларының анықтамалық мәліметтері мен әдістемелік нұсқауы
Мысалдармен жұмыс
1. 2. 1. 2. Эквивалентті кедергі әдісімен Mathcad ортасында тізбекті есептеумысалы
1. 2. 1. 3. Эквивалентті кедергі әдісімен Multisim ортасында тізбекті есептеумысалын тексеру
1. 2. 2. Қабаттау әдісімен тұрақты ток тізбегін есептеу
1. 2. 2. 1. Есеп нұсқаларының анықтамалық мәліметтері мен әдістемелік нұсқауы
1. 2. 2. 2. Қабаттау әдісімен Mathcad ортасында тізбекті есептеумысалы
1. 2. 2. 3. Қабаттау әдісімен Multisim ортасында тізбекті есептеумысалын тексеру
1. 2. 3. Кирхгоф заңы бойынша тұрақты ток тізбегін есептеу
1. 2. 3. 1. Есеп нұсқаларының анықтамалық мәліметтері мен әдістемелік нұсқауы
1. 2. 3. 2. Кирхгоф заңы бойынша Mathcad ортасында тізбекті есептеумысалы
1. 2. 3. 3. Кирхгоф заңы бойынша Multisim ортасында тізбекті есептеумысалын тексеру
1. 2. 4. Контурлы токтар әдісімен тұрақты ток тізбегін есептеу
1. 2. 4. 1. Есеп нұсқаларының анықтамалық мәліметтері мен әдістемелік нұсқауы
1. 2. 4. 2. Контурлы токтар әдісімен Mathcad ортасында тізбекті есептеумысалы
1. 2. 4. 3. Контурлы токтар әдісімен Multisim ортасында тізбекті есептеумысалын тексеру
1. 2. 5. Түйіндер потенциалы әдісімен тұрақты ток тізбегін есептеу
1. 2. 5. 1. Есеп нұсқаларының анықтамалық мәліметтері мен әдістемелік нұсқауы
1. 2. 5. 2. Түйіндер потенциалы әдісіменMathcad ортасында тізбекті есептеумысалы
1. 2. 5. 3. Түйіндер потенциалы әдісімен Multisim ортасында тізбекті есептеумысалын тексеру
1. 2. 6. Эквивалентті генератор әдісімен тұрақты ток тізбегін есептеу 1. 2. 6. 1. Есеп нұсқаларының анықтамалық мәліметтері мен әдістемелік нұсқауы
- Эквивалентті генератор әдісіменMathcad ортасында тізбекті есептеумысалы
- Эквивалентті генератор әдісімен Multisim ортасында тізбекті есептеумысалын тексеру
II БӨЛІМ. СИНУСОИДАЛЫ ТОКТЫҢ СЫЗЫҚТЫ БІР ФАЗАЛЫ ЭЛЕКТР ТІЗБЕКТЕРІ
- СИНУСОИДАЛЫ ТОК ТІЗБЕГІ ТЕОРИЯСЫНАН МӘЛІМЕТТЕР
- MATHCAD ЖӘНЕ MULTISIM ОРТАЛАРЫНДА ЕСЕПТЕУ ЖҮРГІЗУ ТӘЖІРИБЕСІ
2. 2. 1. Элементтері тізбектей жалғанған айнымалы ток тізбегін есептеу
2. 2. 1. 1. Есеп нұсқаларының анықтамалық мәліметтері мен әдістемелік нұсқауы
2. 2. 1. 2. Mathcad ортасында тізбектей жалғанған тізбекті есептеумысалы
2. 2. 1. 3. Multisim ортасында тізбектей жалғанған тізбекті есептеумысалын тексеру
2. 2. 2. Графиктік - талдау әдісімен айнымалы ток тізбегін есептеу
2. 2. 2. 1. Есеп нұсқаларының анықтамалық мәліметтері мен әдістемелік нұсқауы
- Mathcad ортасында графиктік - талдау әдісімен айнымалы ток тізбегін есептеумысалы
- Multisim ортасында графиктік - талдау әдісімен айнымалы ток тізбегін есептеумысалын тексеру
2. 2. 3. Символикалық әдіспен синусоидалы ток тізбегін есептеу
2. 2. 3. 1. Есеп нұсқаларының анықтамалық мәліметтері мен әдістемелік нұсқауы
- Mathcad ортасында символикалық әдіспен айнымалы ток тізбегін есептеумысалы
- Multisim ортасында символикалық әдіспен айнымалы ток тізбегін есептеумысалын тексеру
2. 2. 4. Символикалық әдіс арқылы айнымалы токтың күрделі тізбегін есептеу
2. 2. 4. 1. Есеп нұсқаларының анықтамалық мәліметтері мен әдістемелік нұсқауы
- Mathcad ортасында айнымалы токтың күрделі тізбегін есептеумысалы
- Multisim ортасында айнымалы токтың күрделі тізбегін есептеумысалын тексеру
2. 2. 5. Электр тізбектерінің резонансты жұмыс режимдерін есептеу
2. 2. 5. 1. Есеп нұсқаларының анықтамалық мәліметтері мен әдістемелік нұсқауы
2. 2. 5. 2. Mathcad операциялық ортасында кернеу резонансын есептеу мысалы
2. 2. 5. 3. Multisim ортасында кернеу резонансындағы тізбекті есептеу мысалын тексеру
2. 2. 5. 4. Mathcad операциялық ортасында ток резонансын есептеу мысалы
2. 2. 5. 5. Multisim ортасында ток резонансындағы тізбекті есептеу мысалын тексеру
IIIБӨЛІМ. ӨЗАРА ИНДУКЦИЯЛЫ ТІЗБЕКТЕР
- ӨЗАРА ИНДУКЦИЯЛЫ ТІЗБЕКТЕР ТЕОРИЯСЫНАН МӘЛІМЕТТЕР
- КАТУШКАЛАРЫ ӨЗАРА ИНДУКТИВТІ БАЙЛАНЫСҚАН СИНУСОИДАЛЫ ТОКТЫҢ ТАРМАҚТАЛҒАН ТІЗБЕГІН ЕСЕПТЕУ
3. 2. 1. Есеп нұсқаларының анықтамалық мәліметтері мен әдістемелік нұсқауы
3. 2. 2. Mathcad ортасындағы өзара индукциялы тізбектерді есептеу мысалы
Катушкалар арасында индуктивті байланыс жоқ жағдай үшін есептеу
Катушкалар арасында индуктивті байланыс бар жағдай үшін есептеу
3. 2. 3. Multisim ортасында өзара индукцияланған тізбекті есептеу мысалын тексеру
IV БӨЛІМ. СЫЗЫҚТЫ ТӨРТПОЛЮСТІ ЭЛЕКТР ТІЗБЕКТЕРІ
- ТӨРТПОЛЮСТІ ЭЛЕКТР ТІЗБЕКТЕРІ ТЕОРИЯСЫНАН МӘЛІМЕТТЕР
- MATHCAD ЖӘНЕ MULTISIM ОРТАЛАРЫНДА ЕСЕПТЕУ ЖҮРГІЗУ ТӘЖІРИБЕСІ
4. 2. 1. ҚЫСҚА ТҰЙЫҚТАЛУ ЖӘНЕ БОС ЖҮРІС ТӘЖІРИБЕЛЕРІНЕН АЛЫНҒАН МӘЛІМЕТТЕР БОЙЫНША ТӨРТПОЛЮСТІ ЭЛЕКТР ЖЕЛІСІНІҢ ТҰРАҚТЫЛАРЫН ЕСЕПТЕУ
4. 2. 1. 1. Есеп нұсқаларының анықтамалық мәліметтері мен әдістемелік нұсқауы
- Mathcad операциялық ортасында төртполюсті электр тізбегі тұрақтыларын есептеу мысалы
- Multisim ортасында төртполюсті электр тізбегі тұрақтыларын есептеу мысалын тексеру
4. 2. 2. Сызықты пассивті төртполюсті электр тізбегін есептеу
4. 2. 2. 1. Есеп нұсқаларының анықтамалық мәліметтері мен әдістемелік нұсқауы
- Mathcad ортасында пассивті төртполюсті электр тізбегін есептеу мысалы
- Multisim ортасында пассивті төртполюсті электр тізбегін есептеу мысалын тексеру
4. 2. 3. Активті төртполюсті электр тізбегінің жиілігін есептеу
4. 2. 3. 1. Есеп нұсқаларының анықтамалық мәліметтері мен әдістемелік нұсқауы
4. 2. 3. 2. Mathcad ортасында активті төртполюсті электр тізбегін есептеу мысалы
4. 2. 3. З. Multisim операциялық ортасында активті төртполюсті электр тізбегін есептеу мысалын тексеру
V БӨЛІМ. ҮШ ФАЗАЛЫ ТІЗБЕКТЕР
- ҮШ ФАЗАЛЫ ТІЗБЕКТЕР ТЕОРИЯСЫНАН МӘЛІМЕТТЕР
- MATHCAD ЖӘНЕ MULTISIM ОРТАЛАРЫНДА ЕСЕПТЕУ ЖҮРГІЗУ ТӘЖІРИБЕСІ
5. 2. 1. Жұлдызша схемасы бойынша жалғанған симметриялы емес үш фазалы тізбекті есептеу
5. 2. 1. 1. Есеп нұсқаларының анықтамалық мәліметтері мен әдістемелік нұсқауы
- Mathcad ортасында жұлдызша схемасы бойынша жалғанған үш фазалы тізбекті есептеу мысалы
- Multisim ортасында жұлдызша схемасы бойынша жалғанған үш фазалы тізбекті есептеу мысалын тексеру
5. 2. 2. Үш бұрыш жасай қосылған үш фазалы тізбекті есептеу . . . 175
- Есептің нұсқаларына арналған әдістемелік нұсқаулар және анықтамалық мәліметтер 175
- Mathcad-та 178
5. 2. 2. 3. MuItisimоперациялық ортасында есептеудің бақылау мысалын тексеру 181
5. 2. 3. Симматриялы құраушылар әдісімен үш фазалы тізбекті есептеу ' 182
5. 2. 3. 1. Еспетердің нұсқаларына арналған әдістемелік нұсқаулар және анықтамалық мәліметтер 182
5. 2. 3. 2. Mathcad ортасындағы үш фазалы тізбекті симметриялы құраушылар әдісімен есептеудің бақылау мысалы 184
Нолдік өткізгіш сым қосылмай тұрған жағдайға арналған шешім 184
Нолдік өткізгіш сым қосылған жағдайға арналған шешім 187
5. 2. 3. 3. Multisim операциялық ортасында бақылау мысалдарын есептеуді тексеру 189
6-БӨЛІМ. СИНУСОИДТЫҚ ЕМЕС ТОКТЫҢ СЫЗЫҚТЫҚ ТІЗБЕКТЕРІ 192
- СИНУСОИДАЛЫ ЕМЕС ТОК ТІЗБЕКТЕРІНІҢ ТЕОРИЯСЫНАН МӘЛІМЕТТЕР 192
- MATHCAD ЖӘНЕ MULTISIM-ДЕ ЕСЕПТЕУЛЕР ЖҮРГІЗУ ТӘЖІРИБЕЛЕРІ 194
6. 2. 1. Синусоидалы емес токтар мен кернеулердегі сызықтық тізбектерді есептеу 194
6. 2. 1, 1. Есептердің нұсқаларына арналған әдістемелік нұсқаулар мен анықтамалық мәліметтер 194
6. 2. 1. 2. Mathcad ортасындағы синусоидалы емес токтың сызықтық тізбегін есептеудің бақылау мысалы 199
6. 2. 1. 3. Multisim операциялық ортасындағы есептеулердің бақылау нұсқасын тексеру 207
6. 2. 2. Синусоидалы емес токты күрделі тізбегін есептеу . . . 208
6. 2. 2. 1. Есептердің нұсқаларына арналған әдістемелік нұсқаулар мен анықтамалық мәліметтер 208
- Mathcad ортасындағы синусоидалы емес токтың күрделі тізбегін есептеудің бақылау мысалы 210
- Multisim операциялық ортасындағы есептеудің бақылау мысалын тексеру 215
7-БӨЛІМ. СЫЗЫҚТЫҚ ТІЗБЕКТЕРДЕГІ ӨТУ ПРОЦЕСТЕРІ 218
- ӨТУ ПРОЦЕСТЕРІ ТЕОРИЯСЫНАН МӘЛІМЕТТЕР 218
- MATHCADЖӘНЕMULTISIM-ДА ЕСЕПТЕУЛЕР ЖҮРГІЗУ ТӘЖІРИБЕСІ 220
7. 2. 1. Екі катушкасы бар тұрақты ток тізбегіндегі өту процесі 220
7. 2. 1. 1. Есептің нұсқаларына арналған әдістемелік нұсқаулар мен анықтамалық мәліметтер 220
7. 2. 1. 2. Mathcadортасындағы екі катушкасы бар тізбектің өту процесін есептеудің бақылау мысалы 225
Өту процесін классикалық әдіспен есептеу 225
Өту процесін Рунге-Куттың сандықәдісімен есептеу 233
Классикалық әдіспен алынған өту процестерінің нәтижелерін сандық әдіспен салыстыру 234
7. 2. 1. 3. Multisimоперациялық ортасындағы бақылау есептерінің мысалдарын тексеру 234
7. 2. 2. Тұрақты токтың сызықтық электр тізбегіндегі өту процесін есептеу 236
7. 2. 2. 1. Есептердің нұсқаларына әдістемелік нұсқаулар мен анықтамалық мәліметтер 236
7. 2. 2. 2. Mathcadортасындағы тұрақты токтың сызықтық тізбегіндегі өту процесін есептеудің бақылау мысалдары 240
7. 2. 2. 3. Multisimоперациялық ортасындағы есептеудің бақылау мысалын тексеру 247
7. 2. 3. Айнымалы ток токтың сызықтық электр тізбегіндегі өту процесін есептеу . 249
7. 2. 3. 1. есептің нұсқаларына арналған әдістемелік нұсқаулар мен анықтамалық мәліметтер 249
7. 2. 3. 2. Mathcadортасындағы айнымалы ток тізбегіндегі өту процесін есептеудің бақылау мысалы 252
7. 2. 3. 3. Multisimоперациялық ортасындағы есептеудің бақылау мысалын тексеру 262
8-БӨЛІМ. ТАРАЛҒАН ПАРАМЕТРЛЕРМЕН БЕРІЛГЕН ТІЗБЕКТЕР . . . 265
- ТАРАЛҒАН ПАРАМЕТРЛЕРІ БАР ТІЗБЕКТЕР ТЕОРИЯСЫНАН МӘЛІМЕТТЕР 265
- ЖЕЛІНІҢ БІРІНШІ ЖӘНЕ ЕКІНШІ РЕТТІ ПАРАМЕТРЛЕРІН ЕСЕПТЕУ 268
- Есептің нұсқаларына арналған әдістемелік нұсқаулар мен анықтамалық мәліметтер 266
- Mathcadоперациялық ортасындағы бірінші және екінші ретті параметрлерді есептеудің бақылау мысалы 268
8. 2. 3. Multisimоперациялық ортасындағы есептеудің бақылау мысалын тексеру 271
9-БӨЛІМ. СЫЗЫҚСЫЗ ТІЗБЕКТЕР 275
- СЫЗЫҚСЫЗ ТІЗБЕКТЕР ТЕОРИЯСЫНАН МӘЛІМЕТТЕР 276
- MATHCADЖӘНЕMULTISIM-де ЕСЕПТЕУЛЕР ЖҮРГІЗУ ТӘЖІРИБЕСІ 276
9. 2. 1. Тұрақты ток сызықсыз тізбегін есептеу 276
9. 2. 1. 1. Есептердің нұсқаларына арналған әдістемелік нұсқаулар және анықтамалық мәліметтер 276
- Mathcad операциялық ортасында тұрақты токтың сызықсыз тізбегін есептеудің бақылау мысалы . . . 280
- Multisimоперациялық ортасында есептеудің бақылау мысалын тексеру 286
9. 2. 2. Айнымалы токтың сызықсыз тізбегіндегі есептеулер 287
9. 2. 2. 1. Есептің нұсқаларына арналған әдістемелік нұсқаулар мен анықтамалық мәліметтер 287
- Mathcadоперациялық жүйесінде айнымалы токтың сызықсыз тізбегіндегі №1 есептеудің бақылау мысалы 291
- Multisimоперациялық ортасында жүзеге асырылған №1 виртуалдық үлгінің мысалын тексеру 302
- Mathcadоперациялық ортасындағы айнымалы токтың сызықсыз тізбегіндегі №2 есептеуді бақылау мысалы 304
9. 2. 2. 5. Multisimоперациялық ортасында жүзеге асырылған №2 виртуалдық мысалды тексеру 315
10-БӨЛІМ. МАГНИТТІК ТІЗБЕКТЕР 317
- МАГНИТТІК ТІЗБЕКТЕР ТЕОРИЯСЫНАН МӘЛІМЕТТЕР 318
- MATHCADЖӘНЕMULTISIM-де ЕСЕПТЕУЛЕР ЖҮРГІЗУ ТӘЖІРИБЕСІ 320
10. 2. 1. Тұрақты токтың тармақталмаған магниттік тізбегін есептеу 320
10. 2. 1. 1. Есептердің нұсқаларына әдістемелік нұсқаулар мен анықтамалық мәліметтер 320
10. 2. 1. 2. Mathcad операциялық ортасындағы тармақталмаған магниттік тізбегін есептеудің бақылау мысалы 323
10. 2. 1. 3. Multisim операциялық ортасында есептеудің бақылау мысалын тексеру 328
10. 2. 2. Тұрақты токтың тармақталған магниттік тізбегін есептеу 328
10. 2. 2. 1 . Есептің нұсқаларына арналған әдістемелік нұсқаулар мен анықтамалық мәліметтер 328
10. 2. 2. 2. Mathcad операциялық ортасында тармақталған магниттік тізбекті есептеудің бақылау мысалы 332
10. 2. 2. 3. Multisim операциялық ортасында есептеудің бақылау мысалын тексеру 338
10. 2. 3. Айнымалы токтың магниттік тізбегін есептеу 338
10. 2. 3. 1. Есептің нұсқаларына әдістемелік нұсқаулар мен анықтамалық мәліметтер 338
- Mathcad операциялық ортасындағы айгымалы токтың магниттік тізбегін есептеудің бақылау мысалы 341
- Multisim операциялық ортасындағы есептеудің бақылау мысалын тексеру 350
11-БӨЛІМ. ӨРІСТЕР ТЕОРИЯСЫ 351
11. 1. ӨРІСТЕР ТЕОРИЯСЫНАН МӘЛІМЕТТЕР 352
11. 2. MATHCAD ЖӘНЕ MULTISIM-де ЕСЕПТЕУЛЕР ЖҮРГІЗУ ТӘЖІРИБЕСІ 354
11. 2. 1. Өткізгіш ортадағы электр өрісін есептеу . . . 354
11. 2. 1. 1. Есептердің нұсқаларына арналған әдістемелік нұсқаулар мен анықтамалық мәліметтер 354
11. 2. 1. 2. Mathcad операциялық ортасындағы электр өрісін есептеудің бақылау мысалы 357
11. 2. 2. Болат массасының жанында өтетін сызықтық ток тудыратын магниттік өрісті есептеу 363
11. 2. 2. 1. Есептің нұсқаларына арналған әдістемелік нұсқаулар және анықтамалық мәліметтер 363
11. 2. 2. 2. Mathcad операциялық ортасындағы магниттік өрісті есептеудің бақылау мысалы 365
11. 2. 3. Электрлік беттік эффект 371
11. 2. 3. 1. Есептің нұсқаларына арналған әдістемелік нұсқаулар мен анықтамалық мәліметтер 371
11. 2. 3. 2. Mathcad ортасында электрлік беттік эффектіні есептеудің бақылау мысалыd 373
11. 2. 4. Магниттік беттік эффект 377
11. 2. 4. 1. есептің нұсқаларына арналған әдістемелік нұсқаулар мен анықтамалық мәліметтер 377
11. 2. 4. 2. Mathcad операциялық ортасындағы магниттік беттік эффектісін есептеудің бақылау мысалы 380
Кіріспе
Азаматтық қоғамның дамуының қазіргі сатысында техникалық прогресс техникалық ЖОО-да мамандар дайындауда жоғары талаптар қоюда. Ғылым мен техникадағы компьютер ролінің артуы техникалық білім беруде маңызды қосымша құрал ретінде алынуы керек. Мұнда арнайы пәндердің ақпаратқа толы болуы және аудиториялық уақыттың тапшы болу мәселелерін заманауи компьютерлік технологиялардыоқу үрдісіне енгізу жолымен шешуге болады.
Ұсынылып отырған кітап электротехникалық есептеулерді жүргізуге арналған Mathcad және Multisim (ElectronicsWorkbench) бағдарламалық өнімдерді қолдануға арналған. Сондай ақ білім алушыларға «Электротехниканың теориялық негіздері» оқу курсының негізгі бөлімдерінің есептерін өз бетінше шығарғу кезінде пайдасы зор. Кітапта әр тақырып бойынша бақылау мысалдары берілген, оларда Mathcad есептеулер жүргізуде қолданылады, Multisim -тізбектің виртуалдьды жасалған үлгісінде есептеулердің дұрыс екендігін тексеруге арналған.
Көрсетілген бағдарламалық өнімдерді қолданудың ерекшелігі, олар есептеу, аналитикалық графиктік есептеулерді тез арада, көрнекі түрде жасауға, алгоритмдерді кодтамай ақ есептерді моделдеуге, сондай ақ есептеулер нәтижелерін әр түрлі формада көрсетуге мүмкіндік береді. Бұл өз кезегінде негізгі назарды бағдарламалау техникасына емес, есептеулердің түпкі мағынасы мен оның шешімін табуға шоғырландырады.
Нәтижелерді көрсетудің әр түрлі формалары жасалған есептеулердің шынайылығын өз бетінше бағалауға ғана емес, сонымен қатар өрістер теориясының есептері мен электрлік және магниттік жұмыс режимдерінің физикасын игеруге мүмкіндік береді.
Кітап 11 тараудан тұрады, оларда теориядан қысқаша мәліметтер келтірілген, есептеу мен моделдеуге арналған әдістемелік нұсқаулар және олар 33 тақырып бойынша, әр тақырыпқа арналған бақылау мысалдарынан тұратын есептердің 3300 нұсқалары берілген. Кітапты ЖОО-да бағдарлы пәндерді («Электротехника», «Электротехниканың теориялық негіздері» және т. с. с. ) оқуда қолдануға болады. Мұнда, жеке тапсырмаларды орындауда білімгерге нұсқаның екі таңбалы номері беріледі (мысалы, сынақ кітапшасының соңғы екі санына сәйкес келетін) . Бірінші сан бойынша білімгер тақырыптық есептің анықтамалық мәндер кестесінің жолын таңдайды, ал екнішісі бойынша сұлба нұсқасының номерін таңдайды, яғни тақырыптың әр бір есебіне шешімнің 100 нұсқасы қарастырылған. Бірақ, анықтамалық мәліметтері кестенің әр түрлі бөлігінің екі жолынан таңдап алынатын нұсқалардағы есептер де бар.
Жұмыс жасау үшін компьютерде Mathcad 14 немесе 15 (немесе одан үлкен - MathcadPrime) және Multisim 10. 1. (немесе одан үлкен) орнату ұсынылады. Бұл бағдарламалардың 30-күндік нұсқалары кітаппен қоса берілетін дискілерге орнатылған. Есептеу листингтерінің басым бөлігі Mathcad 2000, 2001, 2001i, 11, 12 және 13-те жұмыс жасай алады, және сондай ақ виртуалдық үлгілердің листингтерінің басым бөлігі Multisim 10. 1 бағдарламасының ескі версиясы болып табылатын Multisim 10. 0, 9, 8, 7, 2001, ElectronicsWorkbench 5. 0, 5. 12-де жұмыс істей алады.
Жинақпен жұмыс жасау кезінде оқулықтар мен есептер жианқтарында берілген теориялық және тәжірибелік материалдар қолданылды [1-8] . Бұдан бөлек, автордың он жылдам асатын мол тәжірибесі мен Пермь мемелекеттік техникалық университетінде және Пермь темір жол тасымалы институтында электротехникалық мамандарды даярлауда оқу үрдісінде көрсетілген бағдарламалардың нұсқаларын қолдану нәтижесінде алынған нәтижелері қолданылды. Сондай ақ автордың Германия, Австрия, Франция мен АҚШ-ң техникалық университеттеріне жасаған іссапарлары кезінде жианған ақпараттары қолданылған.
1-ТАРАУ
ТҰРАҚТЫ ТОКТЫҢ СЫЗЫҚТЫҚ ЭЛЕКТРЛІК ТІЗБЕКТЕРІ
1. 1. Тұрақты токтың сызықтық тізбектер теориясынан мәліметтер
Кітаптың бірінші тарауында біз Multisim-мен байланысқан MathCAD-та электротехникалық есептеулер жүргізудің базалық дағдыларын үйренеміз. Зерттеу саласы ретінде тұрақты токтың тармақталған сызықтық электр тізбектерінде анықталатын эквивалентті кедергілерді анықтау, мүмкін болатын диаграммаларды құру, күрделі тізбектердің пассивті және актив бөліктерін түрлендіру және оларды есептеудің әр түрлі әдістері қарастырылатын есептердің мысалдары алынады.
Есептерді шығару алдында токтың кернеудің, ЭҚК-ң, электрлік қуаттың, электр кедергісі мен өткізгіштіктің СИ жүйесіндегі өлшем бірліктерін еске түсіруіміз қажет.
Тұрақты токтың тізбектерін есептеу әдістерін терең меңгеру - қарастырылған әдістер кеңінен қолданылатын келесі тақырыптарды игеруге жақсы әсерін тигізері сөзсіз. Есептеудің барлық әдістері қандай да бір түрдегі Ом және Кирхгоф заңдарына негізделген.
Ом заңы тармақталған токта немесе тұйық бір контурлы тізбекте қолданылады. а нүктесінен b нүктесіне дейінгі токтың бағыты оң, ЭҚК-і жоқ кедергісі R тармақ үшін:
I= ,
мұндағы және - а және Ь нүктелерінің потенциалдары
U ab - а және Ь нүктелерінің арасындағы потенциалдар айырымы немесе кернеу .
ЭҚК-і көзі мен кедергіден тұратын тармақ үшін
=
мұндағы U ab = ϕ а - ϕ b - токтың таңдап алынған оң бағытымен есептелетін тармақ ұштарындағы кернеу;
ΣЕ - осы тармақтағы ЭҚК-і көздерінің алгебралық қосындысы;
ΣR - тармақтағы кедергілердің арифметикалық қосындысы.
Бір контурлы тұйық тізбек үшін
мұндағы ΣE - тізбектегі ЭҚК-і көздерінің алгебралық қосындысы;
ΣR- ЭҚК-і көздерінің ішкі кедергісін қоса алғандағы тізбек кедергілерінің арифметикалық қосындысы.
Кирхгоф заңдары түйін мен электр тізбегінің тұйық контурына қолданылады.
Кирхгофтың бірінші заңы-түйінде кездесетін токтардың алгебралық қосындысы нолге тең:
Токтардың контурдың бағытымен сәйкес келетін бағыттары оң, ал сәйкес келмейтін бағыты теріс болады.
Кирхгофтың екінші заңы-тұйық контурдағы ЭҚК-ң алгебралық қосындысы ондағы кернеулердің алгебралық қосындысына тең:
мұндағы - контурдың резистивті элементтеріндегі кернеудің азаюының алгебралық қосындысы; - контурға кіретін басқа элементтердің ұштарындағы кернеулердің алгебралық қосындысы (мысалы, кернеу, желінің кернеуі және т. б. ) .
Контурды айналу бағыты қалауымызша алынады. Мұнда бағыттары контурды айналу бағытымен сәйкес келетін ЭҚК, кернеулер мен токтар оң болып есептеледі, ал егер бағыттары сәйкес келмесе теріс болады.
1. 2. Есептеулер жүргізу тәжірибесі
1. 2. 1. Эквивалентті кедергі әдісімен тұрақты ток тізбегін есептеу
1. 2. 1. 1. Есептер нұсқаларына анықтамалық мәліметтер мен әдістемелік нұсқаулар
Эквивалентті кедергі әдісі электр энергиясының бір көзінен тұратын тізбектерді есептеуге қолданылады. Ол берілген тізбекке қарағанда басқаша қосылған резистивті элементтердің бір тобы эквивалентті элементпен немесе резистивті элементтердің басқа эквивалентті тобымен ауыстырылатын эквивалентті түрлендірулерге негізделген. Мұнда берілген тізбек қарапайым бір контурлы тізбекке дейін оңтайландырылады және ток көзі арқылы өтетін токты есептеу үшін Ом заңын қолдану жеткілікті.
Нұсқа номеріне сәйкес келетін электрлік тізбек үшін анықтау қажет:
- i?aэлектр энергиясын қабылдағыштырдың эквивалентті кедергісі;
- барлық токтар;
- ток көзінің қысқыштарындағы кернеу және ішкі кедергідегі кернеудің азаюы;
• электр тізбегінің ПӘК-і және ток көзіндегі қуаттың жойылуы.
Қуаттардың балансын құру.
Ток көзінің сыртқы сипаттамасының графигін тұрғызу және есептеу. Ток көзінің сыртқы сипаттамасының иілуіне ішкі кедергі шамасының әсерін талдау.
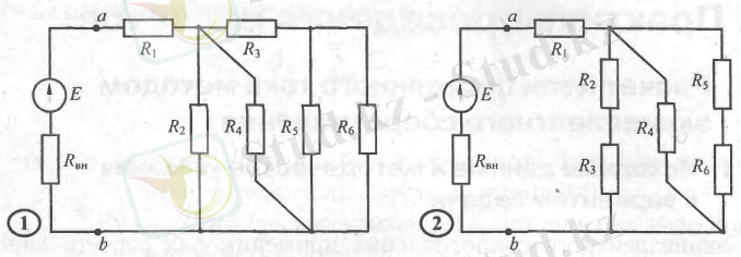
Анықтамалық мәліметтер 1. 1-кестеде, тізбектердің сұлбалары 1. 1-суретте көрсетілген.
1. 1-кесте
![]()
![]()
![]()
![]()
![]()
1. 1. - 1. 4-сурет. 1. 2. 1-есептің нұсқаларына арналған тұрақты ток тізбектері
Қабылдағыштардың эквивалентті кедергісін анықтау үшін есептердің кейбір нұсқаларында «үшбұрыш» қосылысын эквивалентті «үш сәулелі жұлдыз» қосылысына түрлендіруді қолдануымыз керек.
Қуаттар балансын құру кезінде қабылдағыштардың сыртқы кедергісімен қатар, энергия көзінің ішкі кедергісі де энергия тұтынатынын есте ұстау керек.
... жалғасы- Іс жүргізу
- Автоматтандыру, Техника
- Алғашқы әскери дайындық
- Астрономия
- Ауыл шаруашылығы
- Банк ісі
- Бизнесті бағалау
- Биология
- Бухгалтерлік іс
- Валеология
- Ветеринария
- География
- Геология, Геофизика, Геодезия
- Дін
- Ет, сүт, шарап өнімдері
- Жалпы тарих
- Жер кадастрі, Жылжымайтын мүлік
- Журналистика
- Информатика
- Кеден ісі
- Маркетинг
- Математика, Геометрия
- Медицина
- Мемлекеттік басқару
- Менеджмент
- Мұнай, Газ
- Мұрағат ісі
- Мәдениеттану
- ОБЖ (Основы безопасности жизнедеятельности)
- Педагогика
- Полиграфия
- Психология
- Салық
- Саясаттану
- Сақтандыру
- Сертификаттау, стандарттау
- Социология, Демография
- Спорт
- Статистика
- Тілтану, Филология
- Тарихи тұлғалар
- Тау-кен ісі
- Транспорт
- Туризм
- Физика
- Философия
- Халықаралық қатынастар
- Химия
- Экология, Қоршаған ортаны қорғау
- Экономика
- Экономикалық география
- Электротехника
- Қазақстан тарихы
- Қаржы
- Құрылыс
- Құқық, Криминалистика
- Әдебиет
- Өнер, музыка
- Өнеркәсіп, Өндіріс
Қазақ тілінде жазылған рефераттар, курстық жұмыстар, дипломдық жұмыстар бойынша біздің қор #1 болып табылады.

Ақпарат
Қосымша
Email: info@stud.kz