Шалаөткізгіш диодтар

 
    
ҚАЗАҚСТАН РЕСПУБЛИКАСЫ БІЛІМ ЖӘНЕ ҒЫЛЫМ МИНИСТРЛІГІ
ХАЛЫҚАРАЛЫҚ БИЗНЕС ЖӘНЕ КОММУНИКАЦИЯ КОЛЛЕДЖІ
Курстық жұмыс
Пән: «Электроник және сұлба техника негіздері»
Тақырыбы: Шалаөткізгіш диодтар
Орындаған: Нұрстан Б.
Топ: 202 РжБ
Тексерген: Байжанова Д. О.
Алматы 2017 ж
Жоспар
 КІРІСПЕ
 
 1 ЖАРТЫЛАЙ ӨТКІЗГІШТІ ҚҰРАЛДАР . . . 3
 
 1. 1 Жартылай өткізгіштік материалдарға қысқаша түсінік. 4
 
 2 ФОТОДИОД ЖӘНЕ ОНЫҢ ТҮРЛЕРІ. . 6
 
 2. 1 Оптожұптар. Оптожұп элементтері. 8
 
 2. 2 Фототранзисторлар. Фототранзисторлардың негiзгi сипаттамалары10
 
 2. 3 Фотоэлектрлік түрлендіргіштер. 12
 
 ЗЕРТХАНАЛЫҚ ЖҰМЫС . . . 15
 
 ҚОРЫТЫНДЫ . . . 16
 
 ҚОЛДАНЫЛҒАН ӘДЕБИЕТТЕР ТІЗІМІ . . . 17
Кіріспе
Жартылай өткізгішті диод бір p-n өткізгіштен және p және n-аймақты екі шығудан тұрады. Диодттың ең көптараған және көлемді екі түрі бар- олар түзеткіш және импульстік диодтар, кейбір сөздіктерде әмбебап деп аталады.
Түзеткіш диодтарда негізгі қасиет ретінде p-n- өткізгіштік қасиеті қолданылады- оның біржақты электрөткізгіштігін 50 Гц -тан 100 кГц жиілік диапазонында айнымалы тоқты түзету үшін қолданады.
Импулстік диодтарды жұмыстың импульстік тәртібінде қолданады.
Жартылай өткізгішті диодтардың электрлік сұлбада жұмыс істеуі оның вольт- амперлік сипаттамасы (ВАС) бойынша анықталады.
Бұл үшін 1. 1-суретте келтірілген сұлбадағы диодқа резистор арқылы әртүрлі өлшемді кернеу көздерін жалғап, диодттағы кернеуді өлшеу қажет. Бұл кездегі диодтың тоғын төмендегі өрнек бойынша есептеуге болады:
I тура = (Е - U тура ) /R, мұндағы, I тура - диодтағы тура бағытталған ток,
Е - қоректену көзінің кернеуі,
U тура - диодтағы тура бағытталған кернеу.
 
1. 1-сурет - Диодты сұлба.
1. 1-суретте келтірілген сұлба бойынша диодттың өшіру полярлығын өзгерте отырып, сол кері бағыттағы тәсіл бойынша диодттың ВАС -ын алуға болады.
I кері = (Е - U кері ) /R,
мұндағы, I кері -диодттағы кері бағыттағы ток,
U кері - диодттағы кері бағыттағы кернеу.
Егер сіз тек бір мультиметрді қолданып нақты сипаттамасын алғыңыз келсе, ол үшін алдымен 1. 1-суретте келтірілген сұлбадағы кернеуді өлшеу қажет, содан кейін 1. 2-суреттегі сұлбадағы тоқты өлшеу қажет. Ол үшін бұрынғыдай тек мультиметрді бірде вольтметр, бірде амперметр сияқты жалғай отырып қолдану қажет.
 
1. 2-сурет - Токты өлшеу сұлбасы.
Бұл жұмысты егер сіздің қолыңызда вольтметр немесе амперметр болса, жылдам орындауға болады. Онда оларды 1. 3-суретте келтірілген сұлба бойынша жалғап, осы аспаптардың таблосында тоқ пен кернеуді жылдам көруге болады. Вольт-амперлік сипаттама (ВАС) қоректену көзінің V S кернеуін өзгерту есебінен әртүрлі тоқтардың ағуы кезінде диодтағы кернеудің өзгеру жолымен алынуы мүмкін.
 
1. 3 сурет - Вольтметр мен амперметр жалғанған сұлба.
Соңында, ВАС-ны тез және ыңғайлы түрде осциллограф экранында бақылауға болады (1. 4-сурет) . Мұндай жалғау кезінде осциллографтың көлденең осі бойынша координата нүктелері кернеуге, ал жатық бойынша диод арқылы өтетін тоққа пропорционал болады. Егер осцилографта В/А тәртібі таңдалып алынса, онда диод арқылы тоққа пропорцианал шама (В канал) жатық ось бойынша, ал кернеу (А канал) көлденең ось бойынша ауытқиды. Бұл осциллограф экранында үздіксіз вольт-амперлік сипаттаманы алуға мүмкіндік береді.
Радиоэлектрондық аспаптың электрмен қоректенуі тұрақты немесе айнымалы тоқ көздерінің әртүрлі қоректері арқылы жүзеге асырылады. Айнымалы тоқ желісінен электрмен қоректенудің ең көп таралған тәсілі ретінде түзеткіштерді, тегістеуші сүзгілерді пайдалануға болады. Түзетуші құрылғылар айнымалы кернеуді тұрақтыға түрлендіру үшін пайдаланылады. Түзетуші құрылғы әдетте трансформатордан, айнымалы кернеуді түзетуші жартылай өткізгішті диодтардан және түзетілген кернеудің лүпілін азайтатын тегістеуші сүзгіден тұрады.
Түзеткіштердің жұмыс істеуі үшін түзеткіштің шығысына қосылған сүзгі сипатының принциптік маңызы зор. Конденсатор түрінде сүзгіге жүктелген түзеткіштер түзеткіш кернеулері мен қуаттарының кең ауқымында пайдаланылады. Осы түзеткіштер трансформаторлары индуктивті фильтрлі түзеткіштерге қарағанда үлкен қуатты болуы керек. Сыйымдылықты сүзгілері бар түзеткіштердің кемшіліктеріне қорек көзіне қосқан сәтте түзеткіш диод арқылы шығатын тоқтың үлкен амплитудасы жатады.
Тегістеуші сүзгісі жоқ түзеткіштер жүктемедегі кернеу лүпілінің елеулі маңызы болмаған жағдайларда салыстырмалы түрде сирек қолданылады. Тегістеуші сүзгі көбінесе түзетілген кернеудің аз лүпілі бар көп фазалы түзеткіштерде болмайды.
Түзеткіш сұлбасын таңдау түзету құрылғысына қойылатын талаптарға байланысты есепке алыну керек болатын бірқатар факторларға байланысты болады. Оларға: түзетілген кернеу мен қуат, түзетілген кернеу лүпілінің жиілігі, диодтардың саны, диодтағы кері кернеу, трансформатордың қуатын пайдалану коэффициенті, екінші реттік орамалы кернеу жатады. Лүпіл жиілігінің жоғарылауы тегістеуші сүзгінің өлшемдерін азайтуға мүмкіндік береді.
Түзетудің негізгі сұлбалары
Cұлбаны жинау үшін С түз мәнді диодтар түрін таңдап алу қажет. Осы екінші орамның кернеуін U 2эфф және орамдағы әсер ететін тоқ мәнін I эфф. орам анықтау қажет.
Егер шығысқа кез-келген түзеткіш конденсаторды жалғаса, онда шығыстық кернеуді құрайтын айнымалы әлсіз болады. 1. 5-суретте бір (а) және екі жартылай периодты (б) түзеткіштердегі тоқ пен кернеу түрлері келтірілген.
 
1. 5-сурет - а) бір және б) екі жартылай периодты
түзеткіштердегі кернеу және тоқ үлгілері
Сыйымдылықты сүзгілі U d шығыстық кернеудің орташа мәні келесі қатынасқа жуықталып бағалануы мүмкін:
U d = (U 2max + U 2min ) /2 = U 2max - DU 2 /2,
мұндағы U 2max және U 2min - шығыстық кернеудің максимумы және минимумы,
DU 2 = U 2max - U 2min .
Сүзгінің сапалық бағасы үшін көбіне шығыстық кернеудің пульсация коэффициенті K п қолданылады Ол келесі қатынас арқылы анықталады:
K п = (DU 2 /U d ) *100%.
Сүзгінің сыйымдылығын анықтау үшін бірінші жуықтау кезінде, түзеткіштен кейін жалғанаған аз пульсациялы конденсатор сүзгісінің заряды уақыт интервалы арасында пульсация периодына қарағанда әлдеқайда аз болады, ал заряд уақыт мезетінде пульсация периодына тең болады.
Сондықтан бір жартылай периодты сұлбалар үшін:
U пульс ×C түз = I н max / f c ,
Екі жартылай периодты сұлбалар үшін:
U пульс ×C түз = I н max / 2f c ,
мұндағы, U пульс - DU 2 -ға тең пульсацияның толық тербелісі;
C түз - түзеткіш конденсаторының сыйымдылығы;
I н max - жүктеменің максималды тоғы.
Бір жартылай периодты сұлбаны әдетте бірнеше ондаған миллиамперге дейін түзетілген тоқтар кезінде және түзетілген кернеуді тегістеудің жоғары дәрежесі талап етілмеген жағдайларда қолданады. Мұндай түзеткіштен шыға берістегі дабылдардың коэффициенті жуықталған формула бойынша анықталады:
K п =6400/R н *C ТҮЗ
Мұнда және әрі қарай жүктеме кедергісі - омдармен, сүзгінің сыйымдылығы - микрофарадамен, қоректендіруші желінің жиілігі - 50 Гц.
 
1. 6-сурет - Бір жартылай периодты түзеткіш
Трансформатордың екінші реттік орамасының орташа шығарылатын екі жартылай периодты түзеткішін (5. 3-сурте) төмен вольтты құрылғыларда қолданады. Лүпілдер коэффициенті жуықталған формула бойынша анықталады:
K п =1920/(R н ·C ТҮЗ )
 
1. 7-сурет - Екі жартылай периодты түзеткіш
Бір фазалы көпірлік сұлба (1. 8-сурет) қуатты пайдаланудың жоғары коэффициентімен сипатталады және сондықтан да ондаған вольттан жүздеген вольттарға дейінгі шығыстық кернеулер кезінде жоғары қуатты құрылғыларда пайдалану үшін ұсынылуы мүмкін. Лүпілдер коэффициенті жуықталған формула бойынша анықталады:
K п =1920/(R н ·C ТҮЗ ) .
 
1. 8-сурет - Көпірлік түзеткіш
Кернеуді екі еселендірудің симметриялық сұлбасы екі бір жартылай периодты түзеткіштердің тізбектеп жалғануын көрсетеді және жүктеменің шағын токтары кезінде жоғары кернеулерде (1 . . . 2 кВ дейін) қолданылады:
K п =6400/(R н ·C ТҮЗ )
 
1. 9-сурет - Кернеуді екі еселендіру сұлбасы
Биполярлы транзисторлар токпен басқарылады, сондықтан олар аз кірістік кедергіден тұрады, ол оның кемшілігі болып табылады. Сондықтан үлкен кірістік кедергісі бар арнайы транзисторлар - өрістік транзисторлар дайындалған.
Электрлік өріс арқылы жартылай өткізгіште токты басқару үшін, өткізілген жартылай өткізгішті қабаттың ауданын немесе оның үдемелік өткізгіштігін ауыстыру керек. Өрістік транзисторларда екі тәсіл де қолданылады және сәйкесінше екі бөліктен тұрады: басқарушы р-n ауыспалы транзистор және МДЖ-транзистор (металл-диэлектрик-жартылайөткізгіш құрылысымен), оның басқаша аталуы МОЖ-транзистор (металл-оксид-жартылай өткізгіш) . МДЖ-транзисторларды индуцирленген және құрастырылған каналдармен МДЖ-транзисторлар болып бөлінеді. Өрістік транзисторларды униполярлы транзисторлар деп те атайды, себебі аспаптың жұмысы тасымалдаушының тек бір типін қолдануға ғана негізделген.
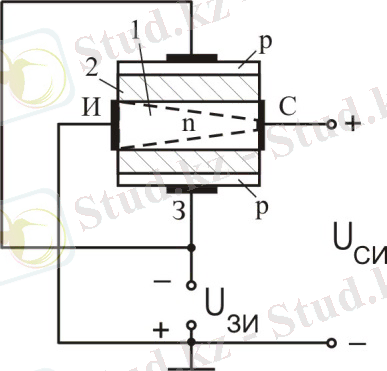
р-n ауыспалы басқарылатын транзисторды қарастырайық.
Токты ауыстыру электрондар және саңылаулар арқылы орындалатын биполярлы транзисторлардан айырмашылығы, өрістік тарнзисторларда токты алмастыруда тек қана электрондар немесе тек қана саңылаулар қатысады; ол өткізуші 1 канал қандай материалдан дайындалғанына байланысты болады. Канал n-типті немесе р-типті жартылай өткізгіштің алатын аймағынан тұрады. Канал бастау (И) және ағын (С) деп аталатын екі электродтармен аяқталады. n-немесе р-типті каналдан бөлек, өрістік транзистор өткізгішті типті каналға қарама-қарсы аймақтан тұрады. Мұндай аймақпен біріктірілген электродты затвор деп атайды (З) .
 
2. 1-сурет - n-типті р-n ауыспалы басқарылатын өрістік тарнзистор құрылысы
Өрістік тарнзисторлар затвордағы кернеумен басқарылады, яғни транзистор арқылы өтетін ток затвордағы кернеуден тәуелді болады.
Сұлбаларда өрістік транзисторлар 2. 2-суретте көрсетілгендей белгіленеді.
 
2. 2-сурет - р-n ауыспалы басқарылатын өрістік транзистордың белгіленуі
 2. 3-суретте ағынды (шығыстық) сипаттамалар тобы келтірілген
  мұндағы
 мұндағы
 
n-типті каналды транзисторда ағынға оң кернеулер, ал затворға - кернеу келіп түседі, бұл жағдайда канал жабық болады да ток өткізбейді.
Өрістік транзистордың шығыстық тогы - ағын тогы
Ағу кернеуі деп аталатын анықталған
 
а) б) в)
2. 3-сурет - басқарушы р-n ауыспалы (а), индуцирленген МДЖ-транзисторлар (б), құрастырылған каналдармен МДЖ-транзисторлар (в) тобы
Тұрақты
 
2. 4-сурет - Өрістік транзистордың ағындық-затворлы сипаттамасы
Өрістік транзисторлардың негізгі параметрлеріне S сипаттамасының құлауы, μ күшейту коэффициенті және R i ішкі кедергісі жатады.
Өрістік тарнзистордың μ күшейту коэффициенті деп
Өрістік транзистордың R i ішкі кедергісі деп
Алдында айтып кеткендей, р-n ауыспалы өрістік транзисторлардан басқа МДЖ транзисторлар бар, олардың белгіленуі 2. 5-суретте берілген.
 
д) е) ж) з)
а) б) в) г)
2. 5-сурет - құрастырылған каналды МДЖ-транзисторлардың белгіленуі
подложканың жеке шығысымен (а, в) сәйкесінше n- және р-каналды, подложканың және бастаудың жалпы шығысымен (б, г) сәйкесінше n- және р-каналды; индуцирленген каналды МДЖ-транзисторлардың белгіленуі: подложканың жеке шығысымен (д, ж) сәйкесінше n- және р-каналды, подложканың және бастаудың жалпы шығысымен (е, з) сәйкесінше n- және р-каналды;
МДЖ-транзисторлар каналдың үдемелік кернеуін өлшеуге негізделген. Жартылай өткізгіш көлемі мен оқшауланған электрод (затвор) арасында потенциал айырымын құрғанда зарядтарды тасушылар концентрациясымен қабаттар пайда болады.
 
а) б)
2. 6-сурет - Индуцирленген (а) және құрастырылған каналды (б) МДЖ-транзисторлардың құрылымдық схемасы (1 санымен құрастырылған канал белгіенген)
Индуцирленген каналды МДЖ-транзисторда (2. 6, а-сурет)
Құрастырылған каналды МДЖ-транзисторда (2. 6, б-сурет)
Теріс кернеуде
2. 3, б-суретте, сәйкесінше индуцирленген және құрастырылған каналды МДЖ-транзисторлар үшін ВАС келтірілген.
Келтірілген МДЖ-транзисторлар сипаттамалары олардың подложкасы (П) бастаумен біріктірілген жағдайда дұрыс болады. Сонымен қатар, подложканы кернеу транзистордың өткізгіш каналында токты басқаратын қосымша электрод ретінде қолдануға болады. Бұл жағдайда подложканы төменгі затвор деп атайды. Канал тогын басқару механизмі затвордағы кернеуді басқарумен бірдей болады.
Тапсырма. 2. 7-суретке сәйкес сұлбаны құрыңыз және оны қосыңыз.
а ) Босау және қанығу режимінде ағын-бастау кернеуі 10В тең болғанда, өрістік транзистордың затвор-ағын кернеуінен ағын тогының және затвор тогының тәуелділігін жазып алыңыз. Алынған ВАС бойынша ағынның бастапқы тогын, бекіту кернеуін (ағынның тогы шамамен 10 мкА болғанда) және сипаттаманың ортаңғы бөлігіндегі ВАС-тың құлауын анықтаңыз.
б ) Бекіту кернеуінен 0В; 0, 25 және 0, 5 тең болатын кернеуде өрістік транзисторлардың шығыстық сипаттамаларын жазып алыңыз.
 
2. 7-сурет- Өрістік транзистордың ВАС алуға арналған сұлба
в ) Алынған мәліметтерді және құрылған ВАС есеп беруге енгізіңіз.
 
2. 8-сурет - ВАС-ны осциллограф экранында бақылау.
Осциллографтың көмегімен диодттың ВАС-ын алу кезінде А каналына диодттағы нақты кернеумен бірге диодттың кернеу қосындылары және резистордағы 1 Ом кедергі беріледі. Бұдан қателік аз болады, резистордағы кернеудің түсуі диодттағы кернеуге қарағанда әлдеқайда аз болады. Кернеуді бұдан да нақтырақ өлшеу үшін ток датчигінің көмегі арқылы тоқты өлшеу қажет .
Өлшеуіштік түрлендіргіштер əртүрлі болып келетіндіктен олардың сипаттамалары да жəне параметрлері де əртүрлі болады. Олардың негізгілері өлшемдеу сипаттамасы, түрлендіру 436 коэффициенті, қателіктері жəне түрлендіру аралығы болып саналады. Өлшеуіштік түрлендіргіштің өлшемдеу сипаттамасы деп оның шықпасындағы электрлік шама мен кірмесіндегі бейэлектрлік шаманың арасындағы тəуелділікті айтады. Өлшеуіштік түрлендіргіштегі электрлік шаманың өзгерісінің оны тудырған бейэлектрлік шаманың өзгерісіне қатынасын түрлендіру коэффициенті деп атайды. Егер бірнеше түрлендіргіштер тіркес жалғанған болса, онда қорытқы түрлендіру коэффициенті түрлендіргіштердің түрлендіру коэффициенттерінің көбейтіндісіне тең болады. Өлшеуіштік түрлендіргіштердің қателіктерін олардың кірмесі мен шықпасы арқылы анықтайды. Мысалы, кірмелік абсолюттік қателік деп кірмелік шаманың өлшемдеу сипаттамасы арқылы анықталған мəні мен кірмелік мəнінің айырымын айтады. Ал шықпалық абсолюттік қателік деп шықпалық шаманың өлшемдеу сипаттамасы арқылы анықталған мəні мен шықпалық мəнінің айырымын айтады. Мұнда өлшемдеу сипаттамасынан анықталатын кірмелік шама шықпалық шама бойынша алынады да, ал шықпалық шама кірмелік шама бойынша алынады.
... жалғасы- Іс жүргізу
- Автоматтандыру, Техника
- Алғашқы әскери дайындық
- Астрономия
- Ауыл шаруашылығы
- Банк ісі
- Бизнесті бағалау
- Биология
- Бухгалтерлік іс
- Валеология
- Ветеринария
- География
- Геология, Геофизика, Геодезия
- Дін
- Ет, сүт, шарап өнімдері
- Жалпы тарих
- Жер кадастрі, Жылжымайтын мүлік
- Журналистика
- Информатика
- Кеден ісі
- Маркетинг
- Математика, Геометрия
- Медицина
- Мемлекеттік басқару
- Менеджмент
- Мұнай, Газ
- Мұрағат ісі
- Мәдениеттану
- ОБЖ (Основы безопасности жизнедеятельности)
- Педагогика
- Полиграфия
- Психология
- Салық
- Саясаттану
- Сақтандыру
- Сертификаттау, стандарттау
- Социология, Демография
- Спорт
- Статистика
- Тілтану, Филология
- Тарихи тұлғалар
- Тау-кен ісі
- Транспорт
- Туризм
- Физика
- Философия
- Халықаралық қатынастар
- Химия
- Экология, Қоршаған ортаны қорғау
- Экономика
- Экономикалық география
- Электротехника
- Қазақстан тарихы
- Қаржы
- Құрылыс
- Құқық, Криминалистика
- Әдебиет
- Өнер, музыка
- Өнеркәсіп, Өндіріс
Қазақ тілінде жазылған рефераттар, курстық жұмыстар, дипломдық жұмыстар бойынша біздің қор #1 болып табылады.
 
            
                Ақпарат
Қосымша
Email: info@stud.kz