Кедергіш жолы арқылы сорғышты реттеу кестесі


1
![]()
2
![]()
3
![]()
4
![]()
:
Аңдатпа
Дипломдық жұмыста сумен жабдықтайтын сорғыш агрегатының
автоматтандырылған электр жетегін жобалау мәселесі қарастырылды.
Технологиялық бөлімінде автоматтандырылған электр жетегіне
қойылатын талаптарды, электр жетегінің тиімді жүйесін таңдауды және
сорғыш қондырғылардың жұмыс режимдерінің реттеуі қарастырылды.
Басқару объектісі, тетіктердің және орындаушы құрылғылардың
математикалық моделін құрастырылды. Автоматтандырылған электр
жетегінің динамикалық және статикалық сипаттамаларына есептеу және
талдау жүргізілді.
Өміртіршілік
қауіпсіздік бөлімінде сумен жабдықтау әдістері
қарастырылды. Ақаба суларды гидроциклондар арқылы тазалауға және
автоматтандырылған электр жетегіндегі шу деңгейін бағалауға акустикалық
есептеу жүргізілді.
Экономикалық бөлімінде техникалық шешімдерінің негіздері
қарастырылды.
ЖТ-АҚ жүйесінде тұтынылатын электр энергиясын
үнемделуіне есептеу жүргізілді.
5
Аннотация
В дипломной работе рассмотрена проблема автоматиризованного
электропривода насосного агрегата подача воды.
В технологической части дипломной работы рассматривается
требования по автоматизированному электроприводу и выгодные условия
выбора электропривода, также рабочие режимы.
Было собрано математическая модель объекта управления, механизмов
и исполнительных устройств. А также проведено анализ и расчет на
динамические и статические характеристики автоматизированных
электрических приводов.
В разделе безопасности жизнедеятельности было рассмотрено методы
водоснабжения. Проведен акустический расчет на очистку сточных вод через
гидроциклоны и контроль уровня щума в автоматизированных электрических
приводов.
В разделе экономики было рассмотрено основы технических решений.
А также было расчитано потребляющие электрические энергий в системе ЧП
- АД.
6
Annotation
In the thesis the problem of the avtomatirizovanny electric drive of the pump
unit water supply is considered.
In technological part of the thesis is considered requirements for the
automated electric drive and favorable conditions of a choice of the electric drive,
also operating modes.
It was collected mathematical model of object of management, mechanisms
and actuation mechanisms. And also it is carried out the analysis and calculation on
dynamic and static characteristics of the automated electric drives.
In the section of health and safety it was considered water supply methods.
Acoustic calculation on sewage treatment through hydroclones and control of level
of noise in the automated electric drives is carried out.
In the section of economy it was considered bases of technical solutions. And
also it was calculated consuming electric energiya in system of state of emergency -
the HELL.
7
Мазмұны
Кіріспе
11
1
1. 1
1. 2
1. 3
1. 4
2
2. 1
2. 2
2. 3
2. 3
2. 4
2. 5
2. 6
3
3. 1
3. 2
Техникалық бөлімі
Өндірістік қондырғының технологиялық үрдісін және электр
жетегінің басқарылатын координаттарын талдау
Автоматтандырылған электр жетегіне қойылатын талаптарды
қалыптастыру
Электр жетегінің тиімді жүйесін таңдау
Cорғыш қондырғылардың жұмыс режимдерін реттеу
Электр қозғағышты таңдау
Механизмның кинематикалық кестесін сараптау және оның
параметрлерін анықтау. Электр жетегінің механикалық бөлігінің
математикалық моделін құру және оның параметрлерін анықтау
Қуаттылығына қарай қозғағышты алдын - ала таңдау
Қозғағыштың номиналды жылдамдығы мен типтік өлшемін
таңдау. Мдоп = f(ω), ωмин≤ ω≤ ωмакс мазмұндамасын құру
«SIEMENS» фирмасының серіктестерінің сорғыштардың жетегін
қайта жаңғырту үлгісі
Таңдаған электр қозғағыштың қызуы мен шамадан тыс жұмыс
атқаруын тексеру
Электр энергиясын түрлендіргіштің түрлері мен оны таңдау
Электр аппараттарының күштілік тізбегін: кіру шығу сүзгісі,
тежеуіш кедергісін таңдау және параметрлерін санау
Автоматтандырылған басқару жүйесін жобалау
Электр жетегінің басқару координаттарын өлшейтін тетіктерді
таңдау
Басқару объектісі, тетіктердің және орындаушы құрылғылардың
математикалық моделін (теңдеулер, структуралық кестелер)
құрастыру
12
12
14
17
19
20
20
28
29
27
34
36
38
39
39
40
3. 3
Басқару
объектісінің, тетіктердің және орындаушы
жабдықтарының параметрлерін есептеу
44
3. 4
Жасалған математикалық модельдер мен автоматтандырылған
электр жетегіне талаптар негізінде реттуіштерді жобалау
49
4
Автоматтандандырылған электр жетегінің динамикалық және
статикалық сипаттамаларын есептеу мен талдау
51
4. 1
Автоматтандандырылған электр жетегініңкомпьютерлік
(имитациялық) моделін жасау
51
4. 2
Ауыспалы үрдістерді есептеу және сапа көрсеткіштерін анықтау
55
4. 3
Жұмыс циклі ішінде технологиялық үрдісті
орындау
4. 4
5
5. 1
үшінбелгілеу әсерінің уақыттан тәуелділігін U3 = f(t) есептеу
Жұмыс циклі ішінде U3 = f(t) тәуелділігіне сәйкес келетін электр
жетегінің статикалық сипаттамаларын құру
Қозғалтқышты таңдау дұрыстығын соңғы тексеру
Автоматтандырылған электр жетегінің жұмыс циклы ішінде
8
58
59
61
электр жетегін жүктеу нақты диаграммасын құрастыру
61
5. 2
Электр қозғалтқышты электр жетегін қыздыру және жүктеу
қабілеті бойынша жүктеу диаграммасымен тексеру
61
5. 3
5. 4
5. 5
5. 6
5. 7
5. 8
6
6. 1
6. 2
6. 3
7
7. 1
Өндірістік қондырғының жұмыс шарттарын қалыптастыру
Алгоритм мен басқару бағдарламасын жасау
Автоматтандыру жүйесінің функционалдық схемасын жобалау
Автоматтандыру жүйесінің аппараттарын таңдау
Автоматтандыру жүйесінің электрлік жалғау схемасын жобалау
Автоматтандыру жүйесінің функцияларының толық сипаттамасы
Өмір тіршілік қауіпсіздігі
Сумен жабдықтау кәсіпорындарында ақаба сулардан тазалау
әдістері
Ақаба суларды гидроциклондар арқылы тазалауға есеп жүргізу
АЭЖ-дагы шу деңгейін бағалау, акустикалық есеп жүргізу
Экономикалық бөлім
Техникалық шешімдерді экономикалық негіздеу
62
62
64
65
67
68
69
69
78
82
86
86
7. 2
ЖТ
-
АҚ жүйесінде тұтынылатын электр энергиясының
үнемделуін есептеу
Қорытынды
Пайдаланған әдебиеттер тізімі
9
87
100
101
Белгілеулер мен қысқартулар
ЖТ - жиілік түрлендіргіш;
СҚ - сорғыштық қондырғы;
ПӘК - пайдалы әсер коэффициенті;
ЭЖ - электр жетегі;
АҚ - асинхронды қозғалтқыш;
ҚБ - қарқындылықты белгілеуші;
КР - кернеуді реттеуіш;
ЖР - жиілікті реттеуіш;
ТД - ток датчигі;
ФТ - функционалды түрлендіргіш;
БП - басқару пульты;
ОЕҚ - оперативті есте сақтау құрылғысы;
ҚТЕҚ - қайта бағдарламаланатын тұрақты есте сақтау құрылғысы;
СҚТЖ - суды қолданудың тұйықталған жүйесі;
КҚПБ - көлденеңқұбырлы пленкалы буландырғыш;
ЗФ - зиянды фактор;
АЭЖ - автоматтандырылған электр жетегі.
Кіріспе
Техникалық ілгерілеудің берілген сатысында дамыған барлық
мемлекеттердегі соңғы жылдары энергия көздерінің барлық түрлерін барынша
10
нәтижелі реттеу және пайдалануы қажет бағыт қабылданған. Бұл
шығындалған қаржыны қайтарып қана қоймай, өндірісті модернизациялау
арқылы тиімдендіруге мүмкіндік береді.
Осылай, энергияны үнемдеудің негізгі шаралары, соның ішінде осы
дипломдық жобада: сорғыш қондырғысының электр қозғалтқышының
оңтайлы қуаттылығын таңдау және жиілікті реттелетін электр жетегін
пайдалануболып табылады.
Турбомеханизмдер қолданысы жаппай машиналар болып табылады.
Өндірілетін
электрэнергиясының
25%
жуығы
сорғыштың
электр
қозғалтқышына, желдеткіштерге, компрессорларға кетеді. Техникалық жетілуі
мен турбомеханизмдердің электр жетектерінің экокономикалық үнемділігі
электрэнергиясын халық шаруашылығында пайдалану тиімділігін
айтарлықтай дәрежеде анықтайды. Электр жетектерінің экокономикалық
үнемділігі ретінде тек оның минималды құны мен жоғары энергетикалық
көрсеткіштерін ғана емес, электр жетектерінің реттелу сияқты қасиеті де
түсініледі. Жоғары электр
жетектерінің экокономикалық үнемділігі
турбомеханизмдерге технологиялық шарттар бойынша қажет жұмыстарды аз
энергетикалық шығынмен орындауға мүмкіндік береді.
Кеңес өкіметінде болған мемлекеттердің көбінде
сорғыш
қондырғыларына реттелмейтін электр жетегін пайдаланады, ол электр
энергиясының артық шығынына әкеледі. Сорғыштық агрегатарда реттелетін
электр жетегін пайдаланудың көрсеткені, сорғыштың жұмыстық дөңгелегінің
жылдамдығын реттеу гидравликалық желідегі артық қысымды жою есебінен
қондырғылардың энергетикалық көрсеткіштерін айтарлықтай жоғарлатуға,
электрэнергиясын үнемдеуге, су шығынын азайтуға мүмкіндік береді.
Осылайша, қозғалтқыш жылдамдығын реттеуе мүмкіндік юеретін
жиілікті түрлендіргіштерді қолдану арқылы, әрекет етуші сорғыштық
қондырғылар модернизациясы жасалады. Бұл кезде шет елдік те, отандық та
өндіруші фирмалар түрлендіргіштері пайдаланылады.
Берілген дипломдық жобаның мақсаты сорғыштық қондырғының
жиілікті реттелетін
электр
жетегін жобалау болып табылады.
Турбомеханизмдердің жиілікті реттелетін
электр
жетегін қолдану
айтарлықтай электр энергиясын қысқартып, қажет
технологиялық
көрсеткіштерді қамтамасыз етуге мүмкіндік береді. Дипломдық жобаның
тақырыбы қазіргі заманда өзекті болып табылады.
1 Техникалық бөлімі
1. 1Өндірістік қондырғының технологиялық үрдісін және электр
жетегінің басқарылатын координаттарын талдау
11
Зауытты және зауыт жанындағы нысандарды сумен қамтамасыз ету
үшін станцияларда орналасқан қондырғы пайдаланылады. Станцияда ішетін
және технологиялық суды беруді қамтамасыз етуге сорғыштық қондырғылар
орналасқан. Жолында станция екі түрлі айдалатын сұйықтықтарға бөлінген.
Көтерудің екінші сатысы, су аз дегенде үш рет сүзілетін төртіншісіне
қарағанда, суды азырақ сүзіледі.
Машиналы бөлімде орналасқан сорғыштардың бір бөлігі суды жұмыс
персоналын таза ішетін сумен қамтамасыз етуге айдайды. Басқа сорғыштар
технологиялық суды мұнай өңдеу, химиялық заттар өндіру біріншілік және
екіншілік блоктарына және судың жоғары сүзілу сапасын талап етпейтін басқа
да қондырғыларға беруге қажет. Егер технологиялық суға станция көтерілудің
екінші сатысы болса, онда ішетін суға ол төртінші болады. Пайдаланылатын
су түріне байланысты оны жинауға әр түрлі көздер пайдаланылады, мысалы
табиғи су көздері, өзендер, бұлақтар, содан соң резервуарға барады, олар да
су түрі мен көлемі бойынша бөлінеді.
Өндірістік қондырғының жалпы көрінісін келесі 1. 1 суретте келтірейік:
1. 1 - суретте келесі шартты белгілеулер қабылданған:
Н1 … Н9 - 1 … 9 сәйкес сорғыштар;
М1 … М9 - 1 … 9 сәйкес қозғалтқыштар.
Сурет 1. 1 - Қондырғы орналасқан өндірістік қондырғының жалпы
көрінісі
Технологиядық үрдісте төрт параллельді
сорғыш
қондырғысы
қолданылады. Бірақ бір сорғыш қондырғысы үнемі жұмыс істейді. (Н6 мен
Н7), ал үшіншісі жұмыс істеп тұрған қалған сорғыш қондырғылары авариялық
жағдайда жұмыстан шыққан кезде қосылады. Төртінші сорғыш (Н9) өрт
жағдайына керек және үнемі сөндірулі. Н6 сорабынегізгі сорғыш болып
табылады және желідегі қажетті су қысымын ұстап тұрады. Н7 сорабы Н6
12
![]()
сорабын ауыстырған кезде су қысымын ұстап тұруға қажет. Н8 сорабы резерв
қатарында және Н6немесе
Н7сорғыштарының істен шыққан жағдайында
жұмысқа түседі.
Берілген қондырғыда басқаратын координаттар болып берілген
жағдайдағы қысымды ұстап тұру болып табылады. Су құбырының қысым
бөліміне қысым күшінің саны бергіштен түседі. Түскен қысым санын
бақылаушы жиілік аудармасы арқылы үш сорғыштың біреуіне қосады.
Негізінен ортадан тепкіш сорғыштар орналастырылған қондырғылар кеңінен
белгілі.
Сорғыштың шиыршық корпусының ішіне қалақшалары бар айналмалы
дөңгелек орнатылады. Қозғағыш көмегімен дөңгелек айналады, тартымды
құбыр арқылы су алу резервуарынан дөңгелек ортасына құйылады және
күшпен күрекшелер арқылы корпус ішіне құйылады. Соның нәтижесінде
жұмыс дөңгелегінің ортасында кеңістік пайда болады, сұйықтық сорғышқа
сорылады, қайта құйылады және ары қарай қысымдық құбырөткізгішке
беріледі. Осыған байланысты ашық саңылау жүйесінде үзілмес ағым пайда
болады және ортадантепкіш
сорғыш
бірқалыпты жұмыс атқарады.
1. 2суретінде көрсетілген ортадантепкіш сорғыштың технологиялық үрдіске
қатысатын негізгі элементтері және жұмыс атқару механизмі көрсетілген
принциптік кестесін қарап көрейік.
1 -жұмыс камерасы, 2 -жұмыс дөңгелегі; 3 -бағыттаушы аппарат; 4 -
үйінді; 5 -жұмыс дөңгелегінің қалақтары; 6 -бағыттаушы аппарат қалағы; 7 -
айдамалау келтеқұбыры; 8 - подшипник; 9 -сорғыш корпусы (тіреуші
құрылғы) ; 10 -шет үйіндінің гидравликалық тығыздығы (сальник) ; 11 -
соратын келтеқұбыр
Сурет 1. 2 - Ортадантепкіш сорғыштың принциптік сұлбасы
Жұмыс дөңгелегінде күрекшелер бар және олардың пішіні күрделі
Сұйықтық жұмыс дөңгелегіне оның айналу бойымен келіп құйылып кейін
күрекеше аралық арана арқылы бұрмаға түседі. Бұрма жұмыс дөңгелегінен
шыққан сұйықтықты жинауға және оның кинетикалық энергиядан
13
![]()
потенциалдық энергияға дербес жағдайда қуаттылық энергиясына арналған.
Жоғарыда айтылған энергия айналымы бұрманың арнайы пішініне
байланысты ең төмен гидравликалық шығындарды қажет етеді
Сорғыш корпусы сорғыштың барлық элементтерін қосу арқылы
энергетикалық гидравликалық машина құрайға арналған. Қалақты сорғыш
сұйықтық тасқыны мен жұмыс дөңгелегінің айналмалы қалақтарының
арасындағы динамикалық байланыс арқылы энергияны өзгертеді. Жұмыс
дөңгелегінің айналуына байланысты аралық қалақтар арнасындағы сұйықтық
қалақтардың көмегімен кеңістікке серпиді және ары қарай бұрмаға кейін
тасқын құбырөткізгішке түседі.
1. 2 Автоматтандырылған электр жетегіне қойылатын талаптарды
қалыптастыру
Сорғыштар бір жылда жұмыс сағаты ұзақ қосылу саны аз
механизмдердің біріне жатады . Жетек қозғағышындағы жүктеме шамадан
тыс бірқалыпты. Электр жетегі жоғары ылғалды және жоғары температура
жағдайларында жұмыс атқаруы тиіс. Сондықтан бұл жағдайда жиілік
түрлендіргішінен (ЖТ) қуат алатын қысқа тұйықты асинхронды электр
қозғалтқышын (АДКЗ) қолдану керек. АДЗК жай, сенімді және контактілі
құралымдарының жоқтығы ал ЖТ АДЗК жылдамдығын тура реттеуге және
энергоресурстарының сақтауынқамтамасыз етеді.
Осыған байланысты автоматтандырылған өндірістік қондырғысының
электр жетегіне қойылатын талаптар қалыптастыруға болады
Атоматтандырылған электр жетегі камтамасыз етуі керек:
- энергоресурстарына қажетті шығындарды үнемдеуін реттеу;
- жылдамдықты қажетті реттеу диапазоны;
- түсу жағдайындағы жылдамдықтың өзгеру заңын ескеру;
- жүруді тежеу;
- УХЛ4 климаттық шешу;
- IP44 қорғау дәрежесі;
- қысқа тұйықтың жұмыстан шығу жағдайында сорғыштыңреттеусіз
жағдайына көшуі ;
- негізгі сорғыштың жұмыстан шығуына байланысты резервтік
сорғыштың жұмысқа қосылуы
Негізінен сорғыштарды максималды берісіне қарай таңдайды. Бірақ
қолдану барысында беріс көлемі мен күшін өзгертіп отыру қажет Шын
мәніндегі беріс сорғыштың толық қуаттылығы мен жетегінің мінездемесіне
байланысты анықталады. Сонымен, төндіргіштің немесе жетектің
мінездемесін өзгертуге байланысты берісті де өзгертуге болады.
Реттеуші дегеніміз сорғыштың берісін (және басқа жұмыс параметрлері)
басқа арнайы реттеуші құралдар көмегімен ( бағыттаушы аппарат, гидро және
электро муфта, кедергіш қақапақ ж т. б) машинаның тоқтауынсыз, үзіліссіз
мінездемені өзгерту.
14
Реттеудің мақсаты-сорғыш параметрлерін оның жұмыс жағдайын
өзгерту.
Барлық реттеу құрылғыларын олардың мазмұнына және төндіргішке
байланысты 2 топқа бөлуге болады :
- тежегіш мазмұнын өзгерту бірақ, сорғыш мазмұнын өзгертпеу. Бұл
құрылғыларға қақпақтар, шиберлер, тиектер, диафрагма ж т. б. жатады.
- жұмыс дөңгелегінің айналу жиілігін өзгерту құрылғылары (сорғыш
мазмұнын) . Бірақ тежектің мазмұны өзгертілмейді Жұмыс дөңгелегінің
айналу жиілігін өзгертудің көптеген құрылғылары мәлім : үйкелме берілістер,
суқосқыштар, сырғудың индуктор жалғастырғыштары электр тежегінің әр
түрлі жүйелері (ПЧИН АДКЗР, ПЧИТ АЗКДР, ТРН АДКЗР, АВК және т. б. )
Бірінші топтан ең кең тараған реттеу әдісін қарастырып көрейік бұл
тиектердің көмегі арқылы турбомеханизм өндірімділігін реттеу. Екінші
топтан бүгінгі күні перспективті әдіс турбомеханизм параметрлерін ПЧИН
АДКЗР электр тежегі жүйесі арқылы реттеу.
n = const - кедергіші ең үнемді емес, бірақ кеңінен тараған реттеудің
түрі болып келеді. Ол тежегішке жасанды қарсылық құралдар енгізу арқылы
мысалы тиектер, кедергіш қақапақтар және басқа элементтреді қолдану
арқылы жүзеге асады. Бұл жағдайда тежегінің қарсылығы ұлғаяды. Ең үлкен
беріс тиектің толығымен ашық кезінде жүзеге асады бірақ бұл реттеу тек
берісті азайтуға қолданылады. Бұл реттеудің әдіс кестесі1. 3 суретінде
көрсетілген.
Сурет1. 3 - Кедергіш жолы арқылы сорғышты реттеу кестесі
Кедергіш кезінде машина үйіндісіндегі қуаттылық азаяды, бірақ
сонымен қатар реттеуге кеткен энергия қуаты көбейеді. Сондықтан бұл әдіс
үнемді емес. Неғұрлым реттеу әдісі тереңірек болса, соғұрлым қуаттылық
құны өндірусіз.
Қысымды кедергіш арқылы реттеу технологиясы (тиек көмегімен) :
- үнемді емес;
- үзіліссіз кезекші персоналдың бақылауын қажет етеді;
- қысымның үлкен ауытқуларын және құбырөткізгіштердің істе шығуын
жібереді,
15
![]()
- жабдықтардың бұзылуының жоғаралағын (сорғыштар, тиектер,
электрқозғағыштар) Жұмыс дөңгелегінің айналу жиілігінің өзгеруін реттейтін
әдісті қарастырып көрейік.
Бұл реттеу әдісі неғұрлым үнемді өйткені дөңгелектің айналым
жиілігінің азаюына байланысты қолданылатын қуаттылық айналым жиілігінің
үшінші дәрежесіне пропорционалды:
N 2
N 1
w
w 1
3
Бұл әдіспен берісті де көбейтуге болады. Бүкіл құрылғының үнемділігі
ол төндіргіш жетектің айналым дөңгелегінің жиілігін өзгертуіне байланысты.
Сорғыштың айналым жиілігінің өзгеруіне байланысты оның мазмұны да
өзгереді бұл 1. 4 суретінде көрсетілген. Бұл жердегі қисық 2 және 3
айналымның жиілігінің азаюын көрсетеді. Суретте көргеніміздей сорғыштың
айналу жиілігінің азаюы, жүйенің мазмұнының жұмыс нүктесінің ауысуына
және электрэнергиясының шығынынның азаюына әкеп соқтырады.
Сурет 1. 4 - Айналым жиілігінің реттеуі және сорғыш пен жүйенің
мазмұны
1. 5суретте кедергіш арқылы реттеу және жиілік арқылы реттеу
сорғыштың қолданатын қуаттылығының салыстырмалы кестесі көрсетілген.
Бұл қисықтардың арасындағы айырмашылық берілген шығынға
байланысты жиілік реттеу және тиекті кедергіш реттеуге кететін энергияны
үнемділігін көрсетеді.
16
![]()
Сурет 1. 5 - Реттеу әдістеріне байланысты қолданатын қуаттылықтың
шығыны
Мына кестедегідей керекті беріске қол жеткізу үшін үлкен қуатқа тиекті
немесе номиналды реттеуді қолдану қажет. Бірақ энергоресурстарды үнемдеу
үшін жиілік реттеуді қолдануымыз керек.
1. 3 Электржетегінің тиімді жүйесін таңдау
Турбомеханизм электржетектері 20-25% электрэнергиясын қажет етеді
және реттелусіз қалады және электрэнергиясының тиімділігін және су
қорының шығынын бақылау қиындыққа әкеледі. Қондырғы максималды
өндірілімге таңдалып алынады, бірақ оның номиналдық қуаттылығының тек
50% ғана қолданылады. Жетекті қозғағыштың айналым жылдамдығының
азаюына байланысты қарастырылып отырған мехнизмдерді қолдансақ, онда
электр энергиясын елу пайызға үнемдейміз және ауаны, суды тасымалдайтын
жаңа принциптік технологиялық агрегаттарды ойлап табуға мүмкіндік береді.
Онымен қатар жүйедегі минималды қысымды бірқалыпты ұстап тұру
тасымалданатын өнімдердің шығынын үнемдеп, гидравликалық жүйелердің
бұзылуына көмегін тигізеді.
Қысымды реттеудің сапасына қойылатын талаптардың төмендігіне
байланысты қымбат емес жиілік айналдырым мүмкіндіктерін жайлы деп
есептуге болды. Бұл әдістің жағымды жағының бірі түрлендіргіш жиілік
қалыптасқан құрамға тез енгізілуінде. Бұл жабдықтың жоғарғы үнемділігі,
реттелімділігі, және төмен бағасына байланысты ең аз уақыт ішінде өзін өзі
ақтайды (6-12 ай) .
Сонымен жиілік реттуші асинхронды электржетегін
сорғыштық
қондырғыларда қолданудың келесі артықшылықтары бар:
- электрэнергиясын үнемдеу (50% дейін) ;
- өндірістік емес шығындардың азаюына байланысты тасымалданатын
өнімдердің арзандауына байланысты (дейін 25%) ;
- минималды керекті қысымды ұстай отырып гидравликалық және
пневматикалық жүйелердің істен шығуын азайту;
17
![]()
- баяу қосуға байланысты жүйенің және қондырғының авариялық істен
шығуын азайту;
- соқпалы қосу тоқтарын жоюға байланысты электржабдықтарының
авариялық істен шығуын азайту;
- қондырғыдан шыққан шудың деңгейін азайту;
- автоматтандыру жайлылығы;
- енгізудің жайлылығы және жеңілдігі.
Жиілік реттегіштің жағымды жақтарын ескере отырып сорғыштық
қондырғының жетек қозғағышы ретінде қысқа тұйықталған асинхронды
қозғағышты және қозғағыш көзі ретінде жиілікті түрлендіргіш ретінде
аламыз.
Конструктивтік орындаушылыққа сәйкес ауыз суын шығару сорғыштық
станциясы төрт электржетегінен тұрады және олар бір бірімен параллельды
қосылып оның үшеуі бір жиілік түрлендіргішінен жұмыс істейді.
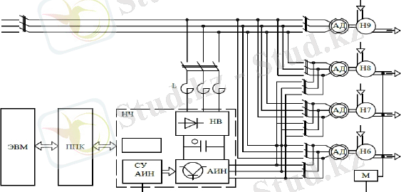
Осы электржетегінің жүйесі бойынша және оны іске асыру мақсатында
автоматтандырылған электржетегінің функционалды кестесін 1. 6 суретінде
көруге болады.
1. 6 -суретінде келесі белгілер көрсетілген:
L - кірме кедергіш;
С - сипа сүзгіш;
НВ - басқарусыз түзеткіш;
АИН - дербес кернеудің терістеушісі;
АД - асинхронды қозғағыш;
Н6, Н7, Н8, Н9 - орнындағы сорғыштар;
СУ АИН - терістеуішті басқару;
ПЧ - жиілікті түрлендіргіш;
ПЛК - бағдарламалы логикалық бақылаушы;
ЭВМ - жеке электрондық есептеуші машина.
Сурет 1. 6 - Автоматтандырылған электржетегінің функционалды сұлба
18
![]()
1. 4 Cорғыш қондырғылардың жұмыс режимдерін реттеу
СҚ белгіленген жұмыс режимін қамтамасыз етуүшін, жұмыс шарттар
өзгерген кезде сорғыштық қондырғылардың жұмыс режимдерін реттеуді
жүзеге асыру қажет. Бұл міндет екі бағытқа бөліне алады: сорғыштардың
жұмысының гидравликалық режимдерін реттеу және СҚ электр жетегінің
жұмысының энергетикалық нәтижелігін реттеу.
Ортадан тепкіш сорғыштық қондырғылар үшін сұйықтықты беру және
қысымды реттеудің келесі түрлерін қолданады:
- құбырөткізгішті дроссельдеу;
- сұйықтық ағынының бір бөлігін сорғыштың шығу түтікшесінен
кірістігіне өткізу;
- сорғыштарды қосу немесе өшіру (сатылы реттеу) ;
- сорғыштың жұмыстық дөңгелегінің жиілігін өзгерту.
Құбырөткізгішті
дроссельдеусұйықтықты беру және қысымды
... жалғасы- Іс жүргізу
- Автоматтандыру, Техника
- Алғашқы әскери дайындық
- Астрономия
- Ауыл шаруашылығы
- Банк ісі
- Бизнесті бағалау
- Биология
- Бухгалтерлік іс
- Валеология
- Ветеринария
- География
- Геология, Геофизика, Геодезия
- Дін
- Ет, сүт, шарап өнімдері
- Жалпы тарих
- Жер кадастрі, Жылжымайтын мүлік
- Журналистика
- Информатика
- Кеден ісі
- Маркетинг
- Математика, Геометрия
- Медицина
- Мемлекеттік басқару
- Менеджмент
- Мұнай, Газ
- Мұрағат ісі
- Мәдениеттану
- ОБЖ (Основы безопасности жизнедеятельности)
- Педагогика
- Полиграфия
- Психология
- Салық
- Саясаттану
- Сақтандыру
- Сертификаттау, стандарттау
- Социология, Демография
- Спорт
- Статистика
- Тілтану, Филология
- Тарихи тұлғалар
- Тау-кен ісі
- Транспорт
- Туризм
- Физика
- Философия
- Халықаралық қатынастар
- Химия
- Экология, Қоршаған ортаны қорғау
- Экономика
- Экономикалық география
- Электротехника
- Қазақстан тарихы
- Қаржы
- Құрылыс
- Құқық, Криминалистика
- Әдебиет
- Өнер, музыка
- Өнеркәсіп, Өндіріс
Қазақ тілінде жазылған рефераттар, курстық жұмыстар, дипломдық жұмыстар бойынша біздің қор #1 болып табылады.

Ақпарат
Қосымша
Email: info@stud.kz