Трансформатор зауытының электрмен жабдықтау және электр желісінде кернеуді реттеу жүйесін жобалау


Аңдатпа
Дипломдық жұмыста трансформатор зауытының электрмен жабдықтау
және электр желісінде кернеуді реттеу жүйесін жобалауға арналған. Жұмыста
бүкіл зауыт бойынша жүктемені есептеу жүргізілген. Сонымен бірге
электрмен жабдықтаудың екі нұсқасы қарастырылып, экономикалық жағынан
ең тиімді және рационалды нұсқасы таңдалды. 10 кВ шиналарындағы қысқа
тұйықталу тоқтары есептелініп, олардың нәтижелері бойынша
электржабдықтары таңдалды.
Дипломдық жұмыста өміртіршілік қауіпсіздігі мен эконмикалық және
арнайы бөлім қарастырылды.
Аннотация
Дипломная работа посвящена разработке системы электроснабжение
трансформаторного завода и регулирование напряжения в электрических
сетях. Произведен расчет нагрузок по всему заводу. А также рассмотрена два
варианта внешнего электроснабжения завода и выбран наиболее
экономичный и рациональный вариант. Рассчитаны токи короткого
замыкания на шине 10 кВ, по результатом которых осуществлен выбор
электрооборудования.
В
дипломной
работе были рассмотрены безопасность
жизнедеятельности, спецчасть и экономическая часть.
Annotation
This diploma work devoted to devepoloping electric power supply system of
transformer factory and regulating voltage in electric network. Calculated electrical
load of whole factory. Also compared techno-economic variants of electrical power
supply and was chosen the better one. Computed current of short circuit on 10kV
stage, was chosen electrical equipment for factory.
In the thesis the health and safety, a special unit and economic part were
considered.
Мазмұны
Кіріспе
8
1
1. 1
1. 2
2
2. 1
2. 2
2. 3
2. 4
2. 5
3
3. 1
3. 2
4
4. 1
4. 2
4. 3
4. 2
4. 5
4. 6
4. 7
4. 8
5
5. 1
5. 2
5. 3
6
6. 1
6. 2
6. 3
7
7. 1
7. 2
7. 3
Трансформатор зауытын электрмен жабдықтау
Зауыттағы технологиялық процесс
Жұмысқа берілген мәліметтер
Зауыт бойынша электр жүктемелерін есептеу
Жарықтану жүктемесін есептеу
Зауыт бойынша 0, 4 кВ электр жүктемелерін есептеу
Цех трансформаторларының саны мен қуатын анықтау және 0, 4
кВ кернеудегі реактивті қуатты компенсациялау
ЦТҚС-дағы қуат шығындарын анықтау
10 кВ шинадағы электрлік жүктеменің есептелуі
Сыртқы электрмен жабдықтау сұлбаларын таңдау
I нұсқа 110 кВ желі үшін
II нұсқа 35 кВ желі үшін
U-10 кВ-қа құрылғы таңдау
U>1кВ үшін жабдықтың таңдауы және қысқа тұйықталу тоғын
есептеу
Ток тансформаторларын таңдау
Кернеу трансформаторын таңдау
ГПП шинасын таңдау
Изоляторлар таңдау
Механикалық цехты электрмен жабдықтау
Цехтың элетрлік жүктемелерін есептеу
Жарықтану жүктемесін есептеу
Электр желісіндегі кернеуді реттеу
Кернеу сапасын анықтайтын негізгі көрсеткіштер
Кедергіні реттеу
Желінің жүктемесінің өзгерісі
Тіршілік қауіпсіздігі
Кәсіпорынының өрт қауіпсіздігі бойынша категориясын және
бөлменің өрт жарылыс қауіпсіздігі бойынша класын анықтау .
Трансформатор зауытында электр қауіпсіздігін қамтамасыз ету,
компрессорлы цехта (доғалы болат балқыту пеші) жерге қосу
құрылғысына есеп жүргізу .
Шудан қорғану шаралары.
Экономикалық бөлім
Жалпы мәліметтер
Инвестициялық жоспар
Финансты-экономикалық тиімділіктің инвестициялық
9
9
11
12
12
12
17
20
21
25
25
35
41
41
50
56
57
58
54
55
57
58
58
61
62
70
70
73
76
80
80
81
көрсеткіштері
Қорытынды
Қысқартулар және белгіленулер
Әдебиеттер тізімі
Қосымша А (Зауыттың жарықтық жүктемесі)
( Зауыттың цехтар бойынша күштік жүктемесі )
Қосымша Б ( Жүктеменің цехтық қосалқы станциясы бойынша
таратылуы )
Қосымша В ( Жылдық есептік шығынды анықтау )
86
88
89
90
Кіріспе
Өндірістің дамуы мен халық шаруашылығының жылдан жылға
өркендеп өсуі энергетика саласының жетілдірілуін қажет етеді, оның ішінде
өндірістік кәсіпорынды электрмен жабдықтау жүйесін сенімді және тиімді
етіп құру, электр жетегімен және технологиялық процестерді
автоматтандырылған басқару жүйесіне көшіру қажет. Өндірістің көлемі
үздіксіз ұлғаю үстінде, жаңа энергетикалық объекттің кұрылыс уақытының
азаюы және ескілерін қайта жаңарту, меншікті күрделі салымның азаюы,
отынның меншікті шығынының азаюы, өнімділік еңбектің жоғарлауы, электр
энергетика саласының өндірістік құрылымының жақсарғанын көрсетеді.
Сексен жыл арлығында электр энергетика дамыды және жалпы ұлттық
монополия ретінде қызмет жасады. 1991 жылы энергетикалық жүйенің бірігуі
және электр энергетиканың орталықсыздандыру және біртұтас құрылымның
ыдырау процесі, саланың реформалану процесі басталған еді. Оған қарамастан
электр энергиясы бұрынғыдай энергияның әмбебаб қалыпында қалады.
Негізгі электр энергиясын тұтынушылар өндірістік кәсіпорын, транспорт,
ауыл шаруашылығы, қаланың коммуналды шаруашылығы, сонымен катар
өндірістік объекті электр энергияның сексен пайызын тұтынады.
Электр энергиясы халық шарушылығының барлық саласында
қолданады. Сондай-ақ әртүрлі механизмді электр жетегі үшін әртүрлі электр
технологиялық қондырғы үшін, біріншіден электр термиялық қондырғы және
электрмен пісіру қондырғысы үшін электролиз, электр ұшқынды және электр
дыбысты материалды өңдеу, электрлік сырлау үшін қолданады.
Қазіргі таңда
өндірістің тез өркендеуіне байланысты
электр
энергиясының сенімділігі мен сапасын қамтамасыз ету қажет. Қамтамасыз
ететін электр энергиясы белгілі мөлшерде және соған сай сапасымен
энергожүйеден өндірістік объектіден беріледі.
Өндірілген энергияны өндірістік өнеркәсіптерге тарату және тұтыну
экономикалық жағынан өте тиімді және сенімді кылып шығарылуы керек.
Электр энергиясының таралуын барлық сатыда тұтынатын кернеумен
тұтынушыларға жоғары кернеумен максималды жақындауды қамтамасыз ету
үшін сенімді және экономикалық жағынан өте тиімді жүйені энергетиктер
ойлап тапты.
Негізгі тапсырма объектіні жобалау электрмен жабдықтау жоғары
сатылы сенімділік және экономикалық жағынан өте тиімді етіп қамтамасыз
ету. Өндірістік өнеркәсіпті электрмен жабдықтауды жобалау үш кезеңнен
тұрады: технико-экономикалық негіздеу, техникалық жоба, жұмыстық сызба.
Электр қондырғының құрылысы эксплуатацияның қауіпсіздігін қамтамасыз
ету, сенімді және тиімді болуы керек. Жобалау барысында бұл көрсеткіштерді
техника-экономикалық есептеу арқылы табамыз.
1. Трансформатор зауытын электрмен жабдықтау
1. 1 Технологиялық процестің сипаттамасы
Трансформатор кұру қазіргі заманғы өндіріс саласының негізі болып
табылады. Трансформатордың мәні электр энергетика саласында өте үлкен,
сонымен қатар электр энергетикасын аз шығынмен береді. Трансформатордың
өндірістік технологиясы үлкен еңбекті қажет ететін процесс, қазіргі заманғы
ғылым мен техниканың алға дамуы, көптеген жетістіктерге жеттуде.
Трансформатордың құрылымды-технологиялық ерекшелігі, магниттік
жүйе. Өндірісте ілгерімді игеру шешімі магниттелу жүйесіндегі бөлігінің бір
түрі, шихтовканың сұлбасы, электротехникалық болаттың жалпақша тілінген
тілігінің кұрылымы және салқындататын каналдар, тұтас тұрғы өзектердің
элементері, трансформатор жасау дәрежесіне сай жасалынады. Пластинаны
дайындау үшін магниттік жүйе жоғары сапалы салқын сырғанайтын
анизотропты орамдық болаттың қалыңдығы 0, 27 мм аз ғана меншікті
шығынымен және жоғары магнитті өтімділігімен, жылуға төзімді
оқшауламамен қапталған. Магниттік жүйені дайындау технологиясында
зашихтовкасын жағары ярмаға, содан кейін магниттік жүйенің өзегіне орамды
орнатады. Қазіргі сұлба да пластинді қисық түйіспемен бұрышқа карай
каттау, түйіспенің ығысуынан пластин престелген өзекке сияқты
болады, белсенді бөлімде ярм тесілмеуін қамтамасыз етеді және электр
техникалық болатты қолдану көбірек тиімді, активті және реактивті қуаттың
шығыны минималды болады.
Орамы мен оқшауламасы
25МВА-ға дейін трансформаторларда мыс пен алюминий орамды сым
қолданыста, қуаты үлкен болғанда тек мысты қолданады. Күрделі сымдар
үшін бір талшықты сымдар қолданады: бөлінген,
2, 3, 4
карапайым
өткізгіштерден тұрады және транспортталған, эмальданған өткізгіштің көп
бөлігі сымның ұзындығы бойынша транспортталу мақсаты орамға қосылатын
шығынды азайтады. Жалпы сымның оқшауламасы арнайы маркамен жоғарғы
кернеулі қағазбен жасайды. Трансформатордың құрылысына сапалы
жабыстырылған мойынтұрығы және теңестірілетін оқшаулама, қатты
оқшауланған бөлшек күрделі конфигурациясымен, ығыстыру әдісімен
дайындалады.
Оралатын аспап көлденең және тік өспен айналады,
гидравликалық пресс, вакумды-кептіргіш шкаф және басқа да қажет
технологиялармен орамның кез келген типін жоғары сапалы жасалуын
қамтамасыз етеді. Орамды орау арнайы ашылуын түзету үшін қондырғыны
өстік және радиалды пресстеу қолданады. Өстік өлшемнің тұрақтану
мақсатында барлық орамда кептіру операциясы келесідей орындалады:
вакумды-кептіргіш шкафта престелгеннен кейін гидравликалық престеу,
арнайы қысатын плитка қолданылады, телескопты серіппе жабдықталған.
Бак
Бактың ішкі және сыртқы беті, әдетте еріткіштер ФЛ-ОЗК грунтпен
қапталады, олардың сыртқы беті қосымша ХВ-124 эмальмен қапталады.
Осындай қаптаулар сенімді коррозиядан сақталуын барлық климаттық
шарттарға және олардың майлылығы берік болады. Активті бөлігінің
көптігіне байланысты тәуелді болады, бак жоғарғы және төменгі ажырататын
кұрылғыдан тұрады. Бакқа керек қондырғылар және арматура бәрі
орналасады: кеңейткіш, тығыздалған күймеше, термосифонды сүзгі,
сақтандырғыш клапан, құюға арналған крандар, төгу және майды үлгі ретінде
алу, бакты жерлендіру үшін қысқыш, зауыттық кесте және т. б. Күштік
тарататушы трансформатор- косалқы станцияның негізгі элементіне техника
жағынан және эксплуатациялық мінездемесі, экологиялық жағынан қатты
талап қояды. Майтолтырылған трансформаторлар, салыстырмалы түрде
арзандығына және кұрылысының қарапайымдылығына қарамастан, кемшілігі
де бар. Құрғақ тарататушы трансформаторларға байланысты ол орташа кернеу
тобына жатады мұнда көп кездесетін қондырғылар, ескі технологиямен
жасалынған. Құрғақ трансформатордың негізгі элементі, оның
тұтынушылардың қасиетін анықтайды, жоғарғы кернеудің орамы болып
табылады, сапасы колданатын материалдарына және жасалу технологиясына
байланысты болады. Орамға оқшауланған диэлектрикті сіңіру технологиясын
қолданғанда келесідей орамды кептіру эксплуатация жасаған кезде ылғалды
белсенді жұтады, беттік разрядтар жүргізеді, оқшауламаның тездетіп ескіруіне
және трансформатордың уақытынан бұрын істен шығуына әкеледі. Осындай
трансформаторларды ылғалдылығы жоғары жерлерде қолдана алмаймыз,
жұмыс жасау уақыты өте аз, механикалық беріктігіне ие емес, қысқа
тұйықталу тоғын тесіп өтетін тоғына берік, қолайсыз болады.
Трансформатордың жасалу технологиясы құйылған орамы қоспаны
қолдандырмайды және газдық микросызық орауыштың кұрамында, разрядтың
бөлшектелген мәні жоғарлауына, оқшауламаның тез ескіруіне, жұмыс істеу
уақытының азаюына әкеледі.
Өндірістің көлеміне тәуелді, трансформатордың тізімдемесі мен
құрылымды-технологиялық ерекшелігімен ерекшеленеді, көптеген зауыттарда
цехтің кұрылымы бар, типімен ерекшеленеді. Басқа зауыттар атап шыққан
цехтар мен бөлімдерге ие емес, кейде басқа цехтар мен бөлімдер болады
бірнеше функцияны біріктірген. Кәсіпорынның шарттарына
шығарушылардың әдетте үлкен бөлігі әртүрлі типін және
трансформаторлардың типтерінің сәйкес келуі, негізгі цех жасайды және буын
бойынша
(магниттік сым, орамдар, оқшаулағыш, ауыстырып-қосқыш
қондырғы, бак) немесе бөлшектерді жинайды, осы буынды толымдау
(ярмалық арқалық магнитті сымды жинау үшін, қағаз-бакелитті цилиндр
оралған орам үшін) .
1. 2 Жұмысқа берілген мәліметтер
Зауыт қуаттары шексіз, кернеулері 230/115/10, 5 кВ екі үш орамды
трансформаторлары бар 63 МВА қуатты энергожүйе қосалқы станциясынан
қорек алады. Трансформаторлардың жұмысы екі бөлек. Энергожүйе қосалқы
станциясынан зауытқа дейінгі қашықтық - 6 км. Трансформаторлардың 230
кВ жағындағы қысқа тұйықталу қуаты 1200 МВА. Зауыт екі ауысыммен
жұмыс істейді.
1. 1кесте - Зауыт бойынша берілген электрлік жүктемесі
Цехтар мен территория жарықтандыруын ауданы бойынша анықтау
қажет.
2 Зауыт бойынша электр жүктемелерін есептеу
2. 1 Зауыт бойынша жарықтандыру жүктемелерін есептеу
Зауыт жүктемесін анықтау кезінде жарықтандыру жүктемесін есептеуді
жеңілдетілген әдіс бойынша есептеулер өндірістің жүктемесінің меншікті
тығыздығы және сұраныс коэффициенті қарастырылады.
Бұл әдіс бойынша есептелетін жарықтандыру жүктемесі ең жүктелген
сменадағы жарықтанудың орташа қуатына тең деп қабылданады және келесі
формулалар бойынша есептеледі:
Рpo=Кco× Руо, кВт;
Qpo=tgϕо× Рро, квар;
(2. 1)
(2. 2)
мұнда Кco - жарықтандыру жүктемесінің активті қуаты бойынша
сұраныс коэффициенті; [3, кесте 2. 2]
tgϕо - реактивті қуат коэффициенті cosφ бойынша анықталады;
Руо - цех бойынша жарықтандыру қабылдағыштардың орнықты
қуаты өндіріс аймағының 1 м2 ауданына келетін жарықтандыру жүктемесінің
меншікті тығыздығы мен көбейтіндісіне тең болады:
Руо=ρо∙F, кВт.
(2. 3)
мұнда F - заводтың жалпы планы бойынша анықталатын өндіріс
ғимаратының аймағы м2;
ρ0− 1м2 келетін меншікті есептік қуат, кВт. [4, кесте 3. 3]
Бұл шама ғимараттың түріне тәуелді. Барлық есептік берілулер 2. 1
кестеге - “Жарықтандыру жүктемені есептеу” енгізіледі.
2. 2 Зауыт бойынша 0, 4 кВ электр жүктемелерін есептеу
Цехтар бойынша күштік және жарықтану жүктемелерді есептеудің
нәтижелері 2. 1-кестеге «Кернеуі 0, 4 кВ зауыт цехтары бойынша күштік
жүктемелерді есептеу» еңгізілген.
Зауыттың ГПП және цех ТП орналасу орынын анықтау мақсатымен
жобалау кезінде электр жүктемелер картограммасын құрады.
Картограмма - зауыттың жалпы планында орналасқан шеңберлер.
Шеңберлердің аймағы таңдалған масштабта цехтардың есептелген
жүктемелеріне сәйкес келеді.
Төменгі вольтті жүктеме үшін картограмма цехтің жарықтандыру үлесін
көрсету керек. Оны цехтің сәйкес келетін шеңбердің секторы түрінде
көрсетуге болады.
2. 1 кесте - Жарық жүктемесін есептеу
2. 2 кесте - Трансформаторлық зауыттың цехтары бойынша күштік жүктемесінің кернеуін есептеу 0, 4 кВ
2. 2 кестенің жалғасы
1
2
3
4
5
6
7
8
9
10
11
12
13
14
15
16
17
Қазандық
7
а) күштік жүктеме
б) жарықтандыру
35
10
80
920
>3
0, 5
0, 8
0, 75
460
345
23
1, 19
547, 4
9, 34
345
4, 67
ҚОРТЫНДЫ
556, 74
349, 67
657, 4
8
Компрессорлық:
б) жарықтандыру
6, 34
3, 17
ҚОРТЫНДЫ
6, 34
3, 17
7, 09
Жөндеумеханикалық
цехы
9
а) күштік жүктеме
30
1
130
300
>3
0, 2
0, 65
1, 17
60
70, 2
5
2, 42
145, 2
77, 22
б) жарықтандыру
27, 84
13, 92
ҚОРТЫНДЫ
173, 04
91, 14
195, 6
Сырлайтын цех
10
а) күштік жүктеме
б) жарықтандыру
20
1
20
250
>3
0, 6
0, 9
0, 48
150
72
20
1, 15
172, 5
6, 73
72
3, 37
ҚОРТЫНДЫ
179, 23
75, 37
194, 4
Гараж
11
а) күштік жүктеме
б) жарықтандыру
15
1
10
50
>3
0, 2
0, 7
1, 02
10
10, 2
10
1, 84
18, 4
7, 47
11, 22
3, 73
ҚОРТЫНДЫ
25, 87
14, 95
29, 88
Механоқұрылымды
цехы
12
а) күштік жүктеме
250
1
100
3800
>3
0, 25
0, 65
1, 17
950
, 5
76
1, 15
1092, 5
, 5
б) жарықтандыру
132, 47
66, 23
ҚОРТЫНДЫ
1224, 9
1177, 7
1699, 3
Дәнекерлеп-дайындау
цех
13
а) күштік жүктеме
150
10
80
2900
>3
0, 4
0, 6
1, 33
1160
1542, 8
73
1, 11
1287, 6
1542, 8
б) жарықтандыру
88, 04
44, 02
ҚОРТЫНДЫ
1375, 6
1586, 8
2100, 1
2. 2 к естенің соңы
1
2
3
4
5
6
7
8
9
10
11
12
13
14
15
16
17
Орамдағы сымдардың
цехы
14
а) күштік жүктеме
200
1
20
1320
>3
0, 4
0, 7
1, 02
528
538, 56
132
1, 08
570, 24
538, 56
б) жарықтандыру
48, 96
24, 48
ҚОРТЫНДЫ
619, 2
563, 04
836, 9
Майлардың қоймасы
15
а) күштік жүктеме
б) жарықтандыру
10
1
20
85
>3
0, 3
0, 8
0, 75
25, 5
19, 125
9
1, 65
42, 1
6, 38
21, 04
3, 19
ҚОРТЫНДЫ
48, 48
24, 23
54, 2
Сынап көретін станция
16
а) күштік жүктеме
б) жарықтандыру
30
1
40
850
>3
0, 3
0, 8
0, 75
255
191, 25
30
1, 24
316, 2
12, 47
191, 25
6, 24
ҚОРТЫНДЫ
328, 67
197, 49
383, 4
Құйма цехы (а) 0, 4кВ
17
а) күштік жүктеме
б) жарықтандыру
50
10
80
860
>3
0, 5
0, 7
1, 02
430
438, 6
22
1, 19
511, 7
39, 25
438, 6
19, 63
ҚОРТЫНДЫ
550, 95
458, 23
716, 6
Трансформатордың
майын сақталатын
18
қойма
а) күштік жүктеме
10
5
14
100
<3
0, 3
0, 8
0, 75
30
22, 5
10
1, 6
48
24, 75
б) жарықтандыру
5, 93
2, 96
ҚОРТЫНДЫ
53, 93
27, 71
60, 6
Зауыт басқармасы
19
а) күштік жүктеме
б) жарықтандыру
20
1
20
150
>3
0, 4
0, 7
1, 02
60
61, 2
15
1, 31
78, 6
10, 08
61, 2
5, 04
ҚОРТЫНДЫ
Жарықтану аймағы
ҚОРТЫНДЫ 0, 4кВ шинасында
88, 68
353, 03
11798, 15
66, 24
176, 52
10478,
8
110, 7
15779,
8
![]()
2. 3 Цех трансформаторларының саны мен қуатын анықтау және 0, 4
кВ кернеудегі реактивті қуатты компенсациялау
Цех трансформаторларының саны мен қуатын технико-экономикалық
есептеулер жолымен ғана мүмкін, келесі факторларды ескеріп:
тұтынушыларды электрмен қамдау сенімділігнің категриясын; 1кВ-қа дейінгі
реактивті жүктемені компенсациялауын; қалыпты (нормалы) және авариялы
режимдерде трансформатордың аса жүктемелу қабілетін; стандартты қуаттар
қадамы; жүктеме графигі бойынша трансформаторлардың тиімді жұмыс
режимдерін.
Есептеулер үшін мәліметтер:
Рp0, 4=11798, 15 кВт; Qp0, 4=10478, 87 кВар; Sp0, 4=15779, 8 кВА.
Трансформаторлық зауыты 2 категориялы тұтынушыларға жатады,
завод екі сменамен жұмыс істейді; сондықтан трансформатордың жүктелу
коэффициенті Кзтр=0, 75.
Әрбір топтың технологииялық шоғырлануы цехтық
куатпен олардың минималды санына, қоректендіру
үшін керек активті есептелген жүктемесі, формула бойынша есептеледі:
S
=
S
р 0 , 4
Fц
;
(2. 4)
S
уд.
15779, 8
240500
=0, 065
Егер Sуд <2 трансформаторлар 630-1600 кВА дейін қабылданады.
N
Р
=
T min Кз·Sн. тр.
+ Δ N ;
(2. 5)
N
T min
=
11798 , 15
0 , 75·1600
+ 0 , 29 = 9 , 8 + 0 , 2 = 10
мұнда, Рр 0, 4 - есептелген активті қуаттың қосындысы;
Кз -трансформатордың жүктелу коэффициенті;
Sнт -Трансформатордың номиналды қуаты қабылданған;
∆N - Бүтін санға жеткенге дейінгі қосымша қосу;
N т. э =10 трансформаторлар.
Трансформатор ТМН-1600/10/0, 4 таңдаймыз: Sн=1600 кВА; Uвн=10, 5
кB; ∆Pкз=15кВт; Uкз=5, 5%; Iхх=0, 7%; ∆Pхх=2, 8 Вт; Uнн=0, 4кB
Трансформаторлардың анықталған саны бойынша ең үлкен реактивті
қуатты анықтаймыз Q1, трансформатор арқылы торапқа устемді 1кВ
дейінгі кернеуге беріледі және мына формуламен анықтайды:
Qнбк = Qнбк1
17
2. 1 сурет - Орынбасу сұлбасы
Таңдалған трансформаторлардың саны бойынша ең үлкен реактивті
қуатты анықтаймыз Q1, трансформатор арқылы торапқа устемді 1кВ дейінгі
кернеуге беріледі.
1
(N
тэ
з р 0, 4
(2. 6)
Q
1
2
2
5919 , 76квар
Реактивті қуаттың тепе-теңдік шарты бойынша шинада 0, 4кВ кернеу
болғанда Qнбк 1 мәнін анықтаймыз:
Q
нбк1
= Q
р0, 4
− Q
1
(2. 7)
Q〈 1 = 10478 , 87 − 5919 , 76 = 4559 , 1 ◊
Төменгі кернеу конденсаторлар батареясының
мәні теріс сан
шыққандықтан деп аламыз, сонда Qнбк=4559, 1 квар тең болады.
Әр трансформаторға келісетін бір конденсаторлар батареясының қуатын
анықтаймыз:
Q
нбктр
=
Q
Nтр
(2. 8)
Q
нбк тр
=
4559, 1
10
= 455, 91квар
Төменгі кернеу конденсаторлар батареясын (НБК) есептелген мәнге
жақын стандартты мәнді аламыз. УКЛН-0, 38-600-150У3(Л3 кесте 2, 191)
таңдаймыз.
Есептеулер нәтижесі бойынша 2. 4-кесте “ТҚС бойынша цехтер
жүктемелерін тарату, төменгі кернеулі жүктеме цехтарға ТҚС ” құрылады.
18
![]()
Qнбк ТҚС-ң реактивті жүктемесіне пропорционал тарату
Q рНБК =
1) ТҚС1-ТҚС2
Qр0, 4 (ТҚС1-ТҚС2) = 4187, 54 квар
Q НБК ⋅ Q р 0 , 4 ТП
Q р 0 , 4
(2. 9)
Q
рНБК
=
5514 , 63 ⋅ 4187 , 54
10478 , 87
= 2203 , 74 кв ар
2) ТҚС3-ТҚС4
Qр0, 4 (ТҚС3-ТҚС4) = 3218, 72 квар
Q
рНБК
=
5514, 63 ⋅ 3218, 87
10478, 87
= 1693, 9 кв ар
3) ТҚС5-ТҚС6
Qр0, 4 (ТҚС6-ТҚС7) = 3072, 61 квар
Q
рНБК
=
5514, 63 ⋅ 3072, 61
10478, 87
= 1617 кв ар
Qнеском п Q р 0 , 4 ТП Qфакт
2. 3 кесте - Qнбк нақтыланған жіктелуі ТП бойынша
2. 4кесте - ТҚС төменгі кернеулі жүктемелерді цех жүктемелерін тарату
19
2. 4 ЦТҚС-дағы қуат шығындарын анықтау
Трансформатор ТМН-1600/10/0, 4 таңдаймыз: Sн=1600 кВА; Uвн=10, 5
кB; ∆Pкз=15кВт; Uкз=5, 5%; Iхх=0, 7%; ∆Pхх=2, 8 Вт; Uнн=0, 4кB.
∆ Рт = (∆ Pхх + ∆ Pкз ⋅ К з 2 ) ⋅ N
(2. 10)
3
I
U кз
100
⋅ S н. т. ⋅ К32
( 2. 11)
1-ші магистраль үшін ТҚС1-ТҚС2: Кз=0, 72; N=4.
∆ Рт = ( 2 , 8 + 15 ⋅ 0 . 72 2 ) 4 = 45 , 48 кВт
∆ Qт = (
0 . 7
100
⋅ 1600 +
5 , 5
100
⋅ 1600 ⋅ 0 . 72 2 ) ⋅ 4 = 248 квар
2-ші магистраль үшін ТҚС3-ТҚС4: Кз=0, 77; N=3.
∆ Рт = ( 2 , 8 + 15 ⋅ 0 . 77 2 ) 3 = 37 , 9 кВт
∆ Qт = (
0 . 7
100
⋅ 1600 +
5 , 5
100
⋅ 1600 ⋅ 0 . 77 2 ) ⋅ 3 = 206 , 82 квар
20
3-ші магистраль үшін ТҚС5-ТҚС6: Кз=0, 77; N=3.
∆ Рт = ( 2 , 8 + 15 ⋅ 0 . 77 2 ) 3 = 37 , 2 кВт
∆ Qт = (
0 . 7
100
⋅ 1600 +
5 , 5
100
⋅ 1600 ⋅ 0 . 77 2 ) ⋅ 3 = 202 , 56 квар
Трансформатордың шығындарының қосындысы:
ΣР1-6=45, 86+37, 9+37, 2=120, 96кВт
ΣQ1-6=248+206, 82+202, 56=657, 38квар
2. 5 10 кВ шинадағы электрлік жүктеменің есептелуі
2. 5. 1 Синхронды қозғалтқыштардың есептік қуаттарын анықтау
Берілгені: СҚ 8-ші компрессорлық цех 10 кВ
СТД-630-2 (4х630) [3, кесте 2. 48] .
Рн СҚ =630 кВт; cos ϕ = 0, 9; NСҚ =4; Кз=0, 85; tgφ= 0, 5 n=750 об/мин
Синхронды қозғалтқыш үшін есптік активті және реактивті қуаттарды
анықтаймыз:
Р р СҚ = Р н СҚ ⋅ NСҚ ⋅ к з
Р р СҚ =630 ⋅ 4 ⋅ 0, 85 = 2142 кВт.
Q р СҚ = Р р СҚ ⋅tg ϕ
Q р СҚ = 2142⋅0, 62 =1328, 04 квар.
(2. 12)
(2. 13)
2. 5. 2 Доғалық болат балқытатын пештердің есептік қуаттарын
анықтау
Доғалық болат балқытатын пештің салмағы 6т тонна ДСП-6
ЭТЦПК-2800/10-74У3; [4, кесте 4. 3]
Sн =2800 кВА; cosϕ=0, 9; N =2; к з = 0, 85; tgφ= 0, 62.
Есептік қуатын анықтау үшін ДБП-6:
РрДСП = Sн ⋅ N ⋅ cosϕ ⋅ к з
Рр ДСП =2800 ⋅2 ⋅ 0, 85 ⋅ 0, 85 = 3570 кВт;
QрДСП = РрДСП ⋅ tgϕ
Qр ДСП = 3570 ⋅ 0, 62 = 2213, 4 квар.
Трансформатордың шығыны ЭТЦПК (6т) :
ΔРрДСП = 0, 02 ⋅ Sн ⋅ N ;
21
(2. 14)
(2. 15)
(2. 16)
ΔРр ДСП = 0, 02 ⋅ 2800 ⋅2=112 кВт;
ΔQр ДСП = 0, 1 ⋅ Sн ⋅ N:
ΔQр ДСП = 0, 1 ⋅ 2800 ⋅2= 560 квар.
(2. 17)
2. 5. 3 БТҚС 10 кВ шинасындағы реактивті қуаттың компенсациясын
есептеу
2. 2 сурет - Орынбасу сұлбасы
Резервті қуат:
Qрез=0, 12⋅ΣQрасч =0, 12⋅ (Qр0, 4+ΔQтр ТПΣ+Qр ДСПΣ+ QрСДΣ +ΔQтр ДСП-Qнбк) (2. 18)
Qрез =0, 12⋅ (10478, 87+657, 38+2213, 4+560+1328, 04-6000) =1108, 52 квар.
Энергожүйеден келетін қуат:
Qэ=0, 23÷0, 25⋅ΣPр=0, 24⋅ (Pр0, 4+ΔPтр ТПΣ+PрСДΣ+ Рр ДСПΣ+ ΔРтр ДСПΣ)
Qэ =0, 24⋅ (11798, 157+120, 06+2142+3570+112) =4258, 35 кВар .
(2. 19)
ЖБК қуатын реактивті қуаттың тепе-теңдігінің шарттары арқылы
анықтау:
QВБК=Qр0, 4+ΔQт ТПΣ+ Qр ДСПΣ+ ΔQт ДСПΣ+Qрез+QрсдΣ -QНБКΣ-Qэ
(2. 20)
QВБК=10478, 87+657, 38+2213, 4+1108, 52+1328, 04-6000-4258, 35=
=5528 кВар .
ЖБК таңдаймыз [3, кеcте2. 192] түрі:
2х УКРЛ-56 -10, 5-1350 У3 Qн=1350 кВар
2хУКРЛ-56 - 10, 5-900У3 Qн=1800 кВар
Зауыт бойынша электр жүктемелерінің нақтыланған есептелуі
2. 5 кесте - «Зауыт бойынша жүктемелердің нақтыланған есептелуі»
кестесінде келтірілген
22
![]()
2. 5 кесте-Электр жүктеменің нақтыланған есебі
23
2. 5 кестенің соңы
24
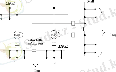
3 Сыртқы электрмен жабдықтау сұлбаларын таңдау
Өнеркәсіптік электржабдықтаудың оңтайлы есептерін шешу кезінде
бірнеше нұсқаларды салыстыру қажеттілігі туады. Өнеркәсіптік энергетика
есептердің көп нұсқаларының бар болуы технико-экономикалық есептеулерді
жүргізуді қажет етеді. Ол есептеулердің мақсаты - сұлбаның оптималды
(тиімді) нұсқасын анықтау, электр жүйенің және оның элементтерінің
параметрлерін анықтау.
Зауыт қуаттары шексіз, кернеулері 230/115/10, 5 кВ екі үш орамды
трансформаторлары бар 63 МВА қуатты энергожүйе қосалқы станциясынан
қорек алады. Трансформаторлардың жұмысы екі бөлек. Энергожүйенің
қосалқы станциясынан зауытқа дейінгі қашықтық
-
6
км.
Трансформаторлардың 230 кВ жағындағы қысқа тұйықталу қуаты 1200 МВА.
Зауыт екі ауысыммен жұмыс істейді.
Технико-экономикалық салыстыруды жүргізу үшін электрмен
жабдықтаудың екі нұсқасын қарастырамыз:
3. 1 сурет - Электрмен жабдықтаудың қос сұлбасы
I нұсқа - ЭБЖ 110 кВ;
II нұсқа - ЭБЖ 10 кВ.
3. 1 I нұсқа 110 кВ желі үшін БТҚС трансформаторларын таңдау
және шығынын есептеу
БТҚС трансформаторларын таңдаймыз:
S
ГПП
= Pр 2 + Qэ
2
(3. 1)
S ℘∉∉ = 16855, 942 + 4258, 352 = 17385, 52 кВА
25
![]()
3. 2 сурет - I нұсқаның электрмен жабдықтау сұлбасы
Қуаттылығы 16000 кВА екі трансформатор таңдаймыз.
Жүктелу коэффициенті:
Kз =
Sр ГПП
2⋅Sн
(3. 2)
Kз =
17385, 52
2⋅16000
= 0, 6
Трансформатор түрі ТДН-16000/110;
3. 1 кесте - Трансформатордың паспорттық берілулері:
Трансформатордағы қуат шығыны мен электр энергиясын табамыз:
Активті қуаттың шығыны:
ΔР
тгпп
2
(3. 3)
26
![]()
ΔР
тгпп
2
Реактивті қуаттың шығыны:
тГПП
I
100
U
100
(3. 4)
тГПП
0, 7
100
⋅ 16000 +
10, 5
100
⋅ 16000 ⋅ 0, 62 ) = 1433, 6квар
... жалғасы- Іс жүргізу
- Автоматтандыру, Техника
- Алғашқы әскери дайындық
- Астрономия
- Ауыл шаруашылығы
- Банк ісі
- Бизнесті бағалау
- Биология
- Бухгалтерлік іс
- Валеология
- Ветеринария
- География
- Геология, Геофизика, Геодезия
- Дін
- Ет, сүт, шарап өнімдері
- Жалпы тарих
- Жер кадастрі, Жылжымайтын мүлік
- Журналистика
- Информатика
- Кеден ісі
- Маркетинг
- Математика, Геометрия
- Медицина
- Мемлекеттік басқару
- Менеджмент
- Мұнай, Газ
- Мұрағат ісі
- Мәдениеттану
- ОБЖ (Основы безопасности жизнедеятельности)
- Педагогика
- Полиграфия
- Психология
- Салық
- Саясаттану
- Сақтандыру
- Сертификаттау, стандарттау
- Социология, Демография
- Спорт
- Статистика
- Тілтану, Филология
- Тарихи тұлғалар
- Тау-кен ісі
- Транспорт
- Туризм
- Физика
- Философия
- Халықаралық қатынастар
- Химия
- Экология, Қоршаған ортаны қорғау
- Экономика
- Экономикалық география
- Электротехника
- Қазақстан тарихы
- Қаржы
- Құрылыс
- Құқық, Криминалистика
- Әдебиет
- Өнер, музыка
- Өнеркәсіп, Өндіріс
Қазақ тілінде жазылған рефераттар, курстық жұмыстар, дипломдық жұмыстар бойынша біздің қор #1 болып табылады.

Ақпарат
Қосымша
Email: info@stud.kz