Жайықтеплоэнерго АҚ қазандықтарындағы технологиялық процесстерді электірленуін жобалау


9
![]()
10
![]()
11
![]()
12
![]()
Аңдатпа
Мен бұл дипломдық жұмысымда «Жайықтеплоэнерго» АҚ
қазандықтарындағы технологиялық процесстерді электірленуін жобаладым.
Қазандық цехіндегі жабдықтың желдету-жылыту, электр жетегін,
жарықтандыру қондырғыларын, жарық техникалық, электротехникалық,
жарықтандыру қондырғысын басқару апараттарын есептеуін қарастырдым.
Аннотация
В своей дипломной работе ознокомилься «Жайыктеплоэнерго» АО
ээлектрификация технологических процессов в котельной. Ввентиляционно-
отопительного режима котельного цеха, электроприводов, осветительной
установки, ссветотехнический, ээлектротехнический, устройства управления
осветительной установкой
13
Мазмұны
Кіріспе
1 «Жайық теплоэнерго» АҚ-ның шаруашылық қызметін талдау.
2 «Жайықтеплоэнерго» АҚ қазандықтарындағы технологиялық
процесстерді электрлендіру
2. 1 Технологиялық процесстің сипаттамасы
2. 2 Технологиялық жабдықтың техникалық және жұмыс сипаттамасы
2. 3 Қазандық цехіндегі желдету-жылыту режімін есептеу
2. 4 Электр жетегін есептеу
2. 5 Жарықтандыру қондырғыларын есептеу
2. 5. 1 Жарық техникалық есептеу
2. 5. 2 Электротехникалық есептеу
2. 5. 3 Жарықтандыру қондырғысын басқару аппараттарын өндеу.
3 ТП таңдау және жүктеме графигән құру
4. Өмір тіршілік қауіпсіздігі
4. 1 Жобаланатын аймғымызға жалпылама сипаттама
4. 2 Өндірістегі тазалықтар бойынша іс -шаралар
4. 3 Электр қондырғыларындағы қорғаныс шаралары
4. 4 Жерлендіргіш қондырғысының есебі
4. 4. 1 Берілген мәндері
4. 4. 2 Жыл мезгілдік коэффициентті ескере отырып, грунттың меншікті
кедергісінің есебі шығарайық.
4. 4. 3 Бір тігінен жерлендіргіштің кедергісі
4. 4. 4 Оқтаушаның нақтылайтын санын анықтау.
4. 4. 5 Жалғанатын жолақтардың кедергісін анықтау
4. 4. 6 Жалғайтын жолақпен бірге тігінен жерлендіргіштің кедергісі.
6
7
9
9
12
14
18
30
30
51
60
67
72
72
73
74
77
77
78
78
78
79
80
4. 4. 7 Жалғайтын жолақты ескеріп тік жерлендіргіштің санын анықтау
80
5Қоршаған ортаны қорғау
83
5. 1 Жарықтандыру қондырғысын
экономикалық тиімділігін есептеу
Қорытынды
Пайдаланылған әдебиеттер тізімі
14
басқаратын
автоматтардың
83
84
КІРІСПЕ
Ауыл шаруашылық өндірісінің дамуы электр энергияны кең қолданатын
заманға сай техналогиялармен базаланады. Осыған байланысты, электр
энергиясының сапасына және экономикалық қолданылуына, электрмен
жабдықтау сенімділігіне талаптар өсті.
Қазіргі заманға сай жарық техникалары жетістіктерінің көмегімен
жарықты тиімді пайдалану - еңбек өндірісінің жоғарлауының негізгі резерві
және өнім сапасы, адамдардың денсаулығын сақтау және жарақат алудың
төмендеуі болып табылады.
Қазіргі заманға сай жарық техникаларының негізгі мақсаты - адамның
жұмысы және демалысы үшін қолайлы жарық орталарымен қамтамассыз ету,
сонымен қатар жарық техникалық қондырғыларда жұмсалатын
технологиялық процесстерде электр энергиясын рационалды қолдану
негізінде жарықты пайдалану көлемі мен тиімділігінің жоғарылауы, оларды
пайдалану және құрау үшін кететін шығынның төмендеуі болып табылады.
Заманға сай өндіріс дамуының негізгі факторы адамдардың еңбегін
өзгертуге әкелетін кешенді автоматтандыру болып табылады.
Өндірістік-тұрмыстық панажайлардағы электр энергияны
тұтынушылардың бірі - жарықтандыру аспаптары. Зерттеулер бойынша
заманға сай өндірістерде жарықтандыруды дұрыс жобалау еңбектің өндірісін
10-20% жоғарлатады. Оған жарықтандыру номаларын сақтау ғана емес,
сонымен қатар технологиялық процесстер есебімен жарықтандырудың сапалы
сипаттамасын сақтау кіреді.
Өндіріс технологиясының есебімен жарықтандыруды өз уақытында қосу
және ажырату, табиғи жарықтандыруды максималды пайдалану мақсатында
табиғи жарықтандыру динамикасымен жасанды жарықтандыру жұмысын
қиыстыру, сонымен қатар жұмыс уақытында табиғи жарықты реттеу
(динамикалы жарықтандыру) электр энергиясын үнемдеуге мүмкіндік береді.
Жарық қондырғыларының жұмыс барысында жарықтандыруды
автоматты басқару жүйесін енгізу арқылы уақыт санын азайтамыз, сонымен
қатар жарықтандыру аспаптарының және қондырылған шамдардың пайдалау
уақытын ұзартамыз.
15
1. «ЖАЙЫҚ ТЕПЛОЭНЕРГО»
АҚ-НЫҢ
ШАРУАШЫЛЫҚ
ҚЫЗМЕТІН ТАЛДАУ.
Бүгінгі таңда жылу энергиясы 1427 өнеркәсіптік кәсіпорындарда, 240
бюджеттік ұйымдарда және 60 мың пәтер жалдаушылармен жүзеге
асырылады.
Кәсіпорындардың өндіріске және жылу энергиясын тасымалдауға
кететін шығындарының ең көп бөлігі сатып алынатын отын - газ.
«ЖайықТеплоэнерго» АҚ-ның құрамына ЖЭО, газ турбиналы
қогндырғы (ГТҚ), жылу тораптары (магистралды, квартира ішіндегі), жылу
тораптарының 7 бөлігімен қызмет көрсетілетін, Орал қаласында 11
қазандықтан тұратын
67 жылу алмастыру бөлімдері, өнеркәсіптегі
профилактикалық және қайта жөндеу жұмыстары үшін тендір негізінде
жабдықтарды, материалдарды сатып алып, материалды - техникалық
қамтамасыз ететін бөлімі.
Орал ЖЭО қаланы жылумен қамтамассыз ететін жалғыз орталық болып
табылады. Оның басты мақсаты - өндірістік кәсіпорындарды, тұрғын үй
секторларын жылумен жыне ыстық сумен сенімді жабдықтау, сонымен қатар
электр энергиясын беру болып табылады.
Орал қаласында ЖЭО салу туралы шешім СССР Министрлер Кеңесінің
шешімімен 1952 жылы 20 мамырда (№12261 «Орал қаласында ЖЭО тұрғызу
туралы») қабылданды. Құрылыс жұмыстары 1953 жылы басталды. 1960
жылдың 22 желтоқсанында қуаты 12 МВт турбоагрегат және Қарағанды
көмірінде БКЗ-50-39-Ф энергетикалық қзандық іске қосылды. 1965 жылы
Орал ЖЭО Куйбышевский энерго жүйесіне қосылады. 1967ж тамыз айы мен
1969 ж сәуір айы аралығында №1, 2, 3 энегетикалық қазандықтары мазут
жағуға, ал 1980-1981ж қазандықтар табиғи газдарды жағуға ауыстырылды.
Қазіргі уақытта ЖЭО 30 МВт 3 турбина, 5 энергетикалық және 7 су
жылытатын қазандықтар орнатылған. ЖЭО 307-ден артық адам жұмыс
жасайды, олардың жартысында 10-40 жыл жұмыс өтілдері бар. Бұл жерде
Қуанышқалиев, Савицкий, Шунаев, Кокашев, Телятов, Нагибовәулеттері,
П. А. Маркин, В. А. Ворогушин, В. Г. Нагибин, Л. Н. Тарасова, Ф. Н. Чистяков,
В. М. Вертушенков, Ю. М. Обливанцев сияқты еңбек ардагерлері жұмыс
жасайды. 2006 жылдың қазан айында «Орал ЖЭО-да энергияны үнемдеу
технологияларын моделді жобалау» шегінде, Мемлекет Басшысы
Н. Ә. Назарбаевтың қатысуымен салтанатты түрде қуаты 20, 52 МВт
газотурбиналық қондырғы пайдалануға берілді,
ГТҚ құрылысы өнеркісіптің технологияны (НЕДО) және энергияның
жаңа түрлерін дамыту бойынша Жапондық ұйым, минералды ресурстар және
энергетика министрлігі, қоршаған ортаны қорғау және табиғат пайдалану
министрлігі, ШҚО әкімшілігі арасындағы түсіністік туралы 4 жақты
16
меморандум негізінде іске асты. ГТҚ құрылысын және іске қосылуын «Тохоку
Электрик Пауэр» жапон компаниясы жүргізді, бұл облыстың энергетикалық
тәуелсіздігі бойынша облысты индустралды-инновациялық дамыту
бағдарламасының іске асуына бір қадам жақындатты. Газотурбиналық
станцияны іске қосу бойынша қызмет көрсететін қызмткерлер Жапонияда
Хитачи қаласындағы дайындушы-заводта тәжірбиеден өтті.
«Жайықтеплоэнерго» АҚ тұтынушыларға жылу беру жүргізілетін
229км, оның ішінде 148км жер асты және 81км әуелі жылу тораптарына
қызмет көрсетеді. Жылу тораптары пайдалану жайлылығы үшін орналасу
базаларымен 7 бөлімшеге бөлінеді. Әр бөлімше транспортпен, жабдықтармен
және жұмыс өндірісі үшін материалдармен жабдықталған. Энергетикалық
сферада дағдарыс болдырмау үшін төлемеушілермен жұмысты қайта
өзгерттік. Маркетингті жұмыс қызметі орталықтандырылды, бақылаушылар
тұтынушыларға алынған қызметтері үшін есеп-квитанцияларын өз уақытында
жеткізеді, заңды және дауларды қабылдайтын қызметтер енгізілді, сот
орындаушыларымен және соттармен тығыз жұмыс жүргізіледі. Халыққа
қызмет көрсетуді жақсарту мақсатында бірлескен орталықтар құрылды, бұл
жерде тұтынушы пәтер қарыздары бойынша ақпарат алады, тұрғын үй
аумағындағы өзгерістер туралы хабарлай алады,
жылу есептеуші
көрсеткіштерін береді және өндірілген өзгерістер есебімен төлемді жүргізе
алады, сонымен қатар барлық қызықтыратын сұрақтары бойынша мәлімет
алуларына болады.
Мемлекет басшысының жолдауында белгіленгендей, еліміздібәскелесу
қабілетімен қамтамассыз ету шартының бірі -«олқылық» технологияларын
енгізу болып табылады. Жаңа талаптар мен стандарттарға сәйкес болу үшін
электр энергиясын коммерциялық есептеудің автоматтандырылған жүйесі
«ЭКЕАЖ» («АСКУЭ») енгізілді, жаңа билингті бағдарламалар топтамасы
жасалды және іске қосылды, кәсіпорындардың әр түрлі құрылымдық
бөлімдерін бір ақпарат алаңына қосатын жергілікті тораптарды жетілдіру
жұмыстары жүргізілді.
Ұжымның басты байлығы - жоғары білікті қызметкерлер. Кәсіпорында
мыңнан аса адам жұмыс істейді, олардың ішінде 185 адамның жоғары кәсіби
білімі бар, инженерлі-техникалық құрам. Кәсіпорын жыл сайын мамандарды
Алматы энергетика және байланыс университетіне (АЭжБУ) қайта даярлау
курсына жібереді. Осыған байланысты кәсіпорында құрылыс бөлімдеріне
жұмыс мамандары бойынша кадрлар дайындайтын оқыту-курс орталықтары
ашылған. Онда қазандық операторларын, темір ұсталарын, сварщиктер және
т. б. дайындайды. Оқыту комбинатында аттестациялау және қайта
аттестациядан өткізу жүргізіледі және жұмыскерлердің дәрежесі көтеріледі.
Жыл сайын жұмыскерлер жеңілдетілген бағамен «Ақжайық» жергілікті
демалыс орнына жіберіліп тұрады және жазда жұмыскерлердің балаларына
демалу лагерлеріне жолдамалар беріледі.
Еңбекті қорғау және қауіпсіздік техникасына көп көңіл бөлінеді. Жыл
сайын өндірістің қауіпті және зиянды ықпалына ұшыраған жұмыскерлер үшін
17
профилактикалық дәрігерлік тексеріс жүргізіледі және оларға арнайы киім
және жеке қорғаныс заттары беріледі.
2. «ЖАЙЫҚТЕПЛОЭНЕРГО»
АҚ ҚАЗАНДЫҚТАРЫНДАҒЫ
ТЕХНОЛОГИЯЛЫҚ ПРОЦЕССТЕРДІ ЭЛЕКТРЛЕНДІРУ
2. 1 Технологиялық процесстің сипаттамасы
Бу қазандықтары тек қана бу қазандарымен жабдықталады және
технологиялық мұқтаждықтарға буды өндіру үшін қолданылады, ал кей
жағдайларда су жылытатын қазандықтар жоқ кезде жылумен жабдықтау
жүйесі үшін ыстық суды өндіреді.
Жылумен жабдықтауға ыстық суды және технологиялық мұқтаждыққа
буды жіберетін бу қазанымен қазандықтардың негізгі сұлбасы 2. 1 суретте
көрсетілген.
Қазандық 1 өндірілетін бу бу құбыры бойымен технологиялық
тұтынушыларға және жылумен жабдықтау жүйесінде айналатын суды
жылыту үшін 4 бу-сулы жылу алмастырғышқа жіберіледі. Технологиялық
тұтынушылардан және бу-сулы жылу алмастырғыштан кейінгі конденсат 9
деэраторға түседі. Деаэратордағы конденсат шығынын толтыру үшін
қоректендіргіш сорғы 12 көмегімен химиялық тазалаудан 11 кейін қоректік су
беріледі. Деэаратордан кейінгі су қоректік сорғы 10 көмегімен қазандыққа
түседі.
Жылумен жабдықтау жүйесіндегі судың айналуы 6 торапты
сорғылардың көмегімен іске асады. Жылумен жабдықтауға жылуды жіберу
қажет температура графигіне сәйкес, 3 реттеуіштердің көмегімен будың
шығынын өзгерту жолымен реттеледі. Жылу тораптарына судың қоректенуі
11 суды химиялық тазартудан кейін орнатылған 12 қоректену сорғысымен
жасалады.
Отын оттықта жанып, яғни ауа оттегісімен химиялық реакцияға түсіп,
тартқыш құрылғылардың көмегімен қазандық агрегеттың газ жолдары
бойымен қозғалатын ыстық газ пайда болады. Ол өз жылуын қызудың бетіне
беріп және салқындатылып қоршаған ортаға жібереді.
Бу қазандарының саны мен қуаты ыстық су бойынша жүктеменің
мәнімен және қазандықтың өзіндің мұқтаждығының бу жүктемесі есебімен
анықталады. Қазандықтың қуаты тұтынушылардың максималды жылу
жүктемесінің есебі бойынша таңдалады. Сонымен қатар, орнатылған қазан
агрегаттарының типтік мөлшері - өнімділігі ең жоғары қазандық істен шыққан
жағдайда технологиялық тұтынушыларға жылудың максималды жіберілуін
қамтамасыз ету үшін және ең суық айда ЖКС жүктемесі үшін жылудың
орташа мөлшерін жіберумен сәйкес келуі керек.
18
2. 1 сурет -ыстық суды және буды жіберетін қазандықтың құрылымдық
сұлбасы
1 - қазандар, 2 - тарату құрылғылары, 3 - реттеуіш қалпақша, 4 - бу-сулы
жылу алмастырғыш, 5 - конденсат аластатқыш, 6 - тораптық сорғы, 7 - сүзгі,
8 -қоректі реттеуіш, 9 - деаэратор, 10 -сіңіргіш сорғы, 11 - химиялық су
тазалауыш аппарат, 12 -қоректендіргіш сорғы, 13 - кеңейткіш бак,
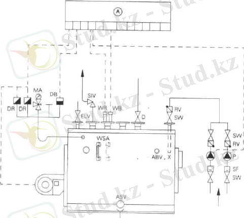
2. 2 суретте бу қазандығының қауіпсіздік құрылғылармен
жабдықталғаны көрсетілген, үнемі оператордың бақылауында болмайтын,
судың деңгейін реттейтін, 24 немесе 72 сағат пайдалану режімі үшін.
19
![]()
2. 2 сурет - Қауіпсіздік құрылғыларымен жабдықтандыру
АBV-тұзды үрлеу тетігі
АSV - мембранды жетекті тез тиекті үрлеу тетігі (вентиль)
DB -Максималды қысымды шектеуіш
DR -Қысымды ретеуіш
ELV -Диэраторлы клапан
HWB -Ең жоғары су деңгейін тежеуіш
LFE -Электр өткізгішті өлшеу үшін электрод
МА - Маномeтр.
MV -Басқарушы клапан (үш жүрісті электромагнитті клапан)
Р -Су сіңіргіш сорғы
RV -Қарама-қарсы клапан
SF1 -Лас ұстауыш
SF2 -Ластауыш сүзгі
SIV -Сақтандырғыш клапан
SW -Қорек суының тетігі WB -Су деңгейін тежеуіш
WR -Су деңгейін реттеуіш
WSА -Су деңгейін көрсеткіш
Х - Байқау ріктегішін салқындату.
А - Viessmаnn фирасының шкафы, бақылаусыз пайдалану үшін қысымның
жоғарлауы бойынша блоктау сұлбасы бар.
20
![]()
2. 2 Технологиялық
жабдықтың
техникалық
және
жұмыс
сипаттамасы
Заманға сай қазандық қондырғыларының негізгі элементтеріне -оттық,
қазан, бу қыздырушы,
экономайзер (отынды үнемдеу үшін өндіріс
қазанындағы су мен ауаны жылытатын аспап), ауа жылытқыш (қазандық
агрегаты) сонымен қатар жылу беру жабдықтары жатады.
«Турбомат» қазандығы көлденең орналасқан цилиндрлі барабаннан
тұрады, оның ішінде ішкі цилиндр орналасқан, цилиндрдің алдынғы бөлігі
оттық болады. Оттықтың алдында
КВт қозғалтқышты желкіткішпен
жабдықталған,
«VIESSMАNN»
фирмасының жанарғысы орналасқан.
Қазандағы жүктемені реттеу процесінде берілетін ауаның көлемін өзгертуге
тура келеді, ол үшін желдеткіш SQM 10 түріндегі электр қозғалтқышы бар
дуалды желбіздермен жабдықталған
Оттықтағы түтінді газдар артқы айналмалы камераларға бағытталады,
одан кейін екінші жүрістің ыстық мұржаларымен алдыңғы айналмалы
камераға келеді және үшінші жүрістің ыстық мұржалары арқылы - құрама газ
жолдарына жіберіледі. Түтінді газдар мұржалардың ішінен өтіп, жылуды -
сыртынан сумен шайылатын металл қабырғаларға береді. Буланудың әсерінен
су буға айналады.
Қазандықтағы судың нәрләлігін сақтау үшін «GRINFOSE» фирмасының
қуаты
кВт СR4-160/14F қыздыру сорғылары орнатылған.
Қазандыққа нәрлі судан үздіксіз түсіп тұратын тұз және қазан суында
жиналатын қалдықтар су деңгейінде шоғырланады. Тұздар қазандағы суға
жиналмау үшін қазандағы суды үздіксіз бұрып отырады (ол үшін қазанның
төменгі жағында электр клананы орналастырылған), нәрлі суды аз мөлшерлі
тұзыды сумен бірге қосып отырады. Бұл процессті үздіксіз үрлеу процессі деп
атайды.
Қазан тұз мөлшерін автоматты реттейтін құрылғылармен жабдықталған.
Тұзды жою клапаны - қазандағы тұзды үздіксіз бұру үшін ток өткізетін
электродтар және тұзды жоятын реттеуіштерге қызмет етеді.
Тұзсыздандыру реттеуішінде электр өткізгіштіктің берілген мәндер
көрсетілген. Қазан суының электр өткізгіштігі өзгерген кезде LGR 16-5
клапаны тұзсыздандыру реттеуішінен жабылуға-ашылуға басқарушы күш
алады.
Оттықта алынған газдар қыздырудың және қазанның газ жолдарынан
өтіп, жоғары температурада болады (300-450°С жуық), сондықтан оларды
түтін мұржаларына тастау тиімсіз. Қондырғының тиімділігін жоғарлату үшін
қазанның артына қыздырудың қосымша бет - суды қыздыратын экономайзер
орнатылған.
Жылыту, желдету, ыстық сумен жабдықтау жүйелерінде, сонымен қатар
өндіріс аппараттарында қолдану үшін қазандықтан бағытталған сулы бу
қазанға қайтадан келетін конденсатқа айналады. Конденсат ешқандай қопасыз
21
тазартылған судан тұрады. Дегенмен, онда тот басуға әкелетін, ауа
оттегілерінің және көмір қышқылының ерітінділері болуы мүмкін, сондықтан
конденсат сіңіруші бак алдында деэратордан өткізіледі. Жылумен жабдықтау
жүйесін пайдалану кезінде жылу шығындарын төмендету үшін, көп конденсат
қайтару керек.
"
2. 3 сурет - Диэрационалды-сіңіруші қондырғыларының құрылымдық
сұлбасы
Конденсатты бак. Химиялық тазалаудың жұмсартылған суы
Қазандық агрегаты үшін ауыз суы сумен жабдықтаудың әр түрлі
көздерінен алынады. Су қызған және буланған кезде қазанның қабырғасында
қақ түрінде жиналатын тұздан тұрады. Қақ жылу берілісін қиындатады, ал
оттықта орналасқан мұржаларда қабырғаның қызуына әкеледі. Бұлардың
алдын алу үшін су арнайы фильтрларда өңделеді, дэаэратордан өткізіледі, (2. 3
суретті қара) содан кейін, дэаэратормен бірге қосылған бакқа құйылады.
Бактағы су сорғының көмегімен экономайзер арқылы қазанға құйылады. Ауыз
суының деңгейі су көрсеткіш әйнектің шегінде болу үшін, судың жіберілуі
автоматты реттеледі.
22
![]()
2. 1 к е с т е - диэрационалды-сіңіргіш қондырғыларын жабдықтау
сипаттамасы
Газсыздандыруға жататын су газдан таузалауы табақшаларына
жеткізіледі. Газдан тазалау кезінде су қанығу температурасына дейін қызады,
негізгі бөліктегі газ жойылады және будың көп бөлігі суға айналады.
Газсыздандыру процессі бу суға айналған және газдың аз бөлігі жойылған,
судың қанығу температурасына дейін қызу кезінде, судың сыйымдылында
бітеді.
Қондырғыны ішкі артық қысымнан қорғау үшін 0, 7бар артық қысымда
іске қосылатын сақтандырғыш контуры қарастырылған. Вакуумнан қорғау
үшін сіңіргіш сыйымдылықта
кері клапан
-
вакуумды ұнтақтағыш
орнатылған.
Сіңіргіш бак судың дұрыс температурасын бақылауға болатын
термометрмен жабдықталған. Артық қысымды бақылау үшін диэрационды
колонкаға манометр орнатылған.
2. 3 Қазандық цехіндегі желдету-жылыту режімін есептеу
Цехте газ тәріздес отынмен жұмыс істейтін төрт «Турбомат» бу
қазандары бар. Осындай бу қазандары ауаның көп мөлшерін қажет етеді. Бу
қазандарының қажетілігіне ыңғайлы, заманға сай газ-әуелі жолдарын
құрастыру өте қиын болғандықтан, тасымалдау үшін жоғары қысымды
желдеткіштер қолданылады. Ауаны қазан жолдарымен жіберу қиындығының
нәтижесінде канал жүйелерін қолданып, ауаны жанарғыларға еркін, ал
ғимараттарға табиғи жолмен жіберу керек. Сол себепті қазандық цехінің
23
(15600 м3/сағат)
ғимаратынан көп мөлшерде таза ауаны алу және оны
жанарғыларға газ-әуе жолдарымен жіберу маңызды. Сонымен қатар,
климаттық шарттарға тәуелділігіне байланысты желдеткіштер атмосфералық
жауын-шашындардан қорғалуы керек, сондықтан олардың әр-бір
элементтерін, жабдықтарын ауыстыру және жндеу мүмкіндігі үшін олар
биіктігі 5-6 метр жабық ғимараттарда болуы керек.
Ғимараттағы ауа кеңістігіне қажет параметрлерді қолдау әдістерін
таңдау көптеген факторлармен анықталады. Оларға жұмыс режімі, бөлінетін
зияндықтардың сипаттамасы, жұмыс орындарының саны мен орны,
жабдықтар кіреді. Осындай жағдайларда қолайлы әдістердің бірі
-
механикалық қозаумен желдендірудің ауа тартқыш жүйесі болып табылады.
Қыздыру үшін қажет жылудың саны 15600 м3/сағат. Қазандардың төрт
жанарғысының желдендіруі үшін көшеден қазандық ғимаратына үрлейтін
қажет ауаның көлемін келесі формуламен анықтаймыз:
(
) (2. 1. )
(
)
кВТ
мұндағы - ауа көлемі, м3 -15600;
- ауаның жылу сыйымдылығы, 1. 3 кДж/м3. гр. ;
- сыртқы ауаның қызу температурасы, (-34 до -3°С) ;
-сыртқы ауаның температурасы, (-32°С) .
Ғимаратта қазаннан бөлінентін жылудың санын келесі формуламен
анықтаймыз:
(
(
)
) (2. 2. )
мұндағы tст - қазан қабырғасының температурасы, (-40°С) ;
n- қазандар саны, 4 тал.
k- қазан бетінен ауаға жылу беріліс коэффициенті, 0, 69 Вт/м
F- қазан бетінің ауданы, 90 м2гр;
tв - ғимараттағы ауаның температурасы, 12°С.
Есептеуден ғимаратқа кіретін ауаны қыздыру үшін қажет жылудың
негізгі көрсеткішін келесі формуламен анықтауға болатынын көреміз:
(2. 3. )
Қазандық цехінің барлық ғимаратына жылуды тең тарату керек:
24
(
)
(2. 4. )
(
)
(
)
мұндағы - ғимараттың көлемі, м3;
- ғимараттың үлесті салыстырмалы сипатамасы, кестелік мәліметтер -
0, 7;
а - түзету коэффициенті, кестелік мәліметтер - 0, 9.
Қазандық ғимаратындағы артық жылу келесіге тең:
Бұл артық жылу қажет болады, себебі қазанның әр жанарғысына
жылдамдығы 1, 1 м3/с жәнетемпературасы 12°С ауа жіберу керек, бұл
қосымша шығындар.
Қазандықтың ғимаратына қажет ауа көлемін қажет ылғалды-
температура параметрлерімен ауаны таза желдендіру жолдарымен сақтауа
болады.
Схeма приточной вeнтиляционной систeмы показана на рис. 2. 4.
2. 4 сурет -Механикалық құйылмалы желдеткіштің сұлбасы
Схeма мeханичeской приточной вeнтиляции.
1 -ауа қабылдағыш жабдық, 2-фильтр; 3-құйылатын ауаны жылу- ылғал
тазалаушы жабдық(калорифeр, кондиционeр) ; 4-желдеткіш; 5-шу басқыш; 6 -
ауа бұрғыш ;
Ауа бұрғыштың диаметрін анықтаймыз:
((
((
) (
) (
) ) (2. 5)
) )
⁄ ) (2. 6)
⁄
25
![]()
мұндағыυ -ауа қозғалысының жылдамдығы 10-20 м/с.
Желдеткішті таңдау үшін 2. 4 суретте көрсетілген сұлба бойынша
кедергілерді есептеу қажет. Құйылатын жүйедегі жергілікті кедергілер
үйкелісі кезіндегі шығындар:
(
(
) (
) (
)
)
(2. 7)
Па
(
(
)
)
(2. 8)
Па
(2. 9)
Па
мұндағы
- мұржа бұдырлығының коэффициенті;
- құбырдың диамeтрі;
- 12, 5°С кезіндегі ауа тығыздығы.
Ауа қозғалу бөлігін бас әріптермен бөлеміз (6-бөлім пайда болды) .
Есептеу нәтижелерін 2. 2 кестеге енгіземіз.
2. 2 кесте. Құйылу желдеткішінің есептеу нәтижелері
Желдеткіштерді таңдауды әдебиеттердегі номограммалардан аламыз;
- бiр желдеткiшке ауаның шығысымен15600/4==3 900 м3/сағат.
- 973 Па шығындарымен.
Номограммадан қозғалтқышы Nу=2, 2 кВт, n=1435 об/мин., υ=39 м/с
болатын E5. 105-2 желдеткішін таңдап аламыз.
Анықтамалық әдебиеттен Nу=2, 2 кВт, n=1500 об/минболатын 4А90L4У3
қозғалтқышын таңдаймыз.
Осылайша, есептеу нәтижесі бойынша қазан цехында белсендi желдету
төрт желдеткiштермен жүзеге асатынын анықтадық:
26
Жылу беру қондырғыларын таңдау және есептеу.
Жылытқыштан (калориферден) шығатын ауа температурасы келесі
формуламен анықталады:
(
)
(2. 10)
мұндағы
-ауа жылусыйымдылығы -1. 3 кДж/м3. гр;
- Жылу беру қондырғыларының қуаты 20. 3 кВт;
- желдеткіш арқылы өтетін ауа көлемі 3900 м3/ч.
=(20300/1, 3 × 3900) -34=-30°С.
Теріс шығады, ол үшін танымал жылыту аспаптары кезінде калорифер
арқылы
өтетін
және
жылытқыштан (калориферден)
шығатын ауа
темперетурасы кезіндегі ауа мөлшерін анықтау керек.
Жылытқыш (калорифер) арқылы өтетін ауа мөлшері:
(
)
(2. 11)
мұндағы tк-жылытқыштан (калиферден) кейінгі ауа температурасы,
(
)
... жалғасы- Іс жүргізу
- Автоматтандыру, Техника
- Алғашқы әскери дайындық
- Астрономия
- Ауыл шаруашылығы
- Банк ісі
- Бизнесті бағалау
- Биология
- Бухгалтерлік іс
- Валеология
- Ветеринария
- География
- Геология, Геофизика, Геодезия
- Дін
- Ет, сүт, шарап өнімдері
- Жалпы тарих
- Жер кадастрі, Жылжымайтын мүлік
- Журналистика
- Информатика
- Кеден ісі
- Маркетинг
- Математика, Геометрия
- Медицина
- Мемлекеттік басқару
- Менеджмент
- Мұнай, Газ
- Мұрағат ісі
- Мәдениеттану
- ОБЖ (Основы безопасности жизнедеятельности)
- Педагогика
- Полиграфия
- Психология
- Салық
- Саясаттану
- Сақтандыру
- Сертификаттау, стандарттау
- Социология, Демография
- Спорт
- Статистика
- Тілтану, Филология
- Тарихи тұлғалар
- Тау-кен ісі
- Транспорт
- Туризм
- Физика
- Философия
- Халықаралық қатынастар
- Химия
- Экология, Қоршаған ортаны қорғау
- Экономика
- Экономикалық география
- Электротехника
- Қазақстан тарихы
- Қаржы
- Құрылыс
- Құқық, Криминалистика
- Әдебиет
- Өнер, музыка
- Өнеркәсіп, Өндіріс
Қазақ тілінде жазылған рефераттар, курстық жұмыстар, дипломдық жұмыстар бойынша біздің қор #1 болып табылады.

Ақпарат
Қосымша
Email: info@stud.kz