Көп қозғалтқышты ленталы конвейерлерде жүктемелердің таратылуы


АННОТАЦИЯ
В дипломном проекте рассматривается автоматизированный
электропривод ленточного конвейера и расчитывается частотный
преобразователь ленточного конвейера. Описана математическая модель ЧП
ленточного конвейера, составлена модель с помомщью компьютерной
программы. С помощью этой программы выведены графики угловой скорости
и переходных процессов.
В разделе безопасности жизнедеятельности рассматривается меры
соблюдения техники безопасности при использовании электропривода
ленточного конвейера, условия охраны труда перед работой, расчитывается
освещение рабочего помещения и система автоматического пожаратушения.
А в экономической части рассматривается капитальные затраты,
затраты на заработную плату, на электроэнергию, амортизационные
отчисления, экономическая эффективность и время окупаемости.
АҢДАТПА
Бұл дипломдық жобада ленталы конвейердің автоматтандырылған
электр жетегі қарастырылып, ленталы конвейерлердің жиілік түрлендіргіші
есептелді. ЖТ ленталы конвейер электржетегінің математикалық сипаттамасы
жазылып, оның моделі компьютерлік бағдарлама көмегімен құрылды.
Бағдарлама көмегімен бұрыштық жылдамдық пен өтпелі процесстер
қисықтары алынды.
Өміртіршілік қауіпсіздігі бөлімінде ленталы конвейердегі электр
жетегін пайдалануда техника қауіпсіздігін сақтау шараларына талдау жасау,
жұмысқа кірісер алдындағы еңбек қорғау шарты, жұмыс бөлмесінде
жарықтану жүйесіне есеп жүргізу, автоматты өрт сөндіру жүйесін есептеу
қарастырылды.
Ал, экономикалық бөлімде капиталды шығындар, жалақы шығындары,
экономикалық тиімділік, электр энергиясына шығыны, амортизациялық
аударымдар, экономикалық тиімділік және өтелімділік кезеңі қарастырылды.
ANNOTATION
In the diploma project the automated electric drive of the tape conveyor is
considered and the frequency converter of the tape conveyor is considered. The
mathematical model frequency the converting tape conveyor is described, made
model with the help of the computer program. By means of this program schedules
of angular speed and transients are output.
In the section of health and safety it is considered measures of observance of
safety measures when using the electric drive of the tape conveyor, a labor
protection condition before work, illumination of the working room and system of
automatic fire extinguishing pays off.
And in economic part it is considered capital expenditure, costs of a salary, of
the electric power, depreciation charges, economic efficiency and payback time.
Мазмұны
Кіріспе
1 Тау-кен өндірісіндегі көпқозғалтқышты ленталы конвейерлер
1. 1 Тау-кен жұмыс орнында ленталы конвейерлерді қолдану
1. 2 Ленталы конвейерлердің көп қозғалтқышты электржетектері
5
6
6
8
1. 3 Көп қозғалтқышты ленталы конвейерлерде жүктемелердің таратылуы
1. 4 Ленталы конвейер электржетектеріне қойылатын талаптар
2 Ленталы конвейерлердің көп қозғалтқышты электржетегін құру
2. 1 Ленталы конвейерлердің жиілік түрлендіргішті электржетегін құру
13
17
18
18
2. 2 Жиілік түрлендіргішті ленталы конвейер электржетектің математикалық
жазылуы
2. 3 Көп қозғалтқышты компьютерлік модельдеудің нәтижелері
2. 4 Көп қозғалтқышты электржетектерінде энергия үнемдеу
21
26
31
2. 4. 1 Синхронды айналатын көпқозғалтқышты жетектерде жиілік
түрлендіргіштерін қолдану кезіндегі электр энергиясын үнемдеу
3 Өміртіршілік қауіпсіздігі бөлімі
34
40
3. 1 Ленталы конвейердегі электр жетегін пайдалануда техника қауіпсіздігін
сақтау шараларына талдау жасау
3. 1. 1 Еңбек қорғау бойынша жалпы талаптар
3. 1. 2 Жұмысқа кірісер алдындағы еңбек қорғау шарты
3. 1. 3 Жұмыс кезіндегі еңбек қорғау талаптары
3. 1. 4 Жұмысты бітіргеннен кейінгі еңбек қорғау талаптары
3. 1. 5 Авариялық жағдайлардағы еңбек қорғау талаптары
3. 2 Жұмыс бөлмесінде жарықтану жүйесіне есеп жүргізу
3. 3 Автоматты өрт сөндіру жүйесін есептеу
4. Экономикалық бөлім
4. 1 Есептеуге қажетті бастапқы деректер
4. 1. 1 Қажетті құрылғылар санын есептеу
4. 1. 2 Барлық санат бойынша жұмыс істейтін жұмысшы санын есептеу
4. 2 Жалақыға кететін шығындарды есептеу
4. 2. 1 Өндірістік жұмысшылардың жалақы қорын есептеу (ЖҚ)
4. 2. 2 Қосымша жұмысшылардың ЖҚ есептеу
40
40
41
41
43
43
44
49
54
54
54
55
57
57
59
4. 2. 3 Кіші қызмет көрсетуші қызметкерлер (КҚК), қызметші (Қ), инженер-
техникалық жұмысшылардың (ИТЖ) ЖҚ есептеу
4. 2. 4 Телімнің ЖҚ есептеу
4. 3 Негізгі материалдардың өзіндік құнын анықтау
4. 4 Электр энергиясына шығынды есептеу
4. 5 Амортизациялық аударымдарды есептеу
60
61
61
62
63
4. 6 Қосымша материалдарға шығынды есептеу
4. 7 Өңдеудің өзіндік құнын есептеу
4. 8 Капиталды салымдарды есептеу
4. 9 Жобаның экономикалық тиімділігі
Қорытынды
Пайдаланылған әдебиеттер тізімі
63
64
64
67
68
69
Кіріспе
Ленталы конвейерлер шахта және кен орындарындағы кен
тасымалдайтын негізгі көлік ретінде кеңінен пайдаланылады. Магистралды
штректерде ленталы конвейерлерді пайдалану кеңінен таралып келеді, бұл
шахталарды оқпан албарына дейін және жер бетіне дейін конвейерлеу
проблемасын толығымен шешеді. Онда қолданылатын айнымалы токты
көпқозғалтқышты электр жетектері (КЭЖ) электр энергиясын жаппай және
кеңінен пайдаланушылар болып табылады.
Қазіргі кезде ленталы конвейерлердің реттелмейтін электр жетектерін
реттелетін жүйелеріне ауыстырудың орнықты үрдісі кең орын алды. Күштік
электрониканың, басқарудың және бақылаудың микропроцессорлық
құрылғыларының қазіргі заманғы деңгейі реттелетін асинхронды электр
жетектерін (АЭЖ) құруға жаңадан көзқарас қалыптастыруға мүмкіндік берді.
Нарықта сенімді, сапалы және салыстырмалы түрде қымбат емес жартылай
өткізгіштік энергия түрлендіргіштерінің автоматтандыру құрылғыларымен
бірге пайда болуы, осы техникалық жетістіктерді энергияны және
ресурстарды үнемдеу мәселелерін шешуге кеңінен пайдалануға мүмкіндік
беруде.
Сонымен қатар, ленталы конвейердің автоматтандырылған
көпқозғалтқышты электр жетегіне қатысты «жиіліктік түрлендіргіш-
асинхронды қозғалтқыш» жүйесі бойынша жылдамдығын реттеу кезінде
көпқозғалтқышты асинхронды электр жетегінің (КАЭЖ) математикалық
модельдері құрылмаған, берілген энергия түрлендіргішімен ленталы
конвейерге қатысты көпқозғалтқышты асинхронды электр жетектерінің
энергетикалық көрсеткіштерінің сарапталуы орындалмаған. Сол себептен
ленталы конвейердің энергияны үнемдейтін көпқозғалтқышты асинхронды
электр жетегін құру өзекті мәселе болып саналады.
1 Тау-кен өндірісіндегі көпқозғалтқышты ленталы конвейерлер
1. 1 Тау-кен жұмыс орнында ленталы конвейерлерді қолдану
Шахтада көлікті конвейерлеу конвейердің ысырма, ленталы және
тақташа, сондай-ақ олардың конструкцияларының түрлері тәрізді үш негізгі
түрмен жүзеге асырылады. Конвейерлердің түрін, олардың конструкциясын
және көрсеткіштерін таңдауға, сондай-ақ оларды пайдалану үшін болашақта
орнатуға конвейер көлігін жерасты жағдайында, тау-кен геологиялық және
тау-кен техникалық факторларға байланысты көмір және кен шахталарында
пайдалану кезінде қойылатын шарттар мен талаптар әсер етеді.
Кенорны шахталарында ленталы конвейерлерді пайдалану айтарлықтай
артып келеді. Жүк ағыны мен тасымал ұзақтығының өсуі ұзынырақ және
беріктігі жоғары синтетикалық және резеңкематалы ленталарды пайдаланатын
қуаты үлкен, өнімділігі жоғары ленталы конвейерлерді құру қажеттілігімен
байланысты. Сонымен қатар болашақта конвейер көлігін шахталар мен
кенорындарында пайдалануды одан әрі дамытудың негізі көпқозғалтқышты
ленталы конвейерлер болып табылады.
Ленталы конвейерлердің басты артықшылықтары: жоғары өнімділігі,
тиімділігі, құрылымының қарапайымдылығы, жүк пен қозғалыстағы конвейер
салмағының тиімді қатынасы, меншікті кедергінің қатысты шамасы,
жұмысының жоғары сенімділігі, толық автоматтандыру жайлылығы және т. б.
Ленталы конвейерлердің басты кемшіліктері: лентаның жүрісін
орталықтандыру қажеттілігі; қисықсызықты жерасты қазбаларында пайдалану
мүмкінсіздігі; лентаның салыстырмалы түрде тез тозуы; аралық жүктерді
тиімді пайдаланудың күрделілігі. Соңғы жағдай шамамен конвейердің
ұзындығына пропорционал лента тартылысының ұлғаюына әсер етеді, бұл
лентаның беріктігі мен жетектің қуатын тиісті түрде арттыруды, соның
салдарынан олардың құнын айтарлықтай өсіруді қажет етеді. Кейбір
жағдайларда бұл жеке конвейерлердің ұзындығын шектейді де, жерасты
қазбаларында тізбектей бірнеше конвейерлерді (әсіресе, бұл көлбеулік
конвейерлерге қатысты) орнатуға әкеп соғады.
Жерасты ленталы конвейерлердің жұмысы көмір өнеркәсібінің жеке
бассейндерінде әр түрлі, әрі темір-кен және тау-химиялық өнеркәсібінің
жағдайынан ерекшеленетін табиғи және тау-кен техникалық жағдайлардың
сан алуандығымен сипатталады.
Конвейерлердің құрылуына, жетілдірілуіне және жерасты
конвейерлердің типін және негізгі параметрлерін таңдауға пайдаланымдық
көрсеткіштерін анықтайтын негізгі тау-кен техникалық факторлардың
классификациясы 1. 1- суретте келтірілген.
Келтірілген ленталы конвейерлердің электр жетектеріне қойылатын
талаптарды анықтайтын тау-техникалық факторлардың негізгілері:
тасымалдау ұзындығы, жүктің тиелу пункттерінің саны және олардың өзара
орналасуы.
Т А У -К Е Н Т Е Х Н И К А Л Ы Қ ФАКТОР Л А Р
Сурет 1. 1- Көмір және тау-кенді өнеркәсіптері үшін жерасты
магистралды конвейерлерді пайдаланудың тау-кен техникалық
факторларының классификациясы
Шахта алаңының өлшемі тасымалдау қазбаларының мүмкін
максималды ұзындықтарын орнату үшін маңызды көрсеткіш болып табылады.
Тасымалдау қазбасы ұзын болған кезде, бірқозғалтқышты электр
жетектерімен салыстырғанда нәтижесіндегі үлкен инерция моментін азайту
мақсатында, ленталы конвейерлердің көпқозғалтқышты электр жетектері
пайдаланылады. «Қазақмыс» корпорациясының кеніштерінде (Жомарт,
Анненск, Степной, Артемьевск) шахта алаңының созылымы бойынша
ұзындығы 0, 9-6, 2км-ге дейін және құлауы бойынша 1, 1-5, 8км-ге дейін жетеді,
бұл осы кеніштерде екі-, үшқозғалтқышты электр жетектерін ленталы
конвейерлерде пайдалануға мүмкіндік жасады.
Конвейердің жалпы құнының 40-50%-ын құрайтын конвейердің басты
элементтерінің бірі конвейерлік лентаның жұмыс істеу ұзақтығы жүктің тиелу
және түсірілу пунктіне, тасымалданатын материалдың құрамына байланысты.
Жарлы кенді тасымалдаған кезде синтетикалық талшықтардан жасалған
аралық қабаттармен лентаның жұмыс істеу ұзақтығы конвейердің ұзындығы
50м болғанда - 1, 5 жыл, 100-200м ұзындығында - 2-3 жылмен шектеледі.
Конвейердің ұзындығына байланысты түрпілігінің және кесектілігінің
артуымен лентаның жұмыс істеу мерзімі 1, 5-2 есе азаяды. Тиеу пункттері
санының көптігі ленталы конвейердің жетектік қозғалтқыштарына
жүктемелерінің бірқалыпсыз таратылуына әкеледі, осының әсерінен әр түрлі
учаскелерде тартылыстардың мәндері өзгереді де ленталы конвейерлердің
![]()
![]()
![]()
![]()
![]()
![]()
![]()
![]()
![]()
![]()
![]()
![]()
![]()
![]()
жұмыс істеу мерзімін азайтады [4] . Реттелетін электр жетектерін пайдалану
көпқозғалтқышты ленталы конвейерлердің жетектік электр
қозғалтқыштарының синхронды сенімді жұмысын қамтамасыз етеді және осы
қозғалтқыштарға жүктемелерді бірқалыпты таратуға мүмкіндік береді. Электр
жетектерінің мұндай жұмысы лентаның, сонымен қатар конвейер
барабандарының, айналу элементтерінің, іліну элементтерінің жұмыс істеу
мерзімін ұзартады.
Ұзындығы үлкен конвейерлік желілерде электр жетектері, тиеу және
түсіру пункттерінің санын ескерумен, желінің топологиясына және ондағы
шығындарға байланысты шамамен бірдей тартылыстарды (моменттерді)
құрайтындай орналастырылады.
Жоғарыда көрсетілген тау-кен техникалық факторлардан ленталы
конвейердің электр жетегін таңдауға және жобалауға, сонымен қатар
ұзындығы және қуаты үлкен екі-, үшбарабанды жерасты көпқозғалтқышты
ленталы конвейерлерге қойылатын негізгі талаптар анықталады.
1. 2 Ленталы конвейерлердің көп қозғалтқышты электржетектері
Көпқозғалтқышты ленталы конвейердің, технологиялық талаптарына
сәйкес, қозғалтқыштарының синхронды айналуы екі негізгі тәсілмен
қамтамасыз етіледі: электр қозғалтқыштары біліктерінің механикалық
жалғануымен және электр қозғалтқыштары орамаларының электрлік
жалғануымен.
Механикалық жалғанған біліктердің мақсаты қашықтыққа айналуды
беру болып табылады, бұл кезде қозғалтқыштардың біліктерінің соңында
айналу жылдамдықтары бірдей болады.
1. 2 - суретте ленталы конвейердің механикалық байланысымен жетектік
қозғалтқыштарының орналасу схемалары келтірілген [6, 7] .
М1
М2
М1
М2
М1
М2
М1
М2
М3
М4
а)
М3
б)
М4
в)
М3
М5
г)
М6
Сурет 1. 2 - Механикалық байланысымен көпқозғалтқышты
ленталы конвейерлер
Қозғалтқыштардың
біліктері
механикалық
жалғанғанда
олардың
жылдамдықтары бірдей болады, ал электр жетегінің моменті жеке
қозғалтқыштардың моменттерінің алгебралық қосындысына тең болады.
Сонымен қатар берілетін айналдыру моментіне байланысты біліктің
бұратылуы орын алады да, осының әсерінен белгілі бір бұратылу бұрышы
орнатылады. Көпқозғалтқышты электр жетегінің механикалық
сипаттамасының қатаңдығы i есе жоғары болады ( i - қозғалтқыштар саны), ал
идеалды бос жүріс жылдамдығы әр қозғалтқыштың бос жүріс жылдамдығына
тең болады.
Біртипті сипаттамалы электр қозғалтқыштарының жүктемесі олардың
арасында бірқалыпты таратылады. Идеалды бос жүріс жылдамдықтары
бірдей, бірақ сипаттамаларының қатаңдықтары әр түрлі қозғалтқыштар болған
кезде, сипаттамасының қатаңдығы жоғары қозғалтқыш көбірек жүктеледі
және, керісінше, сипаттамасы жұмсақ қозғалтқыш азырақ жүктеледі.
Механикалық байланысқан көпқозғалтқышты электр жетегі жүйесінде, бірге
жұмыс істейтін қозғалтқыштардың бірдей жүктелуі үшін, олардың
механикалық сипаттамаларының біртиптілігін қамтамасыз ету қажет.
Сипаттамаларының бірдей қатаңдықтарын алу үшін, сипаттамасының
қатаңдығы жоғары қозғалтқыштың роторлық тізбегіне қосымша резисторлар
енгізіледі.
Технологиялық талаптарға сәйкес механикалық байланысқан
көпқозғалтқышты электр жетегі жылдамдығын төмендету қажет болған кезде,
бір қозғалтқыш қозғалтқыштық режимде, ал екінші қозғалтқыш фазаларды
ауыстыру арқылы қарсы қосылумен тежелу режиміне ауыстырылады. Бұл
кезде нәтижелік сипаттаманың қатаңдығының өсуімен қозғалтқыштық
режимде агрегаттың асқын жүктемелік қабілеттілігі төмендейді, сол себепті
бұрыштық жылдамдықты реттеу диапазоны шектеледі. Мұндай электр
жетегінің пай
далы әсер коэффициенті төмен; электр жетегіндегі
шығындар екі қозғалтқыштағы шығындардың қосындысының жартысына тең.
Ротор тізбегіндегі кедергілердің мәнін таңдай отырып, қозғалтқыштар асқын
жүктелмейтіндей, қозғалтқыштардың және сыртқы резисторлардың арасында
шығындарды бірқалыпты таратуға болады.
Бір қозғалтқыш негізгі режимде, ал екінші қозғалтқыш динамикалық
тежеу режиміндегі жұмысы кезінде, екінші қозғалтқыштың роторындағы
кедергіні және статор тізбегіндегі токты өзгерте отырып, қосынды
сипаттаманың идеалды бос жүрісінің бұрыштық жылдамдығын реттеуге
болады, бұл кезде жетектің асқын жүктемелік қабілеттілігінің тұрақтылығы
сақталады. Төмендетілген бұрыштық жылдамдығы кезінде жетектің пайдалы
әсер коэффициенті төмен болады, сондықтан жетектің төменгі бұрыштық
жылдамдығындағы жұмысы уақыт бойынша шектелуі керек.
Көпқозғалтқышты ленталы конвейерлерде электр жетегі жүйесінің
көбінесе таралғаны, 1. 3-суретте көрсетілген, «электрлік жұмысшы білігі»
жүйесі болып табылады. Мұнда электр қозғалтқыштарының айналу
жылдамдықтарының синхрондылығына қатысты талаптар ротор тізбектерінің
ортақ қосымша кедергіге жалғануымен орындалады. «Электрлік жұмысшы
білігі» жүйесі бойынша синхронды айналатын көпқозғалтқышты электр
жетектерін зерттеуге және құруға жұмыстардың жеткілікті саны арналған.
АҚ1
жүктеме 1
АҚ2
жүктеме 2 АҚ3
жүктеме 3
Қосымша
кедергі
Сурет 1. 3 - Электрлік жұмысшы білігі
Ортақ қосымша кедергі мәнінің артуымен ЭЖБ жүйесі орнықты жұмыс
істейді, бірақ асинхронды қозғалтқыштардың айналу жылдамдығы төмендейді
және қозғалтқыштардың механикалық сипаттамаларының төмендеуінен жүйе
автотербелісті режимге ауысуы мүмкін. Ортақ қосымша кедергінің Rқ кіші
мәндерінде қозғалтқыштардың айналу жылдамдығы синхронды айналу
жылдамдықтарына жақын болады, бірақ бұл кезде, жүйе қозғалтқыштарының
синхронды айналуын қамтамасыз ететін, синхрондаушы моменттердің
шамалары төмендейді. Сондықтан «электрлік жұмысшы білігі» жүйесінде
әлсіз синхрондаушы қабілеттілігі, тербелістерге бейімділігі және төменгі
энергетикалық көрсеткіштері сияқты айтарлықтай кемшіліктері орын алады.
1. 4 - суретте синхронды айналатын көпқозғалтқышты ленталы
конвейерлерде қолданатын схемалардың бірі көрсетілген.
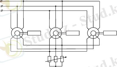
~
КЛ1
КЛ2
КЛ3
R
f1
ЖР 1
Р
ЖР 2
ЖР 3
АҚ 1
жүктеме 1
АҚ 2
жүктеме 2 АҚ 3
жүктеме 3
АЖТ
К1
К2
К3
f2
Сурет 1. 4 - Синхронды айналатын көпқозғалтқышты ленталы конвейер
Ленталы конвейер қозғалтқыштарының статор орамалары айнымалы ток
торабына қосылады. Қозғалтқыштардың ротор орамалары Р редукторы
арқылы
қозғалтқышпен
айналдырылатын асинхронды жиілік
түрлендіргішінен (АЖТ) қоректенеді. АҚ1-дің және АЖТ статор орамалары
тұрақты жиілікті айнымалы ток торабына қосылады. АҚ1 іске қосылуы үшін
оның ротор тізбегінде К1, К2, К3 үш үдеу контакторлы іске қосу реостаты
қарастырылған. АЖТ роторының жылдамдығы Р редукторы арқылы
өзгертіледі. Жүктемелері бірдей болған кезде қозғалтқыштар бірдей
жылдамдықтармен айналады, және бұл кезде роторлардың ЭҚК-терінің
векторлары АЖТ роторының векторына қатысты бірдей бұрышқа
ығыстырылған болады. Қозғалтқыштардың бірінің білігінде жүктеменің
артуы оның роторының ЭҚК-нің және АЖТ ЭҚК-нің арасындағы
бұрыштарының келіспеуінің артуына әкеледі, бұл кезде қозғалтқыштың ротор
тогы, сонымен қатар оның моменті де артады. Берілген жүйенің барлық
қозғалтқыштары бірдей жылдамдықтармен жұмыс істейді, бірақ олардың
роторлары АЖТ роторына қатысты әр қозғалтқыштың жүктемесіне
байланысты кеңістікте белгілі бір бұрыштарға ығыстырылады.
Бұл жүйеде қуаты үлкен қозғалтқыштарды қолданған кезде, АЖТ-нің
және оның жетектік қозғалтқышының қуаты және салмақтық өлшемдік
параметрлері артады да жүйенің пайдаланылуын қиындатады. Ұзындығы
үлкен ленталы конвейер қозғалтқыштарының үлкен ара қашықтығына
байланысты роторларының электрлік байланысы қозғалтқыштардың
синхронды айналуын ұстап тұруды қиындатады, сонымен қатар жерасты
климаттық жағдайларынан (шаң, ылғалдылық) конвейер жұмысының
сенімділігі төмендейді.
Тау-кен өнеркәсіптерінде кең қолданылатын ленталы конвейерлердің
көп саны Ресейде («Тяжмаш» ААҚ, «Металлист»
ЖШС
... жалғасы- Іс жүргізу
- Автоматтандыру, Техника
- Алғашқы әскери дайындық
- Астрономия
- Ауыл шаруашылығы
- Банк ісі
- Бизнесті бағалау
- Биология
- Бухгалтерлік іс
- Валеология
- Ветеринария
- География
- Геология, Геофизика, Геодезия
- Дін
- Ет, сүт, шарап өнімдері
- Жалпы тарих
- Жер кадастрі, Жылжымайтын мүлік
- Журналистика
- Информатика
- Кеден ісі
- Маркетинг
- Математика, Геометрия
- Медицина
- Мемлекеттік басқару
- Менеджмент
- Мұнай, Газ
- Мұрағат ісі
- Мәдениеттану
- ОБЖ (Основы безопасности жизнедеятельности)
- Педагогика
- Полиграфия
- Психология
- Салық
- Саясаттану
- Сақтандыру
- Сертификаттау, стандарттау
- Социология, Демография
- Спорт
- Статистика
- Тілтану, Филология
- Тарихи тұлғалар
- Тау-кен ісі
- Транспорт
- Туризм
- Физика
- Философия
- Халықаралық қатынастар
- Химия
- Экология, Қоршаған ортаны қорғау
- Экономика
- Экономикалық география
- Электротехника
- Қазақстан тарихы
- Қаржы
- Құрылыс
- Құқық, Криминалистика
- Әдебиет
- Өнер, музыка
- Өнеркәсіп, Өндіріс
Қазақ тілінде жазылған рефераттар, курстық жұмыстар, дипломдық жұмыстар бойынша біздің қор #1 болып табылады.

Ақпарат
Қосымша
Email: info@stud.kz