ЖЭО салу, оның есептелуі және қондырғылардың дұрыс таңдалуы


АҢДАТПА
Бұл дипломдық жоба үш негізгі бөлімнен тұрады.
Технологиялық бөлімде адам саны артып жатқан Қарағанды қаласында
ЖЭО салу, оның есептелуі және қондырғылардың дұрыс таңдалуы
толыққанды қарастырылған.
Жобаның экономика бөлімінде бизнес жоспар құрылып, экономикалық
тиімділігі есептеулері көрсетілген.
Еңбекті және қоршаған ортаны қорғау бөлімі жұмыс орның дұрыс
жарықтандыру мен ЖЭО-да өрт қауіпсіздігін сақтауға арналған.
АННОТАЦИЯ
Настоящий дипломный проект состоит из трех основных разделов.
В технологической части рассматриваются расчеты и положительные
выборы оборудование для строительства новой ТЭЦ в городе Караганда.
В экономической части проекта показано составление бизнес плана,
расчет экономической эффективности.
В охране труда и окружающей среды работа предназначено для
правильного освещении рабочий среды и пожаробезопасности ТЭЦ.
ABSTRACT
This diploma project consists of three main parts.
The technological part considers positive choices and equipment for
construction of a new Heat and Power station in the city of Karaganda.
The economic part of the project shows the preparation of business plan,
cost efficiency.
The labor protection and environmental work is intended for proper
illumination of the working environment and fire protection work at Heat and
Power station.
МАЗМҰНЫ
КІРІСПЕ . . . 7
I.
1. 1
1. 2
1. 3
1. 4
2.
2. 1
2. 2
2. 3
2. 4
3.
3. 1
3. 2
3. 3
3. 4
3. 5
3. 6
3. 7
3. 8
3. 9
3. 10
3. 11
II.
2. 1
2. 2
III.
3. 1
3. 2
3. 3
3. 4
3. 5
3. 6
3. 7
3. 8
НЕГІЗГІ БӨЛІМ . . . 8
ЖЭО-ның жылулық жүктемелерін анықтау . . . 8
ЖЭО-ның турбина және бу қазан қондырғыларын таңдау . . . 9
Жылу жүктемелерін маусымдық жұмыс тәртіптерін есептеу
және негізгі қондырғылардың дұрыс таңдауын анықтау . . . 10
ЖЭО-ның техника-экономикалық негіздемесі . . . 11
ЖЭО-ның жылу схемасын құрастырып есептеу . . . 13
ЖЭО-ның жылу схемасы . . . 13
ЖЭО-ның негізгі жабдықтарының сипаттамалары . . . 14
Түрі ПТ бу турбиналы ЖЭО-ның жылулық сүлбе есебі . . . 15
Түрі Т бу турбиналы ЖЭО жылулық сүлбесінің есебінің
мысалы . . . 34
ЖЭО-ның бу қазандарының отын шығысының есебі . . . 48
Қарағанды тас көмірінің сипаттамасы . . . 48
Бу қазан ПӘК-ті . . . 48
Бу қазанның отын шығысы . . . 49
Отын тағайындайтын және тасымалдау схемалары мен
жабдықтары. Отын ұнтақтау жүйелері . . . 50
Қойманың көлемі . . . 51
Жылу схемасының қосалқы жабдықтарын таңдау . . . 57
Негізгі бу және сумен қамтамасыз ететін құбырларын
таңдау . . . 60
ЖЭО-ны техникалық сумен қамтамасыздандыру схемасы . . . 61
Үріп сорғыш машиналарын таңдау . . . 63
Күл ұстағыш және күлдi аластауыш кестесiн және
жабдықтарын таңдау . . . 66
Су дайындау жүйенің кестесiн таңдау . . . 68
ӨМІР ТІРШІЛІГІ ҚАУІПСІЗДІГІ . . . 70
Жасанды жарықтандыруды есептеу . . . 73
ЖЭО-ғы өрт қауіпсіздігі . . . 79
ЭКОНОМИКАЛЫҚ БӨЛІМ . . . 82
ЖЭО-ның жылдық энергия жіберуін анықтау . . . 83
Отынға жұмсалатын шығынды анықтау . . . 84
Отынды қолданудың ПӘЕ-ін есептеу . . . 85
Суға жұмсалатын шығындарды есептеу . . . 85
Еңбекақы шығындарын есептеу . . . 86
Амортизациялық аударылымдарды есептеу . . . 87
Ағымдағы жөндеу шығындарын есептеу . . . 88
Шығарындыларға төлемдерді есептеу . . . 89
3. 9
Жалпы стансалық және цехтық шығындарды есептеу . . . 89
3. 10
Энергия жіберудің өзіндік құнын есептеу . . .
90
3. 11
3. 12
3. 13
3. 14
ЖЭО салуды және пайдалануды экономикалық бағалау . . . 91
Таза келтірілген құнды NPV анықтау әдісі . . . 92
Пайданың ішкі нормаларын IRR есептеу әдісі . . . 94
Инвестицияның өтелу мерзімін РР есептеу . . . 96
ҚОРЫТЫНДЫ . . . 97
ПАЙДАЛАНЫЛҒАН ӘДЕБИЕТТЕР ТІЗІМІ . . . 99
Кіріспе
Қазіргі таңда еліміздің экономикасы дамып, соған сай адам саны да артып
келеді. Бұл мәселе сол адамдардың жылу энергиясы мен электр энергиясына
деген сұранысын арттырады. Бәрімізге белгілі 21 ғасырда энергетикалық
өндіріссіз басқа өндіріс салаларының жұмыс істей алмайтыны. Сондықтан да
Қазақстан өндірісінің дамуының негізгі бағыттары энергетика саласының
өркендеуіне көп көңіл бөлінеді.
Осындай сұраныстарға ие аймақтардың бірі Қарағанды қаласы. Қала
бойынша тек үш ЖЭО жұмыс істеп, оның өзі жеткіліксіз болуына
байланысты тағы бір ЖЭО салу жөн болып отыр. ЖЭО - ның тиімділігі ол
жылумен қатар электр энергиясын да өндіре алады және елімізде сол ЖЭО -
ның жұмыс істеуіне отын түрінің түр-түрі бар. Менің салуға ұсынылып
отырған ЖЭО-да ПТ-80/100-130/13 және Т-110/120-130 турбиналары
орнатылып, 330 мың тұрғынды жылумен қамдау көзделген. Осы дипломдық
жұмыстағы шешілген мәселелерді жүзеге асырған жағдайда, жылумен
қамтамасыздандырудың сенімділігін жоғарылату арқылы, жылулық желі
жүйелерінің жұмысының сенімді және тиімді болуына мүмкіндік туады.
Осылайша салынып отырған ЖЭО - ғы халық саны артып келе жатқан
Қарағанды қаласының тұрғындарын жылу көзімен және электр энергиясымен
толыққанды қамтамасыз етеді.
Осы дипломдық жобада Қарағанды қаласындағы ЖЭО салуының
техника экономикалық негіздемесі келтіріліп, сонымен қатар өмір тіршілігі
қауіпсіздігі мен қоршаған ортаны қорғау мәселелері шешілген,
экономикалық тарауы талдаудан өтіп, бизнес жоспар құрылған.
Егер осы өмір тіршілігі қауіпсіздігі ескерілген, бизнес жоспары
құрылған және техника экономикалық негіздемесі келтірілген ЖЭО - ын
салатын болсақ елімзді толыққанды жылумен, электр энергиясымен қамдап,
басқа елдерден электр энергиясын сатып алмай экономикамызды көтеруіміз
керек. Сондықтан да тек Қарағанды қаласында ғана емес басқа да қалаларда,
әсіресе оңтүстік Қазақстан аумағында ЖЭО - ын салған жөн.
I. Негізгі бөлім
1. 1. ЖЭО-ның жылулық жүктемелерін анықтау
1. 1. 1 Есепке қажетті мәліметтер
ЖЭО орналасатын аймағы - Қарағанды қаласы.
Есепті маусым температуралары:
- жылуландыру жобасына, tрн = - 32 оС,
- жылдағы ең салқын ай, tхм = - 15, 1 оС,
- жылу беру уақытының орташасы, tсрн = - 7, 5 оС,
- жазғы уақыт, tлетон = 22, 0 оС;
Тұрғын саны, А = 330 мың адам;
Өндіріс бу шығысы, Dп = 320 т/сағ;
Өндіріс бу қысымы, Рп = 1, 4 МПа;
Өндірістен қайтып келетін конденсат коэффициенті К = 0, 8;
Өндірістен қайтып келетін конденсат температурасы, tк = 80 оС;
Ыстық сумен қамтамасыз ететін жүйе түрі - жабық;
Бір адамға жылу мен желдетуге жұмсалатын жылу, q1 = 1, 71 кВт/адам;
Бір адамға жұмсалатын ыстық су жылуының мөлшері, q2 = 0, 80
кВт/адам.
1. 1. 2. Жылу жүктемелерінің есебі
Өндіріске берілетін бу шығысы Dп = 330 т/сағ.
Жылуландыру мен желдету жүктемесі
Qот+в = А·q1 = 330·1, 71 = 564 МВт;
Ыстық су жүктемесі
Qгвс = А·q2 = 330·0, 80 = 264 МВт;
Жылуландырудың толық жүктемесі
Q = Qот+в + Qгвс = 564 + 264 = 828 МВт.
Берілген жылу жүйесіндегі температуралық графигінен:
- тіке магистральдағы судың ең жоғары температурасы, tпм = 150 оС;
- кері магистральдағы судың ең жоғары температурасы, tом = 70 оС;
- жылу желісіндегі судың орташа температурасы, tстс = 115 оС.
1. 2. ЖЭО-ның турбина және бу қазан қондырғыларын таңдау
Өндіріске бу және жылуландыру жүктемесін өтеуге бу турбиналы
қондырғылар таңдаймыз:
№1 ПТ-80/100-130/13 өндіріске бу және жылуландыру жүктемесін:
өндіріске бу Dп = 170 т/сағ,
жылуландыру жүктемесі Qт1 = 75 МВт;
№2 ПТ-80/100-130/13 өндіріске бу және жылуландыру жүктемесін:
өндіріске бу Dп = 170 т/сағ,
жылуландыру жүктемесі Qт2 = 75 МВт;
№3 Т-110/120-130 жылуландыру жүктемесі Qт3 = 204 МВт;
№4 Т-110/120-130 жылуландыру жүктемесі Qт4 = 204 МВт;
Толық жылуландыру жүктемесі
Qт = 558 МВт.
Анықталған жылуландыру коэффициенті
αтэц = Qт / Qту = 558 / 828 = 0, 6;
Анықталған шыңдық (су жылытқыш қазандар) жүктемесі
Qпвк = Qту - Qт = 828 - 558 = 270 МВт;
Шыңдық су жылытқыш қазандар түрі КВГМ-100
КВГМ-100 (116 МВт)
3 дана
Су жылытқыш казандарының жылу қуаты
Qпвк = 3·116 = 348 МВт;
Бу турбиналардың қыздырылған бу шығысы
№1
№2
№3
№4
ПТ-80/100-130/13
ПТ-80/100-130/13
Т-110/120-130
Т-110/120-130
Dо1 = 470 т/сағ
Dо2 = 470 т/сағ
Dо3 = 480 т/сағ
Dо4 = 480 т/сағ
Турбиналардың толық бу шығысы
∑Dо = 2∙470 + 2∙480 = 1900 т/сағ.
Бу қазандарының толық бу өнімділігі
Dка = (1 + α + β) ∙∑Dо = (1 + 0, 02 + 0, 03) ∙1900 = 1995 т/сағ.
ЖЭО-да орнатуға түрі БКЗ-420-140 бес қазан таңдаймыз, толық бу
өнімділігімен
∑Dка = nка∙Dка = 5∙420 = 2100 т/сағ.
1. 3. Жылу жүктемелерін маусымдық жұмыс тәртіптерін есептеу және
негізгі қондырғылардың дұрыс таңдауын анықтау
а) маусымдық шартты температуралары:
-
-
-
-
жылуландыру, tрн = - 32 оС,
жылдағы ең салқын ай, tхм = - 15, 1 оС,
жылуландыру уақытының орташа, tсрн = - 7, 5 оС,
жаз уақытының, tлетон = 22, 0 оС,
б) Қысқы ең жоғары режим (I - режим) :
жылуландыру және желдету
Qотв1 = Qотв = 564 МВт.
Ыстық сумен
Qгвс = 264 МВт,
барлығы Q1 = Qотв1 + Qгвс = 564 + 264 = 828 МВт.
в) Есепті-тексеріс режим (II - режим) :
Q2 = Qотв2 + Qгвс = 373 + 264 = 637 МВт,
бұның ішінде ыстық суға
Qгвс = 264 МВт,
жылуландыру мен желдетуге
Qотв2 = Qотв1(tвн - tхм ) /(tвн - tрн ) = 564⋅(18 + 15, 1) /(18 + 32) = 373 МВт.
г) Жылуландырудың орташа режимы (III - режим) :
Q3 = Qотв3 + Qгвс = 288 + 264 = 552 МВт,
бұның ішінде ыстық суға
Qгвс = 264 МВт,
жылуландыру мен желдетуге
Qотв3 = Qотв1(tвн - tсрн ) /(tвн - tрн ) = 564⋅(18 + 7, 5) /(18 + 32) = 288 МВт.
д) Жазғы режим (IV - режим)
Q4 = Qлетогвс = Qгвс(tгв - tлхв ) /(tгв - tхв ) = 264⋅(60 - 15) /(60 - 5) = 216 МВт.
Есептелген мөлшерлерді 1-ші кестеге түсіреміз.
1-ші кесте.
Есептеп табылған көрсеткіштер арқылы, таңдап алынған негізгі
қондырғылар түрі анықталады. Норма бойынша, бір бу қазан тоқтаған
кезде, жұмыста қалған қондырғылар II - режимының жүктемесін толық
қабылдап беруі қажет.
Есеп бойынша
II - режим жүктемесі:
Q2 = 637 МВт.
Жұмыста қалған бу қазандар өнімділігі Dка = 4∙420 = 1680 т/сағ,
Турбиналарының бу алымының қуаты:
- өндіріске бу Dп = 320 т/сағ,
- жылуландыру қуаты Qотб = 470 МВт.
Шыңдық су жылытқыш қазандар Qпвк = 348 МВт.
Қорытынды: Бір қазан
тоқтап қалған кезде ЖЭО-ның қалған
қондырғылары II-режим жүктемесін алып кетеді, қондырғылар дұрыс
таңдалған.
1. 4 ЖЭО-ның техника-экономикалық негіздемесі
ЖЭО салудың екі нұсқасын қарастырамыз
І - нұсқа 2хПТ-80/100-130/13 және 2хТ-110/120-130
ІІ - нұсқа 1хР-50-130/15 және 3хТ-110/120-130
Нұсқаларға қаражат шығындары
І - нұсқаға қаражат шығындары
Алғашқы 1хПТ-80/100-130/13 және 1хЕ-420-140
ЖЭО-ға толық қаражат
КIжэо = Кпт1 + Кка1 + Кпт + Кт + Кпвк =
= 58000 + 55000 + 29000 + 2х34000 + 4х33000 + 3х4100 =
= 354300 млн. тенге
ІІ - нұсқаға қаражат шығындары
Алғашқы Т-110/120-130 және 1хЕ-420-140
ЖЭО-ға толық қаражат
КIжэо = Кт1 + Кка1 + Кт + Кр + Кпвк =
= 68000 + 55000 + 34000 + 2х34000 + 4х33000 + 3х4100 =
= 369300 млн. тенге
Меншікті қаражат шығыны
І - нұсқаға қаражат шығындары
КІуд = КI /Nэ = 354300/380 = 932000 тенге/кВт
ІІ - нұсқаға қаражат шығындары
КІІуд = КII /Nэ = 369300/380 = 972000 тенге/кВт
Қорытынды:
Техника-экономикалық есептің мәліметтері бойынша І - нұсқадаға
ЖЭО салуына қаражат шығындары ІІ - нұсқаға қарағанда төмен
(КІ = 354300 млн. тенге < КІІ = 369300 млн. тенге) және меншікті қаражат
мөлшерлері І - нұсқада ІІ - нұсқаға қарағанда төмен
І ІІ
Осы екі нұсқаның І - нұсқадаға ЖЭО-ны салуын таңдаймыз.
2. ЖЭО-ның жылу схемасын құрастырып есептеу
2. 1. ЖЭО-ның жылу схемасы
ЖЭО-ның жылу схемасын таңдалған қондырғылар арқылы
құрастырамыз. Жылу схема барлық бу қазандар бір бу құбырына бу береді
деп құрастырылады. Бұл ЖЭО-ның жұмысын, тұтынушыларды жылумен,
электрэнергиямен қамтамасыз етуін сенімді жасайды.
ЖЭО-ның жылу схемасында 2хПТ-80/100-130/13 және 2хТ-110/120-130
бу турбиналар, 5хЕ-420-140 бу қазандар, 3хКВГМ-100 су қыздырғыш
қазандар орнатылады.
2. 2. ЖЭО-ның негізгі жабдықтарының сипаттамалары
Жобаның жылу есебі бойынша төрт бу турбина және бес бу қазан
орнатылады.
Бу турбиналар: 2 х ПТ-80/100-130/13;
2 х Т-110/120-130;
Бу қазандар
5 х БКЗ-420-140.
ПТ-80/100-130/13 бу турбинасы, [3], екі цилиндрлы ЦВД мен ЦНД.
Турбина регенерация жүйесінде төрт ПНД, деаэратор және үш ПВД.
Турбинаның техникалық сипаттамасы
Электр қуаты, Nэ, МВт
Керекті бу шығысы, Dо, т/сағ
Қыздырылған бу көрсеткіштері:
Ро, МПа
to, oC
80
480
13
540
Қоректендіру су температурасы, tпв, оС
230
Т-110/120-130 бу турбинасы, [3], үш цилиндрлы: бір ағынды ЦВД мен ЦСД,
екі ағынды ЦНД. Турбина регенерация жүйесінде төрт ПНД, деаэратор және
үш ПВД.
Турбинаның техникалық сипаттамасы
Электр қуаты, Nэ, МВт
Керекті бу шығысы, Dо, т/сағ
Қыздырылған бу көрсеткіштері:
Ро, МПа
to, oC
Қоректендіру су температурасы, tпв, оС
100
485
13
540
230
Турбиналарға керекті бу шығысы
Do = nпт·Dптo + nт·Dтo = 2·480 + 2·485 = 1930 т/сағ;
Бу қазан өнімділігі
Dка = (1 + α + β) ∙Do = (1 + 0, 03 + 0, 02) ∙1930 = 2026, 5 т/сағ
мұнда α = 0, 03 - бу өнімділігіне берілетін қор мөлшері;
β = 0, 02 - өзгілік пайдалануға бу шығынының мөдшері.
ЖЭО-дағы орнатылатын бу қазан түрі БКЗ-420-140, табиғи айналымды,
барабанды, Т-ға ұқсас компоновкалы, бір корпусты, жабық ғимратта
орналасуға арналған. Жағатын отыны - тас көмір, оталдыратын отыны -
мазут. Шлак шығаруы қатты түрде.
БКЗ-420-140 бу қазанның техникалық сипаттамасы
Бу өнімділігі, т/сағ (кг/с)
Қыздырылған бу қысымы, кгс/см2 (МПа) :
Температура, °С:
қыздырылған бу
қоректендіру су
түтін газ
ПӘК (брутто) гарантиямен, %
420 (116, 6)
140 (14)
555
230
130
91, 0
Қазан өлшемдері, м:
ені колонна ортасымен
тереңдігі колонна ортасымен
биіктігі
11, 15
17, 44
39, 1
Өндіру заводы Барнауыл қазан заводы (БКЗ)
2. 3 Түрі ПТ бу турбиналы ЖЭО-ның жылулық сүлбе есебі
2. 3. 1 Жылулық есептің шарттары
Мысал ретінде 1. 4. 2 пункітте келтірілген ЖЭО сүлбесі блокты болса,
жылулық сүлбесінің есебі тек бір блокқа өткізіледі.
Турбиналар электірлік графикпен жұмыс атқарады, шықтағыштағы
жылулық құбырлар беті жұмыс атқармайды.
Шыңдық жылулық жүктеме су қыздырғыш қазандар (ПВК) арқылы
өтеледі.
Турбина кірісіндегі будың алғашқы көрсеткіштері завод мәліметтерінен
алынады.
ПТ-80/100-130/13 бу турбинасының жылулық сүлбесі заводтық типті
сүлбемен алынады.
2. 3. 2 ЖЭО блогының есептік сүлбесін құрастыру
Блоктың есептік сүлбесін құрастырған кезде регенеративті су
қыздырғыштар санын және олардың қосылуын ескеру қажет. Сонымен қатар,
блоктың есептік сұлбесінде су дайындау сүлбесін, өндірістен қайтарылатын
шық сүлбесін, тұтынушыға жылу жіберу сүлбесін келтіру қажет.
Регенеративті бу алымдарындағы көрсеткіштерді завод мәліметтері
арқылы алынады. Өндіріске бу өндіріс бу алымының коллекторынан
алынады, бу қысымы Рпр = 1, 27 МПа мөлшерінде. Жылуландыруға және
ыстық сумен қамдауға жылулық жүктеме ЖЭО-дан ыстық су ретінде
беріледі. Ыстық суды қыздыру үшін ол су қыздырғыштардан және су
қыздырғыш қазандардан өтеді. ПТ-80/100-130/13 бутурбиналы қондырғыда
ыстық су төменгі, жоғарғы су қыздырғыштарынан және су қыздырғыш қазан
өтіп қызады.
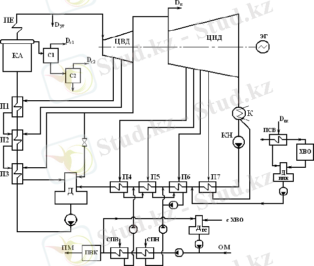
ПТ-80/100-130/13 бутурбиналы қондырғының есептік сүлбесі 3 - суретте
көрсетілген.
Сүлбе бойынша қазаннын өндіріліп шыққан бу турбинаға жіберіледі, ал
турбинада жұмыс атқарып шыққан бу шықтағышқа (конденсаторға)
жіберіледі. Шықтағыштан шыққан шық сорғымен төмен қысымды су
қыздырғыштарынан өтіп газсыздандырғышқа түседі. Газсыздандырғышта
шықтан ауа (оттегі) бөлінген соң шық қорек су болып аталады.
Қорек су сорғымен жоғары қысымды су қыздырғыштардан өтіп бу
қазанға жіберіледі. Қазанның тоқталмайтын үрлеу суы екі сатылы
сепараторға жіберіледі. Бу турбинада реттелмейтін бу алымдары және
реттелетін өндіріске бу және жылуландыруға бу алымдары бар. Жылулық
желідегі су шығынын өтеу үшін толықтыратын су вакуумды
газсыздандырғышта дайындық өтеді.
3 Сурет - ПТ-80/100-130/13 бутурбиналы қондырғының есептік сүлбесі
2. 3. 3 Жоғарғы және төменгі жылуландыруға арналған бу
алымдарындағы бу қысымын анықтау
![]()
ЖЭО-ның жылулық жүктемелері:
Қысымы Рп = 1, 275 МПа өндіріске бу алымынан бу шығысы Dп =450
т/сағ; өндірістен қайтарылатын температурасы tвк = 80 оС шық мөлшері Dпвозв
= 70%·Dп;
ЖЭО-дан берілетін жылу мөлшерлері:
жылытуға Qот = 1575 ГДж/сағ;
ыстық сумен қамдауға Qгвс = 135 ГДж/сағ;
толық жылулық жүктеме Qтэц = 1710 ГДж/сағ.
Жылуландыру қондырғының сүлбесі 4 - суретте келтірілген.
4 Сурет - ЖЭО-ның жылуландыру қондырғысының сүлбесі
ЖЭО-дағы желі судың толық шығысы
Dсвтэц = Qтэц·103/С·(tпм - tом) = 1710·103/4, 19·(150 - 70) = 5100 т/сағ;
мұнда судың жылусиымдылығы С = 4, 19 кДж/(кг·оС), тік және кері
магисталды құбырлардағы су температурасы tпм / tом = 150 / 70 оС.
Бір ПТ-80/100-130/13 бутурбиналы қондырғының желі су
қыздырғыштарынан өтетін су шығысы:
Dсвт = Dсвтэц /n = 5100/3 = 1700 т/сағ
мұнда ЖЭО-да орнатылған ПТ-80/100-130/13 бутурбиналы
қондырғылардың саны n = 3.
ПТ-80/100-130/13 бутурбиналы қондырғының жылулық бу
алымдарының толық номиналды жүктемесі ΣQтотб = 285 ГДж/кг.
Желі су мен будың жылулық баланс арқылы
![]()
ΣQтотб = Dсвт·С·(t2 - tом)
желі су қыздырғышынан шыққан судың температурасын табамыз
t2 = ΣQтотб/ Dсвт·С + tом = 285·103/1700·4, 19 + 70 = 110 оС;
Жоғары және төмен желі су қыздырғыштарындағы қызуының мөлшері
тең алынады, сондықтан төменгі желі су қыздырғыштан шыққан су
температурасының мөлшері
t1 = tом + (t2 - tом) /2= 70 + (110 - 70) /2 = 90 оС;
Қыздыратын будың шығының температурасына дейін желі судың
қызбауын δt = 5 оС тең аламыз.
Жоғарғы және төменгі бу алымдарындағы қанығу температураларының
және қысымының мөлшерлері
tнво = 110 + 5 = 115 оС,
tнно = 90 + 5 = 95 оС,
Рво = 0, 169 МПа
Рно = 0, 0845 МПа.
Регенеративті бу алымдарындағы
қысымдар
мөлшерін
заводтық
мәліметтер арқылы аламыз, 2 кесте.
2 К е с т е
2. 3. 4 Тоқталмайтын үрлеу судың сепараторының есебі
Үрлеу су сепараторы екі сатылы алынады, 5 - сурет.
5 сурет - Үрлеу су сепараторларының (РНП) қосылу сүлбесі
1) Үрлеу су сепаратордың 1 сатысының есебі
Жылулық баланс теңдеуі
Dпр·hпр·ηс1 = Dс1·hс1 + D'пр·h'пр1 ;
Материалды баланс теңдеуі
D'пр = Dпр - Dс1;
мұнда Dпр - үрлеу су мөлшері, Dпр = р·Dка = 0, 01·500 = 5 т/сағ;
Dка = 500 т/сағ - қазанның бу өнімділігі;
р = 0, 01 - үрлеудің бөлшегі;
hпр - үрлеу судың энтальпиясы, дағырадағы (барабандағы) қысым Рб =
15, 5 МПа арқылы, су мен будың кестелерінен табылады hпр = 1630 кДж/кг;
hс1 - сепаратордың 1 сатысында қысым мөлшері Р = 0, 6 МПа тең
кезіндегі қаныққан құрғақ будың энтальпиясының мөлшері hс1 = 2757 кДж/кг;
h'пр1 = 670, 5 кДж/кг - сепаратордың 1 сатысынан шыққан үрлеу судың
энтальпиясы.
Жылулық және материалды баланстар теңдеулерін бірге есептеп
сепаратордың 1 сатысынан шыққан бу мен су мөлшерлерін табамыз:
Dпр·hпр·ηс1 = Dс1·hс1 + Dпр·h'пр1 - Dс1·h'пр1;
Dс1 = Dпр·(hпр·ηс1 - h'пр1) /( hс1 - h'пр1) =
![]()
= 5·(1630·0, 98 - 670, 5) /(2757 - 670, 5) = 2, 2 т/сағ;
D'пр = Dпр - Dс1 = 5 - 2, 2 = 2, 8 т/сағ;
2) Үрлеу су сепаратордың 2 сатысының есебі
Екінші сатының есебі бірінші сатының есебіне ұқсас өткізіледі. Екінші
сатыда пайда болған бу үшінші төмен қысымды су қыздырғышқа (ПНД-3)
жіберіледі
D'пр·h'пр1·ηс1 = Dс2·hс2 + D"пр·h'пр2 ;
D"пр = D'пр - Dс2;
Жылулық және материалды баланстар теңдеулерін бірге есептеп
сепаратордың 2 сатысынан шыққан бу мен су мөлшерлерін табамыз:
D'пр·h'пр1·ηс1 = Dс2·hс2 + D'пр·h'пр2 - Dс2·h'пр2;
Dс2 = D'пр·(h'пр1·ηс1 - h'пр2) /(hс2 - h'пр2) =
= 2, 8·(670, 5·0, 98 - 483, 2) /(2699 - 483, 2) = 0, 22 т/сағ;
D"пр = D'пр - Dс2 = 2, 8 - 0, 22 = 2, 58 т/сағ;
мұнда екінші сатылы сепаратордағы қысым бойынша су мен будың
энтальпияларының мөлшері
Рс2 = 0, 17 МПа, hс2 = 2699 кДж/кг; h'пр2 = 483, 2 кДж/кг; h'пр1 = 670, 5
кДж/кг.
2. 3. 5 Қосылатын су шығысының мөлшері
Химиялық су тазартуға (ХСТ) қажетті алғашқы су шығысы келесімен
табылады
Dсвтэц = 1, 25·Dховтэц + 1, 4·Dпктэц ;
мұнда химиялық су тазартудың өзіндік мұқтаждарына қажетті су
мөлшерлері 25% судың кермектігін азайту сүлбесіне, 40% химиялық тазарту
цехындағы су қорына.
1) Жылулық желідегі су шығындарын өтеуге қажетті су мөлшері Dховтэц
жобалау нормалар арқылы жылулық желідегі су көлемінің 0, 25 %
мөлшерінде алынады. Норма бойынша [1], жылулық желідегі су көлемі 1
Гкал/сағ жылулық жұктемеге 65 м3 мөлшерінде алынады, сондықтан
Vтс = 65·Qтэц/C = 65·1710/4, 19 = 26527 м3 ;
Dховтэц = Vтс ·(0, 25/100) = 26527·(0, 25/100) = 66, 3 т/сағ.
2) Бу қазандарының шығындарын өтеуге қажетті су мөлшері Dпктэц,
Dпктэц = 0, 016·Dк·n + 0, 3·Dп + n·D"пр =
= 0, 016·500·3 + 0, 3·450 + 3·2, 58 = 166, 7 т/сағ;
Химиялық су тазартуға қажетті су мөлшері
Dсвтэц = 1, 25·Dховтэц + 1, 4·Dпктэц = 1, 25·66, 3 + 1, 4·166, 7 = 316, 3 т/сағ ;
2. 3. 6 Алғашқы су қыздырғышының (ПСВ) есебі
Температурасы 5оС, шығысы т/сағ алғашқы су ПСВ-дан өтіп
қыздырылады. ПСВ сүлбесі 6 - суретте келтірілген.
6 Сурет - ПСВ сүлбесі
ПСВ-да қыздырғыш жылуалмастырғыш жұмысын өндірістен келген
шық орындайды, шық мөлшері т/сағ, температурасы 80 оС. ХСТ-ға
жіберілетін
алғашқы су температурасы 30 оС болу қажет.
ПСВ-ның жылулық есебінің мақсаты жылуын беріп салқындаған
шықтың температурасын табу
![]()
t'вк = tвк - Dсвтэц ·(t'св - tсв) /Dвк = 80 - 316, 3·(30 - 5) /315 = 55 оС.
2. 3. 7 Қазандарға қосымша су дайындайтын газсыздандырғыштың есебі
Есеп мақсаты
-
газсыздандырғыштағы қысымды табу.
... жалғасы- Іс жүргізу
- Автоматтандыру, Техника
- Алғашқы әскери дайындық
- Астрономия
- Ауыл шаруашылығы
- Банк ісі
- Бизнесті бағалау
- Биология
- Бухгалтерлік іс
- Валеология
- Ветеринария
- География
- Геология, Геофизика, Геодезия
- Дін
- Ет, сүт, шарап өнімдері
- Жалпы тарих
- Жер кадастрі, Жылжымайтын мүлік
- Журналистика
- Информатика
- Кеден ісі
- Маркетинг
- Математика, Геометрия
- Медицина
- Мемлекеттік басқару
- Менеджмент
- Мұнай, Газ
- Мұрағат ісі
- Мәдениеттану
- ОБЖ (Основы безопасности жизнедеятельности)
- Педагогика
- Полиграфия
- Психология
- Салық
- Саясаттану
- Сақтандыру
- Сертификаттау, стандарттау
- Социология, Демография
- Спорт
- Статистика
- Тілтану, Филология
- Тарихи тұлғалар
- Тау-кен ісі
- Транспорт
- Туризм
- Физика
- Философия
- Халықаралық қатынастар
- Химия
- Экология, Қоршаған ортаны қорғау
- Экономика
- Экономикалық география
- Электротехника
- Қазақстан тарихы
- Қаржы
- Құрылыс
- Құқық, Криминалистика
- Әдебиет
- Өнер, музыка
- Өнеркәсіп, Өндіріс
Қазақ тілінде жазылған рефераттар, курстық жұмыстар, дипломдық жұмыстар бойынша біздің қор #1 болып табылады.

Ақпарат
Қосымша
Email: info@stud.kz