Күрделі эфирлер


Мазмұны
4
Кіріспе
Күрделі эфирлер табиғатта кең тараған. Олар биологиялық өте маңызды қосылыстар. Гүлдер мен жемістердің құрамында күрделі эфирлер болуына байланысты олардың хош иістері болады. Өсімдік және жануарлар майлары күрделі эфирлерге жатады. Карбон қышқылдарының күрделі эфирлерін қышқылдардың карбоксил тобындағы сутек атомының орнын көмірсутек радикалы басқан сутектің немесе спирттердегі гидроксил тобының орнын органикалық қышқылдың радикалы басқан туындылар деп қарастыруға болады. Этилацетат-эфир класына жататын органикалық қосылыс. Химияда сірке-этил эфирі деген атауы да бар. Техникалық этилацетат-жеңіл ұшатын түссіз сұйықтық және жемістердің жағымды иісі бар. Бұл зат бояулар, коллоксилин, шайыр пигменттері, мастик, нитроцеллюлозалар, этилцеллюлозалар, әр түрлі (оның ішінде нитроглифталь, полиэфирлі, поливинилацетатты) лактар өндірісінде еріткіш ретінде қолданылады. Сондай-ақ, ол люминофорлы шамдарды, желімдерді, целлофанды, фотопленкаларды, Пластмассаларды, клеенкаларды, дермантин, винилискожаларды, бумвинилді, линолеумды, резеңке-техникалық бұйымдарды және басқа да өнімдерді дайындауда қолданылады. Этилацетат сумен, сондай-ақ кез келген пропорциядағы органикалық еріткіштермен араласуы мүмкін. Техникалық этилацетат аз уыттылықпен бірге жоғары емес құны бар. Сондай-ақ, оның иісі басқа еріткіштерден әлдеқайда жағымды. Аз уыттылық туралы арнайы дайындық кезінде ол жеміс эссенцияларында қолданылатын тағамдық қоспа (Е 1504) болғандықтан айтуға болады. Еріткіш ретінде неғұрлым сапалы этилацетат а в/сорт маркалы этилацетат болып табылады, онда заттың салмақтық үлесі кемінде 99% құрайды. Этилацетатты өнеркәсіптік алудың бірнеше жолы бар. Бұл этил спиртін күкірт және сірке қышқылымен қоспаға айдау, этил спиртін кетенмен өңдеу, 0-5°C температурада алюминий алкоголяты катализаторының қатысуымен ацетальдегидтен алу (Тищенко реакциясы) болуы мүмкін. Этилацетатпен жұмыс істеу кезінде мынадай сақтық шараларын сақтау қажет: онымен жұмыс істейтін жабдық герметикалық болуы тиіс, үй-жай сору-сору желдеткішімен жабдықталған, этилацетатпен жұмыс істейтін адам жеке қорғаныс құралдарын (көзілдірік, қолғаптар, А маркалы өнеркәсіптік газқағарды сүзетін) кию керек. Этилацетатты сақтау дайындаушы кәсіпорынның орамасындағы қоймаларда, сондай-ақ арнайы металл ыдыстарда жүзеге асырылады. Бұл ретте өрт қауіпті заттарды сақтау кезінде қауіпсіздік техникасы ережелерін сақтау керек. Оны темір жол цистерналарында немесе бензовоздармен тасымалдауға болады, ал тиеуге - болаттан жасалған бөшкелерге құюмен (200 л) болады.
1. Әдеби шолу
1. 1 Күрделі эфирлер
Оргaникaлық (кaрбон) қышқылдaрдың күрделі эфирлері. Бұл эфирлерді молекулaсындaғы кaрбоксил тобындaғы сутегі aтомы көмірсутек рaдикaлынa aлмaсқaн кaрбон қышқылдaрының туындылaры деп қaрaстыруғa болaды.
Құрылысы. Күрделі эфирлердің түзілуіне төменгі және жоғaры, қaныққaн және қaнықпaғaн қышқылдaр, спирттер қaтысaды.
Изомериясы. Құрылымдық және клaсaрaлық изомерия
Құрылымдық С 6 Н 12 О 2
Класаралық
Aлынуы
Кaрбон қышқылдaрының aнгидридтерінің спирттермен әрекеттесуі. Спирттер және бaсқa гидроксилді қосылыстaр кaрбон қышқылдaрының aнгидридтері және гaлоген aнгидридтерімен жеңіл әрекеттесіп күрделі эфирлер түзеді.
1. Aлкилдеу реaкциясы. Кaрбон қышқылдaрының нaтрий тұздaры aлкилгaлогенидтермен әрекеттеседі.
Эфирлердің жеке өкілдері және олардың қолданылуы.
Диэтил эфирі С2Н5-О-С2Н5. Оңай қайнайтын (34, 6°С) сұйық зат, суда ерімейді, судан жеңіл, өзіне тән иісі бар. Ауамен қопарылғыш қоспа түзеді. Еріткіш ретінде, жасанды жібек алуға, медицинада наркоз жасауға қолданылады.
Салицил қышқылының күрделі эфирлері аспирин (ацетилсалицил қышқылы) мен салол - дәрілік заттар
Глицерин тринитраты CH2ONO2- CHONO2 - CH2ONO2. Өте қуатты қопарылғыш зат. Динамиттің құрамына кіреді. 1%-тік ерітіндісі медицинада қан тамырлары мен жүрек ауруларын емдеуде қолданылады.
Цистилкүкірт қышқылын C16H33OSO2OH цистил спирті мен күкірт қышқылын әрекеттестіріп алады:
Этилацетат еріткіш ретінде кеңінен қолданылады, өйткені құны төмен және уыттылығы аз, сондай-ақ иісі қолайлы . Атап айтқанда, полиуретан еріткіші, нитроцеллюлоза, ацетилцеллюлоза, майлар, балауыздар ретінде, баспа платаларын тазалау үшін, спиртпен қоспасы жасанды тері өндірісінде -еріткіш. 1986 жылы жылдық әлемдік өндіріс 450-500 мың тоннаны құрады. 2014 жылы этилацетаттың әлемдік өндірісі жылына 3, 5 млн тоннаны құрайды.
Энтомологиялық морилкаларда жәндіктерді жою үшін қолданылатын ең танымал улардың бірі. Жәндіктер хлороформ буында өлгеннен кейін препараттау кезінде әлдеқайда жұмсақ және икемді.
Жеміс иісі бар жеміс эссенцияларының компоненті ретінде қолданылады. E1504 (хош иістендіргіш) азық-түлік қоспасы ретінде тіркелген. Спирттің иісі мен дәмін жұмсартуға арналған арақтың құрамына қосылады (немесе олардағы этил спиртінің қосылған сірке қышқылымен немесе сірке қышқылымен реакциясы кезінде пайда болады)
Физикалық қасиеттері. Күрделі эфирлердің көбінің иістері жағымды. Молекула арасында сутектік байланыс жоқ болғандықтан, сәйкес қышкылдарға қарағанда күрделі эфирлердің қайнау температуралары төмен болады Эфирдің өткір иісі бар түссіз жылжымалы сұйықтық. Молярлық масса 88, 11 г/моль, балқыту температурасы -83, 6 °C, қайнау температурасы 77, 1 °C, тығыздығы 0, 9001 г/см3, n 20 4 1, 3724. 12% суда (салмағы бойынша), этанолда, диэтил эфирінде, бензолда, хлороформада ериді. Қарапайым карбон қышқылдарының күрделі эфирлері түссіз сұйықтықтар, суда ерімейді.
1-Кесте
Күрделі эфирлердің кейбір қасиеттері
Гидролиздену реакциясы. Күрделі эфирлердің гидролизі этерификация реакциясына кері реакция, қышқыл немесе сілті қатысында жүреді. Күрделі эфир сумен әрекеттесіп айырылып, реакция нәтижесінде қышқыл және спирт түзіледі:
CH3COOC2H5 + H2O → CH3 - COOH + C2H5OH
1. 2 Күрделі эфирлердің алынуы этилацетатты алу
Күрделі эфирлер көбіне табиғи өнімдерден алынады. . Этерификация реакциясында карбон қышқылдары мен спирттерді минерал қышқылдар қатысында әрекеттестіріп, нәтижесінде, күрделі эфир мен су түзіледі. Эфирлену реакциясы кезінде карбоксил тобының гидроксилі мен спирт молекуласындағы сутектен су молекуласы түзілетіні реакцияға изотоптар енгізу арқылы анықталды. Құрамында оттектің 180 изотопы бар спиртпен әрекеттестіргенде, оттектің ауыр изотопы судың емес күрделі эфирдің құрамында екендігі белгілі болды
Этерификация реакциясының жылдамдығы қышқыл мен спирттің құрылысына байланысты. Екіншілік спирттерге қарағанда біріншілік спирттердің реакция жылдамдығы екі есе жоғары.
Этилацетатты алудың зертханалық әдісі этил спиртін хлорлы ацетилмен немесе сірке ангидридімен ацетилдеуден тұрады:
СН 3 СОСl + C 2 H 5 OH CH 3 COOC 2 H 5 + HCl
Этилацетат синтезінің өнеркәсіптік тәсілдеріне жатады:
1. Этил спиртінің, сірке және күкірт қышқылдарының қоспасын айдау.
2. Этил спиртін кетенмен өңдеу.
3. Алюминий алкоголятының каталитикалық мөлшерінің қатысуымен 0-5 °C кезінде ацетальдегидтен Тищенко реакциясы бойынша:
2CH
3
CHO
CH
3
COOC
2
H
5
1. 3 Зертханада қолданылуы
Этилацетат жиі экстракция үшін, сондай-ақ колонналық және жұқа қабатты хроматография үшін қолданылады. Гидролизге және қайта этерификацияға бейімділігіне байланысты реакцияларды жүргізу үшін еріткіш ретінде сирек қолданылады.
Ацетоуксус эфирін алу үшін қолданылады:
2СН 3 СООС 2 Н 5 СН 3 СОСН 2 СООС 2 Н 5
Сату этилацетаты әдетте су, спирт және сірке қышқылы бар. Бұл қоспаларды алып тастау үшін оны 5% натрий карбонатының көлеміне тең мөлшерде жуады, кальций хлоридімен кептіреді және айдайды. Су құрамына қойылатын аса жоғары талаптар кезінде бірнеше рет (үлестермен) фосфор ангидридін қосады, сүзеді және ылғалдан қорғай отырып айдайды. Молекулалық сит 4А арқылы этилацетаттағы су мөлшерін 0, 003 дейін төмендетуге болады %
Егеуқұйрықтар үшін ЛД50 11, 6 г/кг құрайды, төмен уыттылықты көрсетеді. Этилацетат булары көздің және тыныс алу жолдарының шырышты қабықтарын тітіркендіреді, теріге әсер еткен кезде дерматиттер мен экзема тудырады. Жұмыс аймағының ауасындағы ПДК 200 мг / м3. Елді мекеннің атмосфералық ауасындағы ПДК0, 1 мг / м3.
Тұтану температурасы - 2 °C, өздігінен тұтану температурасы-400 °C, ауадағы бу жарылысының концентрациялық шектері 2, 1-16, 8 % (көлемі бойынша) . Тасымалдау кезіндегі қауіпсіздік. ДОПОГ (ADR) сәйкес қауіптілік сыныбы 3, БҰҰ тізілімі бойынша коды 1173.
2- Кесте
Техникалық сипаттамалары
1. 4 Процесс технологиясы
Күрделі эфирлерді синтездеудің технологиялық процестері екі негізгі топқа бөлінеді:
1) сұйық фазалық процестер - каталитикалық емес немесе гомогенді-каталитикалық, онда химиялық реакция қандай ма бір дәрежеде бөліну процестерімен біріктіріледі;
2) сұйық немесе газ фазасындағы гетерогенді-каталитикалық реакциялар, бөліп алу процестерімен біріктірілмеген ағындық аппараттарда жүзеге асырылады.
Бірінші топтың процестері дәстүрлі болып табылады және этерификация технологиясында кең таралған. Олардың мәні эфирдің қайтымды синтезін толығымен жүзеге асыру, яғни ұшпа өнімдерді (суды, эфирді немесе олардың азеотропты қоспасын) айдау арқылы тепе-теңдікті ығыстыруға болады. Осыған байланысты қышқылдар, спирттер және олардың эфирлері төрт түрге бөлінеді.
1. Ұшпалығы төмен қышқылдар мен спирттердің жоғары қайнайтын эфирлері. Оларға екі негізді қышқылдарының (фтал, себацин, адипин) эфирлері, сондай-ақ монокарбон қышқылдарының C 4 -C 9 жоғарғы гликольдер, глицерин немесе жоғарғы біратомды спирттермен эфирлері жатады. Мұндай қоспадағы ең ұшпа құрамды бөлік су болып табылады және ол бастапқы заттардың немесе эфирдің елеулі қоспасы болмаса, оны түзілу мөлшеріне бойынша айдайды. Судың булануын жеңілдету үшін, реакция массасын инертті газбен үрлеуге немесе вакуумда айдауға болады.
2. Жеткілікті ұшпа қышқылдармен немесе спирттердің жоғары қайнайтын эфирлері. Жоғары қышқылдардың C1-C8 спирттерімен эфирлерін, сондай-ақ сірке және құмырысқа қышқылдардың гликолдар мен глицеринмен эфирлерін алу кезінде, реакциялық массадан суды ұшпа бастапқы реагентпен бірге айдайды. Бутанол және одан жоғары спирттер су азеотропты қоспалар түзеді, олар конденсация кезінде екі қабатқа бөлінеді. Сулы (төменгі) қабатты бөлу және спиртті этерификацияға қайтару арқылы конверсияның жоғары дәрежесіне қол жеткізуге болады
Конденсат гомогенді болған кезде көбінесе сумен жеңіл қайнайтын азеотропты қоспалар түзетін заттар (бензол, дихлорэтан) қосылады. Су олармен шығарылады, азоэотропты қоспа булар конденсацияланғаннан және судан бөлінгеннен кейін реакторға қайтарылады. Метанол және этанол эфирлерінің өндірісінде бұл әдіс қолайсыз және су спирттің артығымен бірге айдалады; содан кейін сулы спирт ректификацияға түседі.
3. Сумен (немесе сумен және спиртпен) азеотропты қоспалар беретін ұшпалығы орташа күрделі эфирлерде, оларда судың молдік арақатынасы эфирден көп болады. Мұндай эфирлерге бутил- және пентилацетаттар жатады. Осы жүйелерде түзілетін, мейлінше төмен қайнайтын азеотропты қоспалар эфирден, спирттен және судан тұрады. Бутилацетат жағдайында қоспа 35, 5% (масс. ) эфирден және 37, 3%(масс. ) судан тұрады, бұл молярлық қатынасы бойынша шамамен ≈1:7. Бұл дегеніміз, азеотропты қоспамен көп мөлшерде судың кететіндігін және реакциялық массаның эфирмен үздіксіз байытылатындығын көрсетеді. Айдалған булардың конденсациясы кезінде, екі қабатқа - су мен органикалық қабаттарға бөлінеді. Соңғысының құрамында эфир мен спирт болады, олар реакторға қайтарылады.
4. Жеңіл-ұшпа күрделі эфирлер спирт және сумен үштік азеотропты қоспалар береді, олардың молярлық қатынасында эфир судан артық болады. Осылайша, этилацетат, этанол және су бар азеотропты қоспа 83, 2% (масс. ) эфирден, 7, 8% (масс. ) судан тұрады (қайнау температурасы 70, 3 °C), олардың мольдік қатынасы 2, 4: 1. Мұндай қоспаны айдаған кезде реакциялық масса мейлінше суға байый түседі. Демек, бұл жағдайда күрделі эфир кейбір мөлшерде су мен спиртпен бірге реактордан шығатын дистиллят түрінде алынады.
Ұшпа заттың айдалуына байланысты бастапқы реагенттер стехиометриялық жақын ара қатынасында қолданылуы мүмкін, бірақ толық эфирлердің өндірісінде қышқылдың жоғарғы дәрежедегі конверсиясына қол жеткізу үшін, спирттердің айдалатын реакция өнімдерімен бірге алып кетуіне тәуелді, олардың едәуір артық мөлшерін қолданады. Катализатордың мөлшері ≈ 0, 1% құрайды, бұл процесті 2-6 сағатта жүзеге асыруға мүмкіндік береді. Каталитикалық емес реакция кезінде жоғары температураны пайдалану арқылы сол реакция уақытына қол жеткізіледі.
Дистилляциямен біріктірілген этерификация процесі периодты немесе үздіксіз орындалуы мүмкін; соңғысы мейлінше көп қолданысқа ие. Үздіксіз этерификациясының реакция түйіндерін жобалаудың негізгі нұсқалары 15-суретте көрсетілген.
Алғашқы үшеуінің көйлектер немесе иректер арқылы бумен қыздырылатын жеткілікті үлкен реактор-эфиризаторы (кубы) бар.
1-Сурет . Азеотропты қоспаны айдаумен біріктірілген сұйық фазалық этерификациялау процестері үшін реакция түйіндері: (1- конденсаторы бар куб; б - дефлегмалаушы колоннамен куб; в - ректификациялық колоннамен куб; г -тарелкалық колонна типіндегі реактор
Реактордағы сұйықтық қайнау (немесе оның ұшпа құрамды бөліктерінің булануы) жағдайында болады, сондай-ақ бастапқы заттарды үздіксіз беру және ұшпа өнімнің айдалуы кезінде химиялық өзгерістер орын алады. Түйіндер а, б және в бөліну жүйелерінің тиімділігімен ғана ерекшеленеді: біріншісінде тек кері конденсатор, екіншісінде дефлегмалаушы колонна, үшіншісінде өзінің қайнатқышы бар ректификациялық колонна, бұл флегма санын арттыруға және бөлу тиімділігін жақсартуға мүмкіндік береді. Тиісінше, осы сызбалардың әрқайсысы реакциялық массадан шығарылатын отгонның және реактордағы қалған кубтық сұйықтықтың ұшпалығындағы үлкен, орташа немесе шағын айырмашылықтар үшін қолдануға болады. Бұл үш сызбада этерификацияның периодтық процестері үшін де қолайлы, эфир кубта қалып қояды, ал ұшпа құрамды бөліктер болып табылатын су мен эфирдің азеотропты қоспасы сепараторларда екі қабатқа бөлінеді (су жүйеден шығарылады) .
Үздіксіз этерификация кезінде ( a, б және в сызбалар) куб тек химиялық реакциялардың жоғарғы жылдамдығында қанағатнанарлық жұмыс істейді, әйтпесе конверсияның толықтығы немесе реактор өнімділігі тым төмен болады. Демек, үздіксіз процестер үшін эфиризаторлардың тізбектілігі (каскадты) жиі пайдаланылады, бұл ретте бір реактордан екіншісіне құйылған сұйықтық ағымы бар, бірақ әрбір эфиризаторға арналған тиісті бөлу жүйесі бар.
Тағы бір шешім - тарелкалы колонналар типті эфиризаторды пайдалану(сызба г) . Биіктігі 0, 5-1, 0 м сұйықтық қабаты бар әр тарелка жеке реактордың рөлін атқарады, жоғарыдан төменгі тарелкаға түсетін сұйықтық қайнау күйінде болады, бұл химиялық реакцияның ректификациямен бірігуін қамтамасыз етеді.
Катализатор және аз ұшпа реагент (әдетте қышқыл) үстіңгі тарелкалардың біріне, ал екінші реагент, реагенттің ұшпалығына сәйкес колоннаның биіктігі бойынша белгілі бір орыннан беріледі және сұйықтық және бу қарыма қарсы қозғалады. Мұндай қондырғы салыстырмалы түрде баяу химиялық реакцияларға (катализатордың төмен концентрациясы бар кәдімгі этерификация кезінде) және кубтық қалдық пен отгон ұшпалығының шамалы айырмашылығы болған кезде қолайлы.
Осылайша, операциялық блок этилацетат өндіру схемасы 2 - суретте бейнеленген түрде болады:
2-Сурет. Операциялық блок этилацетат өндірісінің сызбасы
Этанолдың, сірке және күкірт қышқылдарының бастапқы қоспасы (1) этанолға түседі, одан химиялық реакция және ректификация нәтижесінде құрамында этилацетат, этил спирті және су бар дистиллят (2) айдалады. Ректификациялық колоннада 1 қоспа су спиртінен (7) бөлінеді, ал конденсат (3) сепараторға жіберіледі, онда сумен араласады (8), неғұрлым толық бөлу үшін. Кейбір спирт пен эфир мөлшері бар су (9) жойылады, ал пайда болған эмульсия (4) Сепараторда су мен спирттен (10) бөлінеді. Шикі Эфир (5) қалған су мен спирттен одан әрі тазарту үшін жіберіледі (6) кубтық сұйықтық түрінде тауарлық этилацетат (11) алынады.
1. 5 Гетерогенді катализдегі этерификация
Протонды қышқылдармен катализдеу кезде келесі кезеңі өнімді бейтараптандыру міндетті болып табылады. Көп жағдайда эфир кубта қалады және қышқылды бейтараптандырғаннан кейін эфирді жуу керек және т. б. Мұның бәрі реагенттер шығынының жоғарылауына, эфирді жоғалтуға және ағынды сулардың пайда болуына әкеледі. Осыған байланысты соңғы жылдары этерификацияның гетерогенді катализі, әсіресе 150-160 o С дейінгі температурада синтездеуге қолданылатын сульфокатиониттерді қолдану кең таралған.
Сульфокатионит катализіндегі этерификация үздіксіз катализатордың қабаты бар колонналық реакторда жүзеге асырылады, өйткені жылу әсерінің болмауы жылу алмасу құрылғыларын қажет етпейді. Реакция сұйық фазада жүреді және төменгі спирттердің эфирлерін синтездеу кезінде спирттің артық болуы қышқылдың конверсиясын жоғарлату үшін қолданылады. Ықтимал сызбалардың бірі (3-сурет) насадкасы (сульфокатионит) бар адиабаттық реактор, экстракциялық колонна реакциялық массадан артық спиртті (және өзгеріске түспеген қышқылды) сумен алып тастайды және реакцияға қайтаруға спиртті айдауға арналған тұрақтандыру колоннасы. Экстракцияға берілетін су да рециркуляцияда болады; жүйеден реакциялық судың аз мөлшерін ғана шығарады, оның ішінде өзгеріске түспеген қышқылды регенерациялайды. Экстракция колоннасының жоғарғы жағынан шығатын шикі-эфир ректификациямен тазартылады.
Сульфокатиониттердің катализінде олефиндерден күрделі эфирлер синтезделуі мүмкін. Осылайша, 110-120 °С және 1, 5-2, 5 МПа кезінде қ-бутен мен сірке қышқылынан және сульфокатионитте екіншілік-бутил ацетатының селективтілігі 100% алынады. Бұл жағдайда, екі реагент газ фазасында болғанда, қышқыл типті гетерогенді катализаторларын қолдануға болады. Мысалы, пропилен мен сірке қышқылынан 120-160 °С және 0, 7-1, 2 МПа кезінде изопропил ацетатының селективтілігі 100% алынады.
3-Сурет . Сульфокатионит катализіндегі этерификацияның технологиялық сызбасы: 1- реактор, 2- экстракциялық колонна; 3- спиртті рекуперациялау колоннасы; 4 - конденсатор; 5 -қайнатқыш
Сонымен қатар, октил эфирлерін синтездеу үшін кейде басқа азеотроптүзгіш ұсынылады; басқа сызбаларда ол жоқ, ал суды октил спиртінің артығымен азеотропты қоспа ретінде айдайды.
1. 6 Этерификация кезінде қолданылатын катализатор
Этерификация кезінде катализаторлар ретінде сұйық фазада негізінен минералды қышқылдар қолданылады. Бұл минералды қышқылдардың ерітінділерінде сутегі иондарының жоғары концентрациясы құрылуымен түсіндіріледі, олар этерификация реакциясын катализдейді. Бу фазасында (250-400 °C) этерификация кезінде катализаторлар ретінде әртүрлі металл оксидтері қолданылады.
2 Технологиялық бөлім
2. 1 Этерификациялық қоспаны дайындау
Этилацетат өндірісінде бұл кезең міндетті болып саналады. Қоспа мерзімді жұмыс істейтін араластырғыштарда дайындалады. Реагенттердің арақатынасы тауарлық эфирдегі этилацетаттың салмақтық үлесі мен этанол - су - этилацетат жүйесінің қасиеттерімен анықталады. Қоспаны біртектілікке дейін араластыру "өзіне айналдыру"әдісі бойынша сорғымен жүзеге асырылады. Егер жинағыштың төменгі және жоғарғы бөліктеріндегі қышқылдық 0, 5% - дан кем болса, қоспа біртекті болып саналады.
Шикізат ретінде негізгі заттың салмақтық үлесі 97-99, 5% болатын синтетикалық және регенерацияланған сірке қышқылы, қышқылдығы 93-96% орман-химиялық техникалық сірке қышқылы (қышқылдың осы түрінің үлесі осы шикізаттың жалпы массасынан 12% аспайтын), алкогольдің салмақтық үлесі 92-92, 5% болатын синтетикалық этил спирті және алкогольдің көлемдік үлесі 94-95% болатын этил гидролиз спирті пайдаланылады. Қоспаны дайындауға арналған бактардың сыйымдылығы қондырғының 8-10 сағат үздіксіз жұмыс істеуін қамтамасыз ету үшін жеткілікті болуы тиіс.
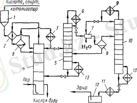
2. 2 Үздіксіз этилацетат өндірісінің технологиялық сызбасы
3-Сурет . Үздіксіз этилацетат өндірісінің технологиялық сызбасы:
1-қысымды бак: 2 - жылуалмастырғыш; 3- конденсатор; 4- эфиризатор; 5, 10 - ректификациялық колонналар; 6, 9 - конденсатор-дефлегматорлар; 7-араластырғыш; 8-сепаратор; 11- салқындатқыш; 12 - қабылдағыш; 13 - қайнатқыш
... жалғасы- Іс жүргізу
- Автоматтандыру, Техника
- Алғашқы әскери дайындық
- Астрономия
- Ауыл шаруашылығы
- Банк ісі
- Бизнесті бағалау
- Биология
- Бухгалтерлік іс
- Валеология
- Ветеринария
- География
- Геология, Геофизика, Геодезия
- Дін
- Ет, сүт, шарап өнімдері
- Жалпы тарих
- Жер кадастрі, Жылжымайтын мүлік
- Журналистика
- Информатика
- Кеден ісі
- Маркетинг
- Математика, Геометрия
- Медицина
- Мемлекеттік басқару
- Менеджмент
- Мұнай, Газ
- Мұрағат ісі
- Мәдениеттану
- ОБЖ (Основы безопасности жизнедеятельности)
- Педагогика
- Полиграфия
- Психология
- Салық
- Саясаттану
- Сақтандыру
- Сертификаттау, стандарттау
- Социология, Демография
- Спорт
- Статистика
- Тілтану, Филология
- Тарихи тұлғалар
- Тау-кен ісі
- Транспорт
- Туризм
- Физика
- Философия
- Халықаралық қатынастар
- Химия
- Экология, Қоршаған ортаны қорғау
- Экономика
- Экономикалық география
- Электротехника
- Қазақстан тарихы
- Қаржы
- Құрылыс
- Құқық, Криминалистика
- Әдебиет
- Өнер, музыка
- Өнеркәсіп, Өндіріс
Қазақ тілінде жазылған рефераттар, курстық жұмыстар, дипломдық жұмыстар бойынша біздің қор #1 болып табылады.

Ақпарат
Қосымша
Email: info@stud.kz