Ақтөбе ферроқорыту зауытының қуаты өсуіне байланысты сыртқы электрмен жабдықтау жүйесін жобалау


5
![]()
6
![]()
7
![]()
8
![]()
Аңдатпа
Дипломдық жоба Ақтөбе ферроқорыту зауытының қуаты өсуіне
байланысты сыртқы электрмен жабдықтау жүйесін жобалауға арналған.
Электрлік желінің нұсқаларына алдын-ала есептеулер жүргізіліп, технико-
экономикалық салыстырулардан кейін электрмен жабдықтаудың ең тиімді
сұлбасы таңдалды. Таңдалған нұсқаға қалыпты, апаттан кейінгі орныққан
және минималды режімдерде есептеулер жүргізілді.
Дипломдық жобаға өмір тіршілік қауіпсіздігі мен экономикалық бөлім
кіреді.
Аннотация
В
дипломном проекте спроектирована система внешнего
электроснабжения в связи с увеличением мощности Актюбинского завода
ферросплавов. Произведены расчеты вариантов электрической сети, по
технико-экономическим сравнениям выбрана оптимальная схема
электроснабжения. Для выбранного варианта произведены расчеты в
нормальных, послеаварийных и минимальных режимах.
Дипломный проект включает в себя разделы экономики и безопасности
жизнедеятельности.
9
Мазмұны
Кіріспе
1 Тұтынушылар және қоректену көздеріне қысқаша сипаттама
1. 1 ҚР БЭЖ Ақтөбе аумағындағы энергетикалық нысандарының негізгі
техникалық-экономикалық көрсеткіштері
1. 2 Электрлік жүктемелер, олардың жабын көздері
1. 3 2015 жылға дейінгі батыс облыстардың электр жүктемелерін
болжау
2 Электрлік желінің нұсқаларын алдын-ала есептеу
2. 1 Электр желіліерінің конфигурациясын таңдау және құру
2. 2 Қуаттың бөлінуін алдын-ала есептеу
2. 3 Тіректердің материалын таңдау
2. 4 Әуе желісі сымдарының қимасын таңдау
2. 5 Трансформаторлардың саны мен қуатын таңдау
2. 6 Электрлік жалғанулардың сұлбасы
3 АФЗ электрмен қамтамасыз ету үшін электр желісінің нұсқаларан
таңдау
3. 1 АФЗ электрмен қамтамасыздандыру үшін ұсынылған нұсқалардың
капиталды шығындары
3. 2 АФЗ электрмен қамтамасыздандыру үшін ұсынылған нұсқаларды
негіздеу
3. 3 Нұсқаларды техникалық-экономикалық салыстыру
4 Электрлік есептеулер
4. 1 Сұлбaның peжимдepiн eсeптeу
4. 2 Қысқа тұйықталу тоғын есептеу
5 АФЗ ҚС құрылыс жобасын техникалық-экономикалық негіздеу
5. 1 Жобаны жүргізу мақсаты
5. 2 Қосалқы станцияның техникалық-экономикалық көрсеткіштерін
есептеу
5. 3 Салымдар тиімділігінің қаржылық-экономикалық көрсеткіштері
6 Өмір қауіпсіздігі
6. 1 Зауытта еңбек қорғау бойынша ұйымдастыру және техникалық
шараларға талдау жасау
6. 2 Электр қауіпсіздігі. Статикалық электрленуден қорғану шараларын
таңдау, ЖҚҚ есеп жүргізу
6. 3 Зауыт территориясындағы прожекторлық жарықтануға есеп жүргізу
Қорытынды
Қолданылған әдебиеттер тізімі
10
7
8
8
8
9
15
15
18
19
20
21
24
25
26
27
28
31
32
44
51
51
52
60
63
63
64
71
75
76
Кіріспе
Бұл жұмыстың мақсаты: Ақтөбе қаласы АФЗ-ның сыртқы электрмен
қамтамасыздандыру сұлбасын жасау.
Бұл жұмыста Ақтөбе энерготорабының қазіргі кездегі қуат балансына
талдау жасалды, АФЗ-ң электр желілерінің даму перспективасы ескерілген
сыртқы электрмен қамтамасыздандыру сұлбасының нұсқалары
қарастырылды, электржелілік құрылыстың негізгі көлемі мен жиынтықталған
баға көрсеткіштері бойынша болжамдық капитал салымы анықталған. Ақтөбе
аймағының электр желілерінің қазіргі кездегі және болашақтағы даму
жағдайы туралы мәліметтер «Батыс-Транзит» АҚ, «KEGOC» АҚ - дарының
деректерінен алынды.
Жұмыс Қазақстан Республикасы аумағында қолданылатын нормативтік
және әдістемелік материалдардың талаптарына сәйкес орындалған.
11
1 Ақтөбе ферроқорыту
зауытының
электрмен
қамтамасыздандырылу жағдайына қысқаша сипаттама
1. 1 ҚР БЭЖ-нің Ақтөбе аумағындағы энергонысандарының негізгі
техникалық-экономикалық көрсеткіштері
Ақтөбе аймағының қабылданған және шектік
қуаты
бойынша
2011жылғы мәлімет төмендегі 1. 1 кестеде берілген.
1. 1 Кесте - Ақтөбе аймағының қабылданған және шектік қуаты, МВт
Өндірілген электр энергиясының Ақтөбе облысы бойынша 2012жылғы
көрсеткіші 340, 7 млн. кВт*сағ құрады, бұл 2010 жылғы көрсеткіштен 20 %
артық.
1. 2 Кесте - Өндірілген электр энергиясының Ақтөбе облысы бойынша
2012жылғы көрсеткіші, млн. кВт*сағ
1. 2 Электрлік жүктемелер, оларды қамтамасызданыдру көздері
Қуат және электр энергиясының балансы, өндіру және жүктеменің
күндік графиктері.
1. 3 кестеде
Ақтөбе энерготорабы бойынша 2010-2012 жылдар
аралығындағы жүктеме максимумының өзгеру динамикасы берілген.
1. 3 Кесте -
Ақтөбе аймағы бойынша біріктірілген жүктеме
максимумының өзгеру динамикасы, МВт
12
1. 4 кестеде 2012 жылғы Ақтөбе облысы бойынша жүктеменің
абсолюттық максимумының шамасы берілген.
1. 4 Кесте - 2011 жылғы Ақтөбе аймағы бойынша жүктеменің
абсолюттық максимумының шамасы, МВт
1. 3 2015 жылға дейінгі және 2020 жылға даму перспективасымен
электр жүктемесін болжау
ҚР-ның электр энергетикасының даму ілгерімі, экономиканың даму
тенденциясының есебімен, ҚР Үкіметінің келесі қабылданған бағдарламалық
құжаттарымен анықталды:
- 2015ж. дейінгі ҚР аймақтық даму перспективасы;
- 2010ж. дейінгі аралықтағы ҚР стратегиялық даму жоспары;
- 2006-2008 жылдардағы ҚР Үкіметінің бағдарламасы;
- 2007-2024ж. ҚР тұрақты дамуға көшу концепсиясы.
Бұл құжаттарды «Қазақстан 2030 жылға даму стратегиясын» алда
жүзеге асыруға бағытталған, шаралар мен механизмдер құрылған
Мемлекеттің тұрақты дамуының қол жетімді экономиканың
модернизациялануы мен диверсификациялануы, индустриалды-инновациялы
дамуы жолында, кластерлерді дамуына, халықаралық және регионалдық мәні
бар қарқынды жоспарларды жүзеге асыруға, мемлекеттің әлемдік экономикаға
интеграциялануына бағытталған, энергетикалық тәуелсіздікке
және
экологиялық қауіпсіздікке қол жеткізуіне, сонымен қатар отын-энергетикалық
кешеннің тиімді өсуіне, мемлекет экономикасының энергия үнемдеу жолына
көшу үшін қажетті жағдайларды туғызуға бағытталған мәселелерді жүзеге
асыруға негізделеді.
13
Сонымен қоса, Қазақстанда өндірілген электр энергиясының 2007 жылға
Ресейге экспортталу көлемі 3 308, 4 млн. кВт*сағ. құрады, бұл 2006 жылмен (3
730, 3 млн. кВт*сағ) салыстырғанда 421, 9 млн. кВт*сағатқа (11, 3%) аз. Ресейге
Қазақстан бойынша электр энергиясы ағынының сальдосы жалпы 1140, 7 млн.
кВт*сағатты құрады, ал Ресейден электрэнергиясының импортталуы 2167, 7
млн. кВт*сағат болды. 2006 жылмен салыстырғанда Ресейге сальдоланған
электр энергиясы ағыны 720, 9 млн. кВт*сағатқа азайды (38, 7 %) .
Орта Азия мемлекеттерінен электр энергиясының ағыны 871, 0 млн.
кВт*сағ төмендеп, яғни (41, 7 %), 1215, 4 млн. кВт*сағатты құрады.
2000-2006 жылдарда Батыс аймағы бойынша электр тұтылыу деңгейінің
анализі, экономика тұрақтылығына қатысты 2000ж. бастап, көрсетілген
аралықта 7, 8 % орташа жылдық қалыпта өсу тенденциясы көрсетіледі.
Осылайша ҚР-ның Батыс аймағындағы электр энергиясының тұтынылуы 2006
жылға 7, 19 млрд. кВт. сағ. құрады. Бұл 2000ж. деңгейден (4, 58 млрд. кВт*сағ. ),
яғни 57 % артық.
Батыс аймақ бойынша электр тұтынылу және электр жүктемесінің
болжамалы деңгейі төмендегі жайттарды ескеру арқылы анықталды:
1) Өндірістің дамуы: мұнай-газ және мұнай-химиялық кластерлердің
дамуы. Көмірқышқыл шикізатын тереңдей өңдеу бойынша инвестициялық
жобаларды жүзеге асыру және өсірілген құнмен мұнай-химиялық өнімдерді
шығару бойынша жоғары технологиялық өндірісті құру;
2) Темір жол желілерін дамыту: «ҚР-ның 2015 жылға дейінгі Көлік
стратегиясына» сәйкес (11. 04. 2006ж. №86 ҚР Президентінің Жарлығымен)
жаңа темір жол желісін тұрғызу бойынша ірі көліктік инфраструктуралық
жазбаларды жүзеге асыру қарастырылады: Батыс Қазақстан-Орталық
Қазақстан магистралі (Жезқазған-Сексеуіл және Шалқар-Бейнеу учаскесі),
маңғышлақ-Баутино және Ералы-Құрық учаскесі;
Темір жолдарды әрі қарай мордернизациялау үшін Мақат-Қандыағаш
және Хромтау-Алтынсарин учаскелерінің жүктелген темір жолдарын
электрификациялау бойынша шаралар өтеді.
3) Коммуналды-тұрмыстық тұтынушылар дамуы: Батыс аймақ бойынша
коммуналды-тұрмыстық электртұтынушының үдемелі мәліметі 1 адамға 366, 8
кВт*сағатты құрады, бұл 2000 жылмен салыстырғанда 8 % артық.
Батыс аймақ бойынша электр энергиясын тұтыну және электр
жүктемесінің болжамдық көрсеткішінің динамикасы 1. 5 кестеде көрсетілген.
1. 5 Кесте - Ақтөбе аймағы бойынша электртұтыну
жүктемелерінің перспективалық деңгейлері
14
және электр
Электр тұтынылуының анықталған деңгейіне және өндірілетін қуаттың
қабылданған дамуына сәйкес Батыс аймағының қуат телімі 2030 жылға
дейінгі аралықта артып келетін дефицитке (жетіспеушілік) негізделеді.
Облыс бойынша қуат жетіспеушілігінің жалпы мөлшері 2005-2006
жылдары 135-77 МВт көрсеткіштен 2030 жыл деңгейінде 1200-1500 МВт-қа
дейін артады. Ескере кетсек, бұл аймақтағы электрстанциялар газбен жұмыс
жасайды және де газдың құны жылма-жыл артып келеді. Сәйкесінше, бұл
электр энергиясы тарифының өсуіне және оның нарықтағы бәсекелестігіне
мүмкіндік болмауына әкеліп соғады. Аймақтың энергетикалық тәуелсіздігін
қамтамасыз ету үшін қуат өндіруші құрылымның өзгеруі жайында айту қажет.
1. 1 Сурет - 2030 жылға дейінгі Батыс аймақтағы электртұтыну мен электр
жүктемесінің динамикасы
15
![]()
1. 2 Сурет - 2030 жылға дейінгі Батыс аймақтағы қуат телімі
Батыс аймақтағы электрстанциялардағы қуат кірісінің көлемінің
есебімен орындалған жетіспеушіліктің болжамалы бағасы төмендегі кестеде
(1. 6) берілген.
1. 6 Кесте - Батыс аймақтың электр станцияларындағы қуат кірісінің
көлемі, МВт
Батыс аймақтың құрылғыларды техникалық
жетілдіру және модернизациялау бойынша күтілетін шаралар 114 МВт
көлемде қызметтегі электр станцияларындағы қуатты өсіруге мүмкіндік
береді, соның ішінде ЖЭО-75 МВт, ГТЭС-39 МВт. Бұл шаралар парктік
ресурстарды ұзарту үшін, пайдаланатын қуатын және электр энергия өндірісін
арттыруға мүмкіндік береді.
16
![]()
1. 3 Сурет - 2030 жылға дейінгі аралықтағы Батыс аймақтағы қуат
жетіспеушілігі
1. 7 Кесте - Ақтөбе облысы бойынша электр тұтынылуының және электр
жүктемесінің даму деңгейі
2011ж. Ақтөбе облысы бойынша электр энергиясы жетіспеушілігі 100
млн. кВт. сағатты құрады. 2030 жылдың деңгейінде электр энергиясы
жетіспеушілігінің күтілетін деңгейі 1-1, 5 млрд. сағ. құрайды. Ақтөбе
облысында электрстанцияларында техникалық жаңартылу және жаңа
қуаттарды енгізу бойынша шаралар электрэнергия жетіспеушілігін 150-200
млн. кВт. сағатқа төмендетуге мүмкіндік береді.
Құрылғыларды техникалық жаңартуды және «Ақтөбе ЖЭО» АҚ-на
қуатты енгізу мен жаңа қуаттарды енгізуді ескере отырып, барлық салалардың
жетілдірілген электр жүктемелерін жабу үшін қуат жетіспеушілігі 210-350
МВт құрауы мүмкін.
17
![]()
1. 8 Кесте - Ақтөбе облысының электр станцияларындағы қуат кірісінің
көлемі, МВт
Қуат телімін жетілдіруіне қатысты Ақтөбе энерготүйінінің қуат
жетіспеушілігі 2030ж. 400 МВт-қа жетуі мүмкін (станцияның қазіргі
жағдайындағы дамуында) .
Қуаттың қазіргі модернизациялануы мен жаңа
блоктардың енгізілуінің есебінен қуаттың өсуін және жаңа электр
станциялардың салынуын ескере отырып қуат жетіспеушілігі төмендейді
және 190 МВТ-ты құрайтын болады. Сонымен бірге, Ақтөбе облысы бойынша
келесі электрстанцияларының енгізілуі жоспарлануда: ГТЭС - 90 МВт; ГТЭС
Шалқар - 110 МВт; «Ақтобе ЖЭО» - 60 МВт.
Ақтөбе энерготүйінінің анықталған қуат жетіспеушілігін жабу үшін
төмендегі жақын орналасқан электрстанциялардан электр қуатын алу арқылы
жүзеге асырылады: 500 кВ Жетіқара-Өлке ЭБЖ мен Новотроицкая ҚС.
Ақтөбе облысы кернеуі 500 кВ «Өлке»ҚС мен қашықтатылған транзит
арқылы бірлескен. Сонымен қоса, Ресеймен жалғасқан желілер бар.
Қандыағашта қуаты 102 МВт ГТЭС-100 орналасқан.
Ақтөбе аймағы сенімді электрмен қамту сұлбасына ие.
Ақтөбе энерготүйінінің болжамалы қуат жетіспеушілігі, станциялардың
қазіргі даму жағдайын ескерсек, 2030 жылдың деңгейінде 350 МВт жетуі
мүмкін.
Ақтөбе энерготүйінінің қуатының болжамды жетіспеушілігін жабу
жақын жерде орналасқан электр станциялардан электр қуатын алумен жүзегег
асырылады.
Өлке - Атырау ӘЖ-нің құрылысын отындық құраушының жеткілікті
артуы кезінде Солтүстік аймақтың электрстанциясынан қуат берілісінің артуы
бойынша альтернативтік ретінде қарастыруға болады.
1)
«ҚТЖ ҰК» АҚ темір жолдарын электрлендіруді дамыту, «Мақат-
Қандағаш» электр дистанциясы үшін 220 кВ ӘЖ электр тораптарын тұрғызу
қарастырылуда;
2)
Ақтөбе аймағының электр тораптарының сенімділігін және
тұрақтылығын анықтау үшін АФЗ ТНК Казхром АҚ сыртқы электрмен қамту
сұлбасын нұсқалық есептемелерін жүргізу қажет.
18
2 АФЗ сыртқы электрмен қамту сұлбасының нұсқаларының есебі
2. 1 Электр тораптарының конфигурациясын құру және таңдау
Жаңа қосалқы станцияны қосу және жаңа әуе ЭБЖ-н тұрғызу үшін
тораптың 3 нұсқасын таңдаймыз. Нұсқаны мақсаттылық және жаңа
желілердің ұзындығын азайту жағдайында қарастырамыз.
АФЗ электрмен қамтамасыздандыру нұсқаларын таңдау кезінде 500 кВ
Өлке ҚС-нан, Орск, Новотроицк ҚС арқылы Ресей БЭЖ-нен, сонымен қатар
қызметтегі және қайта енгізілген «Батыс Транзит» АҚ 110-220 кВ ӘЖ-нен
жүктемені жабу ескерілді. АФЗ 110 кВ және 220 кВ ҚС тұрғызу нұсқасы және
110-220 кВ ӘЖ тұрғызу қарастырылды. Төменде ӘЖ-нің АФЗ ҚС-на қосылуы
мүмкін нұсқалары көрсетілген.
2. 1 Кесте - Сұлбалардағы нысандарды графикалық белгілеу
19
2. 1 Сурет - «KEGOC» АҚ Өлке ҚС қосылатын АФЗ сыртқы электрмен
қамтудың 1 нұсқасы
2. 2 Сурет - АФЗ ҚС электртораптық құрылғыларының «KEGOC» АҚ
электр тораптарына жалғаудың принципиалдық сұлбасы (Нұсқа 1) .
20
![]()
![]()
2. 3 Сурет - «Батыс Транзит» АҚ Ақжар-2 ҚС қосылатын АФЗ-ның
сыртқы электрмен қамту сұлбасының 2-нұсқасы
2. 4 Сурет - АФЗ ҚС электртораптық құрылғысының «Батыс Транзит»
АҚ электржелілік жабдығына принципиалды қосылу сұлбасы (Нұсқа 2) .
21
![]()
![]()
2. 1 және 2. 2 суреттерде 1 нұсқа және АФЗ сыртқы электрмен қамтудың
1-сұлбасы ұсынылған. АФЗ-ны электрмен қамту «KEGOC» АҚ 220 кВ торабы
бойынша жүзеге асырылады:
А) 220 кВ ҚС-ның, 220 кВ АТҚ құрылысы және 200 МВА-ден болатын 2
трансформатор, 10 кВ ЖТҚ орнату;
Б) Ұзақтығы 45 км болатын «KEGOC» АҚ «Өлке» 220 кВ ҚС-нан 220
кВ екітізбекті ӘЖ құрылысы.
2. 3 және 2. 4 суреттерде АФЗ электрмен қамтудың 2-нұсқасы және 2-
сұлбасы ұсынылған. АФЗ электрмен қамтылуы Ақжар-2 ҚС «Батыс Транзит»
АҚ 220 кВ торабы бойынша жүзегег асырылады.
А) АФЗ 220 кВ ҚС-ның, 220 кВ АТҚ құрылысы және 200 МВА 2
автотранформатор, 10 кВ ЖТҚ орнату;
Б) Ұзындығы 15 км болатын, АФЗ-Ақжар 2 220 кВ екітізбекті ӘЖ
құрылысы;
В) 220 кВ АТҚ-де 2 ұяшық орнату арқылы Ақжар-2 220 кВ ҚС-н
кеңейту.
2. 2 Қуатты таратуды алдын-ала есептеу
Бұл есептеменің алдын-ала деп аталуының себебі, ол желінің активті
және индуктивті кедергісінің мәні бойынша жүргізіледі:
Бұл мәндер төмендегіше қабылданады:
110 кВ желілер үшін: r0 = 0. 33 Ом/км,
x0 = 0. 4 Ом/км.
220 кВ желілер үшін: r0 = 0. 13 Ом/км,
x0 = 0. 4 Ом/км.
Тораптар учаскесінің кедергілерін есептеу (орташа мәні бойынша)
Есепті (3. 1) формуласы бойынша орындаймыз:
Z Ë =
l ⋅ ( r 0 + jx 0 )
n Ë
,
(2. 1)
мұндағы l - әуе ЭБЖ ұзындығы;
nЛ - ЭБЖ тізбектер саны;
r0 және x0 - желінің активті және индуктивті кедергісінің
орташа мәні.
Есептер бір типті болғандықтан, олардың нәтижелерін 2. 2 кестеге
енгіземіз.
22
2. 2 Кесте - Торап учаскелерінің есептеулер нәтижелері (2 нұсқа үшін)
2. 3 Тірек материалын таңдау
Есептелетін ЭБЖ номиналды кернеуі 110-220 кВ болғандықтан, 1 және
2 нұсқалар үшін екі тізбекті аралық темірбетонды тіректер қолданылады.
Темірбетонды тіректер жоғары механикалық беріктікке ие, ұзақмерзімді
қызмет атқарады және пайдалну кезінде көп шығынды қажет етпейді. Оларды
құруға кететін жұмыс шығыны, ағаш және металл тіректерге қарағанда
біршама төмен.
Темірбетонды тіректердің кемшілігі ауыр салмақтылығы. Бұл оны
тасымалдау үшін көліктік шығынның өсуіне әкеледі және құру мен
монтаждау кезінде үлкен жүккөтерімділікті крандардың қолданылуын қажет
етеді.
Темірбетонды тіректерде созылу кезінде негізгі күш болат арматураға,
сығылу кезінде-бетонға түседі. Болаттың және бетонның температуралық
созылу коэффициенті шамамен бірдей болады, темірбетонда температура
өзгерісі кезінде ішкі кернеулердің пайда болуын жояды.
Темірбетонның артықшылығы металл бөлігін коррозиядан берік қорғау
болса, кемшілігі онда жарықтардың пайда болуы.
а - 220 кВ ӘЖ үшін бір бағаналы біртізбекті тірек,
б - 220 кВ ӘЖ үшін бір бағаналы екітізбекті тірек.
2. 5 Сурет - Аралық темірбетон тіректер
23
![]()
2. 4 ӘЖ сымдарының қимасын таңдау
Сымдардың қимасын таңдаудың негізгі критерийлары келтірілетін
шығындардың минималдылығы болып табылады. Үлкен желілерді тұрғызуды
жобалау практикасында сымдардың
қимасын
таңдау, келтірілетін
техникалық - экономикалық есептер емес, нормаланатын көрсеткіштермен
жүзеге асырылады.
Жобалау кезінде бұл көрсеткіш ретінде ӘЖ құрылымының
унификациясы есебінде анықталатын, әртүрлі кернеудегі ӘЖ үшін әр сым
маркасының экономикалық тоқтық аралығы қолданылады.
Сымдардың қималары кернеуге, есептік тоқтық жүктемеге, аязды
аймақтарға, тіректердің материалы мен тізбектігіне бойынша анықталады.
Таңдалған сымның қимасы қызу бойынша жіберілетін тоқтық жүктеме
бойынша тексерілуі қажет:
Iр≤Iдоп ,
мұндағы Iр - есептеулі тоқ, А;
Iдоп - ұзақ жіберілетін тоқ, А.
Таңдау жасау үшін тораптың максималды жұмыс режимі кезіндегі ең
үлкен тоқты анықтау қажет. Сымдардың қимасын Iр желісінің есептік тоқтық
жүктемесі бойынша таңдаймыз. Ол мына формула бойынша анықталады:
I P =
S
n ⋅ 3 ⋅ U íîì
(2. 2)
мұндағы S - трансформаторлы қосалқы станцияның толық қуаты, МВА
n - тізбек саны
Uном - номиналды кернеу, кВ.
Қорытындыны кестелерге түсіреміз (2. 3 -2. 4)
2. 3 Кесте - 1 нұсқа үшін өткізгіштердің қимасының есебі
24
2. 4 Кесте - 2 нұсқа үшін өткізгіштердің қимасының есебі
2. 5 Трансформатордың қуаты мен санын анықтау
Трансформатордың санын анықтау қосалқы станциядан қоректенетін
тұтынушыларды сенімді электрмен қамту талаптарына байланысты және
техникалық-экономикалық мәселе болып табылады.
220 кВ және одан жоғары кернеулі қосалқы станцияларда
трансформаторлармен салыстырғанда бірқатар артықшылығы бар
автотрансформаторлар орнатылады (салмағы, құны және сол қуаттағы электр
энергиясының жойылуы аз) .
Жобалау практикасында барлық санатты қосалқы станцияларда, әдетте,
екі трансформаторды орнату қарастырылады.
Бір трансформаторлы қосалқы станцияларды төмендегі жағдайларда
қолданады:
-
екі трансформаторлы қосалқы станцияны құрудың алғашқы
сатысында үдемелі жүктеме артуы кезінде;
-
жинақталған жүктемелі түйінді қоректендіру үшін қосалқы
станцияны ұсақтау кезінде және ТК торабының, трансформаторлы қосалқы
станциялардың әрбіреуінің резервін қамту сұлбасы кезінде;
-
электрмен қамтуды үзіліспен жіберетін жауапсыз тұтынушыларды
зақымданған трансформаторды ауыстыруға қажет уақытта қоректендіру
үшін (мысалы, жерді суландыру үшін қолданылатын насостық станциялар) .
Трансформатордың саны мен қуатын таңдау
Таңдауды
төмендегі
2. 4
формула
және
2. 2
кесте
көмегімен
орындаймыз:
SТэк 7 =
30 2 + 14 2
1. 4
= 22. 856 (М М ВА)
Келесі 2. 5 кестеде жүктемелі түйіндегі
(автотрансформатордың) саны мен түрі берілген.
25
трансформатордың
2. 5 Кесте
-
Жүктемелі түйіндегі
трансформатордың
(автотрансформатордың) саны мен түрі
Жүктемелі түйінде
таңдалған трансформаторлардың
сипаттамасы 2. 6 кестеде
26
және
берілген.
2. 6 Кесте - 220 және 110 кВ үш фазалы екі орамды трансформаторлардың сипаттамасы
27
2. 6 Электрлік жалғанулардың сұлбасы
Дипломдық жобада электр торабының қосалқы станциялар сұлбасы
оңтайландырылып таңдалады. Алдын -ала құрылған әр желінің номиналды
кернеуі көрсетілген тораптың конфигурациясы және қосалқы станциялардың
типтерін, олардың қосылу сұлбасын орнатуға мүмкіндік береді және бұл
негізде жобаланушы тораптың электрлі қосылудың толық сұлбасын
дайындауға мүмкіндік береді.
Дипломдық жобаның орындалуы кезінде шартты түрде жобаланатын
желі құрама шинаның екі жүйесі мен шина жалғанған және айналма
айырғыштары бар 110 - 220 кВ қорек көзінің таратқыш құрылғыларына
жалғанады деп қабылданды.
Қосылу
мүмкіндігі бойынша қосалқы станциялар төмендегіше
жіктеледі:
а) радиалды желінің соңында қосылатын тупиктік ҚС;
б) өтпелі желінің қиылымына қосылатын транзиттік ҚС;
в) бір немесе екі өтпелі желіге қосылатыг тармақталған ҚС.
Қосалқы станцияның сұлбасын таңдау кезінде «n» желінің және
трансформатордың қосылу санын, сенімділік талабы мен пайдалану
ыңғайлылылығын ескеру қажет.
Осы негізде техникалық-экономикалық есептеулер жүргізу үшін
таңдалған нұсқалардың электрлік қосылу сұлбасу құру керек.
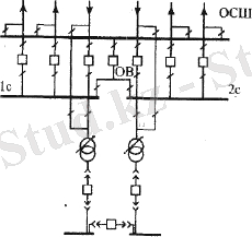
2. 6 Сурет - n= 6 кезіндегі 220 кВ өтпелі қосалқы станциясының сұлбасы
31
![]()
3 Нұсқалардың техникалық-экономикалық салыстырылымы
Техникалық-экономикалық есептемелердің мақсаты жобаланушы
тораптың оңтайлы нұсқасын таңдау болып табылады.
Есептер үшін келесі нормаларды енгіземіз:
- нұсқалар сенімділігі бойынша бірдей деп қабылданады;
- желілік капитал салымы бір мезгілдік, ал жылдық шығындар-тұрақты
деп қабылданады.
Бұл жағдайда нұсқалардың бағалануы есептеулі шығындар бойынша
жүргізіледі және төмендегі формула бойынша анықталады:
Зi = EH ⋅ ki + И ai + И эi ,
мұндағы i - салыстырылатын нұсқалар нөмірі;
(3. 1)
ЕН
-
капитал салымының тиімділігінің нормативтік
коэффициенті, 0. 17 тең;
к - желі нысандарының капиталдық салымы;
Иа - электр желісіне амортизациялау, жөндеу және қызмет
көрсетуге арналған толық жылдық салымдар;
Иэ - желідегі электр энергиясының жойылуын жабуға кететін
шығындар.
Электр желісіне амортизациялау, жөндеу және қызмет көрсетуге
арналған толық шығындар төмендегі теңдеу арқылы анықталуы мүмкін:
И а = ∑ Pj ⋅ k j ,
(3. 2)
мұндағы kj - тораптың j элементінің капиталдық салымы;
Рj - j элементінің амортизациялық шығындарының нормасы.
Әр
нұсқа үшін электр энергиясын компенсациялауға
(жабуға)
жұмсалатын шығындар (3. 3) жормуласы бойынша анықталады:
′ ″
(3. 3)
мұндағы Δp’ - жүктемеге тәуеліді, айнымалы қуат шығыны;
Δp” - жүктемеге тәуелсіз тұрақты қуат шығыны;
З’ и З” - сәйкесінше айнымалы және тұрақты шығындарды
жабуға (компенсациялауға)
шығындар;
32
қажет меншікті
τ и τ”
- сәйкесінше қуаттың айнымалы және тұрақты
шығындары үшін шығындалатын уақыт- 8760 (τ
-
қисықтық бойынша қабылданады,
τ”
-
құрылғы - жабдықтың жұмыс істеу уақыты) .
Келтірілген теңдеулер бойынша әр салыстырылатын нұсқалардың
есептік шығындарын анықтаймыз. Экономикалық көрсеткіштер бойынша
оңтайлы нұсқа ретінде төмендегі шығындармен сипатталатын нұсқа болып
табылады.
Салыстыру үшін, әдістемелік нұсқауларда келтірілген құнының
біріктірілген көрсеткіштері арқылы анықталатын электр тораптары мен
қосалқы станциялардың құрылысына қажет капитал салымын есептеу қажет.
3. 1 Ақтөбе ферроқорытпа зауытын электрмен
қамтудың
... жалғасы- Іс жүргізу
- Автоматтандыру, Техника
- Алғашқы әскери дайындық
- Астрономия
- Ауыл шаруашылығы
- Банк ісі
- Бизнесті бағалау
- Биология
- Бухгалтерлік іс
- Валеология
- Ветеринария
- География
- Геология, Геофизика, Геодезия
- Дін
- Ет, сүт, шарап өнімдері
- Жалпы тарих
- Жер кадастрі, Жылжымайтын мүлік
- Журналистика
- Информатика
- Кеден ісі
- Маркетинг
- Математика, Геометрия
- Медицина
- Мемлекеттік басқару
- Менеджмент
- Мұнай, Газ
- Мұрағат ісі
- Мәдениеттану
- ОБЖ (Основы безопасности жизнедеятельности)
- Педагогика
- Полиграфия
- Психология
- Салық
- Саясаттану
- Сақтандыру
- Сертификаттау, стандарттау
- Социология, Демография
- Спорт
- Статистика
- Тілтану, Филология
- Тарихи тұлғалар
- Тау-кен ісі
- Транспорт
- Туризм
- Физика
- Философия
- Халықаралық қатынастар
- Химия
- Экология, Қоршаған ортаны қорғау
- Экономика
- Экономикалық география
- Электротехника
- Қазақстан тарихы
- Қаржы
- Құрылыс
- Құқық, Криминалистика
- Әдебиет
- Өнер, музыка
- Өнеркәсіп, Өндіріс
Қазақ тілінде жазылған рефераттар, курстық жұмыстар, дипломдық жұмыстар бойынша біздің қор #1 болып табылады.

Ақпарат
Қосымша
Email: info@stud.kz