Үйлерге TSS-201 контроллерін қолдану арқылы қорғау жүйесі


1
![]()
2
![]()
3
![]()
4
![]()
АҢДАТПА
Дипломдық жобада тұрғын үйлерге TSS-201 контроллерін қолдану
арқылы қорғау жүйесі құрылды.
Сондай-ақ, жобада құрылым жүктемесін ескере отырып түйін
ұрықсатынын өнімділігі есептелді.
ОБЖ бөлімшесінде желіні монтаж жасау кезіндегі қауіпті және зиянды
факторлерге байланысты талдау, желінің эксплуатация кезіндегі өңдірістік
қауіпсіздігі және төтенше жағдай кезіндегі электромагниттік өрісті күйге
келтіру сурақтары қарастырылды.
Экономикалық бөлімшеде TSS-201 котроллерін қолдануымен жобаның
тиімділігі есептелді.
АННОТАЦИЯ
В дипломном проекте производится построение охранной сети для жилых
домов с использованием контроллера серии TSS - 201. Задача сети -
максимально обезопасить жителей домов.
А также в проекте были рассчитаны производительности узла доступа с
учётом структуры нагрузки.
В разделе БЖД рассматриваются вопросы экологии - анализ опасных и
вредных факторов при монтаже сети, Производственная безопасность
эксплуатация сети, источники электромагнитных полей при настройке
чрезвычайные ситуации - молния, защита зданий.
В экономической части был рассчитан рентабельность проекта с
использованием контроллера TSS-201
ABSTRACT
In the thesis project builds the security network for homes using controller series
TSS - 201. Task network - best protect residents homes.
And also in the project were calculated performance of the access point with the
structure load .
Under BC discusses environmental issues - Analysis of dangerous and harmful
factors when installing network Operational safety network operation, sources of
electromagnetic fields in the emergency setting - lightning protection of buildings .
In the economic profitability of the project was calculated using the TSS - 201
controller
5
МАЗМҰНЫ
Кіріспе
1 Теориялық бөлім
1. 1 Желіні таңдау
1. 2 Жобаның мақсаты мен міндеттері
1. 3 Күзет дабылдамасы үшін бақылаушыны тағайындау және оның
ерекшеліктері
1. 4 Бақылаушы адресі
1. 5 Жүйенің құрылымы мен құрылғысы
1. 6 TSS - 2000 жетімді бақылау және басқарудың желілік жүйесі
1. 7 TSS - 201 сериялы бақылаушылардың маркалануы мен типтері
1. 8 TSS - 201 сериялы бақылаушысы негізінде жүйені жобалау
1. 9 Шлюз құрылғысы мен сұлбасы
1. 10 Құрылғыны монтаждау және қосу
1. 11 Жүйенің құрылымы
2 Есептеу бөлімі
2. 1 Сөзді таратудағы кідірісті есептеу
2. 2 Әр түрлі қызмет түрлерін қолданатын абоненттерден түсетін
жүктеменің құрылымын ескере отырып, қол жетімді түйіннің
өнімділігін анықтау
2. 3 Өткізу жолағын есептеу
3 Өміртіршілік қауіпсіздігі
3. 1 Кеңседегі еңбек шартын талдауы
3. 2 Кеңседегі микроклиматты бағалау
3. 3 Кондиционерлеу жүйесін есептеу
4 Ғылыми зертеулер бар негіз
4. 1 Жұмыстың мақсаты
4. 2 Еңбек сыйымдылығын есептеу
4. 3 Жасалынған жұмыстың бағасын есептеу
4. 4 Интеллектуалды еңбек бағасы
Қорытынды
Әдебиеттер тізімі
6
7
8
8
8
9
9
10
12
16
17
20
22
22
26
26
27
34
43
43
44
47
52
52
52
55
60
62
63
КІРІСПЕ
Заманауй әлемде телекоммуникациялық желілер қарқынды дамуда.
Жалпы қолданудағы телефондық желі және қозғалмалы объектілерімен
байланыс желісімен қатар деректерді табыстау оның
құрамындағыларының бірі болып табылады. Бүгінгі күнде олардың дамып
жатқан басымдардын бірі болып саналады, өйткені жаңа ұрпақтағы
желілердің дамуы коммутациялық арналардан коммутикациялық
пакеттерде ауысып жатыр.
Заманауй әлемде қауіпсіздікті қамтамасыз ету мәселесі соңғы
жылдарда террористтік акт, тонау және криминалды жағдайлардың
жиілеуі өзектілердің бірі болып табылады. Мұндай жағдайларда адамның
өзін және оның мүлкінің қауіпсіздігін қамтамасыз ету қажеттілігі туады.
Қоғамды қорғау және оның мүлкінің қауіпсіздігімен байланысты
мәселелерге жаңаша қарау керектігі белгілі. Жаңа көзқарас қоғамға да,
мемлекетке де, сонымен қатар өзінің кәсіптік қимылында тонау және
қоғамдық қауіпсіз сферасында құқық бұзумен үнемі қақтығысатын құқық
қорғаушы органдарға, қадағалаушы органдарға қажетті.
Қазіргі кезде күзет-сигнализациялық жүйелер қарқынды сапалық
және сандық даму кезеңін бастан кешіруде. Ол ақпаратты сымсыз тарату
және үлестіру әдістерін енгізгу жолымен жүріп жатыр. Бұл дипломдық
жұмыс TSS-201 бақылаушысын қолданумен тұрғын үйлерде күзет
дабылдамасы орнату туралы.
TSS-сериялық рұсқатты басқару бақылаушылары бағдарламалық-
аппараттық кешеннің құрамында (компьютердің басқаруымен), автономды
(компьютермен байланыссыз) және жартылай автономды режимде
(бақылаушыдан компьютерге деректерді бір жақты жіберуде)
функциялануы мүмкін. Рұқсат шектеулері рұқсатқа тыйымның белгіленген
уақыт итервалдарын қоса отырып, кешенді, автономды жін жартылай
автономды рұқсаттарды басқарғанда ескеріледі.
Дипломдық жұмыстың мысалында «Премьера» тұрғын үй кешені
алынды және TSS-201 бақылаушысын қолданумен күзет сигнализациясы
толық жабдықталды.
7
1. 1 Желіні талдау
Дипломдық жобадағы мысалда бір желіні қарастыру және осы желі
үшін қажетті құрылғыны таңдау қажет. Осындай желінің негізгі
құндылықтары қауіпсіздік сапасы, құрылғының қолайлылығы және TSS -
201 бақылаушысын қолдану болып табылады.
Осы желіні Алматы қаласындағы Қалқаман 2 ықшамауданында
орналасқан «Премьера» түрғын үй кешеніне орнату оспарлануда. Тұрғын
үй кешені 2013 жылда құрылған, қазір онда шамамен 16 үй бар. Осы
үйлердің әрқайсысында 16 қабат және 48 пәтер бар. Міндет барлық
тұрғындарды қауіпсіздендіру және мұны ең заманауи және тиімді әдіспен
жүзеге асыру болды.
Желіні құру үшін пәтерлердің санын анықтау, абоненттерден түсетін
жүктеме құрылымын есепке ала отырып, рұқсат торабының өнімділігін
есептеу және пакеттер санып анықтау қажет. Сонымен қатар жобаланып
жатқан желіге құрылғы таңдау және оның тораптардан бірінде орналасуын
қарастыру қажет. Бақылаушыны комьютермен байланыстыратын
транспорттық желіні жобалау және оның негізгі сипаттамалар есептеу
қажет.
1. 2. Жобаның мақсаты мен міндеттері
Осы жұмыстың мақсаты күзет сигнализациясын қолдана отырып, үй
тұрғындарының қауіпсіздігін қамтамасыз ету болып табылады.
Жобаның міндеті TSS-201 сериялы бақылаушыны қолданумен күзет
сигнализациясын орнату және қауіпсіздік максимальді қорғауымен желіні
жобалау болып табылады. Қосымша өзара әсерлесу қажет.
Осы желіні іске асыру үшін маған қажет болады:
-
-
бақылаушыны таңдау
күзет пунктінде домофондардың орнына турникеттерді орнату,
бұл ең қауіпсіз болып табылады,
-
видео бақылау камераларын орнату, менде турникеттер
орнатылғандықтан, әр турникеттің шолуына 3 камерадан орнатамын,
біреуі жоғарыдан, екеуі бүйірінен,
-
әрбір
пәтер және күзет пунктіне видеосигналдарды
трансляциялау үшін таратқыштардың комплектін анықтау,
8
-
әрбір турникеттен «аңду және бақылау» орталық пунктіне
ақпаратты жіберуді қамтамасыз ету.
1. 3 Күзет дабылдамасы үшін бақылаушыны тағайындау және
оның ерекшеліктері
Бақылаушы әртүрлі қалыпты жабдықталған және қалыпты тоқсыз
электр механизмдермен және атқарушы құрлғылармен компьютердің
көмегімен дистанциялық автоматты, қол және автоматтандырылған
басқаруға арналған.
Атқарушы құрылғыларды басқару және бақылау үшін релелік
бақылаушыда тетіктерге қосылатын 8 релелік кіріс және 8 сенсорлық кіріс
болады. Жүйеде релелік және сенсорлық шығыс бақылауын анықтау үшін
олар 8 бортқа біріктірілген (бір портқа бір релелік кіріс және бір сенсорлық
кіріспен) . Әр порттың өзіндік нөмірі болады - №1 ден 8 ге дейін. Порттар
клеммасының нөмірленуі мен маркалануы 1-суреттегі нұсқамада, сонымен
қатар бақылаушының төлқұжатында көрсетілген.
Басқарушы компьютерге орнатылған қолданушы
немесе
бағдарламалық жасақтама мыналарды жасай алады:
1. Бақылаушының таңдалған релесін белгіленген уақытта қосу
немесе өшіру (бақылаушының релелік шығысына қосылған атқарушы
құрылғылармен басқару) ;
2. Бақылаушының сенсорлық кірісіне қосылған тетіктердің іске
қосылу (жағдайының өзгеру) уақытын фиксациялау.
Стандартты модификация бақылаушыларында басқарушы
компьютермен байланыс болмағанда құрылғыларды басқару және
тетіктерді бақылау жүзеге асырылмайды.
Сонымен қатар, басқару бақылаушысы мен TSS маркалы
сигнализациясын релелік бақылаушының айырмашылығы онда басқаруш
компьютермен байланыс болмаған жағдайда оқиғалар туралы ақпарат
сақталуы мүмкін оқиғалар жадының болмауын атап айту қажет.
1. 4 Бақылаушы адресі
Әрбір релелік бақылаушының екі мәнді сан түрінде өзіндік
анықтауышы - адресі болады. Адрестің көмегімен бақылаушылардың
әрқайсысы анқталады. Бақылаушының адресі өндіріс процесінде, оның
9
ТСҚ микросхемасын бағдарламаландырғанда тағайындалады, және осы
микросхемадаңы жапсырмада (1-сурет), сонымен қатар төлқұжатта және
бақылаушы корпусындағы этикеткаларда көрсетіледі.
Бір жүйедегі бақылаушылардың әрқайсысының адресі бірегей болуы
қажет.
Жүйеде біруақытта екі немесе одан артық бір адресті
бақылаушылар болуы мүмкін емес. Мысалы, 47 адресті екі бақылаушы.
Бақылаушының адресін өзгерту не қайта бағдарламаландырумен, не
болмаса бақылаушының ба ТСҚ микросхемасын ауыстырумен жүзеге
асырылуы мүмкін.
1-сурет - Бақылаушы платасы. Атқарушы құрылғылар мен тетіктерді
қосу схемасы
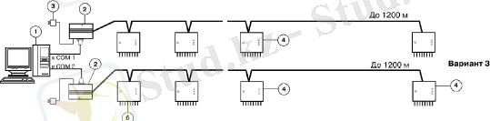
1. 5 Жүйенің құрылымы мен құрылғысы
TSS-201 сериялы сигналдық бақылау қолданылатын жүйелердің
типтік схемасы 2-суретте көрсетілген (бақылаушылар басқару
компьютеріне (бақылаушы серверге) RS-422-бақылаушы шинасы кабелінің
көмегімен қосылады) .
Жүйе құрылғысын монтаждау және қосуды тетіктерді және жүйенің
бақылаушыларын орнату орнын анықтаудан басталады. Бұл ұзындыққа бір
қатар шектеулер және бақылаушыларды компьютерге қосуға арналған
байланыс желілері функциялануының шарттарымен, сонымен қатар
тетіктерді қосу ұзындығы мен бір бақылаушымен бақыланатын аймақтар
санына шектеклермен байланысты («Тетіктердің бақылаушыларға
адрестелуі мен қосылу» бөлімін қараңыз) . Сонымен қтара компьютердің
бір тізбекті портына бір уақытта қосылатын бақылаушылар санына
10
![]()
шектеуді де ескеру қажет - бір СОМ-портына 20 бақылаушыдан артық
емес.
Жүйеде бір уақытта TSS-201-дің кез келген бақылаушысы
(рұқсатымен басқару бақылаушылары мен сигналдық бақылаушылар),
сонымен қатар TSS-209, TSS-207, TSS-201, TSS-Office сериялы рұқсаттық
басқару бақылаушысы және TSS сериялы сигнализация бақылаушысы
қолданылуы мүмкін.
1. 2-сурет TSS-201 сериялы сигналдық бақылаушысы бар қауіпсіздік
жүйесінің схемасы
11
![]()
![]()
![]()
1. Жүйе сервері (ЖББЖ сервері), ЖББЖ басқару.
2. Интерфейстік модульдің қуат көзі.
3. TSS-201 сериялы жетімді басқару бақылаушысы.
4. Бақылаушлар шинасы. «Еспе жұп» типті сегіз сымды кабель.
5. Өткізу пункттерінің құрылғыларына кабельдер.
6. Репитер.
7. Қуат көзі.
8. TSS-Ethernet интерфейстік модулі.
9. Жергілікті желі коммутацияларының элементтері (хаб, свич) .
12
![]()
![]()
![]()
![]()
1. 3-сурет Бақылаушының құрылымдық схемасының нұсқалары
1. 7 TSS-2000 жетімді бақылау және басқарудың желілік жүйесі
Жетімді бақылаудың компьютерлік (желілік) жүйесі - TSS-2000
жүйесі
-
жүйе мониторингінің компьютерімен басқарылатын
бағдарламалы-аппараттық кешеннен тұрады. Мұндай жүйе кешенді
режимде де (компьютердің басқаруымен), компьютерлердің автономды
режимінде де - мысалы, басқару компьютерімен байланысты жоғалтқан
жағдайда өткелдің бақыланатын пункттері арқылы кіріс пен шығысты
реттеуге қабілетті.
TSS-2000 жетімді басқару және бақылаудың компьютерлік жүйесінің
негізі TSS-201- . . . W (әрі қарай желілік бақылаушылар) сериялы қарапайым
бақылаушылар болып табылады.
TSS-2000 жетімді басқару және бақылаудың компьютерлік жүйесінің
құрамына мониторинг компьютерінен басқа сонымен бірге жергілікті
компьютерлік желіге жалғанған бірнеше қосымша компьютерлер кіруі
мүмкін. Мұндай жағдайда TSS-2000 жүйесі жетімді басқару және
бақылаудың желілік жүйесіне айналады.
Жүйеге қосымша компьютерлерді қосу қажеттілігі белгілі бір тайыз
функцияларды атқаратын операторар үшін бірнеше жұмыс орнын құру
қажеттілігінде туындайды.
1. 7. 1 «Компьютер - бақылаушы» байланыс желісі
TSS-201-…W типті желілік бақылаушылар компьютерін қолданумен
жетімді басқару және бақылау жүйелерінде бақылаушыларды
бағдарламалау үшін қызмет ететін мониторинг компьютеріндегі немесе
компьютердегі тізбекті портқа (СОМ1-СОМn) қосылады.
Компьютерге автономды бақылаушыны және бір бақылаушымен
компьютерлік жүйелерді қосу үшін бақылаушының коммутациялық
порттарынан екеуінен бірі - RS-232 немесе RS-422 қолданылуы мүмкін.
Әрі:
13
«Компьютер-бақылаушы» желінің ұзындығы 12 метрден асып кетсе,
бақылаушыны қосу тоқ өткізуші желілердің диаметрі 0, 5 мм ден аспайтын
бесінші санатты «еспелі жұп» (UTP - Unshilded Twisted Pair) типті алты
немесе сегіз сымды экрандалмаған кабельдің көмегімен жүзеге асады. Осы
кабельдің бір ұшы RS-422 бақылаушы коммутациялық порт клеммасына,
екінші ұшына - BIT-4. 3 модульдің сәйкес клеммасына қосылады (1. 4-
сурет) . BIT-4. 3 модулін «Семь печатей ТСС» компаниясы шығарады және
компьютердің СОМ-порты және бақылаушының коммутациялық
портының интерфейстерінің үйлесімділігі үшін қызмет атқарады.
«BIT-4. 3 бақылаушы-модуль» UTP-кабелінің ұзындығы 1200
метрден аспауы тиіс. ВІТ-4. 3 интерфейстік модулін СОМ-портына қосу 12
метрден аспайтын кабельдің (арнайы, «белдік» типті немесе стандартты)
көмегімен жүзеге асырылады.
Бірнеше
бақылаушылармен TSS-2000 желілік (компьютерлік)
жүйесінде оларды мониторинг компьютерінің СОМ-портына қосу да
диаметрі 0, 5 мм ден аспайтын бесінші санатты «еспелі жұп» (UTP) типті
алты немесе сегіз сымды экрандалмаған кабельдің көмегімен жүзеге асады.
Мұндай жүйеде бұл кабель жалпы шина қызметін атқарады - TSS-201
сериялы бақылаушылар өздерінің RS-422 коммуникациялық порттарының
көмегімен шинаға параллельді қосылады. Бақылаушылардың
коммутациялық порттары (RS-422) мен компьютердің тізбекті порты (RS-
232) интерфейстерінің қиысуы үшін ВІТ-4. 3 интерфейстік модулі
қолданылады. Бір бақылаушысы бар жүйелердегі секілді, «ВІТ-4. 3 -
компьютердің СОМ порты» кабелінің ұзындығы 12 метрден аспауы қажет.
Бақылаушылар шинасының жалпы ұзындығы (ВІТ-4. 3 модулінен
бақылаушылардан ең алыстатылғанына дейін) 1 200 метрден аспайы
қажет.
Егер шинаның ұзындығы көрсетілген ұзындықтан асатын болса,
«Семь Печатей ТСС» компания шығаратын ВІТ-4. 4 репитер-күшейткішті
қолдануға болады. Бақылаушылар шинасы сегментінің ұзындығы екі
репитер арасында 1 200 метрден аспауы қажет. Мысалы, бір репитерді
қолданғанда «компьютер-бақылаушылар» байланыс желісінің ұзындығын
2400 метрге дейін, екі репитерді қолданғанда - 3600 метрге дейін және т. б.
ұзартуы мүмкін.
14
1. 4-сурет Компьютердің ВІТ-4. 3 модуліне қосылуы
1. 7. 2 Өткел пункттерінің типі және құрылғысы
Есіктердің (өткел пункті) немесе қолданылатын құрылғының түріне
қатыссыз, жүйемен бақыланатын өткел пункттерінің барлығын екі типке
бөлуге болады:
1-тип: Бір ридерлік есік (өткел пункті)
Бір ридерлі есік құрылғысының стандартты жинағының құрамына
мыналар кіреді:
1. Бір есептеуіш (ридер) немесе кодты енгізетін басқа құрылғы
(мекемеге кіретін жерге орнатылады) ;
2. Атқарушы (бөгеттейтін) құрылғы (электр құлып, ысырма,
турникет немесе шлагбаум . . . ) ;
3. Есік жағдайының қалыпты тұйықталған тетігі (өткел пункті) ;
4. Шығыстың қалыпты ашылған түймесі (RTE түймесі) ;
5. Есік апарғышы (бір және екі қақпақты есіктер үшін) .
Өткелдің бір ридерлік пункттері адамдардың мекемеге (аймаққа)
кіруін бақылау үшін қызмет етеді. Кіріс мекеменің сыртына орнатылған
ридермен идентификатор коды (карточка, салпыншақ) қабылданғаннан
кейін ашылады. Кодты санағаннан кейін өтуге рұқсат немесе тыйым салу
туралы шешім бағдарамалық жасақтаманың көмегімен белгіленген
жетімділік шектеулері негізінде жүйемен қабылданады. Мұнда жүйе
уақыт, мерзім, өткел пунктінің атауы, оқиға сипаты және ұсынылған
идентификатердың кодын (иесінің аты-жөні) көрсетумен рұқсат алу
оқиғасын фиксациялайды. Бір ридерлі есік арқылы мекемеден шығу
әрқашан мүмккін - шығыс түймесін басқаннан кейін (RTE түймесі) .
Шығуда жүйе тек есіктің жағдайын ғана (ашық немесе жабық) тіркейді.
15
![]()
Тетіктің байланыстарын
ажырату
жүйеге
есіктің
ашық
тұрғанын
сигнализациялайды.
2-тип: Екі ридерлі есік (өткел пункті)
Екі ридерлі құрылғының стандартты жинағының құрамына мыналар
кіреді:
1. Екі есептеуіш (ридер) немесе идентификациялық кодты енгізетін
құрылғы (біреуі - мекеменің кірісінде, екіншісы - шығысында) ;
2. Атқарушы (бөгеттейтін) құрылғы (электр құлып, ысырма,
турникет немесе шлагбаум . . . ) ;
3. Есік жағдайының қалыпты тұйықталған тетігі (өткел пункті) ;
4. Есік апарғышы (бір және екі қақпақты есіктер үшін) .
Екі ридерлі есіктер мекемдеге адамдардың кіруін және шығуын
бақылау үшін қызмет етеді. Мекемеге кіріс те, шығыс та тек сәйкес
ридерге персональді индентификаторды көрсеткеннен кейін ғана жүзеге
асырылады. Мұнда жүйе идентификатордың иесіне белгіленген жетімділік
шектеулерін ескереді және уақыт, мерзім, өткел пунктінің атауы, оқиға
сипаты және ұсынылған идентификатордың кодын (иесінің аты-жөні)
көрсету оқиғасын фиксациялайды.
1. 5-сурет - Ридерлік өткел пункттерінің түрлері
1. 7. 3 Бақылау есептеуіші
Компьютерді басқару және бақылау жүйелерінде басқа
құрылғылардың арасында бақуылау есептеуіші деп аталатын түрі бар.
16
![]()
Ол деректер қорына идентификаторларддың кодын ыңғайлы және
жылдам енгізуге қызмет етеді, мысалы, жаңа немесе жоғалтылған
идентификаторды ауыстырғанда. Бақылау есептеуіші, ережеге сай,
рұқсатнама Бюросы операторының немесе жүйе администраторының
жұмыс орнына орнатылады. Жүйеде бақылау есептеуіштерінің саны
шектелмеген - олар кез келген бақылаушыға қосылуы мүмкін. Бақылау
есептеуішінің бақылаушыға қосылуы өткел пунктінің есептеуіштерінің
аналогты қосылуымен жүзеге асырылады. Шынында - бұл қарапайым
есептеуіш, оның қызметі жүйенің бағдарламалық жасақтамасымен қатаң
анықталған. Қажет болғанда бақылау есептеуішінің орнына, бақылаушыға
тағы бір бірридерлі есік құрылғысының комплектін қосуға болады.
1. 8 TSS-201 сериялы бақылаушылардың маркалануы мен
типтері
Суреттелген басқару және бақылаудың желілік, компьютерлік және
автономды жүйелерінде қолданылатын TSS-201-…W типті барлық
бақылаушылар TSS-201 сериялы бақылаушыларға жатады. Осы серияға,
қазіргі кезде, алты негізгі типті бақылаушылар кіреді: TSS-201-2I, TSS-
201-2W, TSS-201-4I, TSS-201-4W, TSS-201-8I, TSS-201-8W.
Жоғарыда аталған бақылаушылар түрінің бір бөлігі құрылымдық
ерекшелігі (корпусының құрылымы, комплектацияссы) және
тағайындалуымен (желілік және автономды) ерекшеленетін бірқатар
модификацияға ие. Алайда, жалпы алғанда, бір түрдегі (W немесе Т)
автономды және желілік бақылаушылар электроникасының архитектурасы
толық бірдей. Бір түрдегі автономды және желілік бақылаушылардың
негізгі айырмашылығы олардың ТСҚ функцияланудың әртүрлі
бағдарламаларда жазылғанында. ТСҚ ны әртүрлі бағдарламалармен
орнатып, сіз, кез келген сәтте, автономды бақылаушыны желілік немесе
керісіншеге ауыстыра аласыз.
TSS-201, бақылаушыларының маркалануында мыналар көрсетіледі:
1. Бақылаушының сериясы (TSS-201) ;
2. Бақылаушыда бар өткел пункттерінің құрылғысын (есептеуіштер,
атқарушы құрылғылар, тетіктер мен түймелер) қосу үшін порттардыңң
саны (2, 4 немесе 8) ;
3. Қосылатын есептеуәштердің немесе кодты енгізудің басқа
құрылғыларының (W немесе І индексі) түрлері (интерфейс) ;
4. Баықлаушының атқаруы (әмбебап немесе автономды) және оның
корпусының типі туралы сөйлейтін көмекші индекстер («TSS-201 . . . W
типті бақылаушылардың құрылысы» бөлімін қараңыз) .
17
Сондай-ақ:
-
TSS-201 сериялы әмбебап және автономды бақылаушылардың
базалық атқарымы қуат алу блогімен металл корпустарға салынады және 7;
6, 5 немесе 1, 2 А*сағ ревервтік аккумуляторлармен комплектке салынады.
-
TSS-201-2T немесе TSS-201-2W типті әмбебап және автономды
бақылаушылардың арнайы атқарымы қуат алу блогынсыз және резервтік
аккумуляторсыз өткел пункті құрылғыларын қосу үшін ашық
клеммалармен кішігірім пласмас корпустарға салынады. Осындай
бақылаушылардың маркалануында р қосымша индексі болады (р - plastic
(ағылш. ) ) .
1. 6-сурет TSS - 201 сериялы бақылаушы
1. 9 TSS-201 сериялы бақылаушы негізінде жүйені жобалау
Дипломдық жобада мен үй тұрғындарын ұрылардан қорау, жалпы
алғанда тұрғындарды 100% қорғау үшін күзет сигнализациясын орнату
қажет деп «Премьера» түрғын үй кешенін таңдадым.
Құрылғысы бар мекемелерге талаптар қоршаған орта параметлеріне
және
нормативтің құжаттарына аппаратурының төлқұжаттық
талаптарымен анықталады.
18
![]()
Жобаланып жатқан құрылғының құрамы байланысты ұйымдастыру
сехмасына сай анықталды.
Жобаланып жатқан құрылғының құрамында:
-
-
-
-
-
Турникет - 3 дана;
TSS-201 сериялы бақылаушы - 3 дана;
ВІТ-4. 3 модулі - 1 дана;
Концентратор (HUB) - 1 дана;
Мониторинг компьютері - 3 дана.
TSS-201 құрылғысын орналастыру
жоспары
«Орналастыру
жоспары» сызбасында келтірілген.
1. 7-сурет Бақылаушылар мен турникеттерді орналастыру жоспары
Базалық атқарымды TSS-201 сериялы бақылаушылар (1. 8-сурет) қуат
алу блоктарымен металл корпустарда шығарылады. TSS-201-2 (W және Т)
типті бақылаушылар өткел пункттері құрылыларын қосу үшін ашық
клеммалармен қуат алу блоктарынсыз және сыртқы қуат алу блогын қосу
үшін кірісімен (12 В (тұрақты тоқ) ) ықшам пласмасса корпустарға
салынуы мүмкін. Соңғы жағдайда бақылаушы типінің маркалануында р
индексі қатысады (мысалы, TSS-201-2W/p) .
19
![]()
1. 8-сурет TSS-201 бақылаушысы
Жобада объектілерде бар инфрақұрылымдарды (желдету, жылумен
қамтамасыз ету, сумен қамтамасыз ету, кәріз жүйесі, элекр жарықтандыру
және электр қуаттарының алғашқы көздерін) қолдану қарастырылады.
Деректерді тарату желісінің құрылғысына қызмет ету электр
қауіпсіздік тобының ІІІ тен кем емесіне ие тұлғаларға рұқсат етіледі.
Оптикалық және түйістіргі құрылғыларының патч-кордтарының бос
ұштары арнайы қорғаныс бұқтырмаларымен жабылуы тиіс.
Тасымалды өлшеуіш құралдарды пайдаланғанда 9 ПОТ РО 45-007-96
бөлімінде жазылған қауіпсіздік талаптарын бұзбау керек.
Электр монтаждық жұмыстарда туындайтын қауіпті және зиянды
өндірістік факторлардың әсерін болдырмау немесе азайту үшін
қолданылатын құралдар ГОСТ 12. 4. 011-89 ға сай болуы қажет.
Монтаждау кезінде өткелдерге материалдарды, қолданылмайтын
құрылғыларды үйіп тастауға рұқсат етімлейді.
Тасымалды құралдармен өлшеумен байланысты барлық жұмыстарды
кем дегенде екі адамнан тұратын, олардың біреуі электр қауіпсіздіктің ІІІ
төмен емес тобына жататын бригадамен орындалуы қажет.
20
![]()
Өлшеуіш
құралдардың металл корпустары ГОСТ 12. 2. 007. 0
... жалғасы- Іс жүргізу
- Автоматтандыру, Техника
- Алғашқы әскери дайындық
- Астрономия
- Ауыл шаруашылығы
- Банк ісі
- Бизнесті бағалау
- Биология
- Бухгалтерлік іс
- Валеология
- Ветеринария
- География
- Геология, Геофизика, Геодезия
- Дін
- Ет, сүт, шарап өнімдері
- Жалпы тарих
- Жер кадастрі, Жылжымайтын мүлік
- Журналистика
- Информатика
- Кеден ісі
- Маркетинг
- Математика, Геометрия
- Медицина
- Мемлекеттік басқару
- Менеджмент
- Мұнай, Газ
- Мұрағат ісі
- Мәдениеттану
- ОБЖ (Основы безопасности жизнедеятельности)
- Педагогика
- Полиграфия
- Психология
- Салық
- Саясаттану
- Сақтандыру
- Сертификаттау, стандарттау
- Социология, Демография
- Спорт
- Статистика
- Тілтану, Филология
- Тарихи тұлғалар
- Тау-кен ісі
- Транспорт
- Туризм
- Физика
- Философия
- Халықаралық қатынастар
- Химия
- Экология, Қоршаған ортаны қорғау
- Экономика
- Экономикалық география
- Электротехника
- Қазақстан тарихы
- Қаржы
- Құрылыс
- Құқық, Криминалистика
- Әдебиет
- Өнер, музыка
- Өнеркәсіп, Өндіріс
Қазақ тілінде жазылған рефераттар, курстық жұмыстар, дипломдық жұмыстар бойынша біздің қор #1 болып табылады.

Ақпарат
Қосымша
Email: info@stud.kz