Астана қаласындағы ЖЭО-ын салудың техника-экономикалық негіздемесі


Аңдатпа
Бұл дипломдық жұмыста Астана қаласындағы ЖЭО-ын салудың
техника-экономикалық негіздемесі қарастырылған. Жоба негізінде қала мен
облыс тұрғындары толықтай электр және жылу энергиясымен қамтамасыз
етіледі. Соның барысында қуаты 380 МВт болатын ЖЭО -ын салу көзделген.
Стансаны салу кезінде 5 дана БКЗ-420-140 қазаны, 2 ПТ-80/100-130/13 және
2 Т-110/120-130 типті шығыр қондырғылары орнатылмақшы.
Өміртіршілік қауіпсіздігі бөлімінде ЖЭО-ның шығыр цехындағы
жарықтандыру мен өрт қауіпсіздік мәселелері қарастырылып, ал
экономикалық бөлімде ЖЭО-ның бизнес-жоспары құрылды.
Аннотация
В данной дипломной работе рассматревается тенико-экономическое
обоснование строительства ТЭЦ в городе Астана. На основе проекта
осуществляется полное обеспечения электрической и тепловой энергии
города и области. В следствии этого рассматревается ТЭЦ мощностью
380МВт. При строительстве станции устанавливается котел БКЗ-420-140
пять штук, турбины ПТ-80/100-130/13 и Т-110/120-130 по две штуки.
В разделе безопасности жизнедеятельности рассматревается освещение
турбинного цеха в ТЭЦ и пожарная безопасность, а в экономической части
был сделан бизнес-план ТЭЦ.
Annotation
In given diploma project the feasability study of building is examined WPC
in
Astana. On the basis of project the complete comes true providing of
electric and thermal energy of city and area. In investigation of it WPC is
examined by 380 МW power. At building of the station the caldron of
BCP- 420-140 is set five things, turbines of PT- 80/100-130/13 and Т- 110/120-
130 for two things.
Illumination of turbine workshop in WPC and fire safety are examined in
the division of safety of vital functions, and the business-plan of WPC was done in
economic part.
Мазмұны
Кіріспе
1. Негізгі бөлім
1. 1. ЖЭО үшін негізгі қондырғылар түрін таңдау
1. 2. ЖЭО-ның жылу сұлбасын құрастырып есептеу
1. 3. Түрі ПТ бу шығырлы ЖЭО-ның жылулық сұлба есебі
1. 4. Түрі Т бу шығырлы ЖЭО жылулық сұлбасының есебінің мысалы
1. 5. ЖЭО-ның бу қазандарының отын шығысының есебі
1. 6. Шаң жүйесінің жабдықтарын таңдау және есептеу
1. 7. Жылу сұлбасының қосалқы жабдықтарын таңдау
1. 8. Негізгі бу және сумен қамтамасыз ететін құбырларын таңдау
1. 9. Үріп сорғыш машиналарын таңдау
1. 10. Күл ұстағыш және күлдi аластауыш кестесiн және жабдықтарын
таңдау
1. 11. Су дайындау жүйенің кестесiн таңдау
2. Экономикалық бөлім
2. 1. ЖЭО-ның жылдық энергия жіберуін анықтау
2. 2. Отынға жұмсалатын шығынды анықтау
2. 3. Отынды қолданудың ПӘЕ-ін есептеу
2. 4. Суға жұмсалатын шығындарды есептеу
2. 5. Еңбекақы шығындарын есептеу
2. 6. Амортизациялық аударылымдарды есептеу
2. 7. Шығарындыларға төлемдерді есептеу
2. 8. Шығарындыларға төлемдерді есептеу
2. 9. Жалпы стансалық және цехтық шығындарды есептеу
2. 10. Энергия жіберудің өзіндік құнын есептеу
2. 11. ЖЭО салуды және пайдалануды экономикалық бағалау
3. Өмір тіршілігінің қауіпсіздігі бөлімі
3. 1. Жасанды жарықтандыруды есептеу
3. 2. Шығыр цехындағы өрт қауіпсіздігі
3. 3. Қауіпсіздік тәсілдері
Қорытынды
Пайдаланылған әдебиеттер тізімі
Кіріспе
6
7
7
14
16
27
37
43
45
48
51
54
56
58
58
59
60
60
61
62
63
63
63
64
65
70
70
76
77
79
80
Қaзiргi тaңдa жaлпы Acтaнa қaлacындa eкi ЖЭО-ы бaр eкeнi бeлгiлі.
Соғaн қaрaмacтaн энepгия тaпшылығы бiртiндeп бaйқaлу үстiндe, мұның
сeбeбi хaлық сaнының қaрқынды өсу бapыcы жәнe энeргияны көп тaлaп
eтeтiн тeхнoлoгия мeн тeхникaның дaмуы сeбeпшi. Жoбa кeзiндe сaлyғa
жoспaрлaп oтырғaн ЖЭО-ның ТЭН-ін жaсaдым. Coның нeгiзiнде бизнеc-
жoспaр жacaлып, тoлық жылyлық eсeптey жүргiзiлдi.
Жaлпы aлғанда, жoбaның мaқсaты - Aстанa қaлaсы тұpғындaрын тoлық
жылy жәнe элeктp энeргиясымeн қaмтaмасыз eту. Есeптеу баpысынды ЖЭО-
ның қaжетті қoндырғыларын тиімді жoлмен тaңдау көздeлетін бoлады.
Өмiртіршілiк қaуіпсіздігі бөлімiнде ЖЭО-ның шығыp цeхындағы
жарықтандыруды есептейміз. Және де цехтың өрт қауіпсіздігі жайында сөз
қозғаймыз. Өрттің шығу көздерін анықтап, оның алдын-алу жолдарын
қарастырамыз.
Экономика бөлімінде ЖЭО-на бизнес-жоспар құрылды. Инвестиция
көлемі анықталып, оның өтелу мерзімі белгілі болады.
1. Нeгiзгi бөлiм
1. 1 ЖЭО үшiн нeгiзгi қoндыpғылap түpiн тaңдaу
1. 1. 1. Бeрiлгeн мәлiмeттeр
ЖЭO opнaласaтын aймaқ - Aстaнa қaлacы.
Есeпті мaycым тeмпeрaтyрaлapы:
- жылyлaндырy жoбaсы үшiн, tрн = - 38 оС,
- жылдaғы eң сaлқын aй, tхм = - 16, 2 оС,
- жылу бeру уaқытының oртaшaсы, tсрн = - 8, 0 оС,
- жaзғы yaқыт, tлетон = 22, 0 оС;
Қaрaстыpылaтын тұpғын caны, А = 330 мың aдaм;
Өндiрiстiк бу шығысы, Dп = 330 т/сағ;
Өндiрiстiк бу қыcымы, Рп = 1, 4 МПа;
Өндiрiстен қaйтып кeлeтiн кoнденсaт кoэффициенті К = 0, 8;
Өндірістен қайтып келeтін кoнденсат температурасы, tк = 80 оС;
Ыстық cумен қaмтамасыз eтетін жүйе түpi - жaбық;
Бiр aдaмға жылy мeн жeлдeтyгe жұмсaлaтын жылy, q1 = 1, 71
кВт/aдaм;
Бiр aдaмға жұмсaлатын ыcтық cy жылyының мөлшeрі, q2 = 0, 80
кВт/адaм.
1. 1. 2. Жылу жүктeмелeрiн eсeптey
Өндiрiскe бeрiлетін бy шығыcы Dп = 330 т/сағ.
Жылyландыpу мeн жeлдету жүктeмесі:
Qот+в = А·q1 = 330·1, 71 = 564, 3 МВт;
Ыстық су жүктемесі:
Qгвс = А·q2 = 330·0, 80 = 264 МВт;
Жылуландырудың толық жүктемесі:
Q = Qот+в + Qгвс = 564, 3 + 264 = 828, 3 МВт.
Жылу жүйесіндегі температуралық графигінен мыналар көрсетілген, 1-
сурет:
- тіке магистральдағы судың ең жоғары температурасы, tпм = 150 оС;
- кері магистральдағы судың ең жоғары температурасы, tом = 70 оС;
- жылу желісіндегі судың орташа температурасы, tстс = 115 оС.
1-ші сурет. Жылу желісінің температуралық графигі
1. 1. 3. ЖЭO-ның жылyлaндыpу қoндырғыcының жылyын eсeбi
ЖЭO-ның жылуландыру
қондырғысының
сұлбасы
2-суретте
көрсетілген.
Жылу желісінің көлемі:
Vтс = (Qотв + Qгвс) ·(А1 + А2) = (564, 3 + 264) ·(8, 6 + 26) = 28659, 2 м3 ;
мұнда жылу желісінің меншікті көлемі:
- сыртқы желілер, А1 = 8, 6 м3/МВт;
- ішкі желілер, А2 = 26 м3/МВт;
![]()
2 Сурет. Жылуландыру қондырғының сұлбасы
ПМ и ОМ -тіке және кері магистральдар; СН1 и СН2 - желі насостары;
ПВК - шыңдық су жылытқыш қазан; СПВ и СПН - астыңғы және үстіңгі су
жылытқыштар; ВД - желі сының вакуум деаэраторы; ППН - қоспалы судың
насосы; ХВО - химиялы су тазарту; К- турбина конденсаторы (су жылытқыш
қубырлармен) .
Жылу желісінің су шығынының негізгі мөлшері шарт бойынша жылу
желісінің көлемінен 0, 5%-ын құрайды.
Gут = (0, 5/100) ·Vтс = (0, 5/100) ·28659, 2 = 143, 3 т/сағ;
Жылу желісінің су шығынына байланысты жылу шығыны:
Qут = Gут тсСр(tтс - tхв ) /3600 = 143, 3∙4, 19∙(115 - 5) /3600 = 18, 3 МВт.
Су шығынын өтеу үшін сумен келген жылу мөлшері:
Qподп = Gут тсСр(tподп - tхв ) /3600 = 143, 3∙4, 19∙(40 - 5) /3600 = 5, 8 МВт;
мұнда су шығынын өтейтін су температурасы: tподп = 40 оС;
салқын су температурасы: tхв = 5 оС;
Жылуландыру қондырғысының жылулық қуаты:
Qту = Qот+в + Qгвс + Qут тс - Qподп = 564, 3 + 264 + 18, 3 - 5, 8 = 840, 8 МВт.
Жылуландыру көрсеткішін ескергендегі жылуландыру қондырғысының
жылу қуаты (αтэц = 0, 55) :
Qосп = αтэц·Qту = 0, 55·840, 8 = 462, 4 МВт;
![]()
Су жылытатын қазандарының қуаты:
Qпвк = Qту - Qсп = 840, 8 - 462, 4 = 378, 4 МВт.
1. 1. 4. ЖЭО-ның шығыр және бу қазaн қoндырғылaрын тaңдaу
Өндіріске бу және жылуландыру жүктемесін өтеуге бу шығырлы
қондырғылар таңдаймыз:
№1 ПТ-80/100-130/13 өндіріске бу және жылуландыру жүктемесін:
өндірістікбу Dп = 165 т/сағ;
жылуландыру жүктемесі Qт1 = 70 МВт;
№2 ПТ-80/100-130/13 өндіріске бу және жылуландыру жүктемесін:
өндірістік бу
жылуландыру жүктемесі
№3 Т-110/120-130 жылуландыру жүктемесі
№4 Т-110/120-130 жылуландыру жүктемесі
Толық жылуландыру жүктемесі:
Dп = 165 т/сағ,
Qт2 = 70 МВт;
Qт3 = 180 МВт;
Qт4 = 180 МВт;
Qт = 500 МВт.
Анықталған жылуландыру көрсеткіші:
αтэц = Qт / Qту = 500 / 840, 8 = 0, 595;
Анықталған шыңдық (су жылытқыш қазандар үшін) жүктемесі:
Qпвк = Qту - Qт = 840, 8 - 500 = 340, 8 МВт;
Шыңдық су жылытқыш қазандар түрі КВГМ-180
КВГМ-180 (210 МВт)
2 дана
Су жылытқыш казандарының жылу қуаты:
Qпвк = 2·210 = 420 МВт;
Бу шығырларының қыздырылған бу шығысы:
№1
№2
№3
№4
ПТ-80/100-130/13
ПТ-80/100-130/13
Т-110/120-130
Т-110/120-130
Dо1 = 470 т/сағ
Dо2 = 470 т/сағ
Dо3 = 480 т/сағ
Dо4 = 480 т/сағ
Шығырлардыңдың толық бу шығысы:
∑Dо = 2∙470 + 2∙480 = 1900 т/сағ.
Бу қазандарының толық бу өнімділігі
Dка = (1 + α + β) ∙∑Dо = (1 + 0, 02 + 0, 03) ∙1900 = 1995 т/сағ.
ЖЭО-да орнатуға БКЗ-420-140 түрінен бес қазан таңдаймыз, яғни
толық бу өнімділігімен:
∑Dка = nка∙Dка = 5∙420 = 2100 т/сағ.
1. 1. 5. Жылу жүктемелерін маусым тарапына есептеу және негізгі
қондырғылардың таңдау түрін анықтау
а) маусымдық шартты температуралары:
- жылуландыру, tрн = - 38 оС,
- жылдағы ең салқын ай, tхм = - 16, 2 оС,
- жылуландыру уақытының орташа, tсрн = - 8, 0 оС,
- жаз уақытының, tлетон = 22, 0 оС,
б) Қысқы ең жоғарғыы режим (I режим) :
жылуландыру және желдету:
Qотв1 = Qотв + Qут - Qподп = 564, 3 + 18, 3 - 5, 8 = 576, 8 МВт.
Ыстық сумен
Qгвс = 264 МВт,
всего Q1 = Qотв1 + Qгвс = 576, 8 + 264 = 840, 8 МВт.
в) Есепті-тексеріс режим (II - режим) :
Q2 = Qотв2 + Qгвс = 352, 3 + 264 = 616, 3 МВт,
бұның ішінде ыстық суға:
Qгвс = 264 МВт,
жылуландыру мен желдетуге:
Qотв2 = Qотв1(tвн - tхм ) /(tвн - tрн ) = 576, 8⋅(18 + 16, 2) /(18 + 38) = 352, 3 МВт.
г) Жылуландырудың орташа режимы (III режим) :
Q3 = Qотв3 + Qгвс = 267, 8 + 264 = 531, 8 МВт,
бұның ішінде ыстық суға:
Qгвс = 264 МВт,
жылуландыру мен желдетуге:
Qотв3 = Qотв1(tвн - tсрн ) /(tвн - tрн ) = 576, 8⋅(18 + 8, 0) /(18 + 38) = 267, 8 МВт.
д) Жазғы режим (IV режим) :
Q4 = Qлетогвс = Qгвс(tгв - tлхв ) /(tгв - tхв ) = 264⋅(60 - 15) /(60 - 5) = 216 МВт.
Есептелген шамаларды 1-кестеге жазамыз.
1-кесте
Есептеу нәтижесінде табылған мәндер арқылы, таңдап алынған негізгі
қондырғылардың түрі анықталады. Нормаға сәйкесінше, бір бу қазаны тоқтап
қалған кезде, жұмыста қалған қондырғылар II режимының жүктемесін толық
қабылдап беруі қажет. Есеп бойынша
II режим жүктемесі: Q2 = 616, 3 МВт.
Жұмыста қалған бу қазандар өнімділігі Dка = 4∙420 = 1680 т/сағ,
Турбиналарының бу алымының қуаты:
- өндіріске бу Dп = 330 т/ч,
- жылуландыру қуаты Qотб = 442, 1 МВт.
Шыңдық су жылытқыш қазандар Qпвк = 420 МВт.
Қорытынды: Егер бір қазан тоқтап қалатын жағдай туындаса, ЖЭО-
ның қалған қондырғылары II режим жүктемесін алып кетеді, яғни
қондырғылар дұрыс таңдалған.
1. 1. 6. ЖЭО-ның техника-экономикалық негіздемесі
ЖЭО салудың екі нұсқасын қарастырамыз:
І нұсқа 2хПТ-80/100-130/13 және 2хТ-110/120-130
ІІ нұсқа 1хР-50-130/15 және 3хТ-110/120-130
Нұсқаларға қаражат шығындары
І нұсқаға қаражат шығындары
А кестесі
Алғашқы 1хПТ-80/100-130/13 және 1хЕ-420-140
ЖЭО-ға толық қаражат
КIжэо = Кпт1 + Кка1 + Кпт + Кт + Кпвк = 58000 + 55000 + 29000 + 2х34000 +
4х33000 + 3х4100 = 354300 млн. тенге
ІІ нұсқаға қаражат шығындары
В кестесі
Алғашқы Т-110/120-130 және 1хЕ-420-140
ЖЭО-ға толық қаражат
КIжэо = Кт1 + Кка1 + Кт + Кр + Кпвк = 68000 + 55000 + 34000 + 2х34000 +
+4х33000 + 3х4100 = 369300 млн. тенге;
Меншікті қаражат шығыны
І нұсқаға қаражат шығындары
КІуд = КI /Nэ = 354300/380 = 932000 тенге/кВт
ІІ нұсқаға қаражат шығындары
КІІуд = КII /Nэ = 369300/380 = 972000 тенге/кВт
Қорытынды:
Техника-экономикалық есептеудің мәліметтері бойынша І нұсқадаға
ЖЭО салуына қаражат шығындары ІІ нұсқаға қарағанда төмен
(КІ = 354300 млн. тенге < КІІ = 369300 млн. тенге) және меншікті
қаражат мөлшерлері І нұсқада ІІ нұсқаға қарағанда төмен
(КІуд = 932000 тенге/кВт < КІІуд = 972000 тенге/кВт) .
Осы қарстырылған екі нұсқаның І нұсқадаға ЖЭО-ны салуын
таңдалды.
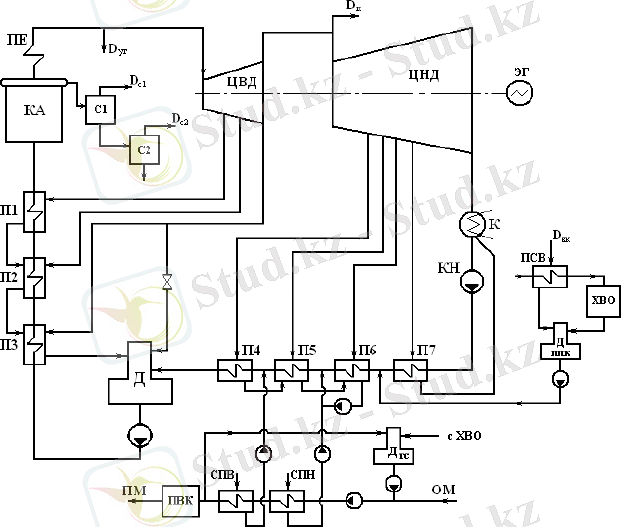
1. 2. ЖЭО-ның жылу сұлбасын құрастырып есептеу
1. 2. 1. ЖЭО-ның жылу сұлбасы
ЖЭО-ның жылу сұлбасын таңдалған қондырғылар
арқылы
құрастырамыз. Жылу сұлбасы барлық бу қазандары бір бу құбырына бу
береді деп саналып құрастырылады. Осы ЖЭО-ның жұмысын,
тұтынушыларды жылумен және электр энергиясымен қамтамасыз етуін
сенімді етіп жасайды.
ЖЭО-ның жылу сұлбасы 3-суретте көрсетілген.
ЖЭО-ның сыртқы жылу тұтынушыларынан басқа ішкі өзгілік жылу
шығысы да бар. ЖЭО-ның жылу сұлбасының есебі барлық жылу
шығыстарының балансын шығарып анықтауға жасалады.
ЖЭО-ның жылу схемасында 2хПТ-80/100-130/13 және 2хТ-110/120-130
бу шығырлары, 5хЕ-420-140 бу қазандары, 3хКВГМ-100 су қыздырғыш
қазандар орнатылатын болады.
1. 2. 2. ЖЭО-ның негізгі жабдықтарының сипаттамалары
Жобаның жылу есебі бойынша төрт бу шығыры және бес бу қазан
орнатылады.
Бу шығырлар: 2 х ПТ-80/100-130/13;
2 х Т-110/120-130;
Бу қазандар: 5 х БКЗ-420-140.
ПТ-80/100-130/13 бу шығыры, екі цилиндрлы ЦВД мен ЦНД тұрады.
Шығыр регенерация жүйесінде төрт ПНД, деаэратор және үш ПВД.
Шығырдың техникалық сипаттамасы
Электр қуаты, Nэ, МВт:
Керекті бу шығысы, Dо, т/сағ:
Қыздырылған бу көрсеткіштері:
Ро, МПа
to, oC
Қоректендіру су температурасы, tпв, оС:
80
480
13
540
230
Т-110/120-130 бу шығыры үш цилиндрлы: бір ағынды ЦВД мен ЦСД, екі
ағынды ЦНД. Шығыр регенерация жүйесінде төрт ПНД, деаэратор және үш
ПВД тұрады.
Турбинаның техникалық сипаттамасы
Электр қуаты, Nэ, МВт:
Керекті бу шығысы, Dо, т/сағ:
Қыздырылған бу көрсеткіштері:
Ро, МПа
to, oC
Қоректендіру су температурасы, tпв, оС:
100
485
13
540
230
Турбиналарға керекті бу шығысы:
Do = nпт·Dптo + nт·Dтo = 2·480 + 2·485 = 1930 т/сағ;
Бу қазан өнімділігі:
Dка = (1 + α + β) ∙Do = (1 + 0, 03 + 0, 02) ∙1930 = 2026, 5 т/сағ;
мұнда α = 0, 03 - бу өнімділігіне берілетін қор мөлшері;
β = 0, 02 - өзгілік пайдалануға бу шығынының мөлшері.
ЖЭО-дағы орнатылатын бу қазан түрі БКЗ-420-140, табиғи айналымды,
барабанды, Т-ға ұқсас компоновкалы, бір корпусты, бұл жабық ғимаратта
орналасуға арналған. Жағатын отыны - тас көмір, оталдыратын отыны -
мазут. Шлак шығаруы қатты түрде болады.
БКЗ-420-140 бу қазанның техникалық сипаттамасы
Бу өнімділігі, т/сағ (кг/с) :
Қыздырылған бу қысымы, кгс/см2 (МПа) :
Температура, °С:
қыздырылған бу
қоректендіру су
түтін газ
420 (116, 6)
140 (14)
555
230
130
ПӘК (брутто) гарантиямен, %
Қазан өлшемдері, м:
ені колонна ортасымен
тереңдігі колонна ортасымен
биіктігі
Өндіру зауыты:
91, 0
11, 15
17, 44
39, 1
Барнауыл қазан зауыты (БКЗ)
1. 3. Түрі ПТ бу шығырлы ЖЭО-ның жылулық сұлба есебі
1. 3. 1. Жылулық есептің шарттары
Шығырлар электірлік графикпен жұмыс атқарады, шықтағыштағы
жылулық құбырлардың беті жұмыс атқармайды.
Шыңдық жылулық жүктеме су қыздырғыш қазандар (ПВК) арқылы
өтеледі.
Шығыр кірісіндегі будың алғашқы көрсеткіштері зауыт мәліметтерінен
алынады.
ПТ-80/100-130/13 бу шығырының жылулық сұлбасы зауыттық типті
сұлбамен алынады.
1. 3. 2. ЖЭО блогының есептік сұлбасын құрастыру
Блоктың есептік сұлбасын құрастырған кезде регенеративті су
қыздырғыштар санын және олардың қосылуын ескеру қажет. Сонымен қатар,
блоктың есептік сұлбасында су дайындау сұлбасын, өндірістен қайтарылатын
шық сұлбасын, тұтынушыға жылу жіберу сұлбасын келтіру қажет.
Регенеративті бу алымдарындағы көрсеткіштерді зауыт мәліметтері
арқылы алынады. Өндіріске бу өндіріс бу алымының коллекторынан
алынады, бу қысымы Рпр = 1, 27 МПа мөлшерінде болады. Жылуландыруға
және ыстық сумен қамтамасыз етуге жылулық жүктеме ЖЭО-дан ыстық су
ретінде беріледі. Ыстық суды қыздыру үшін ол су қыздырғыштардан және су
қыздырғыш қазандардан өтеді. ПТ-80/100-130/13 бу шығырлы қондырғыда
ыстық су төменгі, жоғарғы су қыздырғыштарынан және су қыздырғыш қазан
өтіп қызады.
ПТ-80/100-130/13 бу шығырлы қондырғының есептік сұлбасы 3-
суретте көрсетілген.
Сұлба бойынша қазаннан өндіріліп шыққан бу шығырына жіберіледі,
ал шығырда
жұмыс атқарып
шыққан бу шықтағышқа
жіберіледі.
Шықтағыштан шыққан шық сорғымен төмен қысымды су қыздыр-
ғыштарынан өтіп газсыздандырғышқа түседі. Газсыздандырғышта шықтан
ауа (оттегі) бөлінген соң шық қорек су болып аталады.
Қорек су сорғымен жоғары қысымды су қыздырғыштардан өтіп бу
қазанға жіберіледі. Қазанның тоқталмайтын үрлеу суы екі сатылы
сепараторға жіберіледі. Бу шығырында реттелмейтін бу алымдары және
реттелетін өндіріске бу және жылуландыруға бу алымдары бар.
Жылулық желідегі су шығынын өтеу үшін толықтыратын су вакуумды
газсыздандырғышта дайындық өтеді.
3-сурет. ПТ-80/100-130/13 бу шығырлы қондырғының есептік сұлбасы
1. 3. 3.
Жоғарғы және төменгі
жылуландыруға
арналған
бу
алымдарындағы бу қысымын анықтау
ЖЭО-ның жылулық жүктемелері:
Қысымы Рп = 1, 275 МПа өндіріске бу алымынан бу шығысы Dп =450
т/сағ; өндірістен қайтарылатын температурасы tвк = 80 оС шық мөлшері Dпвозв
= 70%·Dп;
ЖЭО-дан берілетін жылу мөлшерлері:
жылытуға Qот = 1575 ГДж/сағ;
ыстық сумен қамдауға Qгвс = 135 ГДж/сағ;
толық жылулық жүктеме Qтэц = 1710 ГДж/сағ.
Жылуландыру қондырғысының сұлбасы 4-суретте келтірілген.
![]()
4-сурет. ЖЭО-ның жылуландыру қондырғысының сұлбасы
ЖЭО-дағы желі судың толық шығысы
Dсвтэц = Qтэц·103/С·(tпм - tом) = 1710·103/4, 19·(150 - 70) = 5100 т/сағ;
мұнда судың жылусыйымдылығы С = 4, 19 кДж/(кг·оС), тік және кері
магистралды құбырлардағы су температурасы tпм / tом = 150 / 70 оС.
Бір ПТ-80/100-130/13 бу шығырлы қондырғының желі су
қыздырғыштарынан өтетін су шығысы:
Dсвт = Dсвтэц /n = 5100/3 = 1700 т/сағ.
мұнда ЖЭО-да орнатылған ПТ-80/100-130/13 бу шығырлы
қондырғылардың саны n = 3.
ПТ-80/100-130/13 бу шығырлы қондырғының жылулық бу
алымдарының толық номиналды жүктемесі ΣQтотб = 285 ГДж/кг.
Желі су мен будың жылулық балансы арқылы:
ΣQтотб = Dсвт·С·(t2 - tом)
желі су қыздырғышынан шыққан судың температурасын табамыз:
t2 = ΣQтотб/ Dсвт·С + tом = 285·103/1700·4, 19 + 70 = 110 оС;
Жоғары және төмен желі су қыздырғыштарындағы қызуының мөлшері
тең алынады, сондықтан төменгі желі су қыздырғыштан шыққан су
температурасының мөлшері келесідей:
t1 = tом + (t2 - tом) /2= 70 + (110 - 70) /2 = 90 оС;
![]()
Қыздыратын будың шығының температурасына дейін желі судың
қызбауын δt = 5 оС тең аламыз.
Жоғарғы және төменгі бу алымдарындағы қанығу температураларының
және қысымының мөлшерлері:
tнво = 110 + 5 = 115 оС,
tнно = 90 + 5 = 95 оС,
Рво = 0, 169 МПа
... жалғасы- Іс жүргізу
- Автоматтандыру, Техника
- Алғашқы әскери дайындық
- Астрономия
- Ауыл шаруашылығы
- Банк ісі
- Бизнесті бағалау
- Биология
- Бухгалтерлік іс
- Валеология
- Ветеринария
- География
- Геология, Геофизика, Геодезия
- Дін
- Ет, сүт, шарап өнімдері
- Жалпы тарих
- Жер кадастрі, Жылжымайтын мүлік
- Журналистика
- Информатика
- Кеден ісі
- Маркетинг
- Математика, Геометрия
- Медицина
- Мемлекеттік басқару
- Менеджмент
- Мұнай, Газ
- Мұрағат ісі
- Мәдениеттану
- ОБЖ (Основы безопасности жизнедеятельности)
- Педагогика
- Полиграфия
- Психология
- Салық
- Саясаттану
- Сақтандыру
- Сертификаттау, стандарттау
- Социология, Демография
- Спорт
- Статистика
- Тілтану, Филология
- Тарихи тұлғалар
- Тау-кен ісі
- Транспорт
- Туризм
- Физика
- Философия
- Халықаралық қатынастар
- Химия
- Экология, Қоршаған ортаны қорғау
- Экономика
- Экономикалық география
- Электротехника
- Қазақстан тарихы
- Қаржы
- Құрылыс
- Құқық, Криминалистика
- Әдебиет
- Өнер, музыка
- Өнеркәсіп, Өндіріс
Қазақ тілінде жазылған рефераттар, курстық жұмыстар, дипломдық жұмыстар бойынша біздің қор #1 болып табылады.

Ақпарат
Қосымша
Email: info@stud.kz