Цифрлық сигналдардың коммуторлары


Батыс Қазақстан экономикалық-технологиялақ колледжі
Курстық жұмыс
Тақырыбы:
«Мультиплексорлар. Мультиплексордың құрылымы»
Орындаған:
Тексерген:
Орал, 2016ж.
Мазмұны
Кіріспе . . . 3
1. Цифрлық сигналдардың коммуторлары
1. 1 Комбинациялық типті цифрлық құрылғылар . . . 5
1. 2 Мультиплексордың комбинпциялық сұлбасын жасау . . . 13
2. Мультиплексорлар. Дешифраторлар-демультиплексорлар
2. 1 Мультиплексорлар . . . 15
2 2Дешифраторлар-демультиплексорлар . . . 19
2. 3 Мультиплексордың құрылымы. Жұмыс істеу принципі . . . 22
Қорытынды . . . 24
Пайдаланылған әдебиеттер тізімі . . . 27
Кіріспе
Зерттеу өзектілігі . Қазіргі кезде өнеркәсіптік электроникада негізінен жартылай өткізгіштен жасалған аспаптар мен құрылғылар қолданылады. Мұның себебі вакуумдық құрылғыларға қарағанда жартылай өткізгіштен жасалған аспатардың габариті әлдеқайда кіші, сенімділігі жоғары, энергияны аз жұмсайды және арзан. Сондықтан бұл тарауда жартылай өткізгіштен жасалған аспаптар мен қарапайым құрылғылар ғана қолданылады.
Электрониканың дамуы мен аппаратураның күрделенуі, әсіресе электронды- есептеуіш машиналардың қанат жаюы мен оларды техника мен өмірдің барлық салаларына ендіру арқылы оларға миниатюрлеу, сенімділігін арттыру, тұтынатын қуатын азайту және аппаратура элементтерін арзандату сияқты қатаң талаптар қоюға саяды. Осы талаптарды орындаудағы алғашқы жартылай өткізгіш приборлар шыққанға дейін аппаратуралардың габаритін кішірейтуге, монтаж тығыздығын арттыруға әкеледі. 40-50 жылдағы шамдар мөлшері диаметрі мен биіктігі бойынша 3-4 есе кішірейтілді. Әйтсе де, осындай аппаратураның құны өте жоғары болды, мысалы ауыр самолеттерде электрондық аппаратура оның жарты құгыга тең, ал жады қазіргі тәуір микрокалькулятордың жадына тең мөлшері одан 3 есе үлкен алғашқы үлкен ЭВМ 1 есе қымбат болып, микрокалькулятор орындайтын операцияларды жиырма есе баяу орындады, әрі тұтынатын энергиясы сол кездегі паровоздыкімен бірдей болды. 1947-1948 жылдары жартылай өткізгіш транзисторды ойлап табуына, биполярлық транзистор мен қатар басқа жартылай өткізгіштердің болашағы кең ашылды. Осы элементтер туынданатын кернеу мен қуат та көп есе төмендейді . Міне осының салдарынан барлығы монтажды тығыздауға, жалғастырғыш сымдарды баспа схемасымен ауыстыруға мүмкіндік береді. Осындай схемалардың салмағы, габариті азайып, сенімділігі арта түсті. Мұның барлығы жартылай өткізгіш техника дамуының алғашқы қадамдары еді. Басқалық монтаж конструкциялаудың жаңа сипатына- модульдік түріне әкелді. Модуль схеманың аяқталған учаскесінің айталық, генератордың көлемдік не жазық монтажы гетинакс, пластмасса, керамикадан жасалған жазық модульдің платасына байланыстың байланыстың схемасы мен пленкалық технология көмегімен бірқатар пассивті элементтері түсірілді: активті элементтер орнатылды, ал олардың ұщтары схемаға сәйкес дәнекерленді. Микромодульдік конструкциялау қабаттың микромодульдерді жасауға әкелді. Стандартты платаларда бір қатар пассивті элементтер, мысалы, резисторлар, керметтердің жұқа пленкаларын, метталдың оксидтік пленкаларын қаптау арқылы жасалды немесе платаның өз заты пайдаланылды.
Индуктивтілік орамы бар торойдалы феррит өзекшеден дайындалды; транзисторлар мен диодтар дербес әзірленді. Осылар платаға жабдықталды. Әр жағында үштен ойығы бар жиналған платалар макромодульдің және тұтас макромодульдің дербес платасының шығатын ұштары қызметін атқаратын металл стерженьмен жалғастырылды. Жұмыс қабылеті тексерілгеннен кейін макромодульдер эпоксидтік смоламен майланып, сол күйінде аппаратураға орнатылды . Микромодульдік тәсіл жартылай өткізгіш және пленкалы технологияны дамыта отырып, өзі сол дамудың нәтежесі болды. Осы жұмыс барысында сандық құрылғылардың бір түрі мультиплексорларды қарастыратын боламыз.
Зерттеу мақсаты: Мультиплексорлар және мультиплексорлардың құрылымы туралы мағлұмат беру.
Зерттеу міндеттері : Цифрлық сигналдардың коммуторлары туралы және Мультиплексорлар туралы түсінік беру.
1. Цифрлық сигналдардың коммуторлары
1. 1 Комбинациялық типті цифрлық құрылғылар
Комбинациялық типті цифрлық құрылғылар немесе цифрлық жадысыз автоматтар деп шығысында логикалық мәндері оның кірісіндегі сигналдар жиынтығымен, немесе олардың комбинацияларымен бір мәнді анықталатын цифрлық құрылғылар аитады.
Оларға қосқыш сұлбалар, шифраторлар және дешифраторлар мультиплексорлар және демультиплексорлар, цифрлық компараторлар. Комбинациялық типті цифрлық құрылғылар немесе интегралды микросхема процессор, жады секілді үлкен интегральды микросхемалар құрамына кіреді.
Цифрлық есептеуіш техникада екі және үш кірісі бар қосатын сұлбалар қолдынылады және біршісі жартылай суматор, ал екіншісі толық бірразрядты суматор деп аталады.
Жартылай суматор тек сандардың кіші разрядтарын қосуға арналады. Толық бірразрядты суматорлардың алғашқы разрядтан келесі разрядқа көшіру үшін белгі беретін үшінші кірісі бар.
1 суретте а) жартылай суматорың ақиқат кестесі. 1 суретте б) негізгі базистің элементерімен осы кестенің негізінде МДҚП түрде жазылған құрылымдық формула.
1сурет. Бір разрядты сумматор (қосқыш) : а) ақиқат кестесі, б) құрлымдық формула, в) функциональдық сұлба.
Логикалық сұлбалардың сипатайтын сапалық көрсеткіштері болып мына негізгі параметрлер саналады:жылдамәсерлігі және құрылғыцның күрделісін көрсететін элементердің саны, жылдамәсерлігі элементердің сұлбаның элементерін өткендегі сигналдың кешігу уақытының қосындысымен анықталады. Жоғарыда көрсетілген сұлбада жылдамәсерлігі үш логикалық элементте кідіруне байланысты.
Көрсетілген сұлбаның 10 кірісі бар және 6 элементтен тұрады, яғни Кваин саны 10 тең. 1, в) суретте көрсетілген кемшілігі мынада. Оның кірісіне операндтың тура және инверісті мәндері берілу керек. Логика алгебрасының заңдарын қолдана отырып, кейбір операндтардың үстінен инверсияны алып тасатап түрлендіруге болады. Ұқшамдау реті 2, а) суретте, функциональдық сұлба-2, б) суретте, ал шартты графикалық белгісі 2, в) суретте көрсетілген.
2сурет. Ұқшамдау ретіа), функциональдық сұлба, б) и шартты графикалық белгісі, в) . бір разрядты жартылай сумматор.
Ықшамдалған сұлба жылдамәсерлі. Онды 6 элементің орнына 3элемент. Квайн саны 10-нан 7-ге дейін азайды. Егерде қосқыштардың саны өте көп екенін еске алсақ, ұтымның өте үлкен екенін білуге болады.
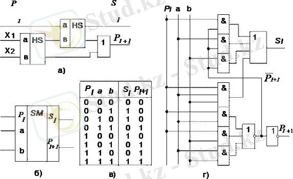
Толық бір разрядты қосындылағыштың сұлбасын екі жартылай суматордың негізінде немесе «НЕМЕСЕ» сұлбасының негізінде алуға болатынын 3, а суреттте көрсетілген.
3сурет. Бірразрядты толық сумматор: а) екі жартылай сумматор негізінде жиналған функциональдық сұлба; функциональная схема на двух полусумматорах; б) - шарты гафикалық белгісі; в) - ақиқат кесстесі: г) - ықшамдалған сұлба.
3 суреттегі функциональдық сұлбаның жұмыс істеу приципінен ақиқат кестесін толтырамыз. Осы кестені талдаудан берілген сұлбаның толық бірразрядты сумматордың функциясын атқаратынын көруге болады. Өтетін сигнал екі тізбектелген жартылай сумматор сұлбаснан және немесе сұлбасынан өткендіктен бұл сұлбаның жұмыс істеу жылдамдығы ұтымды емес.
Суматорды екі шығысы және үш кіріс бар құрылғы түрінде істеген оның істеу әркетінің мақсатына сәйкес болареді. Оның функциясының МДҚП мына түрде жазылады.
Интегралдық сұлбатехникада қолданылатын ықшамдалған мәндері:
PI+1 = PIa + PIb + ab
Теңдеудің біріншісі логиканың алгебрасын қолдана отырып аналитикалық әдіспен, ал екіншісін- Карно картасының ықшамдау минимальдау әдісімен ықшамдалады. Бұл теңдеулерге сәйкес құрылған функциональдық сұлба 3, г) . суретінде көрсетілген. 3, а) суретіндегі сұлбаңа қарағанда жылдамырақ істейді. 3, б) . суретте толық бірразрядты сумматордың шарты гафикалық белгісі келтірілген.
Көпразрядты сумматорлар жасау әдістері:
-тізбектеп қосу;
-тізбектеп тасымалдау параллель қосумен;
-параллель тасымалдау параллель қосумен.
4сурет. Көпразрядты сандарды қосу:а) -тізбектеп; б) параллель тізбектеп тасымалдаумен.
Тізбектеп қосу үшін барлық разрядтарға ортақ бір сумматор қолдынылады. 4, а сурет.
Операндтар аI және bI кірісі арқылы синхронды кіші разрядтан бастап енгізілу керек.
Кідірту тізбегі тасымалдау импульсінің PI+1бір тактыға кететін уақыт ұзақтығындай сақтайды, яғнинымен қосылатын келесі разрядтың қосындылар жұбы келгенше. Кідіртуді D-триггер орныдайды.
Тізбектеп қосқанда, барлық разрядқа жалпы бір суматор қолдынылады. (4, а сурет) Кіші разрядтан бастап синхронды аI жәнеbI кірістері арқылы суматорға операндтар кіргізілу керек. Кідірту тізбегі тасмалдау импульсін PI+1. бір тактылық уақыт ішінде сақтайды, яғни онымен қосылатын келесі разрядтың қосындылар жұбы келгенше. Кідіртуді D-триггер орындайды. Қосу нәтижесі кіші разрядтан бастап тізбектей саналады. Операндтарды сақтау, кіргізу үшін және
Қосындыларды жазу үшін кәдімгі ығыстыру регистрі қолдынылады. Бұл әдістің жетістілігі -аз аппараты шығындар. Жетістілігі біруақытта екі жұп қосынды қосылатындығынан -жылдам әсер етуі баяулайды.
Тізбектеп тасмалдайтын параллель сумматор сұлбасы 4, б) . суреттте көрсетілген. Суматорлардың саны сандардың разрядтар санына тең. Әр сумматордың тасмалдау шығуы PI+1келесі үлкен разрядтың кірсімен жалғанады. Мұнда еш бір тасмалдау сигналы түспейді, сондықтан, кіші разрядтың тасмалдау кірісіне «0» потенциалы тұрғызылады. aI және bI қосындылары барлық разрядтары бір уақытта қосылады, ал PI тасмалдау
Алғы разрядтағы қосу амалы орындалғаннан кейін түседі. Сигнал бүкіл суматорлар тізбегі бойымен тарағанша, жоғарғы разрядтың шығысында тасмалдау сигналы қалыптаспайды. Мұндай сумматорлардың тезәсерлігі тасмалдау кедергісімен шектеледі.
Параллель тасмалдауы бар параллель сумматорларПараллель тасмалдауды ұйымдастыру үшін арнайы арналған түйіндер-тез тасмалдау болктары қолдынылады. Жеделдетіп тасмалдау принципін мынада: әр бір екі разрядқа қосымша екі сигнал арналған:
G -тасмалдау құру және H - тасмалдау таралуы.
GI = aI·bI
HI = aI + bI
GI=1болған жағдайды, яғни aI=bI=1, бұл берілген i-разрядта келесі жоғарғы разрядқаPI+1 алмасу сигналы алдынғы разрядтағы функциялардың қосындысына тәуелсіз қалыптасады .
Егерде aI немесе bI «1»тең болса, яғни HI=1 тең болса, келесі разрядқа бастапқы разрядтан алмасу сигналы болғанда ғана көшірледі.
Егерде GI=1, яғни aI=bI=1, алдынғы разрядтарға қосындылардың қалыптасуына тәуелсіз, i-разрядта келесі жоғарғы разрядқа апаратын PI+1 тасмалдау сигналы қалыптастырылады.
Егерде қосындылардың біреуі aI немесе bI, «1» тең болса, яғни HI=1. Келесі разрядқа тасмалдау тек қана сигал болғанда ғана іске асырылады.
Егерде HI=HI-1=1 және PI алдынғы i-ші разрядтан алмасу сигналы болса онда көшіру i+2 разрядқа істеледі
Жалпы жағдайда үдемелі ауысу үрдісін қалыптастыру мына теңдеумен беріледі:
PI+1 = GI + HI·GI-1 + HI·HI-1·GI-2 + … + HI·HI-1·…·H2·H1·P1
Тез тасмалдау блоктары интегралдық түрде орындалған жеке микросхема немесе сумматор сұлбасымен немесе бір микросхемада арифметика-логикалық құрылғы түрде шығарылады.
7. 1. 3 арифметика-логикалық құрылғы
Негізгі арифметикалық амалдарға қосу және алу жатады. Алу амалдарын қосу әдісмен орындау үшін кері және қосымша кодтар жасалған. Алу амалын орындау үшін, азайтқышты қосымша кодқа өткізіп бірінші қосылғышқа қосу керек. Алынған нәтижені қосымша кодта көрсетілген. Оны сосын тікелей кодқа өткізу керек. Оң сандардың тікелей және кері кодтары бірдей. Теріс сандарды косымша кодқа айналдырғанда, барлық разрядтарын тура кодтың инверсия жасап және кіші разрядына бірді қосу керек. Қосымша кодты тікелей кодқа айналдырғанда, алынған нәтижені инверсия жасап кіші разрядқа бірдіі қосу керек
Сонымен қосу әдісімен алу амалы қосымша уақыт шығымын қажет етеді және есептеу құрлғылардың жылдамдығын азайтады.
ЭЕМ жылдамдығын өсіру үшін, арифметикалық және логикалық амалдарды түрлендірмей сандардың тікелей кодтарымен орындауды қамтамасыз ететін, құрамдастырылған арифметико-логикалық құрылғылар істелген және қолдынылады.
Қосу және алу амалдарын орындау үшін, бір разрядты арифметикалық құрылғылардың істеу әдістері 5 суретте көрсетілген.
Қосу және алу амалдарының логикалық өрнектерін салыстырғанда, қосу(5, а сурет) және алу(5, б сурет) амалдарының өрнектері бір бірне сәйкес келеді, ал қарызға алу өрнегі қосу және алу амалдарының бөлігі болып табылады.
5 сурет. Ақиқат кестсі және құрылым формулалары қосу а), алу б) және бір разрядты АЛҚ сұлбасы в) .
Сонымен алу амалын орындау үшін қосымша сигналдар алудың қажетілігі жоқ, қосымша аппаратық шығымдар керек болмайды. операцияның коды сәйкес көшіру және қарызға алу сигналдарын комутациялауын қамтамасыз өткізу қажет.
5, в) суретте U кернеуінен келетін екі әр полярлы сигналмен басқару ісін орындайтын орындайтын басқару құрылғысы ролін екі клапанды қарапайым АЛҚ сұлбасы келтірілген. . 5суреттте сұлбаның бұл бөлігі пунктир сызықпен белгіленген. U=0 болғанда алу амалы орындалады, ал U=1 - қосу амалы орындалады. 5, в) суретінде
Басқару кернеуінен U әрполярлы сигналдармен басқарылатын
Көпразрядты АЛҚ интегралдық микросұлба түрінде шығарылады немесе процессордың негізі болып оның құрамына кіреді. МС 564ИП3 (6, а сурет) -бұл 16 арифметикалық және 16 логикалық операциялар жасайтын төртразрядты параллель АЛҚ
6сурет. 4-разрядты АЛУ 564ИП3 сұлбасы а) 564ИП4 тездетіп тасмалдау сұлбасы б) .
A(а0-а3) - бірінші операнд,
B(b0-b3) - екінші операнд,
S(s0-s3) - операция коды - 4 разрядты.
Егер M=0, онда арифметикалық амалдар орындалады: 4=16, M=1 болғанда логикалық операциялар орындалады: 4=16. Барлығы 16+16=32 операция.
F(f0-f3) -операция нәтижесі. A=B шығысында «1»пайда болады, егер азайту амалын орындағанда операцияның нәтижесі «0»тең болса, яғни A=B.
АЛҚ параллель типті болғандықтан оның G генерация шығысыжәне H тасмалдау таралуы бар. Pn және Рn+ -шығатын және кіретінтасмалдар.
Тізбектей тасмалдайтын параллель сумматордағы дай, МС АЛҚ өңдейтін сөздердің разрядтығын үлкейту үшін оны тізбектеп қосуға болады. Бұл жағдайда операция орындау уақыты өседі. Бұл уақытты азайту үшін, АЛҚ жылдам әсер етуін өсіру МС үшін, 564ИП4 жылдам тасмалдайтын сұлбаны қолдану керек. 6, б) сурет.
Төрт МС АЛҚ және бір жылдам тасмалдайтын МС 16 разядты толық параллель АЛҚалуға болады. Оның қосу уақыты бір микросұлбаның қосу уақытына тең.
1. 2 Мультиплексордың комбинпциялық сұлбасын жасау
Сандық системаларда ақпараттың көп түрі сымдар, кабельдер және платалaр проводниктерімен өтеді. Олар бір жерден екінші жерге екілік ақпараттық сигналдарды жібергенде қажет. Ал ақпаратты алыс жаққа жібергенде телефондық линиялар мен кабельдер қолданылады. Егер барлық ақпараттарды бір уақытта параллель линиялармен жіберсе, онда мұндай линияларға қажетті кабельдер ұзындығы өте көп және ондай байланыс өте қымбатқа түсетін еді. Осыны болдырмау үшін ақпараттарды бір сымның бойымен тізбектей өткізіп, жеткен жерінде ақпараттарды қайта параллельді түрге түрлендіретін құрылғыларды пайдаланады. Олар мультиплексор және демультиплексор деп аталады.
Мультиплексор - бірнеше сигналды-кірісі, бір немесе бірнеше басқарушы-кірісі және бір шығысы бар құрылғы. Мультиплексор бірнеше кірістерінің ішінен бір кіріс арқылы сигналдың шығысқа өтуіне мүмкіндік береді, бұл бір кірісті басқарушы сигналдың сәйкес комбинациясын беру арқылы алады.
Мультиплексордың 2 түрі бар
Аналогты
Сандық
Аналогты мультиплексор кірісті шығыспен тікелей электрлі түрмен қосады. Кірісі мен шығысы арасындағы кедергілері көп емес, шамамен оншақты ОМ-ға тең болады. Ал сандық мультиплексор кірісі мен шығысын электрлі қоспайды, тек кірістен шыққан логикалық дәрежені (0 немесе 1) шығысына көшіреді. Кейде аналогты мультиплексорды кілттер деп атайды.
Мультиплексорды коммутатор түрінде көрсетуге болады, ол бірнеше ақпараттық кірістердің ішінен бір кірісті шығысымен байланыстырады. Коммутатор рұқсат етуші (стробтаушы) және адрестік кірісі бар басқарушы схема арқылы жүзеге асады.
Адрестік кірістегі сигнал қандай ақпараттық каналдың шығысына қосылуын анықтайды. Егер ақпараттық канал n саны адресік кірістің m саны тең болса n=2, огда бұл толық мультиплексор деп аталады. Ал егер n<2 болса, онда мультиплексор толық емес деп аталады.
Рұқсат етуші (стробтаушы) кірісті мультиплексордің функционалды көрсеткішін кеңейтуге қолданады. Оларды мультиплексордің разрядын көбейту үшін және мультиплексордің басқа узелдермен синхронды жұмыс істеуін атқарады. Рұқсат етуші кірістегі сигналдар белгілі кірісті шығысымен байланыстыруына рұқсат беруіне де, бермеуіне де мүмкіндігі бар. Құрылғының барлық жұмысын да тоқтата алады. Басқарушы схема ретінде көбінесе дешифраторды қолданады. Сандық мультиплексорда коммутатор мен дешифратордың логикалық элементтері бірлеседі.
Xi логикалық сигналдар коммутатор кірісіне беріліп, коммутатор арқылы Y шығысына беріледі. Басқарушы схема кірісіне адрестік сигналдар Ак беріледі (ағылш. тілінен address) . Мультиплексорде тағы қосымша басқарушы кірісі Е болады (ағылш. тілінен Enable) . Ол кіріс сигналының шығысына У өтуін басқарады. Бұдан басқа кейбір мультиплексорлер 3 түрлі шығысы бары кездеседі. Екеуі 0 және 1 логикалық турде, ал біреуі сөндірілген шығыс түрде кездеседі. Үшінші түрінде шығыс кедергісі шексіз болады (жоғары импедансты Z-кейпі) . Мультиплексордің ушінші қалпына ауыстыруын басқарушы сигналды ОЕ (ағылш. тілінен Output Enable) өшірумен іске асады.
Мультиплексор триггерлі құрылғыларда, жиілік түрлендіргіштерде және т. б. қолданылады. Мультиплексорді көбінесе параллельді екілік кодты тізбіектейге өзгерту үшін қолданылады. Ол үшін мультиплексордің ақпараттық кірісіне параллельді екілік кодын, ал адрестік кірісіне, бірнеше кірістен бастап соңғы кіріске дейін сигналды кезек-кезекпен қосу керек. Мультиплексорді MUX (ағылш. тілінен multiplexer) немесе MS (ағылш. тілінен multiplexer selector) деп белгілейді.
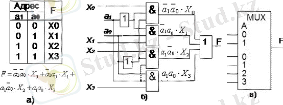
Мультиплексор сигналды тапсырады бірдің жалғыз Y шығуына Хi ақпараттық кірулерінен, және де кіру нөмірі екілік код ондық эквивалентіне бірдей адрестіктерді Аi. Кірулерінде егер ОЕ шығу рұқсат кіруі болса, онда «0» мына кіруде «0» енжар күй-жағдайға шығу тиісті ауыстыру. «4 в 1» мультиплексорды қарап шығамыз, бар болушы 4 ақпараттықтардың кіруді және log 4=2 адрестік кірулердің (сурет 5) . Х мөлшері қай мағыналар жасай алады. Сан кіріс өзгергіштердің бірдей 7, және шыншылдық кестесі 128 жол тиісті болу .
Мультиплексорлар есептеуіш техникте кең қолдануды тауып алады, мысалы, микропроцессорларға көптеген шығарулар «мультиплексалған», яғни әртүрлі сигналдардың ішкі қайнарлары бірнеше біреуінеге шығуға іске қосылады. Мынау тап осы шина сызықтарының сигналдары және мекенжай шиналары бола алады, тапсырылғандар жүйелі уақыттардың, не микропроцессор шығаруларының жалпы саны қысқартуға рұқсат етеді .
2. Мультиплексорлар. Дешифраторлар-демультиплексорлар
2. 1 Мультиплексорлар
n-адрестік кірісі, N=2nинформациялықкірісі, бір шығысы бар және N кіріс желісінен түсетін шығыс желісіне түсетін информацияны басқарылатын коммутация жасайтын функциональдық түйіншікті мультиплексор дейді. Белгілі кіріс желісін коммутациялау екілік адрестік кодына an-1, …a2, a1, a0сәйкес іске асырылады.
Егерде адрестің коды n разрядты болса, әр бір N кіріс желісін шығыс желісін қосуды қамтамасыз ететін N=2nадрестік сигналдардың комбинацияларын әске асыруға болады. Мұндай мультиплексорды «N-нен бірге» аталады.
Артық адрестік сигналдардың комбинациялары бар болса, кіріс желісініңкез келген N≤2n саны бар мультиплексор жасауға болады. Қарапайым жағдайда екі разрядты адрестық кодта(n=2) шығатын желілердің максималь саны N=2n=4 тең. Мультиплексордың ақиқат кестесі 33, асуретте көрсетілген.
33сурет. 4:1 мультиплексорыа) ақиқат кестесі;
б) функциональдық сұлбасы; в) шарты графикалық белгісі.
Ақиқат кестесіне сәйкес жазылған мультиплексордың сипатама теңдеуі мына түрде жазылады:
Мультиплексордың функциональдық сұлбасының құрамына екі инвертор, төрт «ЖӘНЕ»вентилі, және бір «НЕМЕСЕ» вентилі кіретіні алынған теңдеулерден білуге болады. Қазіргі уақытта өндіріс құрамына n=2, 3 және 4 адресті кірісі бар мультиплексорлер кіретін МС сериясын шығарады. n=2 тең болғанда қабаталғантөртканалды(2n=4) мультиплексорлердің информациялық кірістердің сигналдарының саны 2n+2n=8. 4 каналды қабаталғанстробтайтын шарты графикалық белгісі 34, а суретте келтірілген.
4сурет. Қосақталған 4-каналды мультиплексор К555КП12 а) және оның негіздегі 8-каналды мультиплексор б) .
Стробтау кірістері, k2n-информациалық кірістері бар, мұндағы k=2, 3, 4… тең, мультиплексорларды (коммутаторларды) істеуге қолдынылады. Сторбтауы бар, қосақталған 4-каналды 8:1 мультиплексордың сұлбасы 34, б суретте келтірілген. «0» жәнелог. «1» сәйкес тұрақты деңгейді ақпараттық кірістерге берілсе, онда мультиплексордың шығысында кез келген өзіңе ұнаған басқаратын кодтың айнымалысының функциясын алуға болады. Бірақ бұл жағдайда іске асырылатын шығатын функцияның айнымалыларының саны басқаратын кодтың разрядына тең.
Жалпы жағдайда ақпаратық кірістерге тұрақсыз логикалық деңгейлер беруге болады, сонда мультиплексордың шығысында айнымалысы көп логикалық функция іске асырылады.
2 2Дешифраторлар-демультиплексорлар19
... жалғасы- Іс жүргізу
- Автоматтандыру, Техника
- Алғашқы әскери дайындық
- Астрономия
- Ауыл шаруашылығы
- Банк ісі
- Бизнесті бағалау
- Биология
- Бухгалтерлік іс
- Валеология
- Ветеринария
- География
- Геология, Геофизика, Геодезия
- Дін
- Ет, сүт, шарап өнімдері
- Жалпы тарих
- Жер кадастрі, Жылжымайтын мүлік
- Журналистика
- Информатика
- Кеден ісі
- Маркетинг
- Математика, Геометрия
- Медицина
- Мемлекеттік басқару
- Менеджмент
- Мұнай, Газ
- Мұрағат ісі
- Мәдениеттану
- ОБЖ (Основы безопасности жизнедеятельности)
- Педагогика
- Полиграфия
- Психология
- Салық
- Саясаттану
- Сақтандыру
- Сертификаттау, стандарттау
- Социология, Демография
- Спорт
- Статистика
- Тілтану, Филология
- Тарихи тұлғалар
- Тау-кен ісі
- Транспорт
- Туризм
- Физика
- Философия
- Халықаралық қатынастар
- Химия
- Экология, Қоршаған ортаны қорғау
- Экономика
- Экономикалық география
- Электротехника
- Қазақстан тарихы
- Қаржы
- Құрылыс
- Құқық, Криминалистика
- Әдебиет
- Өнер, музыка
- Өнеркәсіп, Өндіріс
Қазақ тілінде жазылған рефераттар, курстық жұмыстар, дипломдық жұмыстар бойынша біздің қор #1 болып табылады.

Ақпарат
Қосымша
Email: info@stud.kz