ҚЫЗМЕТКЕРЛЕРДІҢ ЭЛЕКТР ТОГЫМЕН ЗАҚЫМДАНУ ҚАУІПТІЛІГІН ТӨМЕНДЕТУ ҮШІН ПОТЕНЦИАЛДАРДЫҢ ТЕГІСТЕУ ЖӘНЕ ТЕҢЕСТІРУ ЖҮЙЕЛЕРІН ҚОЛДАНУ


ПУЭ-ға сәйкес [8] потенциалды теңестіру - бұл электрлық потенциалдық (әлеуеттік) теңдікті қамтамасыз ету үшін өткізгіш бөлшектерді қосу.
Потенциалды теңестіру жүйесі - металл заттарындағы немесе қол тигізетін өткізгіш беттерінде потенциалды қауіпті айырмашылықтар пайда болған жағдайда адамды электр қуатынан зақымданудан қорғайды.
Потенциалды теңестіру жүйесінің негізгі элементі - негізгі жерге қосу шинасы (НЖШ) .
Басты жерлендіру шинасы қосылады:
- табиғи немесе жасанды жерлендіргішпен;
- өткізгіштердің қорғаныш жүйесімен;
- барлық құбыр өткізгіштемен;
- ғимарат құрылымының ток өткізгіш элементтерімен.
Ашық өткізгіш бөліктерге (АӨБ) және үшінші тарап өткізгіш бөліктеріне (ҮТӨБ) қосылған, бірақ бір-біріне гальваникалық байланыстырылмаған жекелеген жерлендіргіштердің болуы ғимараттың өткізгіш бөліктері арасындағы қауіптіпотенциалды айырмашылықтың тууына әкелуі мүмкін [8] .
Ғимаратта орналасқан әр түрлі жерлендіргіштер мен өткізгіш бөліктерді қосу үшін мыстан жасалған негізгі . Басты жерлендіргіш шинаны болаттанжасауға рұқсат етіледі. БЖШ ретінде кіріс тарату құрылғысында орналасқанРЕ (нөлдік қорғаныш өткізгіш) шинасын пайдалану ұсынылған [8] .
Орнату кезінде бөлек таратқыш құрылғысының басты жерлендіргіш
шина болуы тиіс қимасы РЕ - немесе PEN- кем емес қима өткізгіш қоректендіру желісінде орналасады жәнежабылатын шкафта сақталады.
Электрлік қондырғыларның ПУЭ [8] сәйкес 1000 В дейінгі теңестіру шамасыныңнегізгі жүйесі мынадай бөліктерді қосу керек:
- нөлдік қорғайтын өткізгіш РЕ немесеРЕ жолсерік қоректендіруші желі жүйесі TN;
- жерге тұйықталу өткізгіші АТ және ТТ жүйелерінде электр қондырғысының жерге тұйықтаушықұрылғысына қосылған;
- ғимараттың кіреберісінде жерге тұйықталу өткізгішіне қайта қосылған(бар болса) жерлендіргіштің өткізгіші;
- ғимаратқа кіретін металл құбырлар: ыстық және суық сумен жабдықтау, канализация, жылу, газбен қамтамасыз ету және т. б. газбен жабдықтау құбырының ғимараттың кіреберісінде оқшаулағыш қаптамасы болған жағдайда, ғимараттың жақтың оқшаулағыш қаптамаға қатысты орналасқан бөлігінепотенциалды теңдестірудің негізгі жүйесіне құбырдың тек қана сол бөлігі жалғанады [8] ;
- ғимараттың тірек металл бөліктері;
- орталықтандырылған желдету және ауа баптау жүйелерінің металл бөліктері (егер бар болса орталықтандырылмаған желдету және ауаны баптау жүйелерінің қатысуымен металл ауа өткізгішітерін
РЕ шинасына желдеткіштер мен қуат көзіне қосу керек) ;
- 2-ші және 3-ші санаттағы найзағайдан қорғау жүйесінің жерге тұйықтаушы құрылғысы;
- жерге тұйықтау өткізгішінің функциональды(жұмыс) жерге тұйықталуы (егер ол бар болса және жерге тұйықталатын қорғаныш құрылғысына жұмысшы жердің желісін қосуға шектеулер болмаса) ;
- телекоммуникациялық кабельдердің металл қаптамасы.
Барлық көрсетілген бөліктерді потенциалды теңестірудің негізгі жүйесімен байланыстыруқосалқы потенциалды өткізгіштерді негізгі жердегі шинаға қосу арқылы жүзеге асу керек.
ПУЭ ға сәйкес жерлендіруді қосу мен біріктіру қорғаныш өткізгіштер мен өткізгіштерден потенциалдардың теңестіру және тегістеу жүйесі электр тізбегінің сенімділігі мен үздіксіздігін қамтамасыз етуі керек.
![]()
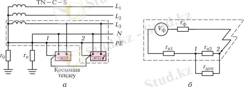
Сур. 12. 1. Потенциалдарды теңестірудің қосымша жүйесі
Қорғаныштеңестіру потенциалыэлектр қауіпсіздігін қамтамасыз етуге арналған. Бірқатар жағдайларда, ПУЭ-ге сәйкес, стационарлық электрлік жабдықтың өткізгіш бөліктері мен бірыңғай қол жетімді болатын жанама өткізгіш бөліктерді, соның ішінде қол тигізетін ғимараттың құрылыс конструкцияларының металл бөліктерін, ТЖ жүйесіндегі қорғаныс өткізгіштер және АТ және ТТ жүйелеріндегі қорғағыш жерге тұйықтағыштар, сонымен қатар штепсаль розетканың қорғаныс өткізгіштеріне нөлге тең болуы тиіс қосымша потенциалды теңдестіру жүйесі пайдаланылады (cур. 12. 1) .
Өндіріс ортасының нашар жағдайларына байланысты электр тоғының соғу қаупі жоғары жерлерде, мысалы, жоғары ылғалдылық пен температураны немесе белгісіз әлеуеті бар металлды технологиялық байланысты болған жерде ғанақосымша теңестіру байланысын құру қарастырылады.
Сыртқы өткізгіш бөліктерден ағып кететін ағымдарға байланысты қосымша потенциалды теңестірудің кемшіліктері бар екенін атап өткен жөн:
- СПЧ өткізгіштерінің жанында фондық магнит өрісін қалыптастыру;
- болат құбырларының электрохимиялық тоттану жылдамдығын арттыру.
а - қағидатты схема, б - эквивалентті схема; Гф -фаза сымдарының кедергісі; Гн1 и гн2 - нөлдік сымның кедергісі; гдопҚысқа тұйықталу тогының қосымша потенциалды теңестіру өткізгіштері арқылы, содан кейін үшінші тараптың өткізгіш бөліктері ағуында автоматты өшіруге дейін орын алады:
![]()
Сурет. 12. 2. Корпусқа тұйықталған кезде әлеуеттердің қосымша теңдеуі:
- әлеуеттердің қосымша теңдеу сымдарының кедергісі
- қысқа тұйықталу тогы болмайтын, СПЧ-ге қатысты 22 өткізгіштермен байланыста болатын сыртқы өткізгіш бөліктеріндегі сыйымдылықты арттыру. Өткізгіштердің кедергісіне байланысты кернеу 0, 5 𝑈ф. болуы мүмкін
- қысқа тұйықталу тогы өтетін сыртқы өткізгіш бөліктердің маңында магнит өрісінің импульсінің пайда болуы. Осылайша, потенциалды қосымша теңестіруді қолдану кезінде ашық өткізгіш бөліктер мен сыртқы өткізгіш бөліктер арасындағы қысқа тұйықталу токтары мен ағындық ток тізбегінің қалыптасуының теріс салдарын ескеру қажет. Нөлге келтіру жүйесімен біріктірілген ОПЧ бойынша потенциалды қосымша теңестіру кезінде екі жағдай қарастырылуы керек:
- ЭП1 бірінші электр қабылдағышына қысқа тұйықталу.
- екінші корпусында ЭП2 сызық бойымен тұйықталу болды. Келесі баламалы ауыстыру схемасын талдаудан келіп шығатыны қосымша потенциалды теңестіру жолымен қалыптастырылған контурда ток ағып кетпейді және 1 және 2 корпуспотенциалы тең болады (12. 2-сурет) .
- Іс жүргізу
- Автоматтандыру, Техника
- Алғашқы әскери дайындық
- Астрономия
- Ауыл шаруашылығы
- Банк ісі
- Бизнесті бағалау
- Биология
- Бухгалтерлік іс
- Валеология
- Ветеринария
- География
- Геология, Геофизика, Геодезия
- Дін
- Ет, сүт, шарап өнімдері
- Жалпы тарих
- Жер кадастрі, Жылжымайтын мүлік
- Журналистика
- Информатика
- Кеден ісі
- Маркетинг
- Математика, Геометрия
- Медицина
- Мемлекеттік басқару
- Менеджмент
- Мұнай, Газ
- Мұрағат ісі
- Мәдениеттану
- ОБЖ (Основы безопасности жизнедеятельности)
- Педагогика
- Полиграфия
- Психология
- Салық
- Саясаттану
- Сақтандыру
- Сертификаттау, стандарттау
- Социология, Демография
- Спорт
- Статистика
- Тілтану, Филология
- Тарихи тұлғалар
- Тау-кен ісі
- Транспорт
- Туризм
- Физика
- Философия
- Халықаралық қатынастар
- Химия
- Экология, Қоршаған ортаны қорғау
- Экономика
- Экономикалық география
- Электротехника
- Қазақстан тарихы
- Қаржы
- Құрылыс
- Құқық, Криминалистика
- Әдебиет
- Өнер, музыка
- Өнеркәсіп, Өндіріс
Қазақ тілінде жазылған рефераттар, курстық жұмыстар, дипломдық жұмыстар бойынша біздің қор #1 болып табылады.

Ақпарат
Қосымша
Email: info@stud.kz