ЭЛЕКТРОҚОНДЫРҒЫЛАР: ҚАУІПСІЗДІК ШАРАЛАРЫНЫҢ ЖІКТЕЛУІ, ҚАБЫЛДАНҒАН БЕЛГІЛЕР

 
    
Барлық электр желілері бөлінеді:
- кернеуі 1000 В (1 кВ) дейінгі желіде;
- кернеу 1000 В-тан астам (1кВ-ден астам) .
Кернеуі 1000В-ға дейінгі желілерге тұрмыстық және өнеркәсіптік мақсаттар үшін электр қондырғыларын электрмен қамту үшін пайдаланылатын желілер жатады, олардың кернеуі 1000 В-тан аспайды . Электрлік қондырғылар 1000 В жоғары кернеулі тұтынушылар мүддесі үшін электр энергиясын беру, айырбастау және тұрақты тарату
үшін пайдаланылатын 1000 В-нан астам желі кернеуі пайдаланылады.
Желілердің бұл бөлімі желілерді пайдалану кезінде қызметкерлер қауіпсіздігін қамтамасыз ету және кернеуі 1000 В жоғары кернеулі электр қондырғылары кернеуі 1000 В-қа дейін желілерге қарағанда өзгеше тәсілдерді қажет етеді.
Электр қауіпсіздігі бойынша барлық электрқондырғылар бөлінеді: а) 1000 В дейінгі кернеудегі ток кернеуі:
- жерге тұйықталған бейтарап тораптарда 1 кВ дейін;
- оқшауланған бейтарап тораптарда 1 кВ дейін; б) 1000 В жоғары кернеуі бар желілер:
- доғалы реакторы немесе бейтарапты резистор арқылы оқшауланған немесе жерге тұйықталған желілерде 1 кВ-тан жоғары кернеу;
- кернеуі 1 кВ-тан жоғары желілерде, тегіс немесе тиімді жерге тұйықталған бейтарап тараптарда.
Тиімді жерге қосылған бейтарап электр желісі - бұл 1000 В-тан жоғары кернеуі бар үш фазалы электр желісі, онда жерге тұйықтау коэффициенті 1, 4-тен аспайды.
Үш фазалы электр желісінің жерге тұйықталу коэффициенті - бүлінбеген фазалар мен жерге тұйықталған нүкте арасындағы екінші немесе екі басқа фазалардың арасындағы әлеуетті айырмашылықтың осы кезеңдегі фаза мен жер арасындағы ықтимал айырмашылыққа қатынасы.
1000 В дейінгі кернеулі электр қондырғыларында келесі белгілер қабылданады:
- электрмен жабдықтаудың бейтараптылығы толығымен жерге тұйықталған TN жүйесі және электр қондырғысының ашық өткізгіш бөліктері нөлдік қорғаныс өткізгіштер арқылы бейтарап көздің жерге тұйықталған бейтараптамасына қосылған;
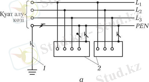
- нөлдік қорғағыш және бейтарап өткізгіштер бірдей өткізгішке бүкіл ұзындық бойынша тураланған TN-C жүйесі TN (5. 1-сурет) ;
урет. 5. 1. TN-С жүйесі :

а - ауыспалы ток, б - тұрақты ток: 1 - қуат көзін (орта нүетеде) бейтарап жерлендіру; 2 - ашық өткізгіш бөліктер; 3 - тұрақты токтың қуат алу көзі

Ауыспалы токтың - TN-Sжүйесі, б, в - тұрақты токтың: 1 - ауыспалы токтың көзінен бейтарап жерлендіру ; 1-1 - тұрақты ток көзінен шығу жерлендіру; 1-2 - тұрақты ток көзінен орта нүетеден жерлендіру; 2 - ашық өткізгіш бөліктер; 3 - қуат көзі
- нөлдік қорғаныс және нөлдік жұмыс өткізгіштері бүкіл ұзындығы бойымен бөлетін TN-S жүйе TN (5. 2 сурет) ;
- TN-C-S жүйесімен, мұнда нөлдік қорғаныс және нөлдік жұмыс өткізгіштердің функциялары қуат көзінен бастап бір бөлікте бір өткізгішке біріктірілген (5. 3-сурет) ;
- қуат көзінің бейтарапты жерінен оқшауланған немесе үлкен кедергісі бар құрылғылар немесе құрылғылар арқылы жерге тұйықталған АТ жүйесі бар және электр қондырғысының ашық өткізгіш бөліктері жерге тұйықталған (5. 4-сурет) ;
- TT жүйесімен - қуат көзінің бейтараптылығына негізделген жүйе және электр қондырғысының ашық өткізгіш бөліктері бейтараптандырылған бейтарапты жерге тұйықтау қондырғысы арқылы жерге тұйықтау қондырғысы арқылы жерге тұйықталған (5. 5-сурет) .
... жалғасыБірінші әріп жердің энергетикалық көзінің бейтараптығын көрсетеді: T - жерге тұйықталған бейтарап;
І - оқшауланған бейтарап.
Екінші әріп жерге қатысты ашық өткізгіш бөліктердің күйін көрсетеді:
T - ашық өткізгіш бөлшектер қуат көзінің бейтараптылығына немесе жабдықтау желісінің кез келген нүктесіне қарамастан, жерге тұйықталған;
N-ашық өткізгіш бөлшектер қуат көзінің жерлендірілген бейтараптылығына қосылған.
N әрпінен кейінгі әріптер комбинацияны бір өткізгішке және нөлдік қорғаныс өткізгіштердің функцияларын бөліп көрсетеді:
S - нөлдік жұмыс (N) және нөлдік қорғаныс (PE) өткізгіштері бөлінеді;
5. 3 сурет. TN-C-S жүйесі:
а - ауыспалыток, б, в - тұрақтыток: 1 - ауыспалыток қуат көзіне бейтарап жерлендіру; 1-1 - тұрақты ток көзіне жерлендіру шығару; 1-2
- тұрақты ток көзіне орта нүктедегі жерлендіру; 2 - ашық өткізгіш бөліктер; 3 - қуат алу көзі

5. 4. сурет TN-S жүйесі:
а - ауыспалы ток, б, в - тұрақты ток: 1 - қуат көзіне бейтарап жерлендіру қарсылығы (егер бар болса) ; 1. 1 - жерлендіру; 1. 2 - ашық өткізгіш бөліктер; 2 - жерлендіру құрылғысы; 3 - қуат алукөзі
C - нөлдік қорғаныс және нөлдік жұмыс өткізгіштердің функциялары бір өткізгішке (PE өткізгіш) біріктіріледі;
N-нөлдік жұмыс (бейтарап) өткізгіші;
РЕ-қорғаныс өткізгіші (жерге қосу өткізгіші, бейтарап қорғаныс өткізгіші, потенциалды теңестіру жүйесінің қорғаныс өткізгіші) ;
PЕN біріктірілген нөлдік қорғаныс және нөлдік жұмыс өткізгіштер .
Жерлендірілген бейтарап жерлендіргішке тікелей қосылған трансформатордың немесе генератордың бейтараптығын білдіреді [8] .
Жерлендірілген үш-сымды тұрақты ток желілеріндегі бір фазалы айнымалы ток көзі немесе тұрақты ток көзі болуы мүмкін.
Бейтарап оқшауланған - трансформатордың немесе генератордың жерге тұйықтау құрылғысына немесе бейтараптылығына байланысты оған сигнал берудің, өлшеудің, қорғаудың және басқа ұқсас
құрылғылардың үлкен қарсыласу құрылғылары арқылы қосылған [8] .
Электр өткізгіш бөлік - электр тогын өткізе алады [8] .
- Іс жүргізу
- Автоматтандыру, Техника
- Алғашқы әскери дайындық
- Астрономия
- Ауыл шаруашылығы
- Банк ісі
- Бизнесті бағалау
- Биология
- Бухгалтерлік іс
- Валеология
- Ветеринария
- География
- Геология, Геофизика, Геодезия
- Дін
- Ет, сүт, шарап өнімдері
- Жалпы тарих
- Жер кадастрі, Жылжымайтын мүлік
- Журналистика
- Информатика
- Кеден ісі
- Маркетинг
- Математика, Геометрия
- Медицина
- Мемлекеттік басқару
- Менеджмент
- Мұнай, Газ
- Мұрағат ісі
- Мәдениеттану
- ОБЖ (Основы безопасности жизнедеятельности)
- Педагогика
- Полиграфия
- Психология
- Салық
- Саясаттану
- Сақтандыру
- Сертификаттау, стандарттау
- Социология, Демография
- Спорт
- Статистика
- Тілтану, Филология
- Тарихи тұлғалар
- Тау-кен ісі
- Транспорт
- Туризм
- Физика
- Философия
- Халықаралық қатынастар
- Химия
- Экология, Қоршаған ортаны қорғау
- Экономика
- Экономикалық география
- Электротехника
- Қазақстан тарихы
- Қаржы
- Құрылыс
- Құқық, Криминалистика
- Әдебиет
- Өнер, музыка
- Өнеркәсіп, Өндіріс
Қазақ тілінде жазылған рефераттар, курстық жұмыстар, дипломдық жұмыстар бойынша біздің қор #1 болып табылады.
 
            
                Ақпарат
Қосымша
Email: info@stud.kz
