Біржолды автоблокировка рельс тізбектерінің ауысып қосылуы


Кіріспе
Теміржол көлігіндегі автоматика, телемеханика және байланыс саласында, оның ішінде кеңінен қолданылып жүрген автоблокировка, электрлік және диспетчерлік орталықтандырудағы жоғары жиіліктегі телефон аппаратурасындағы, абонентті және дыбыстық телеграфиядағы автоматты телефон станцияларындағы, аппаратуралардағы әртүрлі технологиялық байланыс пен дискретті ақпарат таратулар даму үстінде екені анық. Соның ішінен жоғары жылдамдықты көлік қозғалысының автореттеу жүйесі мен базалық микропроцессорлардың заманауи басқару жүйесіне микропроцессорленген электрлік орталықтандырудағы көптаңбалы локомотивті сигнализация, диспетчерлік орталықтандыруларға басты назар аударылып жатыр.
Теміржолдағы автоматика және телемеханика құрылғыларын электр қоректендіру үшін түзеткіштер, жартылайөткізгішті түрлендіргіштер, химиялық ток көздері, дизель-электрлі агрегаттар және т. б. пайдаланылады. Осы жабдықтардың барлығы электр қоректендіру құрылғыларын кернеу және токпен берілген автоматика және телемеханика аппаратураларын энергиямен қамтушылар құрамына кіреді.
Әр түрлі электротехникалық құрылғылардың жұмыс атқаруы үшін белгілі бір параметрлері бар ( кернеу, жиілік, фазалардың саны) және белгілі бір сапа көрсеткіштері бар (тұрақсыздық, кернеудің амплитудасы және тағы басқа) электр энергиясы қажет. Электр энергия көздерін қабылдағыштармен әр түрлі түрлендіргіштер арқылы сәйкестендіреді.
Күрделі шығындарды және эксплуатациялық шығындарды азайту үшін, темір жол көлігінде байланыс аппаратураларын біріктіреді және арнайы жабдықталған ғимараттарда орналастырылады. Бірінші ретті байланыс желісін ұйымдастырғанда, жабдықтарды желілік-аппараттық цехтерде (ЖАЦ) орнатады, ал екінші ретті байланыс желілерін ұйымдастырғанда, телефон және телеграф бекеттерінің ғимаратына орнатылады. Алып бекеттердегі және темір жол тораптарындағы барлық байланыс жабдықтары байланыс үйлері деп аталатын, жеке қызметтік-техникалық ғимараттарда орналасады.
Негізінен жоғары жылдамдықты көлік қозғалысының автореттеу жүйесі мен базалық микропроцессорлардың жаңа заманғы басқару жүйесіне микропроцессорленген электрлік және диспетчерлік орталықтандыруларға басты назар аударылып жатыр. Бұл жабдықтардың барлығы электрқоректендіру құрылғыларын кернеумен, токпен берілген автоматика және телемеханика аппаратураларын энергиямен қамтушылар құрамына кіреді.
1. Автоблокировкада блоктар мен сұлбалар құру
1. 1 Автоблокировкадағы екіаралық блок
Автоматты блокировкада екіаралық блок - аралықтарға автоматты түрде жұмыс істейтін өтпелі бағдаршамдармен бөлінеді. Блок - аралықтың ұзындығы көрші бағдаршамдар аралығына тең. Үш мәнді сигнализациялы автоблокировкада блок - аралықтың ұзындығы пойыздың іске асыра алатын жоғарғы жылдамдығында қызметке байланысты тежеу кезіндегі жүретін жолының ұзындығынан, сонымен қатар оның ұзындығы шұғыл тежеу кезіндегі (автотоқтатқыш жұмысқа қосылғанға дейін жүрілген жолды қосқанда) жүрген жолдан кем болмау керек, сөйтіп оның ұзындығы 1000 - 2600 м дейін жетеді. Өтпелі бағдаршамдағы сигнал көрсеткішінің автоматты түрде өзгеруі әр блок - аралығының шегінде орналастырылған электрлі рельс тізбектері арқылы пойыздың бағдаршамын басқаратын аппаратураға әсер еткендігінен болады. Электрлі рельс тізбектері арқылы блок - аралығының бос еместігі ғана бақыланып қоймай, сондай - ақ релістердің бүтіндігі (мысалы, рельстің толық сынғандығы немесе алып тасталғандығы анықталады) бақыланады. Қазіргі автоблокировка жүйесіндегі рельс тізбегінің электр сызбалары едәуір күрделі. Рельс тізбектері бір - бірінен ажыратқыш түйіспелерімен (АТ) бөлінген. Басты жолдарда ажыратқыш түйіспенің жаңа түрі - желімді бұрандалы ажыратқыш қолданылады. Рельс тізбектерінің ток көзі - жол батареясы (ЖБ) . Оның құрамы - аккумулятор (А), түзеткіш (Т) және тоқты пайдаланушы жол релсьі (ЖР) . Автоблокировка жоғарғы вольтты электр беретін сигнал желісінен қоректенеді. Егер блок - аралық бос болса, тоқ қоректендіру көзінен рельспен жол рельсіне жетеді, ол сигнал батареясының СБ тізбегін бағдаршамның жасыл отына тұйықтайды. Егер блок - аралық тіпті бір қос доңғалақпен бос емес болса, онда ток дол рельсіне жетпейді, оның якорі төмен түседі де, сигнал батареясының тізбегі бағдаршамның қызыл отын тұйықтайды.
Пойызды жүргізуге тұрақты немесе айнымалы тоқты электр жетек күші пайдаланылатын жолда санды кодты импульстер түрінде рельс тізбектері жасалады. Рельс тізбегінде коды бар автоблокировканы санды кодты автоблокировка дейді. Мұнда алда тұрған бағдаршамның сигнал көрсеткіші рельс тізбегі арқылы артта қалған бағдаршамға жеткізіледі. Осы бағдаршам алдындағы рельс тізбегінде жіберілген токтың белгілі сигнал коды әрбір сигнал жарығына сәйкес келеді, егер рельс тізбегіндегі код айналымында үш импульс болса (Ж код), онда алдағы бағдаршамда жасыл от жанады, код айналымында екі импульс болса (С код), онда алдағы бағдаршамда сары от жанады. Егер код айналымында бір импульс болса (Қ код), онда алдағы бағдаршамда қызыл от жанады. Бұл сигнал кодтары локомотив бағдаршамының (АЛС) оттарын да басқарады. Электрленген жолда рельстермен жетек күшінің тұрақты немесе айнымалы тогы және автоблокировканың рельс тізбектерінің айнымалы тогы жүреді. Жетек күштерінің тогын ажыратқыш түйіспелерден айналып өткізу үшін рельс тізбектеріне арнайы аспап - дрюссель - трансформатор және жиілік сүзгілері қосылады.
Автоблокировка сигнализациясының мәніне қарай: екі мәнді (Қ, Ж), үш мәнді (Қ, С, Ж), төрт мәнді (Қ, С, СЖ, Ж) болып бөлінеді. Алыс сапарлық және қала мандық жолаушылар пойыздары араласып жүретін үлкен қалалар маңындағы жолда және жолаушылар жүрдек пойыздары көп жолда көбінесе төрт мәнді автоблокировка пайдаланылады. Жүрдек пойыздың тежелу жолының ұзындығы қала маңдық пойыздың тежелу жолынан әлдеқайда ұзынырақ болғандықтан оның тежеуіштерін бағдаршамның сары және жасыл оты қатар жанғанда іске қосады, ал қала маңдық пойыз тежеуіштерін бағдаршамның сары оты жанғанда іске қосады. Бір бағытта екі қала маңдық пойыздардың аралығын қысқарту үшін бағдаршамдарды осы пойыздардың тежелу жолының ұзындығына байланысты орнатады және де блок - аралығы 500 м-ден аз болмау керек. Екі мәнді автоблокировкада әр бағдаршамның көрсету белгісі оның алдындағы бағдаршамның белгі көрсеткіштеріне байланысты емес, ол бағдаршамның тек өзіне қарасты блок - аралығының жағдайына байланысты: блок - аралығы бос болса бағдаршамда - жасыл, бос емес болса - қызыл жанады. Үш және төрт мәнді автоблокировкада бағдаршамдар өзара электрлі байланыста, яғни бағдаршамның белгі көрсеткіші тек блок - аралығының жағдайына байланысты ғана емес, ол өзінің алдындағы бағдаршамның белгі көрсеткішіне де байланысты. Мұндай байланыстылық бағдаршамдар аралығындағы байланыс тізбектерінің құрылғысын (кабельді немесе сым) немесе кодты рельс тізбектерін пайдалану арқылы қамтамасыз етіледі.
Басқа жүйелермен салыстырғанда кодты автоблокировканың бірқатар артықшылығы бар: өтпелі бағдаршамдардың өзара байланысына сым желілері қажет емес, олардың орнына кодты рельс тізбегі пайдаланылады. Сонымен қатар бағдаршамның көрсетуі локомотивтердің АЛС жүйесіне беріледі. Санды кодты автоблокировканың қос жолдық түрлері пайдаланылады. Пойыз жылдамдығы сағатына 140 км дейін қала маңдық жолда қалыптасқан үш және төрт мәнді автоблокировканың жүйесін ( мұнда АЛС қосымша сигнал жүйесі есебінде қаралады) пайдаланудан бас тартудың қажеті жоқ. Кейінгі жылдары автоблокировканың жаңа түрлері жасалып, өндіріске енгізілуде, олар жетек күштерінің кез келген түрлері пайдаланылатын өте жоғары беріктілігімен айрықшаланады:
жиілігі жоғарлатылған 100-140 Гц айнымалы токты рельстер тізбегі мен АЛС жүйесін пайдаланатын жиілік автоблокировка;
гетеродинді қабылдағыштары бар жиілігі 75-83 Гц айнымалы токты рельстер тізбегін пайдаланылатын автоблокировка;
ажыратқышты түйіспелерсіз және өтпелі бағдаршамсыз рельс тізбектері бар, әрі екіаралықтағы аппаратуралары көрші стансаларда орналастырылған жиілік автоблокировка;
рельс тізбектерінің босатылуы мен жолдағы бағдаршамдарының көрсетулері бағдарламалы түрде бақыланатын бірыңғайланған автоблокировка жатады.
1. 2 Біржолды АБ сұлбаларын құрудағы талаптары және негізгі элементтері
Біржолды АБ сұлбаларын келесі талаптардың сақталуымен құрады:
1. АБ сигналдары аралық бойынша тек бір ғана бағытта қозғалысты рұқсат етуі тиіс;
2. Бағдаршамдар арасындағы байланыс үшін желілік тізбектер қозғалыстың жұп және тақ бағыттарында ортақ болуы және тек қозғалыстың орнықтырылған бағытындағы бағдаршамдардың байланысы үшін пайдаланылуы керек;
3. Әр сигналдық қондырғының бағдаршамдарын бір желілік реле Л басқаруы тиіс. Бұл реле қозғалыс бағытына байланысты осы бағдаршамды алда орналасқан бағдаршаммен байланыстыратын желілік тізбекке қосылуы тиіс;
4. Тұрақты тоқтағы РТ-нің сұлбаларында қозғалыс бағытына байланысты БУ-нің кіру соңында импульстік қорек көзін қосу керек, ал шығу соңында - импульстік жолдық релені қосу керек;
Айнымалы тоқтағы РТ-нің сұлбаларында қозғалыс бағытына байланысты БУ-нің шығу соңында кодалық қорек көзін қосу керек, ал кіру соңында - импульстік жолдық релені қосу керек;
5. Орнықтырылған қозғалыстағы біржолды АБ сұлбаларының жұмысы екіжолды АБ сұлбаларының жұмысы сияқты орындалуы тиіс. Біржолды АБ-ның негізгі элементтері:
- бағыт өзгерту сұлбасы;
- орнықтырылған қозғалыс бағытындағы жолдық бағдаршамдар арасындағы байланысты жүзеге асыратын желілік тізбектер;
- орнықтырылған қозғалыс бағытындағы бағдаршамдардың шамдарын қосатын сигналдық тізбектер;
- орнықтырылған қозғалыс бағытындағы автоматты локомотивтік сигнализацияны қосу үшін арналған кодалау тізбектері;
- диспетчерлік бақылау тізбектері;
- пойыздың стансаға немесе аралықтағы переездерге жақындауын хабарлау тізбектері;
- байланыстыру сұлбалары.
Орнықтырылған қозғалыс бағытына байланысты АБ тізбектерін ауыстырып қосу үшін тізбегінде әр сигналдық нүктеде Н бағыт релесін қосатын бағыт ауыстыру сұлбасы қолданылады. Тізбектей қосылған Н релелері қоректі әрқашанда “қабылдауда” қойылған стансадан алады. Н релесінің полярландырылған якорінің түйіспесі арқылы 1Н және 2Н қайталағыштары қосылады (сурет 1, а) . Қосарланған сигналдық қондырғыда 1Н релесі әрқашанда Н релесінің полярландырылған якорінің қалыпты түйіспесі арқылы, ал 2Н релесі ауысқан түйіспесі арқылы қосылады.
Сурет 1. Біржолды автоблокировканың ауыстырып-қосушы құрылғылары
Жалғыз тұрған сигналдық қондырғының 1Н релесі, егер қозғалыс бағыты осы бағдаршамға сәйкес келсе, Н релесінің қалыпты түйіспесімен қосылады. Әрбір жалғыз тұрған және қосарланған сигналдық қондырғыда бір желілік реле және бір желілік батарея қолданылады (сурет 1, б) . Екіжолды АБ-дағы сияқты қозғалыс бағытына сәйкес Л релесі ауысып қосылады және бағдаршамды алда орналасқан бағдаршаммен байланыстырады. Тақ бағытты қозғалыста 5/6 қосарласқан бағдаршам тұсында ЖБ желілік батарея 1Н релесінің фронттық түйіспесімен кейін орналасқан бағдаршамның Л желілік релесін қосу үшін, 2Н релесінің тылдық түйіспесімен Л релесі алда орналасқан бағдаршамның желілік тізбегіне қосылады. Қозғалыс бағытына сәйкес жалғыз орналасқан 3 бағдаршам сигналдық қондырғысында ЖБ қорек көзі 1Н релесінің фронтттық түйіспелерімен кейінгі бағдаршамның желілік тізбегіне қосылады, ал 2Н релесінің тылдық түйіспелерімен Л желілік релесі алда орналасқан бағдаршамның желілік тізбегіне қосылады.
Қозғалыс бағытына сәйкес емес жалғыз орналасқан сигналдық қондырғыда (4 бағдаршам) желілік тізбектен Л релесі және ЖБ қорек көзі толығымен ажыратылған. Қозғалыс жұп бағытқа ауысқанда желілік тізбек ауысып қосылады:
қозғалыс бағытына сәйкес жалғыз орналасқан 4 бағдаршамда ЖБ қорек көзі кейінгі бағдаршамның желілік тізбегіне қосылады, ал Л желілік релесі алда орналасқан бағдаршамның желілік тізбегіне қосылады;
қозғалыс бағытына сәйкес емес 3 бағдаршамда желілік тізбектен Л релесі және ЖБ қорек көзі толығымен ажыратылады. Қосарласқан сигналдық қондырғылардың сигналдық релелері (сурет 1, в) . тек Л релесінің түйіспесімен қосылады, ал қозғалыс бағытына сәйкес емес жалғыз орналасқан сигналдық қондырғыларда С релесі 2Н релесінің фронттық түйіспесімен қорек алады. С релесінің фронттық түйіспелері ДБ диспетчерлік бақылау тізбектерінде пайдаланылады. Қосарласқан қондырғыларда тақ бағыт бағдаршамдарының шамдары 1Н релесінің фронттық түйіспесімен, жұп бағытта - 2Н релесінің түйіспесімен қосылады. Жалғыз орналасқан қондырғыларда бағдаршам шамдары Н релесі тура полярлық қорек алғанда 1Н релесінің фронтттық түйіспесімен қосылады. Тұрақты тоқтағы біржолды АБ-да әр сигналдық қондырғыда бір ортақ И1 импульстік релесі және бір жолдық батарея қолданылады (сурет 2 көрсетілген) . Импульстік қорек көзі әрқашанда БУ-нің кіру соңына, ал И1 импульстік жолдық реле шығу соңына қосылады.
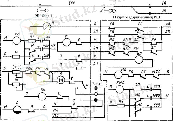
Сурет 2. Біржолды автоблокировка рельс тізбектерінің ауысып қосылуы
Қозғалыс бағытына сәйкес БУ-нің басы мен соңы орындарын ауыстырады, сондықтан, көршілес рельс тізбектеріндегі қорек көзі мен И1 релесінің ауысып қосылуы талап етіледі. Бұл аралықтағы әр сигналдық қондырғыда 1Н және 2Н релелерінің түйіспелерімен жүзеге асады. Тізбектердің күйі тақ бағытты қозғалысқа және пойыздың 3 бағдаршам артында болуына сәйкес келеді. Негізгі релелер және құралдар:
Н - бағыт релесі; Л - желілік реле; 1Н, 2Н - бағыт релесінің қайталағыштары; С - сигналдық реле; С1, С2 - сигналдық реле қайталағыштары; П1 - жолдық реле қайталағыштары; РД - релелік дешифратор; И - импульстік жолдық реле; А - апаттық реле; О - оттық реле; КО, КО1 - қызыл оттың оттық релелері.
Орнықтырылған қозғалыс 3, 5, 7 сигналдық қондырғыларда Н релелері тура полярлық тоғымен қозған және 1Н релелері қосылған, 4 бағдаршам сигналдық қондырғысында Н релесі кері полярлық тоғымен қозған және 2Н релесі қосылған. 1Н және 2Н релелерінің түйіспелерімен АБ-ның тақ бағытты қозғалыстағы жұмысы үшін сигналдық қондырғылардың барлық тізбектері ауысып қосылады. 3П блок-учаскесі бос емес болғандықтан, 1 бағдаршамда - И1, П, ал 3 бағдаршам тұсындағы Л желілік релесі өшкен күйде. Л релесінің нейтралдық якорінің қайталағыштары болып табылатын С және С1 релелері якорьлерін түсіреді. С1 тылдық түйіспелерімен О оттық реле тізбегі қызыл от шамымен тізбектей тұйықталады. 3 бағдаршамда қызыл от жанады. С1 релесінің тылдық, О релесінің фронттық түйіспелерімен КО оттық релесінің қорек тізбегі тұйықталады. 3 бағдаршам релелік шкафында И1 релесі импульстік режимде жұмыс істеп тұр және РД релелік дешифратор арқылы ПИ, ПИ1, П, П1 релелері қозған. О, 1Н, П1 релелерінің фронттық және С1 релесінің тылдық түйіспелерімен 5 бағдаршамның Л релесінің қорегі үшін желілік тізбек кері полярлық тоқпен тұйықталады. Нәтижесінде, 1Н, С1 релелерінің фронттық түйіспелерімен және Л релесінің ауысқан полярландырылған түйіспесімен О оттық реле орамасы арқылы 5 бағдаршамда сары от шамының тізбегі тұйықталады, яғни, 5 бағдаршамда сары от жанады және 8 бағдаршамдардағы қызыл от шамдары қылдарының бүтіндігі осы шамдармен тізбектей қосылған КО, КО1 оттық релелерінің қозған күйімен бақыланады, 3 бағдаршамдағы қызыл от шамы күйіп кеткен жағдайда, О оттық реле өшеді де, өзінің түйіспелерімен 5 бағдаршамның Л релесін ажыратады. Нәтижесінде, 5 бағдаршамда қызыл от жанады (қызыл оттың тасымалдануы) .
Жалғыз орналасқан 4 бағдаршам тұсында кесінді қондырғы пайда болады. О, С1, П1, 1Н релелерінің фронттық түйіспелерімен 9 бағдаршамның Л релесіне тура полярлық тоғымен желілік тізбек қосылады. Л, С, С1 релелері қозғанда 9 бағдаршамда жасыл от жанады. Қозғалыс тақ бағыттан жұп бағытқа ауысқан сәттен бастап, 3; 5/8; 7/6 бағдаршамдарының Н релелері кері полярлық тоғымен қозып, 1Н релелері өшеді де, 2Н релелері қосылады. 4 бағдаршам тұсында Н релесі тура полярлық тоғымен қозып, 2Н релесін ағытады, 1Н релесін қосады. Бағыт ауыстыру аяқталғанда рельс тізбектері, желілік тізбектер және сигналдық тізбектер ауысып қосылады.
Аралықтың бос күйінде 4 бағдаршамның Л релесі 2 бағдаршамға бағытталған желілік тізбекке 2Н релесінің тылдық түйіспесімен тура полярлық тоғымен қосылады. Л релесінен соң ізін-шала С, С1 релелері қозады. 4 бағдаршамда 1Н, С1, Л релелерінің түйіспелерімен жасыл от жанады. Басқа рельс тізбектері мен желілік тізбектер осыған ұқсас жұмыс істейді.
2. Автоблокировканы стансалық құрылғылары
2. 1 Автоблокировканы стансалық құрылғылармен байланыстыру
АБ құрылғыларын тек кіші стансалармен ғана емес, сол сияқты, ірі стансалармен де байланыстырады. Байланыстырудың толық сұлбасына төмендегілер кіреді:
1. АБ-ның кіру алды бағдаршамын стансалық кіру бағдаршамымен байланыстыру тізбектері;
2. стансаның шығу бағдаршамдарын АБ-ның бірінші өтпе бағдаршамымен байланыстыру тізбектері;
3. пойыздардың стансаға 2 немесе 3 блок-учаске бұрын жакындауын және алыстауын хабарлайтын тізбектер;
4. жөнелту маршрутына кіретін стансалық РТ-нің АБ-ның бірінші өтпе бағдаршамының көрсеткішіне сәйкес АЛС кодаларымен кодалану тізбектері.
Кіру алды бағдаршамы өтпе бағдаршамдарынан қосымша жанып-өшетін сары және жанып-өшетін жасыл белгілерінің бар болуымен ерекшеленеді. Жанып-өшетін сары үздіксіз жанатын сары сигналдық көрсеткішімен салыстырғанда әлдеқайда рұқсат етуші болып табылады, ал жанып-өшетін жасыл от үздіксіз жанатын жасылмен салыстырғанда рұқсат етуі төменірек болып табылады. Егер кіру бағдаршамында біреуі жанып-өшкен екі сары белгі жанса, кіру алды бағдаршамында жанып-өшетін сары от жанады. Егер кіру бағдаршамы жасыл сигналдық жолақпен бірге жанатын екі сары отпен белгі берсе, онда кіру алды бағдаршамында жанып-өшетін жасыл от жанады. Кіру алды бағдаршамының сигналдық көрсеткіштеріне байланысты бір жанып-өшетін сары оттан тұратын ОМ типті және бір жанып-өшетін жасыл оттан тұратын ОМЗ типті кіру алды сигналдық қондырғысының сұлбасы қолданылады.
АБ-ны ЭО құрылғыларымен байланыстыру сұлбасы:
1. стансаның әр түрлі жолдарына қабылдау маршруты қойылғанда кіру бағдаршамының көрсеткіштеріне байланысты автоблокировканың кіру алды бағдаршамының және стансадан жөнелту маршруты қойылғанда автоблокировканың бірінші аралық бағдаршамының көрсеткішіне байланысты шығу бағдаршамының дұрыс сигнализациясын;
2. станса алдында поездардың жақындауы мен алыстауы туралы екі блок-учаске бұрын хабарлауды;
3. автоблокировканың бірінші аралықтық бағдаршамының көрсеткішіне байланысты жөнелту маршрутына кіретін стансалық РТ-ін АЛС кодаларымен кодалауды қамтамасыз ету керек. Стансаға таяу жерде поездарды қабылдау және жөнелту бойынша аралықтық және стансалық құрылғылардың байланысын жүзеге асырады. Қабылдау бойынша байланысқа кіру алды бағдаршамын басқару сұлбасы кіреді. Кіру алды бағдаршамының қосымша сигналдық көрсеткіштері бар: жанып-сөнетін сары және жанып-сөнетін жасыл оттар. Кіру бағдаршамын төмендетілген жылдамдықпен жүріп өту қажеттігін көрсететін, орнатылған жылдамдықпен қозғалысты рұқсат ететін кіру бағдаршамында екі сары от жанып тұрса (1/11), онда кіру алды бағдаршамында жанып-сөнетін сары от қосылады. Жанып-сөнетін сары үздіксіз жанатын сарыға қарағанда анағұрлым рұқсат етуші белгі болып табылады. Егер кіру бағдаршамында бір жанып-сөнетін жасыл, үздіксіз жанатын сары от және бір немесе екі жасыл жолақ жанса (1/18, 1/12), онда кіру алды бағдаршамында жанып-сөнетін жасыл от қосылады.
Тұрақты тоқтағы АБ-да кіру алды бағдаршамын басқару үшін бағдаршам мен станса арасында келесі тізбектер қарастырылады: Л-ОЛ - желілік тізбек, кіру алды бағдаршамының желілік релесін қосу үшін арналған. И-ОИ - хабарлау тізбегі, стансадағы ИП жақындауды хабарлаушы релені қосу үшін арналады. М-ОМ - кіру алды бағдаршамының тұсындағы М жанып-сөнуші отты қосушы реле тізбегі. Кіру алды бағдаршамын ұсақ станса бағдаршамдарын орталықтандыру құрылғыларымен байланыстыру сұлбасы (сурет 3-де) көрсетілген.
Сурет 3. Кіру алды бағдаршамын ұсақ стансаның бағдаршамдарын орталықтандыру құрылғыларымен байланыстыру сұлбасы
... жалғасы- Іс жүргізу
- Автоматтандыру, Техника
- Алғашқы әскери дайындық
- Астрономия
- Ауыл шаруашылығы
- Банк ісі
- Бизнесті бағалау
- Биология
- Бухгалтерлік іс
- Валеология
- Ветеринария
- География
- Геология, Геофизика, Геодезия
- Дін
- Ет, сүт, шарап өнімдері
- Жалпы тарих
- Жер кадастрі, Жылжымайтын мүлік
- Журналистика
- Информатика
- Кеден ісі
- Маркетинг
- Математика, Геометрия
- Медицина
- Мемлекеттік басқару
- Менеджмент
- Мұнай, Газ
- Мұрағат ісі
- Мәдениеттану
- ОБЖ (Основы безопасности жизнедеятельности)
- Педагогика
- Полиграфия
- Психология
- Салық
- Саясаттану
- Сақтандыру
- Сертификаттау, стандарттау
- Социология, Демография
- Спорт
- Статистика
- Тілтану, Филология
- Тарихи тұлғалар
- Тау-кен ісі
- Транспорт
- Туризм
- Физика
- Философия
- Халықаралық қатынастар
- Химия
- Экология, Қоршаған ортаны қорғау
- Экономика
- Экономикалық география
- Электротехника
- Қазақстан тарихы
- Қаржы
- Құрылыс
- Құқық, Криминалистика
- Әдебиет
- Өнер, музыка
- Өнеркәсіп, Өндіріс
Қазақ тілінде жазылған рефераттар, курстық жұмыстар, дипломдық жұмыстар бойынша біздің қор #1 болып табылады.

Ақпарат
Қосымша
Email: info@stud.kz