Фазоайналдырғышы бар синусоидалды сигналдар генераторын есептеу


Мазмұны
Кіріспе
- Синусоидалық тербелістер генераторлары2
- RC-ТИПТІ ГЕНЕРАТОРЛАР5
- ВИН КӨПІРІ БАР ГЕНЕРАТОРЛАР8
- ОПЕРАЦИЯЛЫҚ КҮШЕЙТКІШ12
- ОПЕРАЦИЯЛЫҚ КҮШЕЙТКІШТЕРДІҢ ҚОЛДАНЫЛУЫ
16
- ФАЗААЙНАЛДЫРҒЫШ19
- Есептеу21
Кіріспе
Генератор дегеніміз тұрақты ток қоректену көзінің энергиясын айнымалы сигнал энергиясына түрлендіруші электрондық схема. Негізінен генераторлар үш категорияға бөлінеді:
- синусоидалық сигналдар генераторы;
- тікбұрышты импульстер генераторы;
- формалары басқа сигналдар генераторы.
Тербелістерді сүйемелдеп тұру үшін келесі шарттар орындалуы тиіс:
- КБ (кері байланыс) тұзағы тұйықталғанда күшейту коэффициенті бірге тең (немесе одан асып түсуі) болуы тиіс;
- КБ тұзағындағы сигналдың фазасының ығысуы нөльге тең (немесе 360˚ еселі) болуы тиіс.
Синусоидалық сигналдар генераторларында индуктивті-сыйымдылықтық тізбектердің резонанстық қасиеттерін немесе кварц кристалының электрлік қасиеттерін пайдаланады, ал сигналдың жасанды түрде фазасының ығысуын RC - тізбектерінің көмегімен орындайды. Бұл әдістер жиілігі 0, 1 Гц шамасынан бастап 400 МГц шамасынан асып түсетін формасы синусоидалы сигналдардың генераторын жасауға мүмкіндік береді.
- Синусоидалық тербелістер генераторлары
Генераторлық құрылғылар арасында Синусойдалық (гармоникалық) тербелістер генераторлары және тік бұрышты тербелістер генераторлары, немесе формасы тік бұрышты сигналдар генераорлары (импульстер генераторлары) . Формалары арнайы тербелістер генераторлары (мысалы, кернеуі сызықты өзгеретін генераторлар) бар.
Жалпы генератор деп автотербелмелі құрылымды айтады. Бұл құрылымда қоректендіру көздерінің энергиясы электр автотербелістер энергиясына түрлендіріледі. Синусоидалды тербелістер генераторлары құрылғының шығысында берілген жиіліктегі айнымалы тоқтың (кернеудің) пайда болуын қамтамасыз етеді. Бұл генераторларда жиі тербелмелі LC-контурлар (әдетте параллель) пайдаланылады.
Параллель LC-контурды өзімізге елестетейік. Егер бұл контурдың сыйымдылығын белгілі бір кернеуге дейін зарядтасақ, онда оның ішінде белгілі бір энергия “Ε” жиналады. Енді бұл зарядталған конденсаторды индуктивтікке тұйықтайық. Бұның нәтижесінде конденсатор мен индуктивтік орауыш арасында энергиямен тербелмелі алмасу жүреді. Пайда болатын тербелістердің жиілігін келесі өрнектен табамыз:
f
p
=1/2
;
ал тербелістер периодын келесі өрнекпен табамыз:
T=1/f=2
. (1. 1)
периодтың төрттен бірі (1/4) өткенде “Ε” энергияның бәрі индуктивтік орауыштың магнит өрісінде жиналады, ал конденсатор толығымен разрядталады. Содан кейін конденсатор магнит өрісінің энергиясы есесінен зарядтала бастайды да, Т/2 уақытында конденсаторға “Ε” болып, бірақ конденсатор астарларының полярлығы қарама-қарсыға өзгереді. Т уақыт кезінде конденсатор қайтадан толығымен зарядталады да, тербеліс процесі жүре береді. Нақты контурда әрдайым болатындықтан бұл тербелістер бәсеңдейді (сөнеді) . Міне осы сөнуді жою үшін контурға периодты түрде қосымша энергияны беру керек. Әдетте энергиямен толықтыруды күшейткіш каскдтың көмегімен қоректендіру көзінен іске асырады.
Синусоидалық тербелістер генераторлары жиілікті - таңдайтын оң таңбалы КБ-мен қамтылған күшейткіш каскадтан тұрады да, бұл оң таңбалы КБ берілген жиілікте өзіндік қызу режимінің орнықтылығын қамтамасыз етеді. Бұл төмендегі сурутте
шығыс
1-сурет
синусоидалық тербелістер генераторының құрылымдық схемасы келтірілген. Бұл жерде К және КБ коэффициенті k комплекстік шама ретінде белгіленеді де, олардың жиілікке тәуелділігі ескеріледі. Бұны еске сақтап, жазғанда әдеттегідей (нүктелерсіз) белгілей береміз.
Электрондық құрылғы автогенераторлық режимде жұмыс істеу үшін келесі түрде жазылатын екі шарт орындалуы тиіс:
К*
k
(1. 2a) және
, (1. 2б)
бұл жердегі
- күшейткіш енгізетін фазалық ығысу;
- КБ-тізбегінің енгізетін фазалық ығысуы;
п - бүтін сан.
Генератордың шығысында синусоидалық кернеуді алу үшін (1. 2) -ші қатнастар тек бір ғана жиілікте орындалуы тиіс.
Қатынас (1. 2а) -амплитудалар балансы деп атауға келіскен. Күшейткіштің шығысындағы сигналдың амплитудасы кірісіндегісінен “ К ” есе үлкен болып шығады. Бірақ ол КБ тізбегімен “ К ” есе бәсеңдейді. Генерацияның пайда болуы үшін КБ-тізбегімен кіріске келіп түсетін сигнал, құрылғының кірісіне алғашқы болып түскен сигналдан кем болмауы тиіс, яғни
К
1
/ k
.
Бұл шарт құрылғыны қоректендендіру көзіне қосқан кезде пайда болатын тоқтар мен кернеулердің алғашқы өзгерулерінің керекті өсуін (артуын) орындауға мүмкіндік береді. Генерацияның орныққан режимі келесі шартпен беріледі:
К* k= 1.
Бұл режимде генератордың кірісі мен шығысындағы сигналдар өздерінің орныққан мәндеріне тең, яғни күшейту коэффициенті КБ коэффициентімен Қатынас (1. 2б) - фазалар балансы деп атауға келіскен. Қоректендіру көзін қосқанда кірісте пайда болған сигнал күшейткішті және КБ- тізбегін өткеннен кейін құрылғының кірісіне фазасын өзгертпей оралуы тиіс, яғни фазалық ығысудың қосындыланған шамасы 0, 2π, 4π және тағы басқа болуы тиіс. Бұның нәтижесінде токтың (немесе кернеудің) оң таңбалы КБ-тізбегімен оралған сигналмен қосылып, шамасы артады. (1. 2б) Қатынас генераторда орнықты оң таңбалы КБ-ның қамтамасыз етуін міндетті етеді.
Синусоидалық тербелістер генераторларының жіктелуі жиілікті таңдау элементтерінің қайсысы қолдануына тәуелді. Келесі генераторларды бөліп алуға болады: LC-, RC- және кварц (акусто-электрондық) генераторлар деп.
- RC-ТИПТІ ГЕНЕРАТОРЛАР
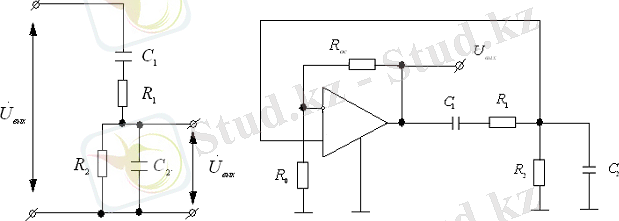
Төменгі жиіліктер диапазоны үшін RC-генераторлары қолданылады. Олар резисторлардан және конденсаторлардан тұратын жиілікке тәуелді тізбектерге негізделген және LC-генераторларға іспеттес структуралық сұлбасымен жасалынады 1. 8 сурет.
Генераторларды құруға арналған күшейткіштерде, шығыс сигнал кіріс сигналмен қарсыфазалы бола алады (
) немесе фаза бойынша бірдейбола алады (
=0) . Бірінші жағдайда жиілікке тәуелді кері байланысты RC-тізбегі генерация жиілігінде берілетін сигналдың
фаза бұрылуын іске асыру керек (
), екінші жағдайда берілетін сигналдың фазалық ығысуы болмау керек
=0. Екі есептін шығарылуы RC-тізбектерінің үлкен мүмкіншіліктерімен сипатталады.
2- сурет
Берілетін сигналдың
фазалық өзгеруін іске асыратын тізбектің сұлбасы 2 суретте көрсетілген(«R-параллельді» сатылы типті сұлба ) . Бұл сұлбаның алынған себебі, төменгі жиілікті генераторларды құруға арналған конденсаторлардың аз шамалары.
2 суретінің сұлбасында RC-түйінінің коэффициентінің жиілігіне және Г-тәріздес элементарлы берілетін сигнал фазасына тәуелділігі қолданылады. Нөлге жақын жиілікте бір түйінмен енгізілетін максималды фазалық ығысу
болады, фазалық ығысу
болатын тізбекте кем дегенде үш тізбектей қосылған түйіні болу керек. Әдетте үштүйінді немесе төрттүйінді (сирек) тізбектер қолданылады.
x және φ
х
жиілікке тәуелділігі үштүйінді тізбек үшін С
1
=С
2
=С
3
=с және R
1
=R
2
=R
3
=R болғанда.
болғандағы f0 жиілігі квазирезонансты деп аталады. C және R параметрлерімен байланысты теңдеуі:
. (1. 3)
f0 жиілігінде көрсетілген параметрлер арасында қатынастары кезінде берілу коэффициенті
тең. Сонда, генератордың өзін-өзі қоздыруы күшейткіштің күшейту коэффициенті K
u
≥29 болғанда бола алады.
3 сурет
Күшейткіш түйіні ретінде әдетте тұрақты тоқ күшейткіштері қолданылады, көбінесе операциялық күшейткіш. ОК генератор сұлбасы 3 суретінде көрсетілген. Кері байланысты жиілікке тәуелді тізбек күшейткіштің шығысы мен инверттейтін кірісі арасында қосылған. Керекті күшейткіш түйінінің күшейту коэффициентіне (K u ≥29) (3) теңдеуіне байланысты R ос /R 0 ≥29 қатынасының таңдалуымен жетуге болады. R0 - ге тең, R3 -пен бірлескен инверттейтін күшейткіштің кіріс кедергісі тізбектің кері байланысты жиілікке тәуелді тізбектің соңғы түйінінің кедергісінің активті құраушысын анықтайды. Осыған байланысты (3) формуласы бойынша f0 жиілігін есептеу үшін R 1 =R 2 =R 3 R 0 =R болу керек.
- ВИН КӨПІРІ БАР ГЕНЕРАТОРЛАР
Квазирезонанстық жиілікте берілетін сигналдың фаза бойынша ығысуын жасамайтын RC-тізбектерінің ішінде ең көп қолданылатыны Вин көпірі сұлбасы(4 сурет) .
ОК-те осындай генераторды құру кезінде (4. 1 сурет) жиілікке тәуелді кері байланыс түйінін (4 сурет) ОК-тің шығысы мен инверттемейтін кірісі арасына қосады. RКБ және R0 элементтері күшейткіш түйінінің керекті күшейту коэффициентін алу үшін арналған. f0 генерация жиілігінде Вин көпірлі жиілікке тәуелді кері байланысты түйінінің жіберу коэффициенті x=1/3 болғандықтан, генератордың өзін-өзі қоздыруы K ос / K 0 ≥2 болғанды бола алады.
4 сурет 4. 1сурет
Сұлбадағы генерациялау жиілігі жиілікке-тәуелді квазирезонансты жиілікке тең болады, ол мына формуладан шығарылады:
(2)
мұндағы R 1 =R 2 =R және С 1 =С 2 =С.
Керекті тербеліс амплитудасы сұлбаның күйге келтіруі кезінде R0 немесе RКБ кедергілерінің түзетілуі арқылы келтіріле алады.
Вин көпірі бар генераторлардың жұмыс істеу сұлбаларын анығырақ қарастырайық. Осындай генераторлар теріс кері байланысты тізбекте (5 сурет) таржолақты күшейткіш негізінде жұмыс істейді. Бұл күшейткіштерді сапалылықтың үлкен шамасы бар тербелісті контурды алуға қиын төменгі жиіліктерде қолданған жөн.
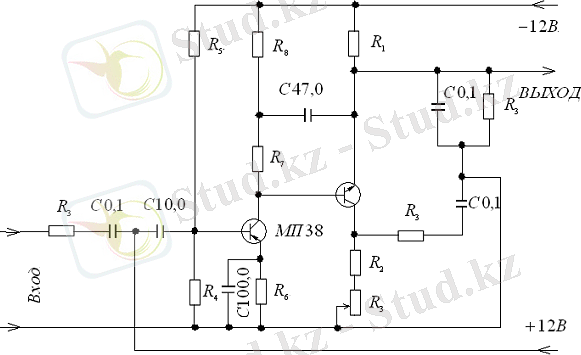
Қарастырылатын күшейткіштің негізіне үлкен күшейту коэффициенті бар екікаскадты күшейткіш салынған. (Бірінші каскад МП41А транзисторында жасалған) . Вин көпірінің екі иығы R 1 және R 2 +R 3 резисторларымен жасалған. Бұл иықтардың ортақ нүктесі айнымалы тоқ бойынша қорек көзімен тұйықталады. Басқа екі иық жиілікке-тәуелді кедергілері бар RC-тізбектерімен жасалған. Көпірдің бір диагоналіне күшейткіштің шығыс транзисторы қосылған, басқа диагональға күшейткіш кірісі қосылған.
5 сурет
Кіріс сигнал түзелетін RC-тізбегі арқылы беріледі, R және C шамалары Вин көпіріндегімен бірдей болады. Түзететін тізбек күшейткіш коэффициентін көпірді күйге келтіру жиілігінен тәуелсіз қылады да шығыс сигналдың фазасын түзейді, сол кезде максималды күшейту кезінде шығыс сигналының фазасы кірісіне қарсыфазалы болады.
Күшейткіштің кіріс кедергісі көпір диагоналіне қосылғандықтан, ол баланс жиілігіне әсер етпейді.
Көпір балансы жиілігінде кіріске ешқандай да кері байланыс сигналы берілмейді және күшейткіш өзінің үлкен күшейтуін сақтайды. Баланс жиілігінен алыстаған кезде күшейткіш кірісіне теріс кері байланысты сигнал беріледі, сонда күшейту кенеттен төмендейді. Амплитуда бойынша көпірдің балансировкасы R3 резисторымен жүзеге асырылады. Теория көрсеткендей, осындай күшейткіш бір тербелісті контуры бар резонансты күшейткіштің барлық қасиеттеріне ие болады, оның сапалылығы:
(2. 1)
Ал резонанстық жиілігі:
(2. 2)
Резонанс жиілігінде кернеу бойынша күшейту коэффициенті максималды болады:
(2. 3)
Осы формулаларда К0 - бастапқы күшейткіштің(кері байланыс тізбегі жоқ күшейткіш) ; R- Винн көпірінің жиілікке тәуелді иығындағы резистор кедергісі; C- Винн көпірінің жиілікке тәуелді иығындағы конденсатор сыйымдылығы; Rвх - бастапқы күшейткіштің кіріс кедергісі. Қаралатын схема R3 резистор кедергісін өзгерту арқылы сапалылығының кез-келген мәндерін алуға мүмкіндік береді.
Резонанс жиілігін өзгерту үшін жиілікке тәуелді тізбектерінде С конденсатор сыйымдылығын өзгерткен дұрыс болар еді. Күйге келу жиілігінің бірқалыпты өзгеруі R резисторларын айнымалы қылып бір осьта қосқан кезде жүзеге асырыла алады.
... жалғасы- Іс жүргізу
- Автоматтандыру, Техника
- Алғашқы әскери дайындық
- Астрономия
- Ауыл шаруашылығы
- Банк ісі
- Бизнесті бағалау
- Биология
- Бухгалтерлік іс
- Валеология
- Ветеринария
- География
- Геология, Геофизика, Геодезия
- Дін
- Ет, сүт, шарап өнімдері
- Жалпы тарих
- Жер кадастрі, Жылжымайтын мүлік
- Журналистика
- Информатика
- Кеден ісі
- Маркетинг
- Математика, Геометрия
- Медицина
- Мемлекеттік басқару
- Менеджмент
- Мұнай, Газ
- Мұрағат ісі
- Мәдениеттану
- ОБЖ (Основы безопасности жизнедеятельности)
- Педагогика
- Полиграфия
- Психология
- Салық
- Саясаттану
- Сақтандыру
- Сертификаттау, стандарттау
- Социология, Демография
- Спорт
- Статистика
- Тілтану, Филология
- Тарихи тұлғалар
- Тау-кен ісі
- Транспорт
- Туризм
- Физика
- Философия
- Халықаралық қатынастар
- Химия
- Экология, Қоршаған ортаны қорғау
- Экономика
- Экономикалық география
- Электротехника
- Қазақстан тарихы
- Қаржы
- Құрылыс
- Құқық, Криминалистика
- Әдебиет
- Өнер, музыка
- Өнеркәсіп, Өндіріс
Қазақ тілінде жазылған рефераттар, курстық жұмыстар, дипломдық жұмыстар бойынша біздің қор #1 болып табылады.

Ақпарат
Қосымша
Email: info@stud.kz