Функция размещения параметров


ҚАЗАҚСТАН РЕСПУБЛИКАСЫНЫҢ БІЛІМ ЖӘНЕ ҒЫЛЫМ
МИНИСТРЛІГІ
Қ И. СӘТБАЕВ атындағы ҚАЗАҚ ҰЛТТЫҚ
ТЕХНИКАЛЫҚ УНИВЕРСИТЕТІ
Кафедра: ЭЖ және ТКА
РЕФЕРАТ
Тақырыбы: VisSim бағдарламасында бастапқы жүйенің берілу функциясын алу мақсатымен құрылымдық түрлендірулер жүргізу
Оқытушы: Султанбекова Ж. Ж.
Студент: Жаусанова А. Г.
Мамандығы: 050718
Тобы: ЭЭб-04-3к
Алматы 2005
Мазмұны
- VisSim бағдарламасы және оның кеңейтілуі.
- VisSim бағдарламасының кеңейтілуі. (VisSim Add-OnsProducts) .
- VisSim үлгілеуші бағдарламасы үшін сыртқы «dll-үлгілерін» жасау технологиясы.
- VisSim пакетінде импульсті DCDC түрлендіргіштің үлгілеу үлгісі.
Пайдаланылған әдебиеттер:
1.
VisSim бағдарламасы және оның кеңейтілуі.
VisSim - симуляция жүйелеріне арналған программалық қамтама. Онда сапа бағалауларының, тұрақтылықтың, синтездің, түзетудің, оптимизация-ның, линеаризациялаудың, модель нұсқасында объектілердің, жөндеулердің және цифрлік сигналдық процессорлардың бағдарламалауының жиілік-тік, түбірлік, варияциялық, нейрондық аспаптары бар.
VisSim - нің шешуші пакет құрамына кіреді : решателимен айқындар - дифференциалды теңдеулердің шешіміне арналған, айқынсыздар алгебра-лық теңдеулердің шешіміне арналған, ал дәл осылай ғой оптимизаторы - па-раметрлердің итерациондық іріктеп алуына арналған . VisSim -нің түсінік-темесі өнеркәсіптік сападағы С - кодты автоматты түрде жасауға рұқсат етеді. VisSim - де жүйелердің динамикалық үлгілері иерархиялық құрылысты схемалар жазылады ( блок - схемалармен ), бағытталған сигналдық графа-лар аталады, яғни VisSim көзбен шолу жобалау аспаптық болып келеді . Және бағдарламалалық серияда қайталау симуляциясы ( немесе ықшамдау-ға арналған, немесе зерттеуге арналған кездейсоқ ашу кернеулердің шарт-тарында үлгі мінез-құлықтары ) . Үзінділердің линеаризациялауы үшін VisSim үлгілері символдық талдаудың келесі түрлерін орындайды : қолдан-колға берілетін функция коэффициенттерінің анықтамасы және кеңістік ABCD- матрицаларының күй-жағдайларын, нольдердің анықтамасы және қолдан-колға берілетін функциялардың полюстарының, екі сызықты өзгерту ( ұзындық жүйенің асуы дискреттік және кері ) . Үлгі линеаризациялауы нәтижелеріне байланысты VisSim түбірлік талдауды орындайды, ( түбірлер-дің годографы ) және жиі ( ЛАЧХ & ЛФЧХ, Найквиста годографы ) . Дәл сол сияқты VisSim классикалық ұзындық сүзгілердің коэффициенттерінің гене-рациясына арналған шеберлер болады ( Бесселя, Баттерворта, Чебышева, Чебышевамен инверстікті ), және дискреттіктердің ( КИХ, БИХ - сүзгілердің, Гильберта түрлендіргішінің, дифференциатордың ) . VisSim - нің негіздік кітапхана блоктары( тізімде кемінде 100 позиция ) онан арғы кеңейтулерді талап етпейді . Пайдаланушыға өзінің үлгілерінің кітапханасын пайдалануға берілген мүмкіншілікті анықтау . Пакет кеңейтулері ( Add - Ons ) электр жетегі құрылғыларының үлгілерімен кітапханаларды қосады, байланыс жүйелері және бүтін сандық математиктер (DSP) арналған.
VisSim бағдарламасының кеңейтілуі.
( VisSim Add - Ons Products )
VisSim Viewer
VisSim пакет болжамасында үлгілерді қарауына арналған және пайда-ланушылар аралық үлгілермен айырбас сүйеуіне арналған. Лицензиясы бар қолданушы лицензияланған Viewer -ді лицензиясы жоқ өз әріптесіне тапсыра алады . Viewer әзірлеуші сайтымен тегін қолайлы . Viewer -дің шектелуі мынада: үлгіні жазып қою мүмкін емес, жиілік талдау орындау, үлгі құрылы-мын өзгерту, бірақ үлгі параметрлері алмастыру мүмкін. Симуляция қозға-лысы режимі толық функционалды .
VisSim Analyze
Маңыздылығы жағынан бірінші және VisSim пакетнің өте маңызды қосымша өнімі, көп таралған жиілік талдау түрлерін жүргізуге мүмкіндік етеді: ЛАЧХ & ЛФЧХ, Найквиста годографы, түбірлік годограф - пайдаланушымен сал-ған үлгілердің немесе оның үзінділеріне арналған . Берілген инструментарий FAR-болжамада тек қана ұзындық блоктардан құрастырылған үлгілерге қол-дануға болады. Талдауға арналған ұзындықсыз үлгілердің динамикасы күй-жағдайлардың кеңістігімен аппроксимацияланады .
VisSim OptimizePRO
Кішірек ыңғайлы инструментарий, вариациялы параметрлердің негізінде мо-делированияны қайта орындау нәтижесінде жүйеге арналған үйлесімді ав-томатты теріп алуға мүмкіндік береді. Мысалы - ПИД - реттегіш коэффи-циенттері . Пайдаланушыға стандартты блоктардың бағдарламалық баға функциясын дербес біріктіруге талап қойылады - сапаның кез келген бағала-уын - әдетте бұл квадраттықтар интегралы немесе жақсарған интеграл баға-лауы, бірақ мүмкін және тағы басқалар болуы.
VisSim NeuralNet
Ұзындықсыз жүйелердің теңестіруіне қолданылатын инструментарий, қол-данбалы диагностикаға, шешімдерді қабылдауда, күні бұрын айтуда және басқада мақсаттарда, яғни бейнелердің айырып тануы сандық шешімдерді талап етеді .
VisSim\RealTimePRO
Бағдарламалық және аппараттық кеңейтулердің жиынтығы, үлгілерді нақты техникалық құрылғыларға қосуға, нұсқауды жөндеуге болады . Windows опе-рациялық жүйелері наносекундты детерменизмге кінәсі бойынша есептеуге келмейді, бірақ объектілердің көпшілігі нақты үлгі нұсқасына қосуға бола-ды. Нақты аппараттық құралдармен байланысты жүзеге асыру арқылы стан-дартты кіргізу шығаруды енгізу, басқаруға арналған өте жылдам мамандан-дырылған төлеудің қозғалыспен, жүйелі порт, бағдарламаланушы кисынды контроллерлерді қосылған бола алады ( PLCs ) немесе басқару таратылған жүйелері ( DCSs ) . дүниежүзілік көсемдердің бірінші ондық жабдықтауы сүйенеді .
VisSim ModelWizard
Инструментарий, динамикалық объектілерге арналған жоғары дәлділік үлгі-лерге мүмкіндік беретін генерациялау ( қолдан-колға берілетін функцияның ) алынған. Инструментарий алгоритмдердің жиынтық, күйге келтірулерді асы-райды, шуыл қатысуында тіпті жиілік сопрягающиесін теңестіруге рұқсат етеді және пайдаланушымен үйлесімді немесе көрсетілген рет үлгісін гене-рациялауға рұқсат етеді . Теңестіру алгоритмдері объектілерге хабарланған, ұшырайтындар линеаризациялаудың біреумен ғанамен кірумен шығумен .
VisSim\DSP
Инструментарий, цифрлік сигналдық процессорлармен жобаларға мүмкін-дік беретін өңдеу (DSP ) . Мысалы, жөнделген үлгілердің артынан, сонымен қатар сигналдық процессорға бағдарламаны толтыра арту үшін Си - код, автоматты компиляциядан кейін және линковки генерациялауға үзінді сигнал өңдеуші болады, жөндеуді және интерактивтік тәртіпте ықшамдауды орын-дау, VisSim -нің стандартты инструментарий қолдану. Texas Instruments фирмалары сигналдық процессорларды сүйемелденген, бекітілген нүктесі-мен TMS 320 C 62 x, дәл осылай және TMS320 C 67 x жүзуші . Инструмен-тарий бағалау төлеулермен жұмыс істейді ( evaluation boards ( EVMs ) ) TIF 243 және TILF 2407 Texas Instruments .
VisSim Motion
Электр жетегі облысында мамандарға арналған кеңейтулердің жиынтығы. Асинхрондық қозғалтқыштардың қоса салынған үлгілерінің, тұрақты ток машиналарының көбірек қырықтай мамандандырылған блоктардың кітап-ханасы қосады ( безколлекторных ), дәл осы сияқты күшейткіштердің ( күш беретін драейверлердің ), көрсеткіштердің, кодерлердің, динамикалық ауыр-лықтарды, контроллерлерді және блоктарды .
VisSim SigPro
Қосымшалардың жылдам макеттеуіне арналған алгоритмдердің жиынтық, дыбысты диапозон сигналдарының талап ететін қарқынды өңдеулері, сөй-леулер, дәрігерлік тап осылардың . Инструментарий үн ауысқан және даң-ғырлатып ойнайтын сигналдардың әр түрлі қайнарлары, сүзгілер, опера-торлық және өлшеуші функциялар қосады . Сүзгілердің жобалауы ақырғы-мен (FIR ) және шексіздің (IIR ) күшті мінездемелермен арнайы диалогтық шебер барысына оңайлатылған. Сигналдардың көзбен шолушылық мүмкін-шіліктері күшейтілген .
VisSim Comm
Блоктардың кітапханасы, коммуникациялы жүйелердің үлгілеуіне арналған уақытша доменде толық көлемде сигналдық және жүйелік деңгейде ( қайнар-дан қабылдағышқа дейін ) . Кітапхана блоктары сигналдардың қайнарларын, кодеры, модуляторлар, каналдар, демодуляторлар, декодеры, қабылда-ғыштар асырайды .
VisSim үлгілеуші бағдарламасы үшін сыртқы
" dll - үлгілерін " жасау технологиясы.
Бүгінгі күнде ғылыми және инженер - техникалық қызметкерлерде ше-телдік өндірісте жасалған бағдарламалық өнімдердің негізінде үлкен саны кездеседі. Сондықтан пакеттердің дербес кеңейту мүмкіншілік барысы ақыр-ғы пайдаланушымен әрқашанда ерекше назар ұсынады . " MathConnex " пакетте " Mathcad 2000", және " VisSim "- мүмкін ең белгілі үлгілеуші бағдар-ламалар, кеңейтулерге арналған интерфейстер бар.
Кеңейтулердің бірнеше технология бар . Бірінші - басқа Active X объектілердің бағдарламалық өнімдерге енуі ( см . " MathConnex ") . Екінші - бағдарламалар арасындағы динамикалық айырбас, яғни DDE немесе OPC сервермен клиенттердің арасында . Үшінші - процедуралық және функ-циялық жаңа пакеттерге арналған кітапханалық модульдердің жасалуы. VisSim пакетінде барлық үш механизмда бар. Құжатнамада бірінші екі интуиктивті түсінікті және жақсы суреттелген . Сыртқы қосу методикасын-да кітапханаларды қосу әдістемесі - dll толығымен берілмеген, сол себепті пайдаланушыларға қиыншылықтар туғызады, бірақ пакет мүмкіншіліктерін кеңейтуге маңызды қабілетті . Пайдаланушы өзіне белгілі бағдарламалау тілін С, С++, Pascal ( Delphi ), Basic, Fortran қолдана отырып жаңа ұзындық, ұзындықсыз, дискреттік, жиі тәуелді элементтер жасау, стандартты кітап-хананы кеңейтуі ; тап осы базалармен өзіне меншікті процедуралар және өл-шеулердің функцияларын, талдауды, жұмыстар өңдеу стандартты жинау тө-леулерін (DAQ - board ) немесе зерттеуге арналған OPC серверді, монито-рингіні, сыртқы объектімен басқаруды жасай алады.
Мақсаты. "dll - үлгі " құру (VisSim -нің менюіне сәйкес " userFunction") ( см . 1-сурет), Екі шығу және екі операция орындайды : интеграциялау және синусоидалы функция синтезі . Үлгіде болу тиісті: интегралға арналған кіру, уақытша сигналға арналған кіру, және үлгілеу адым мағыналарына арналған кіру.
1-сурет.
Үлгілеу нәтижелерінің демострациясы пайдаланушылық функция қол-дануымен "myF", "Project” кітапханасынан 2. dll "userFunction” блогы арқы-лы қосылған., Pascal ( Delphi ) программа тілі қолданылуы арқылы жазылған.
Үлгінің келесі бастапқы шарттары және параметрлері болуы тиісті:
1) Бастапқы мағына, үлгілеу басында меншіктелуші интегралын, 2) амплиту-далық мағына, 3) жиілік және 4) фаза синтез жасаған синусоидалы сигнал. Яғни, тышқанның оң пернесін басқанда " Project 2. dll. myF. " блогында, диа-логтық терезе ашылады. 2-сурет.
2-сурет.
Бар керегі - кітапханалық программаны Pascal тілінде ережелерге сәйкес жазу, Project2. dll файлына скомпилировать етіп және бағдарламаны VisSim пакеті жұмысшы файлына “userFunction” блогы арқылы қосады. dll - кітапхананы жасау үшін Pascal ( Delphi ), тілі таңдалған, себебі пакет үлгілерінде С тіліне арналған негізгі файлдар бар. Project 2. dpr. файлды қарастырамыз.
Файл: Project2. dpr
type
InVector = array [0. . 9] of Double; { тип входной переменной: входов - 10 }
OutVector = array [0. . 9] of Double; { тип выходной переменной: выходов - 10 }
Global = record { запись параметров, и координат "dll"-модели }
Uo : double; { Начальное условие для интегратора ID1 }
Am : double; { Амплитуда синусоиды }
freq : double; { частота синусоиды }
faza : double; { фаза синусоиды }
end;
var ID1 : double; { вспомогательные переменные "dll"-модели }
{/ Это базовая процедура в DLL /}
{/ Вызывается VisSim-ом на каждом шаге моделирования /}
procedure myF(var P:Global; var inV:InVector; var outV:OutVector) ; export; stdcall;
begin
{ Расчеты, выполняемые на каждом шаге моделирования }
ID1:=ID1+inV[0] *inV[2] /2; outV[0] :=ID1; { интегрирование }
outV[1] :=P. Am*sin(2*Pi*inV[1] *P. freq+P. faza) ; { синтез синусоидального сигнала }
end;
{/ Функция размещения параметров /}
{/ Вызывается VisSim-ом при создании блока /}
function myFPA( var pCount:integer) :Longint; export; stdcall;
begin
pCount := 4; { число первых по списку параметров записываемых в файл *. vsm }
myFPA := sizeof(Global) ; { размер памяти необходимый под параметры }
end;
{/ Процедура инициализации параметров /}
{/ Вызывается VisSim-ом после PA функции /}
procedure myFPI( var P:Global ) ; export; stdcall;
begin
{ Инициализация параметров (координат) модели.
значения постоянных времени, напряжений, токов . . . }
P. Uo:=0;
P. Am:=10;
P. freq:=2;
P. faza:=0;
end;
{/ Функция изменения параметров /}
{/ Вызывается VisSim-ом при нажатии правой клавиши мыши ***/}
function myFPC( var P:Global ) :Pchar; export; stdcall;
begin
{ Изменение параметров модели:
соответствующий очередности список названий параметров }
myFPC :='Начальное условие; Am; freq; faza'; { названия могут быть любые }
end;
{/ Процедура Simulation Start /}
{/ Вызывается VisSim-ом на первом шаге моделирования /}
procedure myFSS( var P:Global; var runCount:longint) ; export; stdcall;
begin
{ присвоение начальных условий интеграторам:
напряжений на конденсаторах, токов в индуктивностях . . . }
ID1:=P. Uo;
end;
{/ Процедура Simulation End /}
{/ Вызывается VisSim-ом на последнем шаге моделирования ***/}
procedure myFSE( var P:Global; var runCount:longint) ; export; stdcall;
begin
{ сохранение значений интеграторов для повторного запуска
при многоэтапном моделировании:
напряжений на конденсаторах, токов в индуктивностях . . . }
end;
exports
myF index 1, { Имя базовой процедуры в DLL Его нужно будет указать в блоке userFunction }
myFPA index 2, { Список вспомогательных процедур и функций для экспорта. Они будут }
myFPI index 3, { вызываться Vissim-ом по окончаниям PA, PI, PC, SS, SE для базового имени. }
myFPC index 4,
myFSS index 5,
myFSE index 6;
begin
end.
Файл : Project 2. dprК өкінішке орай VisSim dll-библиотек экземплярын құ-рамайды. Сол себепті dll-библиотекасын қайта қолдану файл көбеюін қажет етеді. *. dll (*. dll, *1. dll, *2. dll, . . . ) . Сандық фильтр моделі үш бірдей звеньдардан тұрады. Бір звено бұл dll-библиотека.
Жиі талдаулардан кез келген dll - кітапханалар үшін қолдануға болмай-тын . Себебі, VisSim виртуалды өлшеулерді өндірмейді, үлгілерді талдағанда қолданбалы функцияларды қолданады .
dll - кітапханаларды жазғанда пайдаланушыға тағы екі қызықты мүмкіншілік пайдалануына береді . Бірінші тұтқын глобальды өзгергіш қолдануда және Vissim 32. exe файлы процедурасы, «dll - үлгінің» пайдаланушының өзгер-гіштер және сигналдарын тапсыру қажеттілігінен құтқарады, яғни олар «үлгілеу адымы ", " үлгілеу уақыты ", " үлгілеуді тоқтату ", " dll - үлгіде қате ". Екінші тұтқын оқиғалардың бағытында ( Event ) " dll - үлгі ", пайдаланушы-лық үлгілерді сезіну стандартты құрылғыларының оқиғаларына кіргізу шығару : клавиатура, тышқан, дәл осылай және VisSim пакеті оқиғаларына :" үлгі атын алу ", " параметрлердің суреттін алу ", " үлгілеудің уақытша жергілікті адымын орнату ", " алды - үлгілеу орындау ", " күзет орн - үлгілеу орындау ", және т . б .
VisSim пакетінде импульсті DCDC
түрлендіргіштің үлгілеу үлгісі.
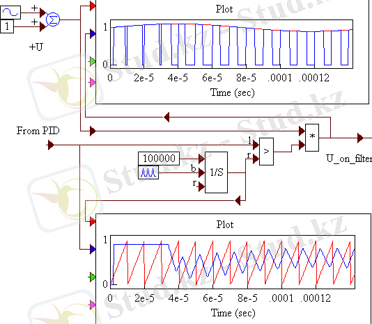
Түрлендіргіш широтно - импулсті модуляциясыменмен DCDC түрлендіруші төмендетуші класына жатады. Кіріс күштену өзгеруін +U ашуландырушы деп қарастыруға болады . Жүкті тиеуді Rн алмастыруға болады, сондықтан жүйені параметрлік деп есептеуге болады .
1-сурет.
1) күшті буын ( реттеуіш, ШИ - модулятор және кілт ) ; 2) толассыз бөлім ( сүзгі ) . Төменгі сұлба - үлгі бөлімінің құрылысты сұлбасы және ол үшін лайықты теңдеулер.
Жүйенің толассыз бөлімі теңдеулермен, біріншіге ( төменгі сумматор ) және екіншіге ( жоғарғы сумматор ) Кирхгоф заңдарымен суреттелген. Қиын-дату үшін ом заңымен теңдеу құрастырылған ( оң төменгі үзінді 1-сурет) . Назар аударыңыз, электрлік схеманы суреттейтін теңдеулер интеграл тәуелділік байланысты құрастырылған болуы тиіс. Оны әрқашанда істеуге болады, яғни операторлық түрде теңдеулерді бір сан лайықтыға бөле Лаплас операторына жазу (1 s немесе 1 p ) .
2-сурет.
Суреттің жоғарғы бөлімінде коректенуші түрлендіргіш күштенулер +U үлгісі көрсетілген. Графиктер арасында - ШИ - модулятор. Кіріс күштенуші реттеуіштен беріледі, ал шығатын толассыз бөлімге ( сүзгі ) беріледі.
... жалғасы- Іс жүргізу
- Автоматтандыру, Техника
- Алғашқы әскери дайындық
- Астрономия
- Ауыл шаруашылығы
- Банк ісі
- Бизнесті бағалау
- Биология
- Бухгалтерлік іс
- Валеология
- Ветеринария
- География
- Геология, Геофизика, Геодезия
- Дін
- Ет, сүт, шарап өнімдері
- Жалпы тарих
- Жер кадастрі, Жылжымайтын мүлік
- Журналистика
- Информатика
- Кеден ісі
- Маркетинг
- Математика, Геометрия
- Медицина
- Мемлекеттік басқару
- Менеджмент
- Мұнай, Газ
- Мұрағат ісі
- Мәдениеттану
- ОБЖ (Основы безопасности жизнедеятельности)
- Педагогика
- Полиграфия
- Психология
- Салық
- Саясаттану
- Сақтандыру
- Сертификаттау, стандарттау
- Социология, Демография
- Спорт
- Статистика
- Тілтану, Филология
- Тарихи тұлғалар
- Тау-кен ісі
- Транспорт
- Туризм
- Физика
- Философия
- Халықаралық қатынастар
- Химия
- Экология, Қоршаған ортаны қорғау
- Экономика
- Экономикалық география
- Электротехника
- Қазақстан тарихы
- Қаржы
- Құрылыс
- Құқық, Криминалистика
- Әдебиет
- Өнер, музыка
- Өнеркәсіп, Өндіріс
Қазақ тілінде жазылған рефераттар, курстық жұмыстар, дипломдық жұмыстар бойынша біздің қор #1 болып табылады.

Ақпарат
Қосымша
Email: info@stud.kz