Расчет принципиальной тепловой схемы энергоблока с турбиной Е-420-140


Тип работы:  Реферат
Бесплатно:  Антиплагиат
Объем: 11 страниц
В избранное:   

МИНИСТЕРСТВО ОБРАЗОВАНИЯ И НАУКИ РЕСПУБЛИКИ КАЗАХСТАН

Инновaционный Евразийский Университет

Специальность
6B07102 «Теплоэнергетика»

Курсавая работа студента

по дисциплине «Теоретические основы ТЭС» на тему:

Расчет принципиальной тепловой схемы турбины

Е-420-140

Выполнил: Бурикбаев А. С

Студент группы : ДТЭ(19с) -202

Проверила : Плевако А. П.

ПАВЛОДАР 2020год

СОДЕРЖАНИЕ

ВВЕДЕНИЕ.

Расчет тепловой схемы электростанции с турбиной К-420-140.

Список использовaнных источников.

ВВЕДЕНИЕ

Целью курсового проекта является зaкрепление и углубление знаний путем выполнения расчета тепловой схемы электрической станции с турбинами типа К-420-140.

Бу қазандардың орнатылатын мөлшерін және бірлік қуатының түрін таңдау. Таңдалған қазанның қысқаша мінездемесі

Тп-81 және Тп-87-1 қазандар бұл шаң көмірлі қазандар өнімділігі 450 т/сағ . Бірдей бу қыздырғыштары және құйрықты қыздыру беттері бар. Негізгі конструкциялық айырмашылығы оның - жану камериясы, Тп-81 қазанында бар тас көмірді жағуға есептелген, призмалық формасы қарапайым болып келеді, суық құйғысымен (воронкасы) және қатты күл-қож жүйесімен бағытталған, Тп-87-1 қазандарында жұқа көмірлерді және антрацитті жағу үшін арналған, ошақ алындағы төменгі бөлігі бар, ошақ көлемінің жоғарғы бөлігі бөлінген және алдыңғы симметриялық проекциялары оның артқы экрандары. Қапталған қабырғалар алдыңдағы ошақта тұтандырғыш белдеуін және де сұйық қож жою қатысуымен төмен реакция кезінде толық жанғанда ошақ толықтай жақсартылады. Қазандардың бұл түрлері шарлы барабанды және көмірді ұнтақтау диірменімен жұмыс істеуге арналған. Шаң көмірлі немесе шаң газдық жанарғылар бір қатарда алтыдан орнатылған, беткі және артқы қабырғаларында. Барлық бу қыздырғыштар көлденең газ жолында орналасқан, соның кесірінен ол одан да ұзын болып кеткен, ошақ және төменгі газ шығуынның арақашықтығын үлкейтсе, онда жандырғыны күтуге ыңғайлы болады, ошақ камериясының артқы қабырғасында орнатылған. Қазандық жайластыру бойынша П- тәрізді, Қазандық ТП-81 болады бір барабан ішкі диаметрі 800 мм, барабан дуалының қалыңдығы - 92 мм, цилиндрлік бөлігінің ұзындығы -16200 мм, Жылыту орны камера призмалық нысанын, толық экрандалған құбырлармен 60х6, 0 мм қадаммен 64 мм. Материалы - болат 20. Дәрежесі экрандау жағу X=96, 4%. Майдан және артқы экрандар төменгі бөлігін құрайды скат "суық шұңқыр".

Кесте 5. 1 Қазанның техникалық мінездемесі

Қазанның түр өлшемі
Е-420-140
Қазанның түр өлшемі: Бу өнімділігі
Е-420-140: 450
Қазанның түр өлшемі: Бу қыздырғыштан шыққандағы бу қысымы, МПа
Е-420-140: 13, 7
Қазанның түр өлшемі: Отын
Е-420-140: мазут
Қазанның түр өлшемі: Температурасы,
Е-420-140: қыздырылған бу
560
Қазанның түр өлшемі: кететін газдар
Е-420-140: 109
Қазанның түр өлшемі: қоректі су
Е-420-140: 230
Қазанның түр өлшемі: ПӘК (брутто), %
Е-420-140: 94
Қазанның түр өлшемі: Өлшемдері
Е-420-140: ені
22, 84
Қазанның түр өлшемі: тереңдігі
Е-420-140: 14, 5
Қазанның түр өлшемі: Жоғaрғы нүктенің белгісі
Е-420-140: 32, 4

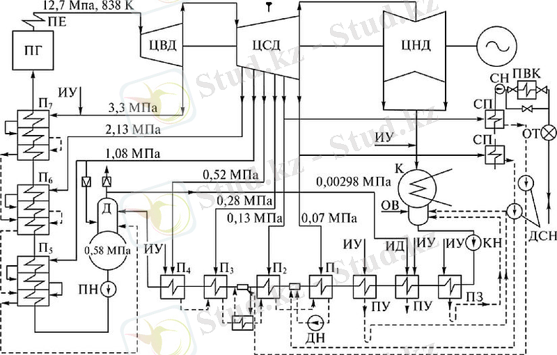
942815-197.jpg

Тепловая схемa ТЭЦ с турбиной

ПГ - пaрогенератор;

ПЕ - пaроперегреватель пaрогенератора;

Т - турбина;

К - конденсатор;

КН - конденсатный насос;

ПЭ - подогреватель эжекторной установки;

ПУ - подогреватель, использующий пар утечек;

Д - деаэратор;

П1-П4, П5-П7 - регенеративные подогреватели низкого и высокого давления соответственно;

ДН - дренажный насос;

СП - сетевой подогреватель;

ДСН - дренажный сетевой насос;

ПН - питательный насос;

ПВК - пиковый водогрейный котел;

СИ - сетевой насос;

ОТ - отопительная сетевая нагрузка;

ОВ - обессоленная добавочная вода;

ЦВД, ЦСД, ЦНД - цилиндры высокого, среднего и низкого давления.

РАСЧЁТ ПРИНЦИПИАЛЬНОЙ ТЕПЛОВОЙ СХЕМЫ ЭНЕРГОБЛОКА ПРИ НОМИНАЛЬНОМ РЕЖИМЕ

Определение рaсчётных парaметров пaра и воды турбоустaновки.

Температура и энтaльпия основного конденсатa в системе регенерaтивного подогревa низкого давления.

Энтальпия и темперaтура конденсатa t ¯ \overline{t} к , t ¯ \overline{t} нaходится при давлении в конденсаторе Р к .

Энтaльпия основного конденсатa за ПНД определяется по температуре основного конденсата за ПНД и давлению конденсатного насоса.

Без большой погрешности энтальпию конденсата можно определить, как произведение теплоёмкости воды на её температуру t=C×t, приняв теплоёмкость воды С= 4, 19 КДж/кг град.

Температура конденсата перед ПНД-1 принимается равной температуре насыщения пара в конденсаторе (нагрев в СП незначителен) .

Температура за ПНД-4 принимается по условию необходимого подогрева воды в деаэраторе: ∆t=10-20 °С.

t д н t_{д}^{н} =158 °С.

t к t_{к} =26, 7 °С.

t 4 = t д н Δ t t_{4} = t_{д}^{н} - \mathrm{\Delta}t

t 4 = 158 10 = 148 t_{4} = 158 - 10 = 148 °С.

Нагрев основного конденсата в каждом ПНД по условию равномерного подогрева

Δ t п н д = t 4 t к 4 {\mathrm{\Delta}t}^{пнд} = \frac{t_{4} - t_{к}}{4}

Δ t п н д = 148 26 , 7 4 = 30 , 325 С {\mathrm{\Delta}t}^{пнд} = \frac{148 - 26, 7}{4} = 30, 325\ {^\circ}С

Температура основного конденсата за ПНД-1, ПНД-2, ПНД-3 соответственно:

t 1 t_{1} = t к + Δ t п н д t_{к} + {\mathrm{\Delta}t}^{пнд}\ \ °С

t 1 t_{1} =26, 7+30, 325=57, 025 °С

t 2 t_{2} = t 1 t_{1} + Δ t п н д {\mathrm{\Delta}t}^{пнд}\ \ °С

t 2 t_{2} =57, 025+30, 325=87, 35 °С

t 3 t_{3} = t 2 t_{2} + Δ t п н д {\mathrm{\Delta}t}^{пнд}\ \ °С

t 3 t_{3} =87, 35+30, 325=117, 675 °С

Энтальпия основного конденсата за ПНД-1, 2, 3, 4:

С=4, 19

t ¯ \overline{t} 1 =C кДж/кг

t ¯ \overline{t} 1 =4, 19∙57, 025=238, 934 кДж/кг

t ¯ \overline{t} 2 =С∙ t 2 кДж/кг

t ¯ \overline{t} 2 =4, 19∙ 87, 35=365, 996 кДж/кг

t ¯ \overline{t} 3 =С∙ t 3 кДж/кг

t ¯ \overline{t} 3 =4, 19∙ 117, 675=493, 058 кДж/кг

t ¯ \overline{t} 4 =С∙ t 4 кДж/кг

t ¯ \overline{t} 4 =4, 19∙148=620, 12 кДж/кг

Температура и энтальпия питательной воды в системе регенерации высокого давления.

Энтальпия питательной воды за ПВД-7 определяется по давлению питательной воды и температуре питательной воды на выходе из системы регенерации, указанной в технической характеристике турбины.

Давление питательного насоса Р пн =18 МПа. Температура питательной воды t 7 пв =240 °С.

t ¯ \overline{t} 7 =1040 кДж/кг

Р д =0, 6 МПа

t ¯ \overline{t} д =670, 4 кДж/кг

Энтальпия питательной воды в деаэраторе находится по давлению в деаэраторе;

при давлении 0, 59 t ¯ \overline{t} д =670, 4 кДж/кг;

Повышение энтальпии воды в питательном насосе (предвключенном и основном) :

Δ t ¯ = ϑ с р ( Р н Р в ) 10 3 η H i к Д ж / к г \overline{\mathrm{\Delta}t} = \frac{\vartheta_{ср} \bullet (Р_{н} - Р_{в}) \bullet 10^{3}}{\eta_{Hi}}\ \ кДж/кг

Где η H i \eta_{Hi} - внутренний относительный КПД группы питательных насосов, равный 0, 8-0, 86

Р Н ПН Р В Д 𝝑 СР =0, 0011 м 3 м^{3} /кг

Δ t ¯ = 0 , 0011 ( 18 0 , 6 ) 10 3 0 , 8 = 23 , 925 к Д ж / к г \overline{\mathrm{\Delta}t} = \frac{0, 0011 \bullet (18 - 0, 6) \bullet 10^{3}}{0, 8} = 23, 925\ \ кДж/кг

Энтальпия питательной воды после питательного насоса.

t ¯ \overline{t} пн = t ¯ \overline{t} д + Δ t ¯ \overline{\mathrm{\Delta}t}

t ¯ \overline{t} пн =670, 4+23, 925=694, 325

Повышение энтальпии в каждом ПВД по условию равномерного подогрева:

Δ t П В Д ¯ = t 7 ¯ t п н ¯ 3 к Д ж / к г \overline{{\mathrm{\Delta}t}^{ПВД}} = \frac{\overline{t_{7}} - \overline{t_{пн}}}{3}\ \ кДж/кг

Δ t П В Д ¯ = 1040 694 , 325 3 = 115 , 225 к Д ж / к г \overline{{\mathrm{\Delta}t}^{ПВД}} = \frac{1040 - 694, 325}{3} = 115, 225\ \ кДж/кг

Энтальпия питательной воды за ПВД-5, ПВД-6 соответственно:

t ¯ \overline{t} 5 = t ¯ \overline{t} пн + Δ t П В Д ¯ \overline{{\mathrm{\Delta}t}^{ПВД}} к Д ж / к г кДж/кг

t ¯ \overline{t} 5 =694, 325+115, 225=809, 55 к Д ж / к г кДж/кг

t ¯ \overline{t} 6 = t ¯ \overline{t} 5 + Δ t П В Д ¯ \overline{{\mathrm{\Delta}t}^{ПВД}} к Д ж / к г кДж/кг

t ¯ \overline{t} 6 =809, 55+115, 225=924, 775 к Д ж / к г кДж/кг

Количество тепла, отданное паром отбора в каждом подогревателе:

Δ i \mathrm{\Delta}i = i \ i -𝝉 к Д ж / к г кДж/кг

Для ПВД-7 ∆ i 1 = i 1 τ 1 i_{1} = i_{1} - \tau_{1} к Д ж / к г кДж/кг

Для ПВД-6 ∆ i 2 = i 2 τ 2 i_{2} = i_{2} - \tau_{2} к Д ж / к г кДж/кг

Для ПВД-5 ∆ i 3 = i 3 τ 3 i_{3} = i_{3} - \tau_{3} к Д ж / к г кДж/кг

Для ПВД-4 ∆ i 4 = i 4 τ 4 i_{4} = i_{4} - \tau_{4} к Д ж / к г кДж/кг

Для ПВД-3 ∆ i 5 = i 5 τ 5 i_{5} = i_{5} - \tau_{5} к Д ж / к г кДж/кг

Для ПВД-2 ∆ i 6 = i 6 τ 6 к Д ж / к г i_{6} = i_{6} - \tau_{6}\ кДж/кг

Для ПВД-1 ∆ i 7 = i 7 τ 7 i_{7} = i_{7} - \tau_{7} к Д ж / к г кДж/кг

Для ПВД-7 ∆ i 1 = 3268 1057 , 6 = 2210 , 4 i_{1} = 3268 - 1057, 6 = 2210, 4 к Д ж / к г кДж/кг

Для ПВД-6 ∆ i 2 = 3159 930 , 9 = 2228 , 1 i_{2} = 3159 - 930, 9 = 2228, 1 к Д ж / к г кДж/кг

Для ПВД-5 ∆ i 3 = 3029 , 5 814 , 7 = 2214 , 8 i_{3} = 3029, 5 - 814, 7 = 2214, 8 к Д ж / к г кДж/кг

Для ПВД-4 ∆ i 4 = 2910 684 , 2 = 2225 , 8 i_{4} = 2910 - 684, 2 = 2225, 8 к Д ж / к г кДж/кг

Для ПВД-3 ∆ i 5 = 2825 579 , 9 = 2245 , 1 i_{5} = 2825 - 579, 9 = 2245, 1 к Д ж / к г кДж/кг

Для ПВД-2 ∆ i 6 = 2672 , 6 439 , 36 = 2233 , 24 i_{6} = 2672, 6 - 439, 36 = 2233, 24 к Д ж / к г кДж/кг

Для ПВД-1 ∆ i 7 = 2655 376 , 77 = 2278 , 23 i_{7} = 2655 - 376, 77 = 2278, 23 к Д ж / к г кДж/кг

Количество тепла, отданное каждым килограммом конденсата греющего пара при его каскадном сливе из подогревателя с более высоким давлением греющего пара, основному конденсату или питательной воде в рассматриваемом подогревателе.

τ 1 , 2 = τ 1 τ 2 к Д ж / к г \tau_{1, 2} = \tau_{1} - \tau_{2\ \ }кДж/кг

τ 2 , 3 = τ 2 τ 3 к Д ж / к г \tau_{2, 3} = \tau_{2} - \tau_{3\ \ }кДж/кг

τ 4 , 5 = τ 4 τ 5 к Д ж / к г \tau_{4, 5} = \tau_{4} - \tau_{5\ \ }кДж/кг

τ 5 , 6 = τ 5 τ 6 к Д ж / к г \tau_{5, 6} = \tau_{5} - \tau_{6\ \ }кДж/кг

τ 6 , 7 = τ 6 τ 7 к Д ж / к г \tau_{6, 7} = \tau_{6} - \tau_{7\ \ }кДж/кг

τ 1 , 2 = 1057 , 6 930 , 9 = 126 , 7 к Д ж / к г \tau_{1, 2} = 1057, 6 - 930, 9 = 126, 7кДж/кг

τ 2 , 3 = 930 , 9 814 , 7 = 116 , 2 к Д ж / к г \tau_{2, 3} = 930, 9 - 814, 7 = 116, 2кДж/кг

τ 4 , 5 = 684 , 2 579 , 9 = 104 , 3 к Д ж / к г \tau_{4, 5} = 684, 2 - 579, 9 = 104, 3кДж/кг

τ 5 , 6 = 579 , 9 439 , 36 = 140 , 57 к Д ж / к г \tau_{5, 6} = 579, 9 - 439, 36 = 140, 57кДж/кг

τ 6 , 7 = 439 , 36 376 , 77 = 62 , 59 к Д ж / к г \tau_{6, 7} = 439, 36 - 376, 77 = 62, 59кДж/кг

Расчёт расхода греющего пара на элементы тепловой схемы.

Расход свежего пара на турбину принимается за единицу D 0 = 1 D_{0} = 1\ , остальные потоки пара и воды выражаются в долях от D 0 D_{0} .

Расход питательной воды D п в = D 0 + D у т D_{пв} = D_{0} + D_{ут}

Разделив это выражение на D 0 D_{0} , получим £ у т = D у т D 0 = 0 , 01 \pounds_{ут} = \frac{D_{ут}}{D_{0}} = 0, 01 - величина утечки.

Доля расхода питательной воды: £ п в = 1 + 0 , 01 = 1 , 01 \pounds_{пв} = 1 + 0, 01 = 1, 01

Доля расхода пара ПВД-7

£ 1 = £ п в Δ t ¯ 7 Δ i 1 η 1 \pounds_{1} = \frac{\pounds_{пв} \cdot {\Delta\overline{t}}_{7}}{\mathrm{\Delta}i_{1} \cdot \eta_{1}}

£ 1 = 1 , 01 115 , 225 2210 , 4 0 , 99 = 0 , 053 \pounds_{1} = \frac{1, 01 \cdot 115, 225}{2210, 4 \cdot 0, 99} = 0, 053

η 1 = 0 , 99 \eta_{1} = 0, 99 - КПД подогревателей, показывает долю тепла пара отбора, пошедшего на подогрев нагреваемой среды.

Доля расхода пара на ПВД-6

£ 2 = £ п в Δ t ¯ 6 £ 1 Δ τ 1 , 2 η 2 Δ i 2 η 2 \pounds_{2} = \frac{\pounds_{пв} \cdot {\Delta\overline{t}}_{6} - \pounds_{1} \cdot {\Delta\tau}_{1, 2} \cdot \eta_{2}}{\mathrm{\Delta}i_{2} \cdot \eta_{2}}

£ 2 = 1 , 01 115 , 225 0 , 053 126 , 7 0 , 99 2228 , 1 0 , 99 = 0 , 049 \pounds_{2} = \frac{1, 01 \cdot 115, 225 - 0, 053 \cdot 126, 7 \cdot 0, 99}{2228, 1 \cdot 0, 99} = 0, 049

Доля расхода пара ПВД-5

£ 3 = £ п в Δ t ¯ 5 ( £ 1 + £ 2 ) Δ τ 2 , 3 η 3 Δ i 3 η 3 \pounds_{3} = \frac{\pounds_{пв} \cdot {\Delta\overline{t}}_{5} - {(\pounds}_{1} + \pounds_{2}) \cdot {\Delta\tau}_{2, 3} \cdot \eta_{3}}{\mathrm{\Delta}i_{3} \cdot \eta_{3}}

£ 3 = 1 , 01 115 , 225 ( 0 , 053 + 0 , 049 ) 116 , 2 0 , 99 2214 , 8 0 , 99 = 0 , 047 \pounds_{3} = \frac{1, 01 \cdot 115, 225 - (0, 053 + 0, 049) \cdot 116, 2 \cdot 0, 99}{2214, 8 \cdot 0, 99} = 0, 047

Доля расхода пара деаэратор.

£ к = £ п в ( £ 1 + £ 2 + £ 3 ) £ д \pounds_{к} = \pounds_{пв} - \left( \pounds_{1} + \pounds_{2} + \pounds_{3} \right) - \pounds_{д}

£ к = 1 , 01 ( 0 , 053 + 0 , 049 + 0 , 047 ) £ д = 0 , 861 £ д \pounds_{к} = 1, 01 - (0, 053 + 0, 049 + 0, 047) - \pounds_{д} = 0, 861 - \pounds_{д}

£ к \pounds_{к} - величина потока основного конденсата после ПНД в долях от расхода пара на турбину.

Тепловой баланс деаэратора:

£ д i д + ( £ 1 + £ 2 + £ 3 ) τ 3 + £ к t ¯ 4 = £ п в t ¯ д \pounds_{д} \cdot i_{д} + \left( \pounds_{1} + \pounds_{2} + \pounds_{3} \right) \cdot \tau_{3} + \pounds_{к} \cdot {\overline{t}}_{4} = \pounds_{пв} \cdot {\overline{t}}_{д}

£ д 3029 , 5 + ( 0 , 053 + 0 , 049 + 0 , 047 ) 814 , 7 + ( 0 , 861 £ д ) 620 , 12 = 1 , 01 670 , 4 \pounds_{д} \cdot 3029, 5 + (0, 053 + 0, 049 + 0, 047) \cdot 814, 7 + (0, 861 - \pounds_{д}) \cdot 620, 12 = 1, 01 \cdot 670, 4

£ д 2409 , 38 = 21 , 791 £ д = 21 , 791 2409 , 38 = 0 , 009 £ д = 0 , 861 0 , 009 = 0 , 852 {\pounds_{д} \cdot 2409, 38 = 21, 791}{\pounds_{д} = \frac{21, 791}{2409, 38} = 0, 009}{\pounds_{д} = 0, 861 - 0, 009 = 0, 852}
В результате решения системы двух уравнений находятся £ д \pounds_{д} и £ к \pounds_{к} .
Доля расхода пара на ПНД-4

£ 4 = £ к Δ t ¯ 4 Δ i 4 η 4 \pounds_{4} = \frac{\pounds_{к} \cdot {\Delta\overline{t}}_{4}}{\mathrm{\Delta}i_{4} \cdot \eta_{4}}

£ 4 = 0 , 852 127 , 061 2225 , 8 0 , 99 = 0 , 049 \pounds_{4} = \frac{0, 852 \cdot 127, 061}{2225, 8 \cdot 0, 99} = 0, 049

Доля расхода пара на ПНД-3

£ 5 = £ к Δ t ¯ 3 £ 4 Δ τ 4 , 5 η 5 Δ i 5 η 5 \pounds_{5} = \frac{\pounds_{к} \cdot {\Delta\overline{t}}_{3} - \pounds_{4} \cdot {\Delta\tau}_{4, 5} \cdot \eta_{5}}{\mathrm{\Delta}i_{5} \cdot \eta_{5}}

£ 5 = 0 , 852 127 , 061 0 , 049 104 , 57 0 , 99 2245 , 1 0 , 99 = 0 , 046 \pounds_{5} = \frac{0, 852 \cdot 127, 061 - 0, 049 \cdot 104, 57 \cdot 0, 99}{2245, 1 \cdot 0, 99} = 0, 046

Доля расхода пара на ПНД-2

£ к ´ = £ к £ 4 £ 5 £ 6 \pounds_{к}^{´} = \pounds_{к} - \pounds_{4} - \pounds_{5} - \pounds_{6}

£ к ´ = 0 , 582 0 , 049 0 , 046 £ 6 = 0 , 757 £ 6 \pounds_{к}^{´} = 0, 582 - 0, 049 - 0, 046 - \pounds_{6} = 0, 757 - \pounds_{6}

£ 6 i 6 η 6 + ( £ 4 + £ 5 ) τ 5 , 6 η 6 = £ к ´ Δ t ¯ 2 \pounds_{6} \cdot i_{6} \cdot \eta_{6} + \left( \pounds_{4} + \pounds_{5} \right) \cdot \tau_{5, 6} \cdot \eta_{6} = \pounds_{к}^{´} \cdot {\Delta\overline{t}}_{2}

£ 6 2672 , 6 0 , 99 + ( 0 , 049 + 0 , 046 ) 140 , 57 0 , 99 = £ к ´ 127 , 061 \pounds_{6} \cdot 2672, 6 \cdot 0, 99 + (0, 049 + 0, 046) \cdot 140, 57 \cdot 0, 99 = \pounds_{к}^{´} \cdot 127, 061

£ 6 2659 , 094 = £ к ´ 127 , 061 \pounds_{6} \cdot 2659, 094 = \pounds_{к}^{´} \cdot 127, 061

£ 6 2645 , 28 + 13 , 22 = 96 , 185 = 127 , 061 £ 6 \pounds_{6} \cdot 2645, 28 + 13, 22 = 96, 185 = 127, 061 \bullet \pounds_{6}

£ 6 ( 2645 , 28 + 127 , 061 ) = 96 , 185 13 , 22 \pounds_{6} \cdot (2645, 28 + 127, 061) = 96, 185 - 13, 22

£ 6 2772 , 341 = 82 , 965 \pounds_{6} \cdot 2772, 341 = 82, 965

£ 6 = 82 , 965 2772 , 341 = 0 , 029 \pounds_{6} = \frac{82, 965}{2772, 341} = 0, 029

£ к ´ = 0 , 757 0 , 029 = 0 , 728 \pounds_{к}^{´} = 0, 757 - 0, 029 = 0, 728

В результате решения системы двух уравнений находятся £ 6 и \pounds_{6}\ и £ к ´ . \pounds_{к}^{´}.

Доля расхода пара на ПНД-1

£ 7 = £ к ´ Δ t ¯ 1 Δ i 7 η 7 \pounds_{7} = \frac{\pounds_{к}^{´} \cdot {\Delta\overline{t}}_{1}}{\mathrm{\Delta}i_{7} \cdot \eta_{7}}

£ 7 = 0 , 728 127 , 061 2278 , 23 0 , 99 = 0 , 041 \pounds_{7} = \frac{0, 728 \cdot 127, 061}{2278, 23 \cdot 0, 99} = 0, 041

Построение процесса расширения пара в турбине.

Энтальпия пара перед турбиной i 0 = 3480 i_{0} = 3480 находятся по параметрам свежего пара перед стопорными клапанами турбины.

P 0 ʹ = Р 0 η д р Ц В Д P_{0}^{ʹ} = Р_{0} \bullet \eta_{др}^{ЦВД}

P 0 = 8 , 82 М П а P_{0} = 8, 82\ МПа

t 0 = 540 С t_{0} = 540\ {^\circ}С

Р 0 ʹ = 8 , 82 0 , 95 = 8 , 379 Р_{0}^{ʹ} = 8, 82 \bullet 0, 95 = 8, 379

Где η Ц В Д = 0 , 95 \eta^{ЦВД} = 0, 95 - КПД дросселирования, учитывающий потери давления в стопорных клапанах, перепускных трубах, регулирующих клапанах.

Энтальпия i 3 ʹ i_{3}^{ʹ} находится на диаграмме по значению давления P 3 P_{3} .

Находим располагаемый тепловой перепад в ЦВД.

H 0 Ц В Д = i 0 i 3 ʹ H_{0}^{ЦВД} = i_{0} - i_{3}^{ʹ} кДж/кг

H 0 Ц В Д = 3480 2950 = 530 H_{0}^{ЦВД} = 3480 - 2950 = 530 кДж/кг

Полезно использованный перепад в ЦВД.

H i Ц В Д = H 0 Ц В Д η 0 i Ц В Д H_{i}^{ЦВД} = H_{0}^{ЦВД} \bullet \eta_{0i}^{ЦВД} кДж/кг

Где η 0 i Ц В Д = 85 \eta_{0i}^{ЦВД} = 85 - внутренний относительный КПД ЦВД

H i Ц В Д = 530 0 , 85 = 450 , 5 H_{i}^{ЦВД} = 530 \bullet 0, 85 = 450, 5 кДж/кг

Энтальпия пара второго отбора находится по формуле:

i 3 = i 0 H i Ц В Д i_{3} = i_{0} - H_{i}^{ЦВД} кДж/кг

i 3 = 3480 450 , 5 = 3029 , 5 i_{3} = 3480 - 450, 5 = 3029, 5 кДж/кг

i 1 = 3268 i_{1} = 3268

i 2 = 3159 i_{2} = 3159

Энтальпия пара первого, второго отборов i 1 , i 2 i_{1}, \ i_{2} находится на диаграмме по значению давления P 1 , P 2 . P_{1}, \ \ P_{2}. \

Давление пара перед соплами регулирующей ступени ЦСД.

Р n ʹ = P 3 η д р Ц С Д Р n ʹ = 1 , 3 0 , 85 = 1 , 105 {Р_{n}^{ʹ} = P_{3} \bullet \eta_{др}^{ЦСД}}{Р_{n}^{ʹ} = 1, 3 \bullet 0, 85 = 1, 105}

Где η д р Ц С Д = 0 , 85 \eta_{др}^{ЦСД} = 0, 85\ - КПД дросселирования ЦСД, учитывающий потери давления в стопорных клапанах, перепускных трубах, регулирующих клапанах.

Энтальпия i 6 ʹ i_{6}^{ʹ} находится на диаграмме по значению давления P 6 . P_{6}.

Находим располагаемый тепловой перепад в ЦСД.

H 0 Ц С Д = i 3 i 6 ʹ H_{0}^{ЦСД} = i_{3} - i_{6}^{ʹ} кДж/кг

H 0 Ц С Д = 3029 , 5 2600 = 429 , 5 H_{0}^{ЦСД} = 3029, 5 - 2600 = 429, 5 кДж/кг

Полезно использованный перепад в ЦСД.

H i Ц С Д = H 0 Ц С Д η 0 i Ц С Д H_{i}^{ЦСД} = H_{0}^{ЦСД} \bullet \eta_{0i}^{ЦСД} кДж/кг

Где η 0 i Ц С Д = 0 , 83 \eta_{0i}^{ЦСД} = 0, 83 - внутренний относительный КПД ЦСД.

H i Ц С Д = 429 , 5 0 , 83 = 356 , 485 H_{i}^{ЦСД} = 429, 5 \bullet 0, 83 = 356, 485 кДж/кг

Энтальпия пара второго отбора находится по формуле.

i 6 = i 3 H i Ц С Д i_{6} = i_{3} - H_{i}^{ЦСД}\ кДж/кг

i 6 = 3029 , 5 0 , 83 = 2672 , 6 i_{6} = 3029, 5 - 0, 83 = 2672, 6\ \ кДж/кг

i 4 = 2910 i_{4} = 2910

i 5 = 2825 i_{5} = 2825

Энтальпия пара четвёртого, пятого отборов i 4 , i 5 i_{4}, \ i_{5} находится на диаграмме по значению давления P 4 , P 5 . P_{4}, \ \ P_{5}. \

Построение процесса расширения пара в турбине от шестого отбора до конденсатора выполняется по КПД этого отсека проточной части ЦНД с учётом процесса дросселирования в ЦНД.

Р о т ʹ = P 6 η д р Ц Н Д Р_{от}^{ʹ} = P_{6} \bullet \eta_{др}^{ЦНД}

Где η д р Ц Н Д = 0 , 70 \eta_{др}^{ЦНД} = 0, 70 - КПД дросселирования ЦНД, учитывающий потери давления в стопорных клапанах, перепускных трубах, регулирующих клапанах.

Р о т ʹ = 0 , 12 0 , 70 = 0 , 084 Р_{от}^{ʹ} = 0, 12 \bullet 0, 70 = 0, 084

Внутренний относительный КПД группы ступеней от шестого (седьмого) отбора до конденсатора принимается (по усреднённым данным) . η o i Ц Н Д = 0 , 70 \eta_{oi}^{ЦНД} = 0, 70

Располагаемый перепад этой группы ступеней.

H 0 Ц Н Д = i 6 i k t H_{0}^{ЦНД} = i_{6} - i_{kt} кДж/кг

H 0 Ц Н Д = 2672 2230 = 442 H_{0}^{ЦНД} = 2672 - 2230 = 442 кДж/кг

Полезно использованный перепад в ЦНД.

H i Ц Н Д = H 0 Ц Н Д η o i Ц Н Д H_{i}^{ЦНД} = H_{0}^{ЦНД} \bullet \eta_{oi}^{ЦНД} кДж/кг

H i Ц Н Д = 442 0 , 70 = 309 , 4 H_{i}^{ЦНД} = 442 \bullet 0, 70 = 309, 4 кДж/кг

Энтальпия пара в конце процесса расширения пара в турбине.

i к = i 6 H i Ц Н Д i_{к} = i_{6} - H_{i}^{ЦНД}\ кДж/кг

i к = 2672 309 , 4 = 2362 , 6 i_{к} = 2672 - 309, 4 = 2362, 6\ кДж/кг

Энтальпия пара седьмого отбора i 7 i_{7} находится по значению давления.

i 7 = 2655 i_{7} = 2655

Расчёт коэффициентов недовыработки мощности паром отборов (без промежуточного перегрева пара) .

Коэффициент недовыработки мощности паром 1-го отбора идущего на ПВД-7

У 1 = i 1 i к i 0 i к У_{1} = \frac{i_{1} - i_{к}}{i_{0} - i_{к}}

У 1 = 3268 2362 , 6 3480 2362 , 6 = 0 , 81 У_{1} = \frac{3268 - 2362, 6}{3480 - 2362, 6} = 0, 81

У 2 = i 2 i к i 0 i к У_{2} = \frac{i_{2} - i_{к}}{i_{0} - i_{к}}

У 2 = 3159 2362 , 6 3480 2362 , 6 = 0 , 712 У_{2} = \frac{3159 - 2362, 6}{3480 - 2362, 6} = 0, 712

У 3 = i 3 i к i 0 i к У_{3} = \frac{i_{3} - i_{к}}{i_{0} - i_{к}}

У 3 = 3029 , 5 2362 , 6 3480 2362 , 6 = 0 , 596 У_{3} = \frac{3029, 5 - 2362, 6}{3480 - 2362, 6} = 0, 596

У д = i д i к i 0 i к У_{д} = \frac{i_{д} - i_{к}}{i_{0} - i_{к}}

У д = 3029 , 5 2362 , 6 3480 2362 , 6 = 0 , 596 У_{д} = \frac{3029, 5 - 2362, 6}{3480 - 2362, 6} = 0, 596

... продолжение

Вы можете абсолютно на бесплатной основе полностью просмотреть эту работу через наше приложение.
Похожие работы
Тепловой, аэродинамический и экологический расчёт котла БКЗ-420-140 для Павлодарской ТЭЦ (сжигание Екибастузского угля и попутного газа)
Технико-экономическое и экологическое обоснование реконструкции ТЭЦ-2 и Алматинских тепловых сетей с расчетом котлов БКЗ-420-140 и турбины Т-110/120-130
Технико-экономическое и экологическое обоснование перехода ТЭЦ-2 г. Алматы с угля на биогаз с тепловым расчётом котлов БКЗ-420-140
Проектирование и теплотехнический расчёт Актюбинской ТЭЦ с паровой турбиной ПТ-60/90/13
Тепловой и аэродинамический расчёт котла БКЗ-460-140: охрана окружающей среды, автоматика, охрана труда и экономическая эффективность
Расчет тепловой схемы и характеристик конденсационной турбины К-180-8,0
Автоматизация регулирования давления пара перед турбиной на теплоэлектростанции: разработка схемы, ПИД-регулирование, устойчивость и экономическая эффективность
Методические указания по созданию принципиальной электрической схемы в P-CAD Schematic
Расчет тепловой нагрузки и проектирование систем водоподготовки и теплоснабжения ТЭС и производственных предприятий
Методика расчета тепловой схемы и материально-теплового баланса паротурбинной АЭС
Дисциплины



Реферат Курсовая работа Дипломная работа Материал Диссертация Практика - - - 1‑10 стр. 11‑20 стр. 21‑30 стр. 31‑60 стр. 61+ стр. Основное Кол‑во стр. Доп. Поиск Ничего не найдено :( Недавно просмотренные работы Просмотренные работы не найдены Заказ Антиплагиат Просмотренные работы ru ru/