Разработка чертежа общего вида изделия: этапы, содержание и требования ЕСКД

КАЗАХСКИЙ НАЦИОНАЛЬНЫЙ УНИВЕРСИТЕТ ИМЕНИ АЛЬ-ФАРАБИ
ХИМИЧЕСКИЙ ФАКУЛЬТЕТ
РЕФЕРАТ НА ТЕМУ:
Выполнили: Жумаш Мерген
Кабиева Жанна
Караваева Евгения
Хан Андрей
Нургалиев Ринат
Ермухамбетов Арман
гр. ХТОВ-101Р
Проверил: Урмашев Б. А.
Алматы, 2008
Разработка чертежа общего вида изделия.
Общие положения.
Разработка нового изделия и конструкторской документации на него в общем случае проходят пять стадий, установленных в ГОСТ. На четырех из этих стадий (техническое задание, техническое предположение, эскизный проект, технический проект) разрабатывают проектную документацию и на завершающей стадии - рабочую документацию (опытного образца или опытных партий, установочной серии и установившегося или массового производства) . На стадиях эскизного и технического проектов изготавливают и испытывают макеты изделий.
В учебном процессе студенты разрабатывают, как правило, проектную конструкторскую документацию - курсовые работы и проекты, дипломные проекты и работы. В составе некоторых проектов на отдельные детали разрабатывают чертежи, соответствующие рабочим.
Одним из первых этапов студенческой работы является разработка чертежа общего вида сборочной еденицы - отдельного прибора или узла машины, установки по ее основным деталям. Аналогичные работы часто выполняют и в промышленности - при восстановлении утраченных чертежей или для создания кострукторской документации, необходимой для ремонта или модернизации импортных образцов оборудования, приборов.
Чертеж общего вида - это чертеж, содержащий данные, определяющие конструкцию изделия, взаимодействие его частей, служащий для пояснения принципа работы изделия и разработки рабочей документации - рабочих чертежей деталей и сборочных чертежей входящих в изделие сборочных едениц, включая сборочный чертеж изделия.
В ГОСТ «Эскизный проект» и «Технический проект» ЕСКД установлено, что в общем случае чертеж общего вида должен содержать:
а) изображения изделия (виды, разрезы, сечения), текстовую часть и надписи, необходимые для понимания конструктивного устройства изделия, взаимодействия его составных частей и принципа работы изделий;
б) наименования, а также обозначения (если они имеются) тех составных частей, для которых необходимо указать данные (технические характеристики, количество, указания о материале, принципе работы и др. ) или запись которых необходима для пояснения чертежа общего вида, описания принципа работы изделия, указания о составе и др. ;
в) размеры и другие наносимые на изображении данные (при необходимости) ;
г) схему (если она требуется, но оформлять ее отдельным документом нецелесообразно) ;
д) технические характеристики изделия, если это необходимо для удобства сопоставления вариантов по чертежу общего вида.
Разрабатываемый чертеж общего вида должен содержать:
изображения (виды, разрезы, сечения), определяющие кострукцию и технические формы всех составных частей изделия, их расположение, количество и дающие представление о взаимодействии составных частей;
установочные, присоединиткльные и габаритные размеры;
обозначения составных частей и их перечень в виде таблицы.
На чертеже общего вида изображают вид соединений деталей сборочной еденицы ( соединения с зазором или без него, резьбовые, шрифтовые, шпоночные; склеивание, пайка, сварка деталей; развальцовка, клепка и т. п. ), применяя лишь минимальные упрощения, как это оговорено ниже.
Особое внимание обращают на то, чтобы в чертеже содержалось такое количество изображений, которое достаточно для понимания формы всех входящих в его состав сборочных едениц и отдельных деталей. Его выполняют так, чтобы по нему можно выполнить чертеж любой детали.
Отдельные элементы конструкции следует вычертить, пользуясь техническими справочниками, например стандартные крепежные детали (винты, гайки и т. д. ), которые входят в состав сборочной еденицы.
Объем, содержание и последовательность
разработки чертежа общего вида.
Этапы разработки чертежа общего вида. При выполнении чертежа общего вида обычно выполняют в определенной последовательности следующие работы:
- Ознакомление со сборочной еденицей: изучение назначения, конструкции, принципа работы и взаимодействия составных частей, а также последовательности разборки и сборки. Обычно при этом руководствуются разработанным кафедрой паспортом - схемой сборочной еденицы, описанием и спецификацией.
- Выполнение эскизов деталей, входящих в состав сборочной еденицы, включая эскизы некоторых стандартизованных деталей. Увязка сопряженных размеров деталей.
- Выполнение чертежа общего вида на основе снятых эскизов. При этом решаются вопросы выбора главного изображения и числа изоьражений на чертеже общего вида. Перед планировкой полезно выполнить от руки изометрию сборочной еденицы. Пример планировки чертежа общего вида показан на рисунке 15. 1. В основу планировки обычно принимают планировку эскиза корпусной детали. Более подробно этот этап рассмотрен ниже.
Пример
выполения чертежа общего вида приведен на рисунке 15. 2.
Особенность работы над чертежом общего вида состоит в том, что съемку эскизов деталей студенты выполняют только в аудитории. При работе над чертежом общего вида студенты прорабатывают отдельные стандарты ЕСКД. Для решения отдельных конструктивных вопросов рекомендуется использовать учебно-методическую и справочную литературу.
Ознакомление с заданием. Для выполнения чертежа общего вида каждому студенту выдают индивидуальное задание - вариант сборочной еденицы с техническим описанием. Руководствуясь техническим описанием, надо уяснить назначение сборочной еденицы, принцип работы и взаимодействие основных составных частей, мысленно наметить последовательность разборки и сборки и выполнить их практически. При этом следует внимательно изучить конструктивные и технические формы составных частей.
Выполнение эскизов деталей для
чертежа общего вида.
При съемке эскизов деталей для выполнения чертежа общего вида сборочной единицы особое внимание обращают на вопросы нанесения и увязки размеров смежных, сопрягаемых деталей. При съемке эскизов деталей сборочных единиц некоторые размеры наносят с учетом взаимосвязи этих деталей в устройствах и их конструктивных особенностей, то есть из конструктивных соображений, от конструктивных баз. Эти особенности расмотрены ниже.
При съемке эскизов деталей для чертежей общего вида иногда выполняют эскизы сборочных едениц, входящих в состав устройства. К числу таких сборочных едениц относятся армированные изделия, например из пластмассы с металическими деталями.
В качестве примера на рисунках 15. 3, 15. 4, а - з приведен комплект выполненых эскизов для верньера ( рис. 15. 4, б - з - только с размерными линиями), чертеж общего вида которого приведен на рисунке 15. 2.
Эскизы сборочных едениц.
Если в изделии имеются сборочные единицы, то при съемке эскизов на них оформляют эскизы сборочных едениц со спецификациями, определяющими их состав. В учебном процессе такими сборочными единицами бывают обычно неразъемные соединения деталей (или деталей и материалов), получаемые армированием
(армирование представляет собой технологический процесс изготовления неразъемных сборочных едениц, осуществляемых путем заливки или прессования металлической арматуры в виде втулок, стержней, шпилек материалом, которым может быть пластмасс, стекло, фарфор, керамика, металлы и их сплавы и т. п., отличающиеся от материала арматуры (см. рис. 15. 3) ),
сварки или наплавкой, а также неразъемные материалы соединеия деталей (материалов), которые после соединения их пайкой, склеиванием, развальцовкой, напрессовкой и другими сборочными операциями подвергают дополнитнльной механической разработке. На детали (металлическую арматуру), входящие в состав таких сборочных единиц, оформляют отдельные эскизы.
Пример. В показанной на рисунке 15. 2 конструкции верньера ручка 1 является сборочной единицей, представляющей собой армированное изделие. На нее разработан эскиз (рис. 15. 3) . Ручка верньера состоит из арматуры: металлической втулки 1 и материала - пластмасса 2. В армированной сборочной еденице материал приобретает установленную эскизом или чертежом форму после прессования (или заливки) в пресс-форму совместно с арматурой. Поэтому на эскизе (чертеже) армированной сборочной единицы наносят все размеры, определяющие ее формы, за исключением размеров арматуры, а также размеры, которые определяют положение арматуры относительно формируемых поверхностей. В эскизе на рисунке 15. 3 нанесены все размеры, определяющие форму пластмассовой части ручки. Размер 4 мм определяет положение металлической втулки относительно торца ручки. Металлическая втулка использована при изготовлении металлопластмассовой ручки верньера как самостоятельная предварительно изготовленная деталь. Поэтому на нее выполнен отдельный эскиз (рис. 15. 4, а), на котором нанесены все размеры, необходимые для ее изготовления (резьбовое отверстие М4 на эскизе втулки не показано, так как его обрабатывают после прессования ручки) .
Сопряженные и свободные размеры. Размеры деталей сборочных единиц подразделяют на сопряженные и свободные. Сопряженные размеры - это размеры сопрягаемых (соединяемых) деталей, которые должны быть одинаковы. Они обеспечивают заданное положение деталей в сборочной единице, точность ее работы, надлежащие условия сборки и разборки, требуемую взаимозаменяемость деталей. После изготовления деталй эти размеры обязательно проверяют контролеры службы контроля или управления качеством.
При съемке эскиза с деталей устройств вопросам правильного измерения и нанесения сопряженных размеров уделяют особое внимание.
Свободные размеры обычно относят к поверхностям деталей, не соприкасающимся с другими деталями сборочной единицы и не влияющим существенно на работу механизма. Однако значения отдельных свободных размеров смежных деталей могут быть взаимно связаны определенными конструктивными условиями (значени свободных размеров одной деталей наносят в соответствии с аналогичными размерами смежных деталей) . Такие размеры называют свободными зависимыми.
Правильное нанесение на чертеже деталей таких взаимозависимых (зависимых) свободных размеров является необходимым условием обеспечения правильной работы изделия, его монтажа и демонтажа. Поэтому при съемке эскизов выделяют свободные зависимые размеры деталей устройства и проверяют правильность их измерения и нанесения на эскизах.
Характер взаимосвязи размеров деталей сборочной единицы определяется ее конструкцией. Поясним это на примерах.
На рисунке 15. 5 показано седло 1 клапана, запрессованное в корпус 2 по диаметру d 1 , значения которого для седла и корпуса являются сопряженными размерами. В то же время диаметры d 2 седла и d 3 корпуса являются свободными зависимыми размерами, так как к ним не предъявляется больших требований по точности изготовления; необходимо тоько, чтобы d 3 >d 2 . Здесь же свободными зависимыми размерами являются размеры l 1 седла и l 2 отверстия в корпусе; для них также необходимо условие l 2 >l 1 .
На рисунке 15. 6 показано винтовое соединение двух деталей. Наружные диаметры резьбы d
1
винта 3 и детали 1 являются сопряженными (внутренний и средний диаметры резьбы также являются сопряженными размерами, но в обозначении резьбы на чертежах деталей их не указывают) . Наружный диаметр d
1
резьбы винта и диаметр d
2
отверстия в детали 2 представляют собой свободные зависимые размеры, так как отверстие в детали 2 должно быть больше диаметра винта.
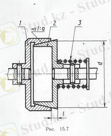
Сопряженные размеры двух конических поверхностей с одинаковой конусностью показаны на примере фрикционной муфты (рис. 15. 7) . Сопряжение конических поверхностей определяется величиной сопряженных размеров - их конусности 1: a и диаметрами d (конусность - отношение разности диаметров двух сечений конуса к расстоянию между ними) . При этом диаметры d задают в «основной» плоскости, являющейся для наружного конуса (левая полумуфта 1) плоскостью его большего основания. Для внутреннего конуса (правая полумуфта 2) положение «основной» плоскости определено размером l от одного из торцов детали.
Сопряженные размеры двух пирамидальных поверхностей показаны на рисунке 15. 8. Для передачи крутящего момента с маховичка 1 на шток 2 вакуумного вентиля их сопряжение выполнено в виде четырехгранной пирамиды. Сопряженные размеры здесь - уклон 1: a - посадочных граней относительно оси штока и размеры поперечных сечений отверстия в маховичке и конца штока, определяемые в «основной» плоскости, т. е. размеры b стороны квадрата (в сечении А-А) . длина l посадочной поверхности штока и длина l1 посадочной поверхности маховика являются свободными зависимыми размерами с условием l 1 >l, чтобы обеспечить осевую затяжку маховика на штоке.
Другие примеры осевых сопряженных и свободных зависимых размеров приведены ниже.
На рисунке 15. 9, a, b показаны два варианта установки ролика 2 на панели 3 прибора: a - ролик вращается на неподвижной оси 1; в - ролик вращается вместе с валом 1, на котором он закреплен при помощи гайки 4, шайбы 5 и шпонки 6. в первой конструкции (рис. 15. 9, а) размеры l ролика и оси - сопряженные размеры. Необходимый зазор обеспечивают специально назначенными допускаемыми отклонениями этих размеров (их изучают в курсе по допускам, посадкам, посадкам и техническим измерениям) так, чтобы длина оси всегда была несколько больше длины ролика (при равенстве величины номинального значения l у ролика и оси) . Размеры длины оси и длины ролика выполняют с большой точностью. При неправильном выполнении этих размеров ролик может быть зажат в осевом направлении или, напротив, между роликом и корпусом может возникнуть недопустимый осевой зазор (люфт) . Правильное нанесение размера l длины на оси ролика от конструктивной базы - торца К - показано на рисунке 15. 9, б. Во второй конструкции (рис. 15. 9, в) ролик зажат на валу в осевом направлении, что обеспечивает условие l 1 <l 2 . В этом случае размеры l 1 и l 2 - свободные зависимые. Схема нанесения размеров длины на вале от технологической базы Т в этом случае приведена на рисунке 15. 9, г.
Другой пример нанесения размеров длины от технологической базы Т приведен на рисунке 15. 10 для случая неподвижного крепления шарикоподшипника на валу (условно показана только половина разреза) . Свободные зависимые размеры: l - высота внутреннего кольца подшипника, А и Б - осевые размеры вала (l>Б-А) . конструктивная база вала - торец К. Размеры А и Б нанесены от технологической базы Т.
На рисунке 15. 11 изображена рукоятка прибора, ручка 2 которой свободно вращается на оси 1. штифт 3 предохраняет ручку от соскальзывания с оси, а кольцевая канавка на оси допускает свободное вращение ручки со штифтом вокруг оси. Размер l2, определяющий положение канавки на оси, и размер l
1
, определяющий положение штифта в ручке, являются свободными зависимыми размерами (l
2
>l
1
) . В данной конструкции имеются и другие как сопряженные (диметр1), так и свободные зависимые (d
2
и d
3
, d
3
>d
2
) размеры диаметров оси и ручки.
Сопряженными являются также размеры, определяющие положение осей отверстий двух соединяемых винтами, болтами или шпильками деталей (см. рис. 15. 12, 15. 13) .
На рисунке 15. 12 сопрягаемый размер l определяет положение осей отверстий под винты в подшипнике скольжения 1 и в корпусе 2 прибора.
В конструкции на рисунке 15. 13 для деталей 1 и 2 диаметр d расположения осей отверстий под крепежные детали является сопряженным. Сопряженным является и угловой размер - величина угла а, определяющий положение шпоночных пазов в обеих деталях относительно осей их крепежных отверстий.
Приведенные примеры, разумеется, не, исчерпывают всего многообразия сопряженных и свободных зависимых размеров на чертежах деталей. Однако при съемке эскизов необходимо анализировать конструкцию сборочных единиц и особое внимание обращать на правильность измерения и нанесения указанных размеров.
После съемки эскизов с деталей все сопряженные и зависимые размеры подчеркивают красным карандашом, проверяя правильность их измерения и нанесения и при необходимости корректируя повторным измерением.
Альбом эскизов. Комплект эскизов на сборочную единицу сброшюровывают в обложку из плотной бумаги. Лицевую сторону обложки оформляют по образцу, принятому на кафедре.
Разработка чертежа общего вида
Выбор главного изображения и числа изображений. При разработке чертежа общего вида изделия изображения выполняют в соответствии с правилами, изложенными в ГОСТе
На главном изображении чертежа общего вида изделие обычно располагают в рабочем положении. Во многих случаях рабочее положение изделия может быть любым. Для таких изделий на чертеже общего вида главное изображение выбирают так, чтобы выбранное положение было удобно при сборке и давало наиболее полное представление о конструкции изделия. Главное изображение обычно выполняют как фронтальный или сложный разрез или при симметричной конструкции, соединяя половину главного вида и половину фронтального разреза.
Состав других изображений определяют в зависимости от особенности конструкции изделия и формы его деталей. Количество изображений должно быть наименьшим, но достаточным, чтобы давать полное представление о конструкции изделия в целом, взаимодействии его составных частей, о конструкции и технических формах всех его деталей и сборочных единиц. Необходимость выявления на чертеже общего вида технических форм всех деталей изделия является одним из существенных отличий чертежа общего вида от сборочных чертежей. Для выполнения этого требования на чертежах общего вида во многих случаях помимо изображений изделия в целом дают ряд дополнительных изображений для групп деталей или отдельных деталей. Так, на чертеже общего вида рассмотренного выше верньера (см. рис. 15. 2) даны сечение В-В втулки 5 и вид Г на обойму 3, необходимости в которых на сборочном чертеже нет. Отметим также, что для сборочного чертежа верньера (см. рис. 15. 2) вполне достаточно двух, изображений - главного вида и разреза, секущая плоскость которого совпадает с секущей плоскостью разреза А-А, а направление взгляда ему противоположно. Разреза секущей плоскостью Б - Б не требуется, так как он предназначен для выявления . формы наружной поверхности ручки (в рабочей конструкторской документации эта форма выявлена на чертеже сборочной единицы - ручки - см. рис. 15. 3, а) .
Другой пример выбора числа изображений на чертеже общего вида изделия рассмотрен ниже.
На чертеже общего вида допускается помещать изображение соседних изделий, сопрягаемых с конструируемым. Сопрягаемые изделия или их элементы условно называют «обстановка». Пример изображения «обстановки» - «Панель прибора» - см. на рисунке 15. 2. Линии «обстановки» - тонкие линии отсутствующего контура. Составные части изделия, расположенные за «обстановкой», изображают как видимые. Предметы «обстановки» выполняют ' упрощенно, приводя лишь необходимые данные для определения места установки, методов присоединения и крепления изделия. В разрезах и сечениях «обстановку» допускается не штриховать. Наименование или обозначение изделий, составляющих «обстановку», если их необходимо указать на чертеже, помещают непосредственно на ее изображении или на полке линии-выноски, проведенной от соответствующего изображения (см. «Панель прибора» на рис. 15. 2) .
... продолжение- Информатика
- Банковское дело
- Оценка бизнеса
- Бухгалтерское дело
- Валеология
- География
- Геология, Геофизика, Геодезия
- Религия
- Общая история
- Журналистика
- Таможенное дело
- История Казахстана
- Финансы
- Законодательство и Право, Криминалистика
- Маркетинг
- Культурология
- Медицина
- Менеджмент
- Нефть, Газ
- Искуство, музыка
- Педагогика
- Психология
- Страхование
- Налоги
- Политология
- Сертификация, стандартизация
- Социология, Демография
- Статистика
- Туризм
- Физика
- Философия
- Химия
- Делопроизводсто
- Экология, Охрана природы, Природопользование
- Экономика
- Литература
- Биология
- Мясо, молочно, вино-водочные продукты
- Земельный кадастр, Недвижимость
- Математика, Геометрия
- Государственное управление
- Архивное дело
- Полиграфия
- Горное дело
- Языковедение, Филология
- Исторические личности
- Автоматизация, Техника
- Экономическая география
- Международные отношения
- ОБЖ (Основы безопасности жизнедеятельности), Защита труда
