Анализ и расчёт сложных электрических цепей с исследованием конструкции и режимов работы трансформаторов

Введение
1. Теория
Конструкция трансформаторов
Работа трансформатора в режиме холостого хода Работа трансформатора под нагрузкой
Специальные типы трансформатора
2. Практическая часть
3. Заключение
4. Список используемой литературы
Введение
Необходимым условием эффективного функционирования электрических цепей является обеспечение их правильного построения, при этом учитывается законы электротехники и теория электрических цепей. Для этого применяется соответствующие методы расчета на всех этапах проектирования отладки и эксплуатации электрических приборов.
Электротехника - отрасль науки и техники, связанная с применением электрических и магнитных явлений для преобразования энергии, обработки материалов, передачи информации и др.
Электротехника охватывает вопросы получения, преобразования и использования электроэнергии в практической деятельности человека.
Электроэнергию можно получить в значительных количествах, передать на расстояние и легко преобразовать в энергию других видов.
В данной курсовой работе рассматривается анализ сложных электрических цепей с несколькими источниками энергии, теорию методов расчета, и их использования для проведения расчетов электрических схем.
А также рассмотрены конструкция, принцип действия и характеристики трансформаторов.
1. Теория.
Конструкция трансформатора.
Трансформатор представляет собой электромагнитный аппарат, предназначенный для преобразования величин токов и напряжений без изменения частоты.
Трансформатор состоит из замкнутого ферромагнитного сердечника, на котором размещены две или большее число обмоток. Обмотка, подключенная к источнику энергии, называется первичной. Обмотки, подключенные к сопротивлениям нагрузки, называются вторичными.
Сердечник (магнитопровод) трансформатора изготавливают из листовой электротехнической стали, имеющей малые потери на перемагничивание и на вихревые токи. Отдельные листы стали изолируют слоем лака, после чего стягивают болтами. Такое устройство применяется для уменьшения вихревых токов, индуктируемых в стали переменным потоком.
По конструкции сердечника различают два типа трансформатора: броневые и стержневые. На рис. 1. 1 изображен броневой трансформатор, или трансформатор с Ш-образным сердечником, а на рис. 1. 2 - стержневой трансформатор с П-образным сердечником.
Рис. 1. 1 Рис. 1. 2
Работа трансформатора в режиме холостого хода
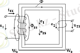
Под холостым ходом трансформатора понимается режим его работы при разомкнутой вторичной обмотке.
Первичная обмотка трансформатора подключена к источнику переменного напряжения. Ток i
1х
первичной обмотки создает переменное магнитное поле, намагничивающее сердечник трансформатора.
Магнитный поток в трансформаторе разделим на две части: основной магнитный поток Ф, замыкающийся в сердечнике, и поток рассеяния Ф
1S
, замыкающийся частично по воздуху.
На рис. 1. 3 изображен трансформатор, работающий в режиме холостого хода.
Рис. 1. 3
W
1
- число витков первичной обмотки;
W
2
- число витков вторичной обмотки;
R
1
- активное сопротивление первичной обмотки.
Определим ЭДС, индуктированную в первичной обмотке трансформатора основным магнитным потоком.
Основной магнитный поток изменяется по синусоидальному закону
,
где Ф m - максимальное или амплитудное значение основного магнит-ного
потока; ω=2πf-угловая частота;
f - частота переменного напряжения.
Мгновенное значение ЭДС
.
Максимальное значение
.
Действующее значение ЭДС в первичной обмотке
.
Для вторичной обмотки можно получить аналогичную формулу
.
Электродвижущие силы E
1
и E
2
, индуктированные в обмотках трансформатора основным магнитным потоком, называются трансформаторными ЭДС. Трансформаторные ЭДС отстают по фазе от основного магнитного потока на 90°.
Магнитный поток рассеяния индуктирует в первичной обмотке ЭДС рассеяния
,
где L
1s
- индуктивность рассеяния в первичной обмотке.
Запишем уравнение по второму закону Кирхгофа для первичной обмотки
,
откуда
.
На рис. 1. 4 изображена схема замещения трансформатора,
Рис. 1. 4
X
Э
- индуктивное сопротивление, пропорциональное реактивной мощности, затрачиваемой на создание основного магнитного потока.
В режиме холостого хода
.
Коэффициент трансформации
Работа трансформатора под нагрузкой.
Если к первичной обмотке трансформатора подключить напряжение U 1 , а вторичную обмотку соединить с нагрузкой, в обмотках появятся токи I 1 и I 2 . Эти токи создадут магнитные потоки Ф 1 и Ф 2 , направленные навстречу друг другу. Суммарный магнитный поток в магнитопроводе уменьшается.
Вследствие этого индуктированные суммарным потоком ЭДС E 1 и E 2 уменьшаются. Действующее значение напряжения U 1 остается неизменным. Уменьшение E 1 , вызывает увеличение тока токи I 1 . При увеличении тока I 1 поток Ф 1 увеличивается ровно настолько, чтобы скомпенсировать размагничивающее действие потока Ф 2 . Вновь восстанавливается равновесие при практически прежнем значении суммарного потока.
Упрощенная схема замещения трансформатора, изображенная на рис. 1. 5.
Рис. 1. 5
активное сопротивление короткого замыкания трансформатора,
индуктивное сопротивление короткого замыкания.
Специальные типы трансформаторов.
Наиболее часто в электротехнических установках используются следующие специальные типы трансформаторов: автотрансформаторы, многообмоточные и трехфазные трансформаторы.
Автотрансформатором называется такой трансформатор, у которого имеется только одна обмотка, часть которой принадлежит одновременно вторичной и первичной цепям. Схема однофазного трансформатора изображена на рис. 1. 6.
Режим холостого хода автотрансформатора, когда I 2 = 0, ничем не отличается
от режима холостого хода обычного трансформатора
.
Рис. 1. 6.
Подводимое к трансформатору напряжение U
1
= U
AB
равномерно распределяется между витками первичной обмотки.
Вторичное напряжение
где
коэффициент трансформации.
Автотрансформаторы выгодно использовать в тех случаях, когда коэффициент трансформации близок к единице.
Многообмоточные (одна первичная и несколько вторичных) трансформаторы используются в радиотехнических схемах для получения нескольких напряжений.
В режиме холостого хода работа таких трансформаторов не отличается от двухобмоточных.
В трехфазной сети переменного тока преобразование напряжений осуществляется с помощью трехфазного трансформатора с общим для трех фаз сердечником. В трехфазном трансформаторе с общим магнитопроводом магнитный поток любой из фаз может замыкаться через стержни, на которых расположены обмотки двух других фаз. Затраты стали на трехфазный трансформатор значительно меньше, чем на три однофазных трансформатора.
- Информатика
- Банковское дело
- Оценка бизнеса
- Бухгалтерское дело
- Валеология
- География
- Геология, Геофизика, Геодезия
- Религия
- Общая история
- Журналистика
- Таможенное дело
- История Казахстана
- Финансы
- Законодательство и Право, Криминалистика
- Маркетинг
- Культурология
- Медицина
- Менеджмент
- Нефть, Газ
- Искуство, музыка
- Педагогика
- Психология
- Страхование
- Налоги
- Политология
- Сертификация, стандартизация
- Социология, Демография
- Статистика
- Туризм
- Физика
- Философия
- Химия
- Делопроизводсто
- Экология, Охрана природы, Природопользование
- Экономика
- Литература
- Биология
- Мясо, молочно, вино-водочные продукты
- Земельный кадастр, Недвижимость
- Математика, Геометрия
- Государственное управление
- Архивное дело
- Полиграфия
- Горное дело
- Языковедение, Филология
- Исторические личности
- Автоматизация, Техника
- Экономическая география
- Международные отношения
- ОБЖ (Основы безопасности жизнедеятельности), Защита труда
