Санауыштар

Пән : Микропроцессорлық техника негіздері
Сабақтың тақырыбы : Санауыштар
Сабақтың барысы :
І . Ұйымдастыру кезеңі
Білім алушыларды түгендеу, сабаққа даярлығын ұйымдастыру
ІІ. Үй тапсырмасын тексеру
- Регистр дегеніміз не?
- Тізбектелген немесе жылжымалы регистрлер дегеніміз не?
- Екі екілік үшразрядты сумматордың қосындысының схемасын түсіндір?
- Мультиплексор дегеніміз не?
- Демультиплексор дегеніміз не?
ІІІ . Тәжірибелік жұмыс
Санауыштар ТЗЖ №10
ІV. Сабақты бекіту сұрақтары
- Санауыш дегеніміз не?
- Санауыштың түрлері?
- Санауыштарды не үшін қолданамыз?
V Бағалау
Орындалған тапсырмаларын тексеру арқылы студенттерді бағалау
VI Үйге тапсырма
Cұрақтары мен тапсырмалар
Пән оқытушысы: Ахметова М. Б.
Тәжірибелік- зертханалық жұмыс №10
- Тәжірибелік жұмыс негізгі мақсаттарымен таңысу
- Санауштардыңсхемасын зерттеу
- Тапсырмаларды орындау
Теориясы: Санауыш - ЭЕМ функционалды түйіні, кірісіне келіп түскен сигналдар санын санауға және оны n-разрядты екілік код түрінде беруге арналған. Санауыш санайтын максимальды сан N=2 n санау коэффициентін құрайды, мұндағы N - Санауыш разрядтылығы. Санауыштар біртактылы екісатылы Т-триггерлерінде құрылады.
Жіктелуі:
1. Санау бағыты бойынша
- қосындылаушы;
- азайтушы;
- реверсивті;
2. Санау жүйесі бойынша:
- екілік;
- екілік емес: екілік-ондық;
- еркін коэффициентті;
3. Сигналдардың келіп түсу уақыты бойынша:
- асинхронды;
- синхронды;
4. Разрядты тасымалды ұйымдастыру тәсілі бойынша:
- тізбекті тасымалды;
- параллель тасымалды;
- аралас тасымалды (топтап) ;
Базалық сұлбасы:
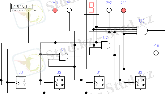
1. Тізбекті тасымалды асинхронный қосындылаушы екілік Санауыш.
1 сурет. Тізбекті тасымалды асинхронный қосындылаушы екілік санауыш.
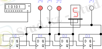
2. Параллель тасымалды синхронды қосындылаушы екілік санауыш.
2сурет. Параллель тасымалды синхрондық қосындылаушы екілік санауыш.
Ауыстырып қосу (кіріс сигналдарын санау) тек С синхросигналы бар болғанда ғана мүмкін болмақ.
3. Параллель тасымалды азайтушы синхрондық екілік санауыш.
3 сурет. Параллель тасымалды азайтушы синхрондық екілік санауыш
4. Параллель тасымалды ондық синхрондық қосындылаушы Санауыш.
4 сурет. Параллель тасымалды ондық синхрондық қосындылаушы санауыш.
Жеке тапсырмалар
1. Келесі схемаарды салыңыз
2. Келесі схемаарды салыңыз
Студенттердің сұрақтарына жауап беру
Зертханалық жұмысты қорытындылау
- Іс жүргізу
- Автоматтандыру, Техника
- Алғашқы әскери дайындық
- Астрономия
- Ауыл шаруашылығы
- Банк ісі
- Бизнесті бағалау
- Биология
- Бухгалтерлік іс
- Валеология
- Ветеринария
- География
- Геология, Геофизика, Геодезия
- Дін
- Ет, сүт, шарап өнімдері
- Жалпы тарих
- Жер кадастрі, Жылжымайтын мүлік
- Журналистика
- Информатика
- Кеден ісі
- Маркетинг
- Математика, Геометрия
- Медицина
- Мемлекеттік басқару
- Менеджмент
- Мұнай, Газ
- Мұрағат ісі
- Мәдениеттану
- ОБЖ (Основы безопасности жизнедеятельности)
- Педагогика
- Полиграфия
- Психология
- Салық
- Саясаттану
- Сақтандыру
- Сертификаттау, стандарттау
- Социология, Демография
- Спорт
- Статистика
- Тілтану, Филология
- Тарихи тұлғалар
- Тау-кен ісі
- Транспорт
- Туризм
- Физика
- Философия
- Халықаралық қатынастар
- Химия
- Экология, Қоршаған ортаны қорғау
- Экономика
- Экономикалық география
- Электротехника
- Қазақстан тарихы
- Қаржы
- Құрылыс
- Құқық, Криминалистика
- Әдебиет
- Өнер, музыка
- Өнеркәсіп, Өндіріс
Қазақ тілінде жазылған рефераттар, курстық жұмыстар, дипломдық жұмыстар бойынша біздің қор #1 болып табылады.

Ақпарат
Қосымша
Email: info@stud.kz