Электр санауыштар туралы

Физикадан фрейм - сабақ
Тақырыбы: Электр тогының жұмысы мен қуаты. Джоуль- Ленц заңы.
Мақсаты:
Білімділік: Токтың жұмысы мен қуаты, Джоуль-Ленц заңы туралы
түсіндіру, жаңа ұғым жөнінде түсінік қалыптастыру. Электрлік құбылыстар тарауы бойынша білімдерін толықтыру, бекіту, тексеру
Дамытушылық: Оқушылардың ой-өрісін, шығармашылық және
танымдық қабілеттерін дамыту.
Тәрбиелік: Оқушыларды, көрегендікке, еңбекшілдікке тәрбиелеу.
Сабақтың түрі - сабақ-фрейм
Сабақтың әдіс-тәсілдері: критерийлермен бағалау, сұрақ-жауап, фронтальды сұрау, топппен жұмыс, өздік жұмыс;
Пәнаралық байланыс: электроника, электротехника, тарих, қазақ тілі, математика т. б.
Сабақтың көрнекілігі: слайд, физикалық приборлар, кестелер, карточкалар
Фрейма ағылшын тілінен аударғанда рама дегенді білдіреді
Тақтада рама берілген. Сабақтың әр кезеңінде алынған ақпарат біздің рамамыз үлкейіп кеңи береді.
Оқытушы Фрейм-сабақ туралы мағлұмат береді.
Кластер «Электроника, электроника»
Жарнама 1. Электр энергиясы - ХХІ ғасырдың қуат көзі.
Есіңе түсір (теорияны қайталау)
1. Электр тогы дегеніміз не?
2. Ток күші дегеніміз не, формуласы, өлшем бірлігі, құрал
3. Тізбек бөлігі үшін Ом заңы қалай жазылады?
4. Тізбекте ток болу қандай жағдайлар болу үшін
не керек ?
5. Электр қозғаушы күш дегеніміз не?
6. Электр кернеуі дегеніміз не? формуласы,
өлшем бірлігі, құрал
7. Кедергі дегеніміз не
8. Өткізгіштің меншікті кедергісі деген не, формуласы өлшем бірлігі, құрал
9. Тізбектей және праллель жалғау заңдылықтары.
10. Толық тізбек үшін Ом заңы.
Жарнама 2. Электроника - прогресс тамыры, өндіріс жүрегі.
Қауіпсіздік техникасы.
Фронтальдық жұмыс.
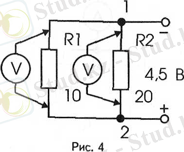
Амперметрдің, вольтметрдің, ток көзінің, резистордың, жалғағыш сымдар, шамның көмегімен электр тізбегін кұру, оны түсіндіру Q=I 2 Rt
Фронтальдық жұмыс (зерттеу) А
1. Сызба бойынша тізбек құрастыр.
2. Амперметрдің, вольтметрдің шкаласының бөлік құнын тап.
3. Амперметрдің, вольтметрдің көрсетулерін кесте жаз.
4. Кедергіні тап.
5. Қорытынды жаса.
Қорытынды
Фронтальдық жұмыс А
Бірінші резистор
R1
Қорытынды
1. Сызба бойынша тізбек құрастыр.
2. Амперметрдің, вольтметрдің шкаласының бөлік құнын тап.
3. Амперметрдің, вольтметрдің көрсетулерін кесте жаз.
4. Кедергіні тап.
5. Қорытынды жаса.
Фронтальдық жұмыс (белсенді) С
1. Берілген сызбадағы амперметрдің және вольтметрдің әуелі бөлік құнын, өлшеу шегін және олардың көрсеткіштерін анықтап жаз. Сызбадағы шамның және резистордың кернеуін анықта. кедергісін тап
Өздік жұмыс (жан-жақты ойлайтын) В
Карточка №1
1. Электр тізбегі ЭҚК-і 4 В, ішкі кедергісі 1 Ом ток көзінен және кедергісі
1 Ом өткізгіштен тұрады. Тізбектегі ток күші неге тең
2. Кедергілері 2 Ом және 3 Ом екі өткізгіш тізбектей жалғанған. Тізбектегі ток күші 1 А. Тізбектің жалпы кедергісін, әр өткізгіштегі кернеуді және жалпы кернеуді тап
(жауабы: R= 5 Ом; U 1 = 2В; U 2 =3 В; U=5 В)
Карточка №2
1. Электр тізбегі ЭҚК-і 6 В, ішкі кедергісі 2 Ом ток көзінен және кедергісі 1 Ом өткізгіштен тұрады. Тізбектегі ток күші неге тең?
2. Мыс сымның ұзындығы 100 м, көлденең қимасының ауданы 2 мм 2 . Сымның кедергісі неге тең? ρ =0, 017 Ом*мм 2 /м (Жауабы 0, 85 Ом)
Жарнама 3.
Жұмыс пен қуат. Джоуль - Ленц заңы » тақырыбы бойынша алған түбегейлі білімдерің электр қуатын тұтынуда көмегін тигізеді.
Жаңа сабақ
- Электр тогының жұмысы.
Электр тогының бар екенін оның жылулық, химиялық, магниттік және биологиялық әсерлері бойынша білуге болады дедік. Осы әсерлер арқылы электр тогы, нақты айтқанда электр тогының көзі жұмыс жасайды. Мысалы ток өткенде өткізгіш қызады, соның салдарынан олардың ішкі энергиясы өседі. Ал өткізгіштің ішкі энергиясының артуы ток жұмысының есебінен жүреді, осы жұмысты есептейік. Сонда электр өрісі A=qU жұмыс өндіреді. Бұл заңды тәжірибе жүзінде 1841 жылы ағылшын ғалымы Дж. Джоуль және 1843 жылы Петербург академигі Э. Х. Ленц ашқан. Сонымен электр тогының жылулық әсерін түсіндіретін заң Джоуль- Ленц заңы болды.
Электр тогының жылулық әсері тұрмыстық, өнеркәсіптік жылу қондырғыларында қолданылады. Олар электр шамдарында, өлшеу техникаларында, аспаптарында, электрлік дәнекерлеуде, тағы да басқа көптеген қазіргі заманғы техниканың салаларында пайдаланылады.
A=qU; I=q/t
Тізбектің бөлігіндегі токтың жұмысы ток күшінің кернеуге және жұмыс өндіруге кеткен уақытқа көбейтіндісіне тең:
A=IUt егер I=U/R; U=IR; A=IUT=I 2 Rt=U 2 /Rt=Q
SI жүйесінде жұмыс Джоульмен (Дж) өлшенеді.
1 Дж = 1А·1В · 1 с
Токтың жұмысын өлшеуге арналған құрал электр санауыш деп аталады
=
егер I=U/R; U=IR; A=IUT=I 2 Rt=U 2 /Rt=Q
Өткізгіштерді тізбектей жалғау үшін A=I 2 Rt
Өткізгіштерді параллель жалғау үшін A=U 2 /Rt
1 Вт∙сағ. = 3600 Дж
1 гВт∙сағ = 100 Вт = 360 000 Дж
1 кВт∙сағ = 1000 Вт = 3 600 000 Дж.
Токтың қуаты
Токтың қуаты t уақыттағы ток жұмысының сол уақыт аралығына қатыныасына тең:
P=A/t=IU
егер I=U/R; U=IR; P=IU=I 2 R=U 2 /R
Өткізгіш неге қызады:
Джоуль- Ленц заңы.
Ағылшын физигі Ресей физигі
Джеймс Джоуль Эмилий Христианович Ленц
(1818-1889) (1804-1865)
Тогы бар өткізгіштің бөлініп шығатын жылуының мөлшерін ток күшінің квадраты, өткізгіштің кедергісіне және өткізгіш бойымен ток жүретін уақыттың көбейтіндісіне тең:
Q=I 2 Rt
Жарнама 4
1. Үйреніп ал, қажетіңе жарайды!
Электр санауыш туралы студенттің дайындаған мәліметтері. (слайд)
Электр санауыштар туралы
Электр санауыштардың пайда болу тарихы XIX ғасырдан басталады. XIX ғасырдың бірінші жартысында электр және магниттік қасиеттердің біртұтастығы теория жүзінде дәлелденді. XIX ғасырдың екінші жартысында теорияны практика жүзінде дәлелдеу басталды. Су турбинасына, санауышқа, ток трансформаторына, әр түрлі двигательдерге, динамо- машинаға, шамдарға патент берілді, яғни бұл қондырғылар әр түрлі мақсаттарға қолданыла бастады. Осыған дейін трансформатор жасаған венгр Отто Титус Блати және динамо-машина жасаған Аньош Йедлик и Вернер фон Сименс ең алғашқы индукциялық электр санауыш жасады. Тағы да бұдан басқа (Галилео Феррарис- 1885 жылы, Никола Тесла - 1888жылы, Шелленбергер - 1888жылы), сол кездегі ұдайы электромагнитизмді теориясын дамыта отырып, электр энергиясын өлшейтін электр санауыштардың пайда болуына үлес қосты.
Бұл комерсиялық өнім көпшіліктің сұранысына ие болды. Осы электр санауыштардың көмегімен тұтынған электр энергиясын есептеуге мүмкіндік туды.
1888 ең бірінші айнымалы токтың электр санауышын жасаған ғалымдар Оливер Б. Және Шелленбергером.
Электр санауыштар классификациясына, түріне, құрылысына қарай бөлінеді.
Электрөлшеуіштер өлшеу шамасына қарай бір фазалық (айнымалы ток өлшеу үшін 200В, 50 Гц) және үш фазалық (380 В, 50 Гц) .
Электрмеханикалық индукциялық санауыштың айналатын индукциялық бөлігі (алюминий диск) электр тұтынушыларын қосқанда айналып, есептік тетіктің көрсетуі бойынша шығынды көрсетеді. Құйынды токтың әсерінен алюминий диск айналады.
Электронды санауыштар, айнымалы ток пен кернеудің шығу сигналдарын түрлендіріп, есептеу импульсіне айналдырады. Импульстердің саны белсенді энергияға тура пропорционал.
Электронды электр санауыштардың кепілдік мерзімі электрмеханикалық индукциялық санауыштарға қарағанда көп (4-16 жыл)
2. Осы тақырып бойынша берілген кез келген есептерді бөгелмей шығарып үйрену. Бұл өздік жұмыстар мен үй тапсырмаларын орындауға көмектеседі.
Есеп №1
Қуаты 100 Вт электр шамы күніне 6 сағ. жанады. 1 ай (30 күн) ішіндегі токтың атқарған жұмысын тап, 1 кВт*сағ қалада 7 теңге тұрады?
Шешуі :
А=Р*t
А= 100 Вт *180 сағ. =18000 Вт*сағ= 18 кВт*сағ
құны - 7 теңге * 18 кВт*сағ =
= 119 теңге
Жауабы: А= 18 кВт*сағ, құны 119 теңге
Есеп № 2
2А ток күші мен 220 В кернеуінде 10 м биіктікке массасы 100 кг жүкті
30 с аралығында көтеретін электр двигателінің ПӘК-ін анықтау
Берілгені
U = 220В Шешуі:
I = 2А ПӘК - жалпы жұмыс пен пайдалы
t = 30c жұмыстың арақатынасын айтады
m = 100 кг
һ=10 м
ƞ-?
Пайдалы жұмыс А П = mgh, жалпы жұмыс А ж =UIt
Жарнама 5
Тестерді орындау - сіздердің болашақ мамандықтарыңызды біліп-тануыңызға ашылатын бірден бір жол.
Тест
1. Электр тізбегіндегі кернеудің токқа қатынасын қандай физикалық шама деп аталады?
А. Ток күші.
В. Кернеу.
С. Кедергі.
Д. Жұмыс.
Е. Қуат.
2. Кедергілері 3 және 6 Ом резисторлар параллель жалғанғанда, жалпы кедергілері неге тең?
А. 2 Ом
В. 10 Ом.
С. 4 Ом.
Д. 18 Ом.
Е. 3 Ом.
3. Өткізгіштерді қалай жалғағанда тізбектегі ток күші тұрақты болады?
А . Тізбектей.
В. Аралас.
С. Параллель.
Д. Біртіндеп.
Е. Тізбектей және біртіндеп
4. Өткізгіштерді қалай жалғағанда тізбектегі кернеу тұрақты болады?
А . Тізбектей.
В. Аралас.
С. Параллель.
Д. Біртіндеп.
Е. Параллель және біртіндеп
5. 7 кА болатын тоқ күшін ампермен өрнекте?
А. 0, 7 А.
В. 700 А.
С. 7000 А.
Д. 0, 007 А.
Е. 0, 07 А.
6. Ом заңы бойынша кедергі қалай өрнектеледі?
А. R=U/I.
В. R=UI.
C. R=I/U.
Д. R=ρS/L.
Е. m=kIt.
7. Қалыңдығы өткізгіштер өлшемдерімен салыстырғанда өте аз, диэлектрик қабатымен бөлінген екі өткізгіш қалай аталады?
А. психрометр.
В. термометр.
С. амперметр.
Д. конденсатор.
Е. трансформатор.
- Іс жүргізу
- Автоматтандыру, Техника
- Алғашқы әскери дайындық
- Астрономия
- Ауыл шаруашылығы
- Банк ісі
- Бизнесті бағалау
- Биология
- Бухгалтерлік іс
- Валеология
- Ветеринария
- География
- Геология, Геофизика, Геодезия
- Дін
- Ет, сүт, шарап өнімдері
- Жалпы тарих
- Жер кадастрі, Жылжымайтын мүлік
- Журналистика
- Информатика
- Кеден ісі
- Маркетинг
- Математика, Геометрия
- Медицина
- Мемлекеттік басқару
- Менеджмент
- Мұнай, Газ
- Мұрағат ісі
- Мәдениеттану
- ОБЖ (Основы безопасности жизнедеятельности)
- Педагогика
- Полиграфия
- Психология
- Салық
- Саясаттану
- Сақтандыру
- Сертификаттау, стандарттау
- Социология, Демография
- Спорт
- Статистика
- Тілтану, Филология
- Тарихи тұлғалар
- Тау-кен ісі
- Транспорт
- Туризм
- Физика
- Философия
- Халықаралық қатынастар
- Химия
- Экология, Қоршаған ортаны қорғау
- Экономика
- Экономикалық география
- Электротехника
- Қазақстан тарихы
- Қаржы
- Құрылыс
- Құқық, Криминалистика
- Әдебиет
- Өнер, музыка
- Өнеркәсіп, Өндіріс
Қазақ тілінде жазылған рефераттар, курстық жұмыстар, дипломдық жұмыстар бойынша біздің қор #1 болып табылады.

Ақпарат
Қосымша
Email: info@stud.kz