Генератор тапсырмасының түрлері

Сабақтың тақырыбы: Генератор тапсырмасының түрлері
САБАҚ БАРЫСЫ
І Ұйымдастыру бөлімі:
А) «Топтық» ашылған чатқа кіру;
Б) Чатқа оқытушы өзінің пәнін кесте бойынша жариялау;
В) Оқушылардың чатқа қосылғанын тексеру, қадағалау;
Г) Өтетін сабақтың тақырыбын чатқа жазу;
ІІ Үй тапсырмасын тексеру
А) Өткен тақырып бойынша үй тапсырмасын сұрау;
Б) Орындалған үй тапсырмаларын чат арқылы электронды қабылдау
В) Студенттерге үй тапсырмасынан сұрақтар қою;
- Автомобильде қолданылатын аккумулятор батареяларының түрлері қандай?
- Аккумуляторлар құрылысы бойынша қандай түрлері?
- Аккумулятор батареясы маркалары қандай?
Г) Студенттерден ауызша түрде қабылдау;
ІІІ Жаңа оқу материалын баяндау (Электронды түрде: мәтін, сурет, видео)
Генератордың құрастырылуы
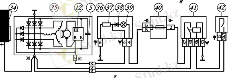
3. 4 сурет. ВАЗ қозғалтқыштарының 37. 3701 генераторы: а- қимасындағы жалпы түрі; б- 1996 ж кернеуді реттегіш және түкше торабы; в- ротор; г-ВАЗ-21213 автокөлігіндегі генератордың жалғану сызбасы; 1- байланыс сақиналары тарапынан генератордың қақпағы; 2- түзету блогының бекіту бұрандасы; 3- байланыс сақиналары; 4және 20- шар тәрізді мойынтіректер; 5- радиокедергілерді басуға арналған конденсатор; 6- ротор білігі; 7- қосымша диодтарды өткізудің жалпы сымы; 8- тұтынушыларды қосуға арналған генератордың «30» клеммасы; 9- генератордың «61» істікшесі (қосымша диодтардың жалпы өткізгіші) ; 10- кернеуді реттегіштің «Б» өткізгіш сымы; 11- кернеуді реттегіштің «В» өткізгішімен байланысқан қылшақ; 12- кернеуді реттегіш; 13- кернеуді реттегіштің «Ш» өткізгішімен байланысқан қылшақ; 14- генераторды тарту жабдығына бекітуге арналған шпилькасы; 15- тегершік тарапынан генератордың қақпағы; 16- генератор білігінде тегершігі бар желдеткіш; 17- ротордың полюстік ұштығы; 18- мойынтіректерді бекіту тығырығы; 19- аралық сақина; 21- болат төлкесі; 22- ротор орамы (қызу орамы) ; 23- статор білігі; 24- статор орамы; 25- түзетуші блок; 26- тізетуші блоктың диоды; 27- генератор қақпақтарының тартпалы бұрандасы; 28- буферлің төлке; 29- төлке; 30- қыспа төлкесі; 31- кернеуді реттегіштің «В» өткізгіші; 32-қылшақ ұстағыш 33- ротор қызу орамының ұштарын өткізуге арналған саңылаулар; 34- аккумулятор батареясы; 35- генератор; 36- жабдықтардың жинағы; 37-51 Ом кедергі; 38- белгі беруші торабындағы диод; 39- аккумулятор батареясы тоқтан айырылуыны белгі берушісі; 40- сақтандырғыштардың блогы; 41- тұтану релесі; 42- тұтанудың сөндіргіші (құлып)
Генератордың құрастырылуы (3. 4 сурет) . Генератор статордан, ротордан, 11 және 13 қылшақтарынан, 25 түзетуші блоктан, 12 кернеуді электронды реттеуіштен, 27 бұрандамаларының көмігемін бекітілетін 1 және 15 екі қақпақтан, сонымен қатар 16 желдеткіші бар терегшіктен және 5 конденсатордан тұрады. Статор білік және орауыш байламдарынан тұрады. Статордың 23 білігі (3. 4, а суретін қараңыз) бір-бірінен лакпен оқшауланған бөлек болатты пластиналарынан сақина түрінде дайындалады. Оның ішкі бетінде орауыштары киілетін тістері бар. Орауыштар статордың 24 байламын түзейді. Ол бір-біріне қатысты 120° бұрышында орналасқан үш фазаға бөлінген. Әрбір фазаның бір ұштары нөлдік деп аталатын өзара бір нүктеге жалғанған, ал басқалары тізбекке шығарылады. Ротор магниттік өрісті 22 қозу байламының әрекет етуімен құрайтын бір-біріне тұмсықтәрізді полюстеріне кіретін алты жұбымен 17 екі полюстік ұштық және 22 қозу байлауышы бар 21 төлкесі қысылған 6 білігінен (3. 4, в суретін қараңыз) тұрады. Ротор білігінде 3 екі байланыс сақинасы орнатылған (3. 4, а суретін қараңыз), олар арқылы қозу байламына электр тоғы беріледі. Байланыс сақиналарының бойымен 11 және 13 серіппелі графиттік қылшақтар сырғиды, олар 12 кернеуді реттеуішпен В және Ш өткізгіштерімен жалғанған. Ротор генератордың алдыңғы және артқы қақпақтарында орнатылған 4 және 20 шар мойынтіректерінде айналады. Мойынтіректер генератордың қызмет ету мерзіміне есептелген арнайы маймне толтырылған. Генератордың 1 қақпағының ішінде 25 түзету блогы орналастырылған. 25 түзету блогы өзара байланысқан алты диодтармен қысылған екі алюминий пластинасынан тұрады (әрбір пластинада бірдей полярлы үш диод бойынша), олар электр тоғын бір бағытта ғана өткізеді және генератормен өндірілетін ауыспалы электр тоғын тұрақты тоғына түрлендіруді қамтамасыз етеді. Түзету блогының пластинасында тағы үш қосымша диод орнатылған. Жұмыс істеп тұрған генератордың осы қосымша диодтарынан алынатын кернеу ротордың 22 байламын тұрақты тоқпен қуаттау үшін өткізіледі. Кернеудің электронды реттеуіші 12 генератор кернеуінің ең үлкен мөлшерін шектеу үшін қызмет атқарады, ол электр қуаты тұтынушыларының қалыпты жұмысын және аккумулятор батареясын қуаттауды қамтамасыз ету үшін қажет. Ол генератордың 1 қақпағына сыртынан бекітілетін пластмасса 32 қылшақ ұстағышысымен және 11 мен 13 екі қылшақтармен бір қылшақ торабына біріктірілген бөлшектенбейтін реттелмейтін транзистрлік жабдық (3. 4, б суретін қараңыз) болып келеді. Желдеткіші бар жетекші тегершігі 16 ротордың 6 білігінде орнатылған.
Генератордың жетегі иінді біліктің тегершігінен поликлинді (ВАЗ-2120 және ЗМС-4062 қозғалтқыштарында) немесе клинді (басқа қарастырылатын қозғалтқыштарында) белдігінің көмегімен іске асырылады. Тегершіктің кемітілген диаметрінің арқасында генератор роторының білігінде иінді білікке қарағанда айналу жиілігі аса жоғары (жуық шамамен екі есе), ол онымен өңделетін тоқты арттыру үшін қажет. Әсіресе, қозғалтқыш бос жүрісте кіші айналымдарда істеген кезде. Желдеткіш 16 статор, ротор және тізеткіштің салқындатылуы үшін қызмет атқарады. 1 қақпақтағы терезелер арқылы салқындатқыш ауа кіреді. Генератордың ішінде өтеді және 15 алдыңғы қақпақ терезелері арқылы сыртқа шығады. Радиокедергілерді басу үшін және автокөліктің электронды жабдықтарын кернеудің импульстарынан қорғау үшін генератордағы тұтату жүйесінде 5 конденсатор орнатылған, ол оң өткізгіші («30» клемма) және генератордың «салмағы» (3. 4, г суретін қараңыз) арасында қосылады. Генератордың жұмысы. Келесідей түрде іске асырылады: тұтату іске қосылған кезде «61» өткізгіші арқылы 34 аккумулятор батареясынан ротордың қозу байламына тоқ келіп түскені туралы белгі беретін жабдықтардың комбинациясындағы аккумулятор батареясы тоқтан айырылуының 39 дабыл берушісі жанады (3. 4, а суретіндегі 9 сур. қараңыз) . осы кезде аккумулятор батареясының тоғы оның іске қосылуын болдырта отырып, 39 дабыл беруші, 40 сақтандырғыш блогы, 41 реле, 42 тұтатуды қосу арқылы «61» өткізгішіне келіп түседі. Қозу байламы арқылы өтетін тоқ ротор полюстерінің қасында магниттік өрісті құрайды. Қозғалтқышты іске қосқаннан кейін, генератордың роторы айнала бастаған кезде, 23 статордың әрбір тісі астында (3. 4, а суретін қараңыз) ротордың біресе оңтүстік, біресе солтүстік полюстері өтеді. Сондықтан, статордың тістері арқылы өтетін магниттің өріс күші және бағыты бойынша өзгеріске ұшырайды. Ауыспалы магниттік өріс статордағы 24 байлам айналымдарын қия отырып, онда ЭҚК жинақтайды. Статордың байламында жинақталған ауыспалы кернеу мен тоқ 25 түзету блогымен түзетіледі. Тұтынушыларды қуаттау үшін генератордың «30» клеммасынан алынатын тұрақты тоқ жұмсалады (3. 4, а суретіндегі 8 сур) . қосымша диодтардың 9 жалпы өткізгіштерінен біруақтылы ротордың 22 байламын қуаттау үшін түзетілген кернеу беріледі.
- Іс жүргізу
- Автоматтандыру, Техника
- Алғашқы әскери дайындық
- Астрономия
- Ауыл шаруашылығы
- Банк ісі
- Бизнесті бағалау
- Биология
- Бухгалтерлік іс
- Валеология
- Ветеринария
- География
- Геология, Геофизика, Геодезия
- Дін
- Ет, сүт, шарап өнімдері
- Жалпы тарих
- Жер кадастрі, Жылжымайтын мүлік
- Журналистика
- Информатика
- Кеден ісі
- Маркетинг
- Математика, Геометрия
- Медицина
- Мемлекеттік басқару
- Менеджмент
- Мұнай, Газ
- Мұрағат ісі
- Мәдениеттану
- ОБЖ (Основы безопасности жизнедеятельности)
- Педагогика
- Полиграфия
- Психология
- Салық
- Саясаттану
- Сақтандыру
- Сертификаттау, стандарттау
- Социология, Демография
- Спорт
- Статистика
- Тілтану, Филология
- Тарихи тұлғалар
- Тау-кен ісі
- Транспорт
- Туризм
- Физика
- Философия
- Халықаралық қатынастар
- Химия
- Экология, Қоршаған ортаны қорғау
- Экономика
- Экономикалық география
- Электротехника
- Қазақстан тарихы
- Қаржы
- Құрылыс
- Құқық, Криминалистика
- Әдебиет
- Өнер, музыка
- Өнеркәсіп, Өндіріс
Қазақ тілінде жазылған рефераттар, курстық жұмыстар, дипломдық жұмыстар бойынша біздің қор #1 болып табылады.

Ақпарат
Қосымша
Email: info@stud.kz